hallo erstmal, ich habe aus einem alten terminal aus der medizin ein grafik-lcd ausgebaut. es besitzt 240x64 pixel. bezeichnung: "OPTREX DMF633NY-EB" ein datenblatt für das lcd konnte ich bisher nicht auftreiben. hier ein paar bilder: http://schwerminator.cybton.com/arbeit/lcd/1.jpg http://schwerminator.cybton.com/arbeit/lcd/2.jpg http://schwerminator.cybton.com/arbeit/lcd/3.jpg auf der ursprünglichen platine des terminals wurde das lcd mit einem HD61830 angesteuert. hier das schaltbild des terminals: http://schwerminator.cybton.com/arbeit/lcd/schaltbild.jpg ich möchte dieses lcd später an einem pc über den lpt-port anschließen, nur benötige ich noch die nötigen controller-platine dafür. nun meine frage: da ich mich nicht sonderlich mit elektronik auskenne, wüsste ich gerne von euch, wie eine solche platine aussieht, noch besser wäre ein schaltbild!
ich habe auch noch das datenblatt für den controller: http://schwerminator.cybton.com/arbeit/lcd/hd61830.pdf danke, schwerminator
Das einfachste wäre die vorhandene Platien zu verwenden, den 80C31 entfernen und stattdessem ein Kabel zum LPT anlöten. Muss mal schauen ob du irgendwo eine Software für den HD61830 findest. Ansonsten musst du dir irgendwo einen T6963 LCD Controller besorgen, der das Dual Scan LCD ansteuern kann.
ne also ne software, die den unterstützt habe ich: LCDHype! kannst du mir kurz sagen, welche pins an welche pins?! danke schonmal für die antwort!
tut es nicht! hier ein link zu der homepage der software: http://lcdhype.mod-extreme.info/lcdhypeforum/index.php
ich hab auf der page ne pinbelegung für ein anderes display aber mit dem gleichen controller, geht das trotzdem? wenn ja wie? Hitachi LMG7400PLFC 240x128 HD61830 LCD -> Description -> LPT Pin 01 -> Vss Ground -> Pin 18-25 Pin 02 -> Vdd 5.0V -> 5.0V Pin 03 -> V0 -> 0 .. -15.0V Pin 04 -> RS -> 16 Pin 05 -> R/W -> 14 Pin 06 -> E -> 1 Pin 07 -> Data0 -> 2 Pin 08 -> Data1 -> 3 Pin 09 -> Data2 -> 4 Pin 10 -> Data3 -> 5 Pin 11 -> Data4 -> 6 Pin 12 -> Data5 -> 7 Pin 13 -> Data6 -> 8 Pin 14 -> Data7 -> 9 Pin 15 -> /CS -> Pin 18-25 Pin 16 -> /RESET -> 5.0V Pin 17 -> Vee (-15.0V) -> -15.0V Pin 18 -> NC -> Pin 19 -> NC -> Pin 20 -> NC -> Logic -> Vdd-Vss = 6.3V LC-Drive -> Vdd-Vee = 20.3V
Im Schaltplan hast du ja die Bezeichnungen und weist also wo E, RS, RW usw. am HD61830 ist. Diese musst du jetzt so mit dem LPT verbinden. Sind die ICs gesockelt ? Wenn ja, dann entfernst du alle außer IC1 und IC11 von der Platine.
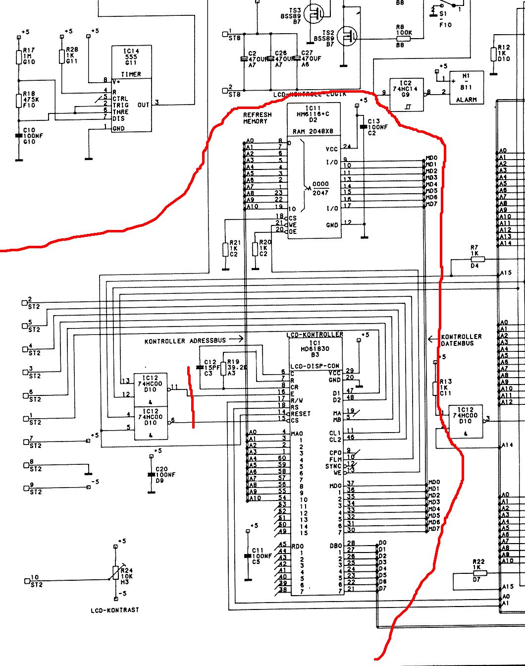
nee gesockelt ist nur ic9 mit der software! kannst du das bitte in den schaltplan einzeichnen ich versteh dich nicht so gut sonst!
Du brauchst nur den Teil innerhalb der roten Linen, d.h. an den roten Linie die Leiterbahn unterbrechen. Dann hast du rechts unten D0-7 und links oben am 61830 E, RS, RW, Reset und CS\ Diese verbindest du mit dem LPT. Die +5V vom PC kommen an Pin 29 und ans LCD Dann brauchst du noch von irgendwoher -5V die nicht vor den +5V anliegen dürfen.
dann kann ichs doch eigendlich ganz neu löten, oder?! kann man solche controller kaufen?! wofür ist eigendlich IC11 da?
Eigentlich ja. Den 61830 wird man nur schwer bekommen. Der T6963 ist da leichter zu bekommen aber dann musst du die Schaltung neu entwickeln. Versuch doch mal IC1 und 11 auszulöten . IC11 ist der Speicher für die Grafikdaten.
aber den ic11 könnte man theoretischa auch nachkaufen, oder?! wie soll ich bitte einen prozessor ablöten?!
Alle Pins gerade biegen falls was verbogen ist) Mit einer Heißlufzpistole die Platine von unten erwärmen und das IC entnehmen (mit einer Zange o.ä. da heiß)
so ich hab das RAM und den controller runter, kann mir jemand ein schaltbild anfertigen?!
ja stimmt ok! einige fragen hab ich aber noch: 1. wird IC12 zum betrieb am pc nicht gebraucht? 2. welche pins des controllers sind den datenpins 0-7 entsprechend? 3. die pins DB0-DB7 sind auch an einem weiteren ram-baustein angeschlossen, werden diese nicht gebraucht?
1. wird IC12 zum betrieb am pc nicht gebraucht? Nein, damit werden die Signale von Intel auf Motorola Bussystem umgewandelt. Kannst du weglassen. 2. welche pins des controllers sind den datenpins 0-7 entsprechend? DB0-DB7 3. die pins DB0-DB7 sind auch an einem weiteren ram-baustein angeschlossen, werden diese nicht gebraucht? Nein, das ist der RAM für den uC 80C31
@Benedikt, hast du eine Bezugsquelle für Endkunden für den T6963? Ich hab bis jetzt noch kein Händler finden können der mir ein verkauft hätte. Zumindest nicht in Deutschland. Und evtl auch ein Preis, wenn der da nicht angegeben ist? Thx!
@Günther Versuchs mal bei www.lc-design.de Den Preis kenne ich leider nicht, aber billig sind die Dinger warscheinlich nicht. Ich kenne nur die größeren Controller von Epson für Farb LCDs/TFTs wie den S1D13705 oder den S1D13504, die kosten so 20 aufwärts.
Bitte melde dich an um einen Beitrag zu schreiben. Anmeldung ist kostenlos und dauert nur eine Minute.
Bestehender Account
Schon ein Account bei Google/GoogleMail? Keine Anmeldung erforderlich!
Mit Google-Account einloggen
Mit Google-Account einloggen
Noch kein Account? Hier anmelden.
