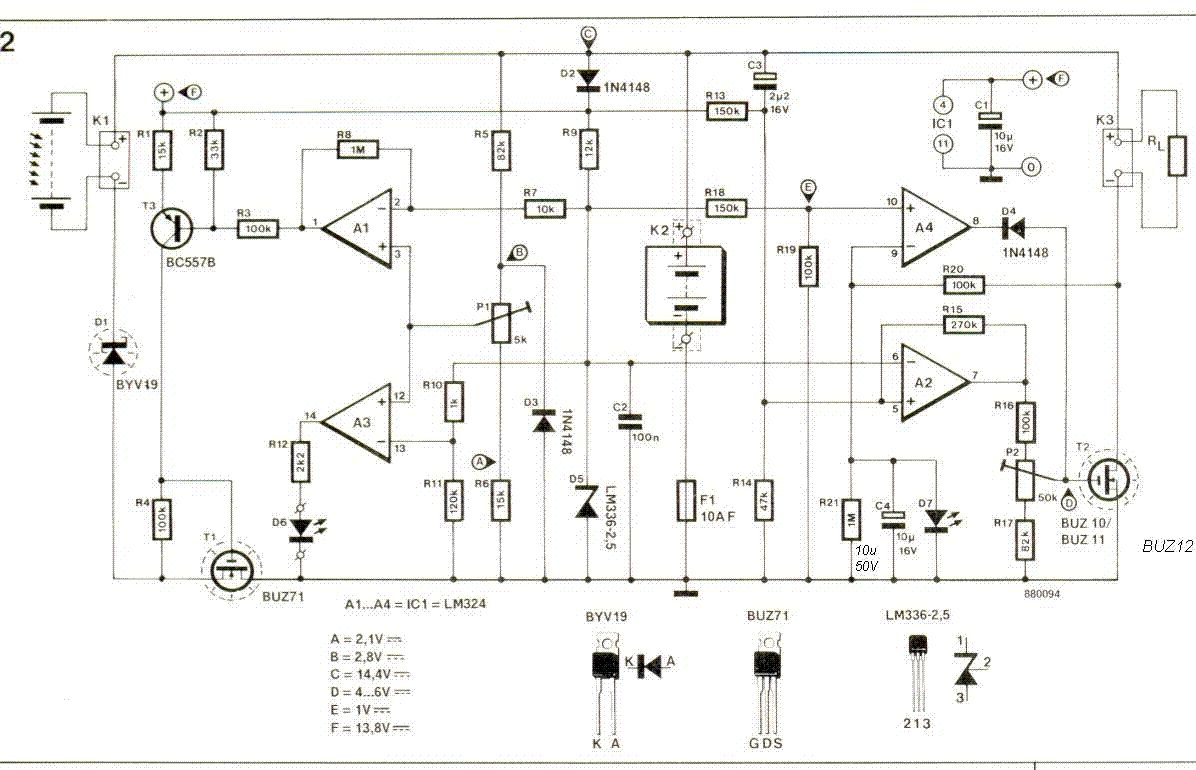
Hallo, ich versuche einen Solarregler, der mal in der Elektorzeitschrift veroeffentlicht war, zu bauen. Anbei der Schlatplan dabei habe ich die Veraenderungen drangeschrieben. Problem: Ich habe einen BUZ12 anstatt BUZ11 oder BUZ10. Der hat einen geringeren R_DS. Die elektronische Sicherung, dioe ueber A4 realisiert ist, faengt an zu flackern, wenn ich eine 11W Lampe einsetze. Die Lampe geht dann an und aus, und machnmal auch ganz aus und nicht mehr an. Die Spannungen in meiner Schaltung sind wie auf dem Bild: A ist 2.4V B 2.8V C12.15V D zwischen 3.5 und 5.5V E 0.9 V F 11.6 bis auf A eigentlich alles fast wie im Original. Warum also das blinken? Wenn ich eine 2W Lampe einzetze funktioniert die einwandfrei. Ich habe bereits versucht, R17 raufzusetzen und R16 runter. Hat aber auch nichts wesentlich geaendert. Kann mir jemand weiterhelfen? Kann ich das irgendwie loesen indem ich die Widerstaende aendere, so dass ich mit BUZ12 arbeiten kann? Hat menad ne Idee? Beste Gruesse Heinrich
Ach genau, der Kondensator C4 ist bei mir nicht gepolt und hat ne maximal Spannung von 50V anstatt 16V und gepolt.
> Warum also das blinken? Strombegrenzung schlägt zu, wenn die Spannung über dem MOSFET auf über 1V steigt. Da Glühlampen einen Einschaltstromstoss haben, ist der wohl zu heftig. Dann sollte eigentlich D7 leuchten, was mit 100k Vorwiderstand kaum was wird. Da der MOSFET offen ist, sollte das als Mitkopplung A4 eingeschaltet lassen. > und machnmal auch ganz aus und nicht mehr an Das wäre ja richtig. Ich denke, du hast was falsch aufgebaut. D7 ist keine LED ? R20 sollte man wohl besser auf 1k verringern. Nur blöd weil dann trotz Unterspannungsabschaltung die LED weiter leuchtet und am Akku hängt, auch nicht über die Last ihren Strom zieht. > bis auf A eigentlich alles fast wie im Original. Statt 15k versehentlich 18k eingelötet ? So lange A unter 2.5V liegt bei vollem Akku würde es gehen, aber dein Akku ist noch nicht voll und A schon nache an 2.5V. Die Schaltung ist typisch grober Elektor-Unsinn, von Laien für Laien. Kauf einen ICL7665.
... Dann sollte eigentlich D7 leuchten, was mit 100k Vorwiderstand kaum was wird ... ... Die Schaltung ist typisch grober Elektor-Unsinn, von Laien für Laien ... MaWin, du hast die Schaltung nicht verstanden: du bist der Laie - nicht die Entwickler von Elektor.
Hi , vielen Dank fuer die Antwort. Hab den Fehler gefunden. Sau dumm. Das Anschlusskabel an die Batterie hatte einen viel zu hohen Widerstand, war also sau duenn. Das Dingen funktioniert nun. Kann diese Schlaung, die Du da genannt hast unabhaengig arbeiten, oder braucht man da noch mehr Komponenten? Naja ausserdem sitze ich in Mosambik, da sollte es moeglichst einfach sein, von den Bauteilen her. Da bin ich mit der Elektorschaltung ganz zufrieden. Mit den Buz12 kann man das Dingen auch als Load Limiter gebrauchen, da die Sperre bereits bei etwa 11W anschlaegt. Bei mienem Minisystem ist das ganz bruachbar. Was haeltst Du davon? Gruss
Die Diode D7 wird als ZenerDiode missbruacht und giobt eine Spannung von 1.6V wieder
> MaWin, du hast die Schaltung nicht verstanden: Hmm, du hast aber schon verstanden, daß man hier gar keine Spannungsbegrenzung durch eine als Z-Diode missbrauchte LED bräuchte ? Zwar sollten OpAmp-Eingänge nicht über die Versorgungsspannung gezogen werden und der LM324 hängt über eine Diode an Plus, bekommt also 0.7V weniger. Aber da hilft aber der Spannungteiler 1M zu 100k, der 12V um mehr als diesen Diodenspannungsabfall reduziert. Sogar der 16V Elko hätte ausgereicht.
Bitte melde dich an um einen Beitrag zu schreiben. Anmeldung ist kostenlos und dauert nur eine Minute.
Bestehender Account
Schon ein Account bei Google/GoogleMail? Keine Anmeldung erforderlich!
Mit Google-Account einloggen
Mit Google-Account einloggen
Noch kein Account? Hier anmelden.
