Hi, ich möchte gern 4 LED Dot-Matrix Anzeigen mit je 5x8 LEDs durch einen AVR-Controller z.B. AT90S2313 ansteuern, wenns nötig ist könnt eich auch einen mit mehr Pins nehmen. Kennt Ihr evtl eine geeignete Treiberschaltung/TreiberIC das keine tischtennisplattengrosse Platine erforderlich macht? Die Displays sind intern als Matrix verschaltet, also 8 Anoden für die Zeilen und 5 Kathodenanschlüsse für die Spalten. Der minimale Dutycycle ist 1/16, d.h. man kann maximal zwei Anzeigen an den Zeilen zusammenschalten, sonst leuchten die LEDs nicht lange genug und damit zu dunkel. Wenn ich das so mache, dann habe ich 2x8 Zeilen plus 4x5 Spalten zu versorgen, das sind alleine schon 36 Signale. Also keine Chance, die irgendwie direkt mit dem AVR anzusteurn, zumal der den Strom nicht schafft. Bei 1/16 Dutycycle muss auf schon auf min 100mA rauf sonst muss mans Licht ausmachen zum Ablesen. Ich habe herausgefunden, dass es CMOS ICs mit maximal 12stufigem Schieberegister und eingebautem LED Treiber gibt, z.B HEF4894B von Philips, doch damit kann ich bestenfalls die Kathoden verschalten. Es bleiben dann immer noch 2x8 Anoden zu versorgen. Das sieht sehr nach IC Massengrab aus. Gibts da nicht was viel geschickteres, z.B. so eine Art Controller, wie er z.B. auf den intelligenten LCD Displays draufsitzt nur eben fuer LEDs und zu einem Preis erhältlich für den ich keinen Kleinwagen bekomme?? Hat da jemand was parat? Danke fuer die Mühe.
Hi, auf die schnelle fällt mir der 7219 ein. Schau dir mal das Datenblatt an. Ich meine, den kannst du dafür benutzen. Gruß, Günter
hallo liebe antworter, danke für dier wertvollen hinweise. die richtige lösung hab ich so glaub ich zumindest noch nicht, doch Ihr habt mich auf die richtige spur gebracht. danke nochmals hat wirklich geholfen. warum nicht genau das richtige? zunächst scheint der max7219 bzw der nachfolger max7221 der ideale chip für siebensegment anzeigen zu sein und das kann ich ebenfalls gut brauchen. Mit dem 7219 kann man auch 64 einzelen LEDs, oder eben 64 punkt ein dot.matrix LEDs ansteuern, doch meine anzeige hat ja 4x 5x8 = 160 LEDs, da bräuchte ich mindests drei dieser ICs und dann hätte ich probleme mit dem character set. dafür hab ich rausgefunden, dass es von maxim spezielle chips max6952 für dot-matrix anzeigen gibt. meine anzeigen haben zwar anoden und kathoden genau andersherum als es diese chips gerne hätten und es lassen sich nur 7 zeilen von meinen 8 ansteuern, aber ich werd schon noch die richtigen chips finden. danke und ciao remo
Hi, wir bauen zur Zeit ein Lauflicht mit 6 LED-Anzeigen( je 5x7). Die Spalten (30Stück) steuern wir über Schieberegister (je 8 Bit) und die Zeilen direkt über einen Port des uC (mit Treiber natürlich). Das Ganze wird entsprechend multiplexed. Dann kommt man auf 4 ICs (Schieberegister) und 7 Transistoren für die Zeilen. Also noch kein 'IC-Grab' ;-) Allerdings mussten wir auf leuchtstarke Module zurückgreifen, da ja jede Spalte nur kurz eingeschaltet ist (die Module bei Reichelt sind zu dunkel). Wir verwenden einen 90S4433, weil wir den Zeichensatz und den Text unterbringen müssen. Zur Texteingabe wollen wir noch einen PC-Tastaturanschluss vorsehen... Schaltplan und Software kommt demnächst auf mirkocontroller.com Bis dann, Ingo.
Hallo Ingo, ich habe das gleiche Problem... kann mann weitere Einzelheiten zu deinem Projekt erfahren ??? mfg Kalle
Hallo nochmal hierzu, ich habe gehört, dass der 7219 gemeinsame Kathode oder Anode steuern können soll, aber lt. Datenblatt nur gem. Kath. Was ist da dran, ich habe hier nämlich mehrere 3er-7-Segment Bausteine mit gem. Anode. Es soll laut Peter mit Software zu steuern gehen, aber die gem. Kathoden werden doch gegen GND schaltet, und ich müsste 5V haben. Bitte Antwort... Gruss A. Arndt
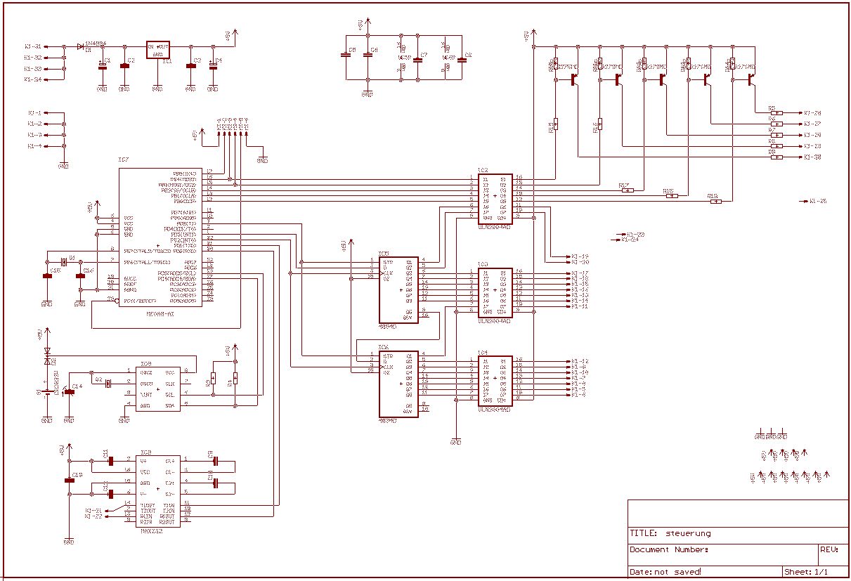
ich habs so gelöst. Die Zeilen (Anoden) werden über die Einzeltransis geschalten, die Spalten (Kathoden) über die, über Schieberegister versorgten, Transistorarrays. Damit steuere ich 4 Segmente mit 5*4 Dots (also 80 Leds). Beim nächsten Entwurf würde ich die OE der Schieberegister auch steuerbar machen, in der jetzigen Form kann ich beim Programmieren via ISP am Display "mitlesen". grüsse leo9
Hi ich hatte hier mal ein Design bei dem an die isp-Schnittstelle (SCK) nachträglich noch ein Piezo angeschlossen wurde. Das kann ganzschön nerven :-) Matthias
Bitte melde dich an um einen Beitrag zu schreiben. Anmeldung ist kostenlos und dauert nur eine Minute.
Bestehender Account
Schon ein Account bei Google/GoogleMail? Keine Anmeldung erforderlich!
Mit Google-Account einloggen
Mit Google-Account einloggen
Noch kein Account? Hier anmelden.
