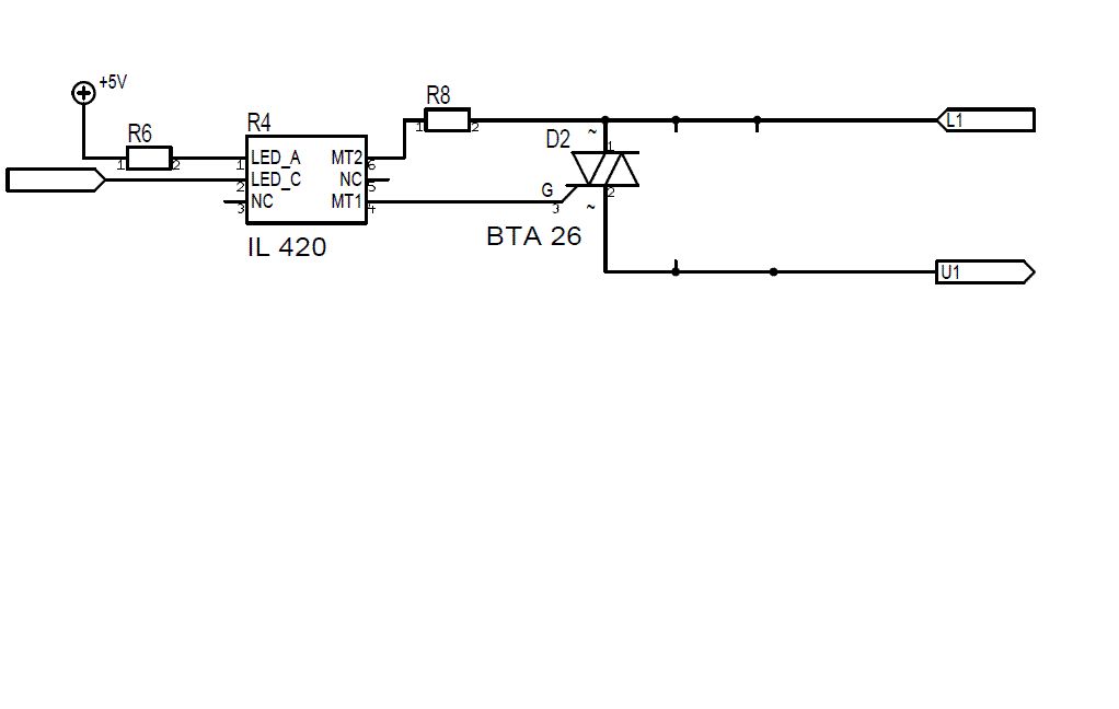
Tach, hab nen Triac BTA26 und nen Optotriac IL420 nach dem beiligenden Schaltplan veschaltet und es funktioniert soweit. Ich habe für R8 180 Ohm genommen, weil im Datenblatt des BTA26 steht, das der Igt zwischen 1.75 und 35mA liegt. Die Vgt liegt bei 1.3V. Berechnet habe ich dann Vgt/Igt. Und dann kommt da als minimal Wert 37 Ohm und als maximal Wert 743 Ohm. Dann habe ich 180 gewählt weils eben so dazwischen lage und ich nicht an die extrem Werte heran wollte. Ist das vom Verständnis richtig? Vielen Dank für die mühe ;)
Die 180 Ohm liegen nahezu genau beim geometrischen Mittel, das dürfte wohl gut passen. Besser kann man nicht von beiden Grenzen wegbleiben.
Ok, gut. Aber gibts ne sinnvolle Erklärung dafür warum ich nicht mit 35mA also dem maximalen Igt rechnen soll?
max ist die obere Grenze für IGT, min die untere. Es hat doch keinen Sinn, gerade einen an der Grenze liegenden Wert zu nehmen. Dann würde ja schon bei kleiner Abweichung IGtmax überschritten
Ist klar, hab ichs also richtig verstanden. Ein paar Fragen noch, ist es exakt richtig den Widerstand so zu berechnen wie ich es oben gemacht habe? R8 = Vgt/Igt, oder spielt der optokoppler da noch mit rein? Und zu meiner ursprünglichen Frage, kann man einfach so nen mittleren Wert als Zündstrom abschätzen? Im Datenblatt war nirgendswo die Rede von nem typischen Wert. es waren nur die Extremen angegeben. Danke
Hoppla, da habe ich etwas gepennt. Für die Bemessung von R8 spielen Vth,Imin Imax des BTA nur eine geringe Rolle. (Wenn mans so schön vorgerechnet bekommt, glaubt mans sofort) Der Zündvorgang über Optotriac ist ziemlich komplex: Für satte Zündung sollte R8 möglichst klein sein. Dann wird BTA schnell gezündet und an R8 liegt keine Spannung mehr an. Bei großem R8 wird die Zündung "lahm" erfolgen, weil erst spät der Zündstrom für BTA ereicht ist und in R8, dem 420 und dem BTA wird mehr Leistung verbraten als gut tut. Für MOC30Xx-Typen kenne ich Werte für R8 zwischen 330 Ohm und 1000 Ohm. Eigentlich sollte im Datenblatt des 420 ein Wert vorgeschlagen sein.
Im datenblatt des IL420 lässt sich leider nix finden. Ich werde mal beim BRT13 schauen, der is baugleich nur nicht ROHS konform.
Hallo Vgt/igt= Ersatzwiderstand für Gate!!! Wenn dein Optokoppler im Scheitelpunkt bei ca. 320V zündet ist der Strom wohl etwas größer. Bei Zerocross wäre es kein Problem, der IL420 ist aber für Non-ZeroCross. Zur Berechnung brauchst du Igtpeak und Igtmin. Dein R mit 180R liegt zufälligerweise im zulässigen Bereich.
hi, danke:) bin aber jetzt noch mehr verwirrt,sry. Hab nen vielversprechendes Appnote bei vishay gefunden. http://www.vishay.com/docs/84780/phototri.pdf
Hallo das Problem liegt in der Sinusschwingung. Bei 0V hast du keine Energie zum Zünden. Du schaltest einen Widerstand vor das Gate damit Igmax bei Umax nicht überschritten wird. Hat der Triac bei deiner Schaltung gezündet fließt kein Strom mehr durch den Widerstand. Muß auch nicht da der Triac leitet bis der Strom erlischt. Der Widerstand sorgt aber mit Igmin dafür das erst ab einer betimmten Spannung gezündet werden kann. Du hast also einen Bereich in dem keine Zündung möglich ist. R muß also so dimensioniert werden das Igmax bei Umax gerade nicht erreicht wird.
Zum Thema ZeroCrossing: da du kurz nach dem Nulldurchgang schaltest kann die Spannung am Gate nicht so groß werden. Sobald die sinusförmige Spannung über den Vorwiderstand den Zündstrom liefert zündet der Triac und es fließt kein Strom mehr zum Gate. Der IL420 macht aber kein ZC.
ich schneide die phase an. deswegen der il420. Die Erklärung ist gut, ich danke dir dafür!
Ok, ich habs jetzt so verstanden... Im Spannungsmaximum zünden (Worst case) wären bei meinem Widerstand von 180Ohm ein Impulsstrom von bis zu Igt = Upeak/180Ohm = 565V/180Ohm = 3,1A Aber da der triac schon bei 35mA zündet, würde es nur mü sekunden dauern bis 35 mA erreicht sind und der Triac durchschaltet wodurcvh der gate widerstand stromlos wird. Richtig?
ich habe auch in den datenblättern gelesen das der bta26 bis zu 4A als peak gate current veträgt für bis zu 20mü s und der il 420 veträgt als Single cycle surge current ITSM 3A. das passt so gerade.
Hallo deine Spannung ist max. 320V ( eine Halbwelle Scheitelwert ) gibt ca. 1,8A. Da der Zündvorgang sehr kurz ist fließt der Strom nur für sehr kurze Zeit. ( Impulsbelastung ) Deine 35mA und 180R würden bei einer Spannung von 6,3V über Vgt fliessen. Daraus ergibt sich der Bereich für die Zündung. In dem Bereich wo die Netzspannung > 6,3+Vgt ist kannst du zünden. Der Strom auf das Gate wird immer größer je später du zündest.
ich schneide die aussenleiterspannung an 400V, ergibt 565V peak ;) sry hab ich nich gesagt ok, klar, der strom wird immer größer bis zum Scheitelpunkt von 565v. und sollte dann innerhalb der impulsbelastungsgrenzen der bauteile (bta 26 ,il420 ) bleiben. der BTA kann frühestens ab ab 1.75mA zünden. das wären dann >0,3mV+Vgt. ich habs. danke:)
>Ist das vom Verständnis richtig?
Nein. Die 35mA sind der fertigungstechnisch höchste Wert, der sicher zum 
Zünden des Triacs führt. Du musst also sicherstellen, dass der Zündstrom 
größer als diese 35mA ist, wenn Du einen sicheren Betrieb trotz der 
Exemplarstreuungen sicherstellen möchtest.
Der maximal zulässige impulsförmige Gatestrom liegt bei 4A für 20us.
  Hallo ich hoffe du weißt das 800V eng werden können und bitte di/dt beachten.
@karadur die sache läuft prima. di/dt is kein problem weil ich ne induktivität habe. dv/dt habe ich mir erst sorgen gemacht, macht aber bei langen Testreihen überhaupt kein problem. "kein unbeabsichtigtes zünden". @High performer jetzt verwirrste mich aber. im datasheet vom bta26 steht in der fußnote das der schon bei 5% des angegebenen Igt zünden kann. Is ja auch egal ob ein paar mü sekunden früer oder später. Wollte lediglich wissen welchen maximal grenzen ich unterliege und wie alles zusammenhängt :)
>jetzt verwirrste mich aber. im datasheet vom bta26 steht in der fußnote >das der schon bei 5% des angegebenen Igt zünden kann. Wo ist da Verwirrung? Die Aussage der Fußnote sagt, dass garantiert ist, dass der Triac bei Igt unter 5% des Igt max (also 35 mA bzw. 50mA) nicht_ _zünden_ _wird. Dennoch kann es sein, dass der Triac erst bei Igt max, also 35 mA, sicher zündet. Deine Schaltung muss also, um auch in der Serie den Triac absolut zuverlässig zu zünden, einen Gatestrom von mindestens 35 mA aufbringen.
ah ok. dann bin ich vom falschen Wert ausgegangen. bei 35mA zündet er sicher. habs jetzt. Danke für die Mühe!
Bitte melde dich an um einen Beitrag zu schreiben. Anmeldung ist kostenlos und dauert nur eine Minute.
  
  Bestehender Account
  
  
  
  Schon ein Account bei Google/GoogleMail? Keine Anmeldung erforderlich!
Mit Google-Account einloggen
Mit Google-Account einloggen
  Noch kein Account? Hier anmelden.

 Thread beobachten
 Thread beobachten Seitenaufteilung abschalten
 Seitenaufteilung abschalten