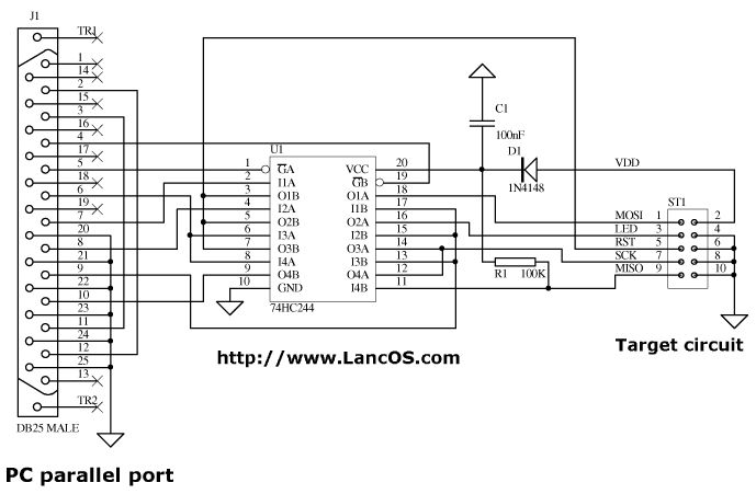
Habe die oben beschriebene Schematik von Ponyprog runtergeladen. Meine Frage ist: Was brauche ich als Grundschaltung noch? (ausser Quarz) Hat jemand erfahrung damit?
Quarz brauchst du bei den meisten Tinys und Megas erstmal nicht, denn die werden mit aktiviertem internen RC-Generator ausgeliefert, das sollte für erste "Spielereien" reichen. Wichtig sind aber Keramik-Kondensatoren um die 100nF an der Betriebsspannung des AVRs, möglichst dicht an den Pins. Dann ein Widerstand 3,3k...10k zwischen Reset und Vcc. Und das wars dann schon, abgesehen von deiner speziellen Beschaltung, die vorerst aus Tastern und Schaltern gegen GND sowie LEDs (mit Vorwiderständen um die 220 Ohm...2k, je nach LED-Typ) bestehen kann. ...
Bitte melde dich an um einen Beitrag zu schreiben. Anmeldung ist kostenlos und dauert nur eine Minute.
Bestehender Account
Schon ein Account bei Google/GoogleMail? Keine Anmeldung erforderlich!
Mit Google-Account einloggen
Mit Google-Account einloggen
Noch kein Account? Hier anmelden.
