Hallo, es ist vielleicht nicht unbedingt die richtige Schaltung für dieses Board,aber sicherlich könnt ihr mir trotzdem weiterhelfen. Diese Schaltung sollte eigentlich eine sinusspannung mit ca. 1000 Hz liefern,sie bringt mir aber ca. 4000 Hz. Somit kommt aus dem Trafo nix raus. Das ganze soll eigentlich für die EL-Beleuchtung eines Displays dienen,und zwar rückwirkungsfrei auf das PC-Netzteil. Derjenige der die Schaltung entworfen hat bekam sie ohne Probleme zum Laufen,bei mir geht es einfach nicht. An Drossel und Kondensator kann es nicht liegen,habe ich mir noch mal neu besorgt-ohne Erfolg. Woran kann es noch liegen,bzw. welcher Fehler könnte die Schaltung dazu veranlassen 4x schneller als normal zu schwingen?
Hallo Sven, Ursache könnte eine Verpolung von L1 sein. Kontrolliere das doch nochmal (auf die Punkte achten!!). Gruß, Günter
Hmm, ich weiß jetzt nicht so richtig was Du mit "auf die Punkte achten" meinst,aber theoretisch kann ich dort nix verpolt haben. Ich habe 2 Anschlüsse welche diagonal gegenüberligen miteinander verbunden,dadurch entsteht aus den 2 spulen "eine" spule mit gleichem Wicklungssinn.An diese Verbindung lege ich die +5V. Die anderen beiden Anschlüsse gehen zu den Anschlüssen des Kondensators. Kann da was verkehrt sein?
Hi Sven, die Punkte geben meist den Wicklungsanfang an. In der HF-Technik nennt man das auch "kaltes Ende". In deiner Schaltung sind an den Pins 1 und 2 die Punkte auch eingezeichnet. Wenn du jetzt die Schaltung genau betrachtest, gehen deine 5V einmal zum kalten Ende (Spannung für Q2) und einmal zum heißen Ende (Spannung für Q1). Es entsteht daher keine Spule aus zwei Wicklungen mit gleichem Wicklungsinn. Es ist vielmehr ein Spule mit Mittenanzapfung (Speisung 5V) und den Ausgängen für Q1 und Q2.Wechselspannungsmäßig gesehen sind die Spulen gegensinnig geschaltet. Dies muss auch so sein, damit die Rückkopplungsbedingung erfüllt ist und eine Schwingung überhaupt entstehen kann (kannst ja mal googeln -> Rückkopplungsbedingung). So auf die Schnelle ist das Thema nämlich nicht so leicht abzuhandeln. Versuch doch einfach mal, eine Wicklung umzupolen. Du wirst sehen, es wird funktionieren. Gruß, Günter P.S. Bitte berichte weiter
Hmm,das lässt sich wirklich schlecht erklären,verstehe aber was du meinst. Im Moment ist das so angeschlossen wie auf dem Bild hier dargestellt,habe so eine Drossel mal gescannt und die Pins rangeschrieben wie ich sie angeschlossen habe. Das sollte doch normalerweise stimmen,oder?
Hi Sven, dein Bildchen zeigt eine Stromkompensierte Drossel. Es ist gut zu sehen, das die Wicklungen gegensinnig verlaufen wie für den typischen Anwendungsfall auch erforderlich. Du solltest es wirklich mal versuchen, eine Wicklung umzupolen z. B. 3 + 2 vertauschen. In der Regel baut man die Spule etwas anders auf...... Gruß, Günter
Oh Sven, entschuldige, Asche auf mein Haupt, ich habe nur blödsinn erzählt!!! Ich habe irgendwie dein Problem überhaupt nicht erkannt. Ist wohl der Stress auf der Maloche. Also: vergrössere mal deinen Kondensator C2 auf einen Wert von 47µF. Dies ist der Normwert. Wenn die Frequenz dann zu niedrig ist, musst du dir einen Kondensator aus mehreren anderen zusammenbasteln. Hier gilt: Reihenschaltung von Kondensatoren Cgesamt = (Ca * Cb) / (Ca + Cb) Der Gesamtwert wird kleiner als der kleinste Einzelwert. Parallelschalten von Kondensatoren Cgesamt = Ca + Cb + ..... Cn Dann solltest du auf deine 1KHz kommen. Sorry nochmals, Günter
An den Kondensator dachte ich ja auch schon,allerdings funktioniert das nicht so richtig. Die Frequenz verringert sich wenn ich z.b. noch einen 10mikroF kondensator parrallel schalte,dann habe ich ja theoretisch 20mikro. Allerdings bricht die ganze Sache dann zusammen wenn ich den Trafo anschließe. Dann lassen sich nur noch sehr spannungsarme Schwingungen messen,da ich kein "echtes" Oszi zur Verfügung habe kann ich nur vermuten das es so um die 800 Hz sein könnten. Der Schwingkreis der Schaltung ist mit dem eingesetzten 10mikroFarad Kondensator und der 1,2 mH Spule eigentlich richtig berechnet und sollte normalerweise funktionieren. Kann ich eventuell noch was anderes falsch gemacht haben? Habe zwar alles schon zig-mal kontrolliert aber man weiß ja nie... Hat jemand die Möglichkeit und Lust das mal aufzubauen und damit zu experimentieren?
Hi Sven, ich könnte das mal am Wochenende probieren. Allerdings habe ich nicht diese FET`s zur Verfügung. Die Fehlfunktion liegt aber vermutlich am Kernmaterial deiner Kreisspule L1. Welche Leistung brauchst du denn auf der 230V Seite Gruß, Günter
Hmm, die Leistung kann man in Watt leider nicht richtig bestimmen. Eine EL-Folie mit den Maßen ca. 17x3,5 cm sollte vernünftig daran betrieben werden können. Das klappt eigentlich auch,derjenige der die Schaltung getestet hatte schrieb das die Folie gut leuchtet. Ich habe in einem anderen Forum jetzt noch einen anderen Vorschlag bekommen,darin wird ein IC SG3525 als "Taktgeber" für die Mosfets verwendet. Diese Methode würde die Fehlerquelle Drossel also gänzlich ausschließen. Allerdings ist der Bauteileaufwand mit 30 ein wenig hoch gegriffen,da ich das ganze leider nur auf Lochrasterplatine zusammenbauen kann. Das Kabelwirwarr wäre wahrscheinlioch unglaublich... Ehe ich das probiere würde ich lieber mit Deiner Hilfe noch mal an der anderen Schaltung herumexperimentieren.
Mir kam da gerade eine Idee... Da ich das ganze sowiso am Computer betreiben möchte könnte ich doch auch diesen für die Erzeugung ddr Frequenz "missbrauchen". Die 5v für die Mosfets ließen sich doch sicherlich auch mittels Rechner mit 1khz erzeugen,richtig? Ideal dafür wäre sicherlich die parallele Schnittstelle,allerdings ist diese schon durch den Stecker des LCD´s besetzt. Die COM1 ist schon mit einem Infrarotempfänger belegt,und der Gameport liefert die Betriebsspannung für das LCD. Bliebe also noch der Com2. Ist das prnzipiell ohne größeren Aufwand möglich,mal abgsehen vom VBasic Programm?
Im Prinzip schon aber...... Du müsstest immer noch eine möglichst sinusförmige Wechselspannung erzeugen um diese auf den Wert von 230V zu bekommen. Leider mögen Trafos nur ungern eine Rechteckspannung. Das heisst also: Tiefpassfilter und all diesen Blödsinn. Die Schaltung ist daher schon ganz gut und in der Einfachheit nicht zu überbieten. Und das Problem mit der Spule ist eigentlich keins. Und diese paar Windungen wird man doch wohl noch selbst auf einen entsprechenden Kern bringen, oder? Die Lösung mit dem PC ist daher eigentlich schon als verbrecherisch zu bezeichnen. Trotzalledem müsste ich wissen, wieviel Ampere auf der 230V-Seite fließen müssen. Gruß, Günter
Habe gerade mal beim Suchen nach einer etwas genaueren Beschribung solcher Folien eine Seite gefunden: http://www.weber-innovation.de/html/expertenforum.htm Dort wird beschrieben das bei Seiko-folien (das Display ist von Seiko) die optimalen Betriebsbedingungen ~100V und 400 Hz sind. Bei 200 Hz verdoppelt sich die Lebensdauer sogar. Demzufolge sind die 1khz wahrscheinlich doch sehr hoch gegriffen gewesen die ich da vorgeschlagen bekommen hatte,und ich kann von daher sogar noch froh sein das es nicht funktioniert hat... Bei geringerer Frequenz sinkt auch die Helligkeit. Die Schaltung sollte also ~100 V 300 Hz bringen und muss deshalb wahrscheinlich nochmal überdacht werden... 1 f=-------------- 2Pi*[Wurzel]CL müsste doch die richtige Formel sein? Habe leider überhaupt keine Ahnung wie ich die Formel umstellen muss,bin in dieser hinsicht nicht so ein Profi. :-[
Ach so, die genaue Stromaufnahme weiß ich immer noch nicht. Allerdings sollte der Trafo 1,8VA Trafo den ich habe völlig ausreichend sein. Die Stromaufnahme im Leerlauf sollte nach den Angaben des Zeichners in etwa 200mA betragen.
Hast Du vielleicht schon herausgefunden wie es klappen könnte? Wie gesagt,die Schaltung sollte am besten ~100V 300Hz Sinus bringen. Was brauche ich da für einen Kondensator?
Hallo Sven, machen wir noch mal etwas Grundlagenforschung: Du hast einen Oszillator gebaut (einen sogenannten Gegentaktoszillator) der dir eine Sinusförmige Schwingung erzeugt. Das macht die Schaltung auch. Die Frequenz mit der der Oszillator schwingt errechnet sich aus 1 / ( 2 pi SQR(L * C) (Hz, H, F) oder f = 159 / sqr(L * C) (MHz, µH, pF) Hieraus kannst du nun deinen Kondensator für die gewünschte Frequenz errechnen: C = 1 / ((2 pi f)^2 * L) Bei deiner Spule mit 2,4 mH sind das also 263µF. Im übrigen braucht man zur Umstellung von Formeln keine Kenntnisse in der Elektronik sondern einfachste mathematische Grundlagen (Algebra). So, das wäre das eine. Jetzt zu deinen Spulen (Trafos) in deiner Schaltung: Um eine Wechselspannung übertragen zu können, muss ein wechselndes magnetisches Feld vorhanden sein. Dieses hast du mit L1 und C2 sowie der Beschaltung hierfür erzeugt und es wird im Trafo TR1 wirksam. Das magnetische Feld wird den im Trafo vorhandenen Eisenkern magnetisieren und zwar mit wechselnder Polarität (theoretisch). Leider gelingt dies nicht, wenn der Eisenkern nicht will. In deiner Schaltung will der Trafo TR1 nämlich nicht, er ist für eine Frequenz von 50 Hz ausgelegt und eine Frequenz von 1KHz und höher wird der nicht mehr zur Kenntniss nehmen. Er wird im schlimmsten Fall warm weil nur noch der ohmsche Widerstand der Kupferwicklung wirksam ist. Daher ist auch die Kreisspule L1 im Prinzip überlastet und eine sinnvolle Spannung wird nicht mehr wirksam. Abhilfe: 1. C2 auf einen Wert um 220µF erhöhen, hier kannst du zwei Elkos von 470µF nehmen die gegenpolig verschaltet sind. 2. Tr1 für eine Frequenz von 200Hz besorgen oder selber wickeln. Ich habe die Schaltung heute morgen mal aufgebaut allerdings mit normalen Transistoren (BD543), und es traten die gleichen Probleme wie von dir beschrieben auf. Dann habe ich einen Schalenkern für Tonfrequenzanwendungen genommen, ein paar Windungen rauf und getestet. Es funktioniert, allerdings kann ich keine Leistung entnehmen weil Draht zu dünn und Kern zu klein. Bei einer Frequenz von 150 - 200Hz ging aber auch ein normaler kleiner Netztrafo recht ordentlich. Ich bekam ca. 160V Wechselspannung heraus und konnte mit 5mA belasten. Das entspricht einer Leistung von 0,8VA. Versuche es also nochmal, vergrössere C2 und messe. Um ein bisschen experimentieren wirst du nicht herumkommen. Gruß und Glückauf, Günter
Hallo, das mit dem Spulenkern hatte ich auch schon mal probiert, daß funzt auch bei 4khz,stimmt. Da hatte sogar die Folie daran aufgeleuchtet,aber mit dieser Frequenz wäre es Mord. :-) Ich werde mal ein wenig mit der Kondensatorgröße experimentieren und meine "Erfolge" posten. Dankeschön übrigens für Deine Bemühungungen. :-)
So, habe jetzt mal ein wenig experimentiert. Habe als Kondensator 2 Elkos mit jeweils 220µF genommen,erhielt so also einen 110µF Kondensator. Die Drossel hat übrigens 2x 1,2mH (Weiß nicht ob sich der Kondensator halbieren müsste?). Auch wenn es eventuell nicht der richtige Wert ist sollte die Schaltung eigentlich anschwingen,das tut sie aber nicht. Habe irgendwie das Gefühl das es mit Elkos nicht klappen will,denn als ich versuchsweise 2x100µF verwendete ging auch rein gar nix.
Oder sollte ich die Schaltung mit normalen Transistoren aufbauen? Die Mosfets brauchen ganze 5V,nicht wahr?
Nein,leider nicht. Ich habe allerdings zwei Leuchtstofflampen Wandler hier mit Transistoren H1061. Leider kann ich nirgends ein Datenblatt finden. Ob die auch funktionieren?
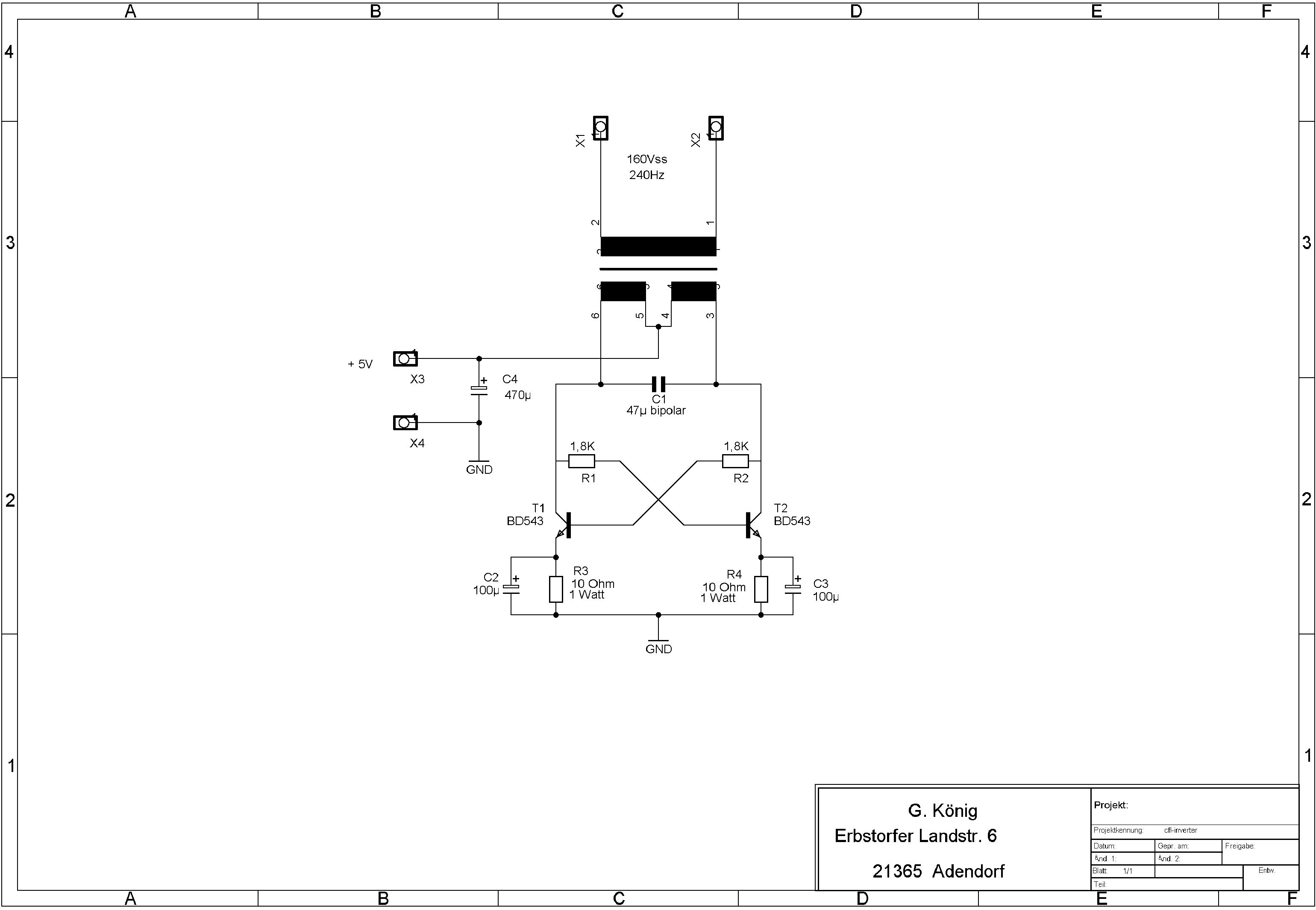
Na gut, ich schicke dir mal ein Bildchen so wie ich es aufgebaut habe. Als Trafo habe ich einen mit sekundär 5 V / primär 230 V 2,5VA genommen. Aufgebaut auf Lochrasterplatte. Die ganze Sache haut astrein hin. Mit den BD 543 haut es sehr gut hin, aber sie müssen gekühlt werden. Ein BD 239 macht es auch. Als Kreiskondensator empfehle ich dringend einen bipolaren Typ (Lautsprecher haben meist solche Teile drin). Elkos haben einen zu hohen Leckstrom. Möglicherweise geht es mit gegenpolig geschalteten Tantal-Elkos. Und wenn es mal nicht auf Anhieb funktioniert, kontrollieren und eine Wicklung vom Trafo umpolen!!!! Gruß, Günter
Hmm, da werde ich mir mal Montag so einen Trafo und die Transistoren organisieren gehen. Dankeschön für den Schaltungsvorschlag!
Wenn du dir einen Trafo besorgst, dann nimm bitte auch den Richtigen! Auch dieser Schaltungsvorschlag stellt nur eine Notlösung da weil der Trafo auch nur für 50Hz ausgelegt ist. Der Wirkungsgrad ist grottenschlecht, die Transistoren werden ziemlich heiss und es kommt kaum Leistung raus. Bevor du das Geld ausgeben willst bedenke aber, das es auch fertige Lösungen gibt. Musst mal im Internet suchen. Sodenn, Günter
Hi Sven nochmal, Mist, link falsch. Jetzt aber richtig: http://www.andilcd.de/seiten/inverter.php Günter
Hmm, ja ich weiß das es diese Inverter auch zu kaufen gibt. Sie sind aber für meine Zwecke völlig ungeeignet,da sie durch ihre rechteckspannung zu viele Störungen verursachen und einen gemeinsamen Ein- und Ausgang für die Masse benutzen. Es geht also zu viel "Unfug" zurück in die Spannungsquelle,in meinem Falle ein PC-Netzteil,die nach einer Weile den Geist aufgeben wird. Zum Trafo,leider kann ich nirgendwo einen Trafo mit 2x5V finden. Wo hast Du das Ding gekauft?
Siehste Sven, da gehts schon los. Den Trafo habe ich aus Restbeständen
unserer Firma vor vielen Jahren mal entnommen, da brauchten wir mal
sowas. Zur Info, Es gibt aber Trafos mit 2 * 6 Volt. Allerdings auch nur
für 50 Hz.
Mal so ganz überschlägig: du bräuchtest einen Trafo mit 2 * 2,5 Volt,
Sekundärstrom bis 4 A bei 50Hz. Oder wenn du findest 2 * 2,5 Volt / 1 A
für 200Hz. Den 50Hz Typ wirst du wahrscheinlich nach einer gewissen Zeit
in die Grütze fahren........
Wie kommst du in Gottes Namen eigentlich darauf, das du dir mit den
käuflichen Invertern das PC-Netzteil killst? Und es gibt sehr wohl
Wandler mit galvanischer Trennung! Lass mal Googeln ("CFL Inverter"), du
findest alles mögliche.
Eigentlich dachte ich ja, das Ganze sollte eine Wissenserweiterung
darstellen, eben nur mal so :-). Na gut, denn man viel Spass..........
Gruß,
Günter
Na denn mal los und viel Freude
Hmm, ich werde mal versuchen ein wenig mit der Sache zu experimentieren bis es so funzt wie es soll. Die sache mit den PC-Netzteilen ist schon einigen Leuten passiert die Conrad-Inverter verwendet hatten. Diese Inverter haben einen gemeinsamen Masseanschluß für die Ein- und Ausgangsspannung und erzeugen derart heftige Störungen das die Netzteile nach 1-2 Monaten einfach den Geist aufgeben. Außerdem erzeugen diese Inverter kein Sinus-signal und stören heftig im Radio. Da ich ein Bedienteil für einen im Kofferraum untergebrachten PC bastele,will ich den Inverter quasi in einem Gerät verbauen welches sich unter meinem autoradio befindet. Deshalb der ganze Aufwand. Leider habe ich keinen wirklich geeigneten Wandler finden können. Es steht leider nirgends dazu mit welcher Wellenform die Hochspannung ausgegeben wird. Sinus stört nun mal am wenigsten. Naja,ich werde es wie gesagt noch mal ausgiebig probieren,wird schon schiefgehen. ;-)
Du solltest dir mal die Seite von "LCD-Module" ansehen. Da gibts Wandler so wie du sie brauchst. Günter
Leider nicht, ich habe da gerade angerufen. Die liefern erstmal nur an firmen,desweiteren haben sie wohl keine Wandler die wirklich eine Sinusspannung bringen und galvanische Trennung besitzen. Ein Bekannter will mir einen kaputten Laptop für 15 verkaufen,ob mich der wandler des Displays weiterbringt?
Beitrag #5490050 wurde von einem Moderator gelöscht.
Beitrag #5490074 wurde von einem Moderator gelöscht.
Beitrag #5490121 wurde von einem Moderator gelöscht.
Beitrag #5490153 wurde von einem Moderator gelöscht.
Beitrag #5493226 wurde von einem Moderator gelöscht.
Beitrag #5493228 wurde von einem Moderator gelöscht.
Beitrag #5493230 wurde von einem Moderator gelöscht.
Bitte melde dich an um einen Beitrag zu schreiben. Anmeldung ist kostenlos und dauert nur eine Minute.
Bestehender Account
Schon ein Account bei Google/GoogleMail? Keine Anmeldung erforderlich!
Mit Google-Account einloggen
Mit Google-Account einloggen
Noch kein Account? Hier anmelden.


