Hallo, ich bin dabei eine Schrittmotorsteuerung zu bauen, mit L297 und L6203. Anbei die Schaltung (ist nur die Hälfte, also für 1 Motor, ich hab also 2 nebeneinander). Die Karte soll 2 Bi-Pol Schrittmotoren unabhängig steuern, ich hab also 2x L297 und 4x L6203. Ich kann je motor 40V und 4A geben. Nun hab ich aber viel bessere Motoren gefunden, die aber 4,2A brauchen. Kann mir Jemand stärkere Leistungstransistoren, als die L6203, empfehlen, die man mit dem L297 steuern kann. Im Voraus schonmal Danke. MFG Thomas
L6203 geht nur, wenn der Motor nicht seht. Sonst ensteht keine ausreichende Gate-Spannung beim FET, der an U+ hängt.
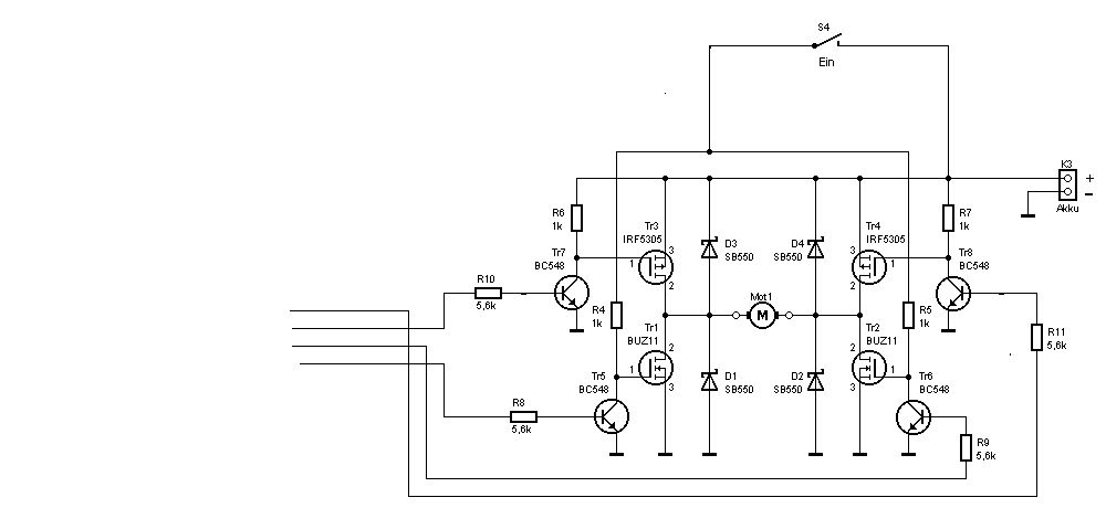
Bau dir doch selst ne H-Brücke aus Mosfets auf da kannst du dann je nach Fet nen fast beliebigen strom ziehen.
@max Wie meinst du das denn ??? @Münzi Münzi Deine Lösung is sicher interesant, aber ehrlich ist die mir ein bisschen zu Oversized. ^^ Aber trotzdem Danke. Ich würd das gerne mit einem Baustein machen wenn das geht. Ich hab nochmal das Datenblatt vom L6203 gelesen(s. Anhang) und da steht, kurzzeitiger Spitzenstrom 5A. Wenn ich da nan Motor mit Imax 4,2A anschließe dann zieht der die 4,2A ja nurbei maximallast und nicht dauernt. Den könnte ich ja Anschließen, da ich den Motor eh mit einem Planetengetriebe einsetzen muss und dadurch eingentlich nie die Maximallast erreiche. Oder irre ich mich da? Wäre schön wenn mir Jemand erfahrungen zum Einsatz von Schrittmotoren im Grenzbereicht geben könnte. MFG Thomas
@Thomas Schmidt über den SENSE-Widerstand wird der Motor-Strom ermittelt und entsprechend über den L297 und VRev. geregelt. Diese Möglichkeit fehlt bei der H-Brücke von (Münzi Münzi) Gruss Ralf
> Wäre schön wenn mir Jemand erfahrungen zum Einsatz von Schrittmotoren im > Grenzbereicht geben könnte. Grenzbereich 5A ?
@Grenzbereich ne ^^ Schrittmotoren in ihren Grenzbereichen (also je nach Motor, mit ihrem Imax) Es geht mir halt darum, wenn ein Motor seine Maximallast bewegen muss, zieht der dann für die genze Bewegung sein Imax oder lässte der Strom nach wenn die Massenträgheit überwunden ist. Thomas
Ein Schrittmotor wird mit einem eingeprägtem Strom gefahren. D.h. der Strom ist immer gleich. Wenn Du ihm halt nur 4A einprägst, ist halt das max. Moment etwas kleiner bevor der Motor stehen bleibt. Axel
Bitte melde dich an um einen Beitrag zu schreiben. Anmeldung ist kostenlos und dauert nur eine Minute.
Bestehender Account
Schon ein Account bei Google/GoogleMail? Keine Anmeldung erforderlich!
Mit Google-Account einloggen
Mit Google-Account einloggen
Noch kein Account? Hier anmelden.

