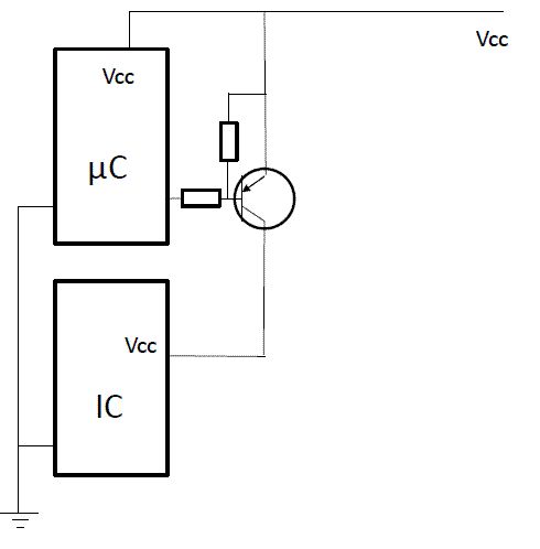
Hallo an Alle, ich habe ein paar Fragen. Ich arbeite zur Zeit mit einer Schaltung wo es einen Microcontroller atmega8 sowie ein weiteres IC und andere Komponente gibt. Um den anderen IC ein- und ausschalten zu können, verwende ich einen Transistor (siehe Schaltplan) und verbinde diesen Transistor mit Vcc des µC und die Transistorbasis über einen Wiederstand mit dem µC-Port. Der Vcc-Port des anderen IC ist verbunden mit dem Kollektor. Meine Frage ist, würde das so wie es im Schaltplan ist funktionieren? Wenn nicht, würde ich sehr für euren Rat dankbar sein. Meine zweite Frage: ich möchte einen Analogsignal an einen Port des µC schicken um den µC vom Sleep Mode aufzuwecken. Aber ich möchte diesen Signal galvanisch trennen. Wie kann ich das am besten realisieren. Würde das mit Optocoppler gehen? Habt ihr eine Idee für einen bestimmten Analogsignal-Optokopler. Danke schön
> Meine Frage ist, würde das so wie es im Schaltplan ist funktionieren? Im Prinzip ja. Allerding musst Du auf zwei Dinge aufpassen: - Funktioniert alles wie geplant wenn der zweite IC etwas weniger Spannung abbekommt also de erste (high/low-Level-Erkennung an IO-Pins, Taktfrequenz, ..)? - Verträgt der zweite IC es wenn an (manchen) seiner Pins möglicherweise Spannung anliegt wenn er selbst keine hat an Vcc? Beides kann man in Hardware lösen.. Aber andere Frage: Warum willst Du dem zweiten IC den Stom abdrehen? Würde u.U. auch Ziehen an /RESET genügen? > Würde das mit Optocoppler gehen? In Prinzip ja :-) Alles eine Frage der Randbedingungen. HTH
Hallo g457, danke schön für die Antwort, es geht hier um 2 Schaltungen. Die erste ist die ich bereits angehängt habe sowie noch eine weitere. Beide Schaltungen werden von der gleichen Batterie versorgt. Die 1. Schaltung misst die Spannung und den Srom der Batterie. Wenn die 2.Schaltung im Betrieb ist möchte ich, dass sie einen 5Vdc-Signal zu einem µC-Port in der 1. schaltung geschickt, um den µC aufzuwecken. Deswegen muss dieses Signal potentialfrei sein. Wenn kein Signal von der 2. Schaltung zu µC kommt, dann geht µC auf Sleep Mode und schaltet alle anderen Bauteile und IC in seiner Schaltung (1.Schaltung) aus, deswegen benötige ich hier den Transistor als Schalter. Wie kann ich am besten einen Signal von der 2. Schaltung zum µC ponitialfrei schicken? Hab überlegt entweder mit Optokoppler oder möglicherweise einen DC/DC Wandler zwischen der Batterie und der 2. Schaltung zu schließen. So wird die 1. Schaltung von der zweiten galvanisch getrennt. Oder habt ihr da einen anderen Vorschlag? Und würde der Transistor als Schalter wie im Schaltplan gezeigt funktionieren?
Also sollte ich dich richtig verstehen brauchst du nicht zwingend Transistoren. Viele ICs (man weiß ja nicht, um welche es geht) haben einen Reset- oder Enable-Pin, mit dem man den IC ein- oder ausschalten kann. Angenommen der IC wird deaktiviert, wenn am Resetpin High-Level ist. Dann kannst du da doch einen Pullup-Widerstand dran machen und den Pin für den Betrieb von Controller aktiv nach Low ziehen. Schläft der Controller und sein Ausgang wird hochohmig, wird der IC-Pin nach High gezogen -> deaktiviert. Ein Schaltplan und evtl. eine genauere Beschreibung deiner Schaltung und der ICs wäre hilfreich :) ... Gruß
Außerdem: wieso muß das potentialfrei sein, wenn das von der selben Batterie versorgt wird?!
Danke schön für deine Antwort Joachim, es geht um 2 verschiedene IC's, welche keinen Reset haben. Ich möchte es potentialfrei mache, weil das Eingangssignal(Messignal, Strom, Spannung) von der Batterie kommt die gleichzeitig die Versorgungsbatterie ist.
Bitte melde dich an um einen Beitrag zu schreiben. Anmeldung ist kostenlos und dauert nur eine Minute.
  
  Bestehender Account
  
  
  
  Schon ein Account bei Google/GoogleMail? Keine Anmeldung erforderlich!
Mit Google-Account einloggen
Mit Google-Account einloggen
  Noch kein Account? Hier anmelden.
