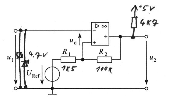
Hallo zusammen, ich habe momentan ein Problem mit einer Komparatorschaltung. Der "Rauschpegel" meines Eingangssignals liegt bei ca. 100 mV. Ab einem Signalpegel von 200 mV soll der Ausgang von High auf LOW wechseln. Ich verwende einen TLC347 mit einem 4k7 Pull - Up am Ausgang und eine invertierende Komparatorschaltung mit Hysterese (mit Mitkopplung, 100k und 1k5). Zur Spannungsbegrenzung habe ich zwei antiparallele Z - Dioden mit 4,7 Volt am Eingang gegen Masse. Die maximale Eingangsfrequenz liegt bei 1 kHz. Mein Problem ist jetzt, daß die Schaltung bei großen Eingangssignaländerungen anfängt zu schwingen und erst wieder aufhört, wenn ich Referenzspannung hochdrehe. Ein 1 nF Kondensator parallel zur Rückkopplung bringt etwas Besserung, aber das Ergebnis ist noch nicht optimal. Deshalb meine Frage: Wie kann ich die Stabilität der Schaltung verbessern? (evtl. durch bessere Auslegung des Kondensators, aber nach welchen Kriterien?)
Was hast du denn hinter dem Komparator? Eine starke kapazitive Last? Google mal nach lead Kompensation. Vielleicht findest du ne praktische Anleitung R und C zu ermitteln. Ansonsten würde ich einige pF und 50 Ohm versuchen. Falls nicht besser, ausprobieren. Wenns stabil ist, doppelte Sicherheitsreserve. Außerdem könntest du Layout Probleme haben. Als eine erste schnelle Maßnahme würde ich den Komparator besser entkoppeln. Noch einen Tantal und Kerko zusätzlich an die Versorgung.
@chrissy Momentan hängt nur das Oszi am Ausgang. R ist fest, damit habe ich meine Hysterese festgelegt (oder was für ein R meinst du?). An der Versorgungsspannung kann es nicht liegen, die ist ausreichend entkoppelt und sehr sauber.
1. Du musst zusaetzlich eine Rueckkopplung zum invertierenden Eingng hinzufuegen, also R von Output zu inv. Input und R von inv. Input zu Masse. sobst bekommst du das nie stabil hin. 2. Die Z-Dioden arbeiten in letender Richtung wi normale Dioden und in Sperrichtung zeigen sie den Zehnereffekt. Antiparallelschalten ist also nonsens. Da wirken sie wie zwei ganz normale Dioden. ciao Remo
@ remo: 2. Mit den Z - Dioden hast du recht, das war ein Denkfehler von mir. 1. Weshalb ich eine Rückkopplung zum invertierenden Eingang einbauen soll, ist mir schleierhaft. Bei einer normalen OP - Schaltung ist sie unbedingt nötig, das stimmt. Aber bei einer Komparatorschaltung?
Du würdest ein C (1 n ist aber eigentlich schon viel) direkt vom Ausgang zurückkoppeln und so pi mal Daumen zusätzlich 50+ Ohm vor den Rückkoppelwiderstand packen. (lead Kompensation) Wie hast du Uref realisiert?
@chrissy: Uref erzeuge ich mir mit einem Präzisionspoti aus einer Konstantspannungsquelle.
Hab jetzt nicht alles ganz durchgelesen, aber Signalweg auf + Eingang und die Mitkopplung auf + Eingang, sodaß dein Signal um den Betrag der Mitkopplung fallen muß, damit der Komparator wieder auslöst. MW
Was auch noch'n Problem sein könnte, wäre dein Massenanschluss. Am Besten ist da ein Masse Layer, auf jeden Fall solltest du eine niederohmige Masse haben und den Anschluss kurz halten. Damit nix induktiv einkoppeln kann. Hast du auch mal versucht, die Eingangsspannung zu filtern, damit da nicht so ein Rauschen drauf ist?
@chrissy: Das mit der Masse muss ich heute 'mal probieren, danke für den Tip. Rauchen war falsch ausgedrückt, die 100 mV sind kleine Signale von dem Sensor, den ich auswerte.
Hier noch ein paar allgemeine Hinweise zum Thema schwingende Komperatoren
... und zur Berechnung der Hysterese Widerstände http://www.national.com/ads-cgi/viewer.pl/an/AN/AN-74.pdf
@Kupfer Michi: Danke! Genau so etwas hatte ich gesucht! Bei TI und LT hatte ich vergeblich nach derartigen Appnotes gesucht.
Bitte melde dich an um einen Beitrag zu schreiben. Anmeldung ist kostenlos und dauert nur eine Minute.
Bestehender Account
Schon ein Account bei Google/GoogleMail? Keine Anmeldung erforderlich!
Mit Google-Account einloggen
Mit Google-Account einloggen
Noch kein Account? Hier anmelden.
