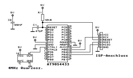
Hallo, ich habe mir den AVR-In-System-Programmer im shop.mikrocontroler.de gekauft und entdeckt, das dieser mit einem 2x5 Stecker ausgeliefert wird. Im AVR-Tutorial auf http://www.mikrocontroller.net/tutorial/equipment.htm ist der Anschluss folgendermaßen beschaltet: 1 VCC 2 SCK 3 RESET 4 MOSI 5 MISO 6 GND Weiß jemand welche Pins (1-6) ich mit den 2x5-Stecker verbinden muss? Vielen Dank für die Antwort! Grüße Robert
Hi, es muesste die Standardbelegung vom STK200/300 Programmer sein. Im Inet findest du einige HP's mit der Belegung. Mfg Dirk
z.b im user guide vom stk500 (gibts auf der atmel site zum dl) steht die 6 und 10pin steckerbelegung drin
Bitte melde dich an um einen Beitrag zu schreiben. Anmeldung ist kostenlos und dauert nur eine Minute.
Bestehender Account
Schon ein Account bei Google/GoogleMail? Keine Anmeldung erforderlich!
Mit Google-Account einloggen
Mit Google-Account einloggen
Noch kein Account? Hier anmelden.
