Hallo, ich habe einen Stange ISP Programmieradapter welcher das STK 500 Format unterstützt. Ich wollte einen AT89S51 Mikrocontroller damit über MISO MOSI SCK RESET +5V und GND programmieren. Als Quarz habe ich einen 20 MHz Typen. Meine Frage: Muss ich noch irgendwelche Leitungen beim AT89S51er anschließen? Vielen Dank!
Der AT89S51 fährt ein komplett anderes Protokoll als die AVR-Controller. Ich bin mir nicht sicher, ob der STK500 das unterstützt. Vermutlich muss zumindest SCK umgepolt werden. Was Deine STK500-kompatiblen Adapter können weiß ich allerdings nicht. Zu Deiner Frage: Das sind alle Leitungen. Gruß Jobst
Hallo, vielen Dank für die Rasche Antwort. Gibt es den auch ein käufliches Gerät, dass Ihr mir empfehlen könntet?
Ich habe meinen Programmer dafür selber gebaut. Sitzt allerdings wieder ein AT89S52 (selbes Protokoll) drauf. Wenn Du Interesse daran hast, einen selber zu basteln und die Möglichkeit initial einen 8051 zu flashen, lasse ich Dir die SW gerne zukommen. Arbeitet mit jedem Terminalprogramm und auch mit allen USB-Adaptern. Gruß Jobst
Hallo, ja, ich habe sehr Interesse daran. Muss denn dafür viel extern beschaltet werden? Ich werde mir erstmal was einfaches (Parallelportadapter) bauen, um den ersten zu flashen. Vielen Dank für Deine Mühe. Viele Grüße aus Berlin
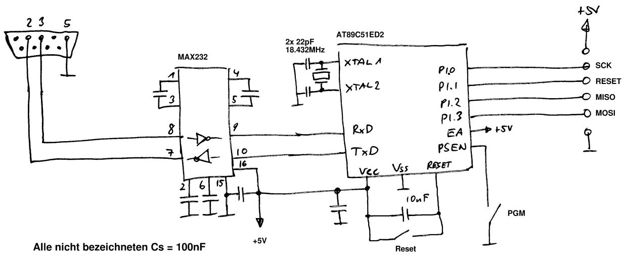
Du benötigst einen MAX232 (oder MAX3232, wenn Du 3.3V verwenden willst), eine DB9 Buchse und einen 18,432MHz Quarz. Dazu noch Kondensatoren für Quarz, MAX und Blocker An 4 Pins greifst Du die Steuersignale MOSI, MISO, SCK und Reset ab. Wenn Du z.B. einen AT89C51ED2 hast, kannst Du Dir den Programmer gleich damit bauen. Noch 2 Taster dran, dann kannst Du das Programm über die serielle Schnittstelle dort drauf schreiben. Dann brauchst Du keinen parallelen Programmer mehr. Gruß Jobst
Hallo, danke für Deinen Beitrag. Wie können wir das mit der Software machen. Kann man hier PN´s verschicken? Ich hätte auch gerne so etwas wie einen Schaltplan, nach dem ich vorgehen kann.
Also, bleibt bei der Variante. Hättest Du AT89S52 rumliegen, hätte ich noch eine Alternative. In diese Schaltung kannst Du nun also dieses HEX-file flashen und dann damit Deine AT89S51 (oder auch AT89S52) flashen. Dir sollte aber klar sein, daß dieser uC wesentlich leistungsfähiger ist als der AT89S51. Ach ja: Es ist eine DB9-Buchse! Gruß Jobst
Hallo, ganz herzlichen Dank für diese Schaltung. Ich werde den Aufbau erst mal auf einer Steckkarte machen, wenn ich alle Bauteile habe. Wenn ich soweit bin, werde ich von meinen Erfahrungen berichten. Bis dahin...
Hallo, ich bin jetzt fast soweit mit der Beschaffung der Bauteile. Meine Frage jetzt: Sind die Kodensatoren am MAX 232 nicht Elkos, oder Keramikkondensatoren? Viele Grüße
Gibt es 100nF Elkos? Du kannst allerdings auch Elkos nehmen mit 1uF. ( Polarität entnimmst Du dann dem Datenblatt des MAX232 ) Aber ich dachte an Keramik- oder Folienkondensatoren. IC-Sockel nicht vergessen ;-) Gruß Jobst
Im Datenblatt zum MAX232 von TI (wie hier bei mikrocontroller.net) werden sogar 1uF Elkos empfohlen. Hängt davon ab, welchen MAX232 Du erwischst ... Allerdings betreibe ich den TI auch mit 100nF ohne Probleme. Gruß Jobst
Hallo, ich habe noch eine Frage. Welches Programm benutzt Du, um den AT89S52 über die serielle Schnittstelle zu programmieren?
Bitte melde dich an um einen Beitrag zu schreiben. Anmeldung ist kostenlos und dauert nur eine Minute.
Bestehender Account
Schon ein Account bei Google/GoogleMail? Keine Anmeldung erforderlich!
Mit Google-Account einloggen
Mit Google-Account einloggen
Noch kein Account? Hier anmelden.
