Ich hab hier mal meine Schrittmotorsteuerung für euch. Mich würde mal interesieren, was ihr davon haltet. Die schaltung erlaubt es mit einem PC 2 Schrittmotoren mit <40V <4A anzusteuern und bei bedarf eine weitere Steuerplatine über den RJ12 Port anzuschließen, damit diese auch über den LPT-Port angesteuert werden kann. Die Stromversorgung für die Platine wird über einen Molexstecker vom PC geliefert, was es auch erlaubt mit den 12V einen Lüfter zu betreiben, um bei einem Moterhänger die Abwärme besser abzuleiten.
thomschmidt schrieb: > Die schaltung erlaubt es mit einem PC 2 Schrittmotoren mit <40V <4A > anzusteuern Mit 3,15A Sicherungen? Wozu die vielen Junctions (C11, C14, ...)? C11, C8, D1 und einige Bauteile mehr sind gebrückt. Mach mal einen ERC mit dem Plan...
Die Motoren, die ich z.Zeit betreiben will haben nur 2,8A. Ich muss zum aufrüsten nur die Sicherungen tauschen. ^^ D1 ich Verpolschutz und C11-14 waren so vorgegeben, ich hab die Grundlage der SChaltung aus einem alten Elektor.
>C11, C8, D1 und einige Bauteile mehr sind gebrückt.
Mir sind da die Bauteile R8,C6,C5,C8 in der Art negativ aufgefallen.
Reicht die Spannungefestigkeit von C5,C8,C10 aus?
Wenn die Schaltung von einer alten Elektor stammt würde ich auch prüfen
ob die Bauteile, speziell die Halbleiter, noch lieferbar sind.
Auch auf die Nachlesen bei Elektor würde ich achten.
Ansonsten scheint alles stimmig. Einiges kann man eh nicht beurteilen.
@ thomschmidt
>Reicht die Spannungefestigkeit von C5,C8,C10 aus?
Korrektur: C5, C5, C8, C7 waren gemeint.
Referenzen sind etwas ungünstig platziert.
Wenn du Bezug zu einem Beitrag nimmst, schreib den Namen dabei.
Ist übersichtlicher.
Der ERC kann solche Kurzschlüsse(Brücken) nicht finden.
Der prüft nur das was eingestellt ist. Also Ausgang gegen Ausgang z.B.
oder + auf GND usw.
@ Leo THX Ich habs glatt übersehen, wäre schlecht, da ich die Motoren mit ca. 38V betreiben wollte. ^^ Ich hab auch gerade noch ein paar andere Fehler gefunden und behoben. Also ist hier das Update.
Was ich euch noch fragen wollte, sollte ich hinter C1 noch einen kleinen Kondensator hängen, um die Restschwelligkeit von C1 abzufangen?
>Was ich euch noch fragen wollte, sollte ich hinter C1 noch einen kleinen >Kondensator hängen, um die Restschwelligkeit von C1 abzufangen? Ein Mikrofarad pro Milliampere Laststrom reicht üblicherweise. Platz und Pads kann man ja vorsehen wenn man sich nicht sicher ist. Wahrscheinlich macht sich Restwelligkeit bei dieser Anwendung gar nicht bemerkbar. Haste einen Laboraufbau gemacht? Bei einigen Kondensatoren liest man erst Spannung, dann die Kapazität. Im Dokument sollte es umgekehrt sein, ist aber nur ne Bagatelle. Bei den Lastwiderständen sollte auch die max. Leistung stehen, also z.B. 0,33-5 Watt.
@Leo Danke für den Tip mit der Beschriftung, ich werd das ändern und auch alles richtig durchnumerieren, wenn die Schaltung fertig ist. Die 4700u sind ja für 2x bis zu 4A gedacht, im Mom allerdings nur für 5,6A, ich würd aber sagen, da ich das Netzteil nocht etwas stärker puffern werde reicht das ^^. Laboraufbau hab ich nicht gemacht, weil ich einfach nicht die Möglichkeit hab.
Bei einem separatem Netzteil würde ich die Elkos da platzieren. Nicht nur weil es üblich ist, auch vermeidet man an Steckverbindungen theoretisch Abbrand an den Kontakten durch die hohen Ladeströme wenn die Elkos zuvor entladen waren und man die Baugruppen verbindet. Wäre auch nicht so gut für einen Gleichrichter und nach Trennung vom Netzteil wäre die Schaltung dann wirklich Spannungsfrei z.B. wenn man Hardwaremäßig was ändern möchte. Aber vielleicht sehe ich da auch nur zu schwarz.
Ein optischer Fehler: J1 Man zeichnet keine Leitungen quer durch irgendwelche Bauteile. Mach doch mal Mirror mit dem J1. Dann sieht das gleich viel schöner aus. Führe nicht angeschlossene IC-Pins (SYNC, HOME) wenigstens auf Lötpads, dann kannst du später bei Bedarf immer noch was dranlöten... Übrigens: der Schaltplan ist nur die halbe Miete. Ob das Design läuft, entschiedet letztendlich da Layout... ;-)
>Übrigens: der Schaltplan ist nur die halbe Miete. Ob das Design läuft, >entschiedet letztendlich da Layout... ;-) Kommt nicht gleich noch der Link zu der Webseite Lothar-Miller.de mit den wohlgemeinten Ratschlägen ? Kann nie schaden.
@Lothar J1 ist gedreht und ich hab die offenen Anschlüsse auf eine 2x6Pol Stiftleiste gelegt. Ob das Layout geht sehe ich heute, ich hab für die Schaltung eine Platine 200x250 doppelseitig vorgesehen, das sollte mir zumindest genug Platz lassen. ^^
Leo ... schrieb: > Kann nie schaden. Merci... ;-) Andere sind da (z.B. im Beitrag "Innere Lagen schließen Entkopplung kurz") allerdings anderer Meinung, aber das macht doch das Leben erst so schön abwechslungsreich. Also hier die Kurzfassung für Schnellblicker: Das Layout so, dass für die Entkopplungskondensatoren folgende Reihenfolge eingehalten wird: Versorgung (Vcc+GND) --> Kondensator --> IC Und dass insbesondere die Leitungsführung (hier die Pfeile) kurz und ohne Umwege gehalten wird.
>Platine 200x250
Über Doppeleuro für sechs Chips? Meiner einer kämme wahrscheinlich
mit ner halben Eurokarte hin, je nach dem ob DIL oder SMD.
Mehr kann die Eagle-Light-Version eh nicht.
Welche Software benutzt du? Mach mal. In einigen Tagen oder eher
Wochen kannste hier ja deine Platine mal posten.
@Leo Ich brauch den Platz weil ich - 6mm Leitungen für die 40V Versorgung der Transistoren - 2 Kühlkörper 94x55mm hab. ^^ Natürlich werd ich hier, sobald fertig, das Projekt mit allen Unterlagen posten. Kann ja sein, dass jemand sowas auch gebrauchen kann. ^^
thomschmidt schrieb: > - 2 Kühlkörper 94x55mm Die Chinesen nutzen die dritte Dimension und machen die KK über die Bauteile... ;-) http://cgi.ebay.de/4-axis-3A-TB6560-Board-Stepper-Motor-Driver-CNC-Router-/250729331410?pt=LH_DefaultDomain_77&hash=item3a60a1fad2
@Lothar Hättest du das nicht früher sagen können. ^^ Ich wollte das aber extra, nicht so, machen damit ich noch einen vernünftigen Lüfter montieren kann, weil ich ja im worst case 437 Watt, an Wärme, abführen muss. Und bei meinen Multiwatt 11 Transistoren lassen sich die Beine nicht gut abwinkeln, außerdem weis ich dann nciht wie das mit dem Platz führ die Leiterbahnen aussieht. Mit anderen Chips währe es vieleicht gegangen und da wo ich die Platiene einbauen werde, hab ich eh genug Platz. ^^
Die Chinesen nutzen die dritte Dimension und machen die KK UNTER die Bauteile, also Lötseitig... Ginge ja auch. Entstehen denn überhaupt 435Watt Verlustleistung im Normalbetrieb? Oder meinst du im Störungsfall? In jedem Fall ziemlich viel.
Noch ein paar Tipps zu deinem Schaltplan: C29 und C28 sollten durch eine RC-Kombination aus 10 Ohm und 22nF ersetzt werden. Nennt sich Snubber-Glied. Der Widerstand sollte ein 2 Watt Drahtwiderstand sein. Über R7 und R8 werden die max. Motorströme eingestellt und deren Werte sollten auf die jeweiligen Motore abgestimmt sein. Berechnung lt. Datenblatt. C21, C24, C25 und C22 dürfen ruhig größer gewählt werden. 47nF ist ein guter Wert. C12 und C13 sollten sehr nah am IC sitzen und es wäre ein gute Idee jeweils mindestens einen 470µF parallel zu schalten und zwar auch sehr nah am jeweiligen IC.
@Leo Die 440W entstehen, wenn die Motoren hängen bleiben sollten. Ich will nicht hoffen, dass das passiert aber auf Murphys Gesetz muss man ja immer gefasst sein. ^^ @Gast Mein Prof hat den Schaltplan schon, als entgültig, genemigt, daher kann ich jetzt nix mehr ändern.
thomschmidt schrieb: > Mein Prof hat den Schaltplan schon, als entgültig, genemigt, daher kann > ich jetzt nix mehr ändern. Geht nicht, gibts nicht.... Was machst du denn wenn es nicht funktioniert?
> Mein Prof hat den Schaltplan schon, als entgültig, genemigt, daher kann > ich jetzt nix mehr ändern. Außerdem wird es nicht der einzige Plan gewesen sein, den dein Prof. gesehen hat. An Kleinigkeiten wird der sich ohnehin kaum erinnern und außerdem sollst du ja auch Verantwortung lernen für den später ausgeübten Beruf wo du eigenständig Entscheidungen treffen musst. Dein Prof. wird dann nicht mehr da sein um dir zu helfen und hat dann neue Schüler denen seine Aufmerksamkeit gilt. Kläre das mit ihm.
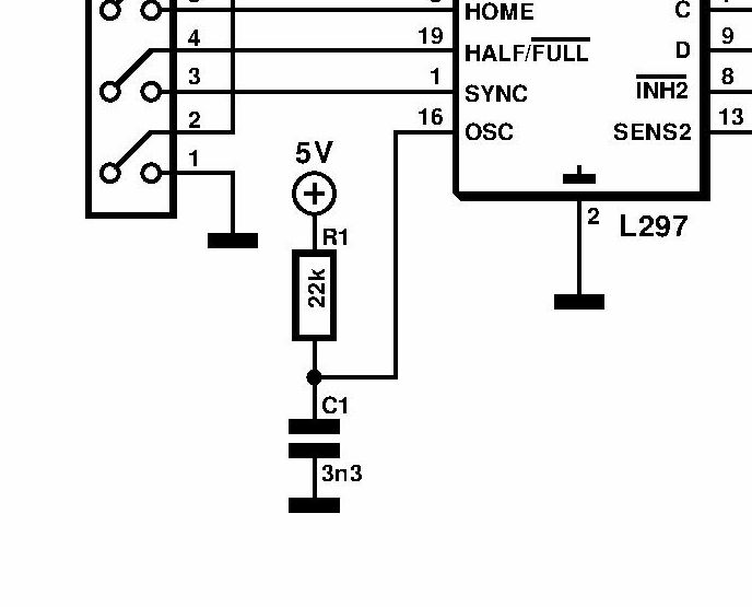
thomschmidt schrieb: > Die 440W entstehen, wenn die Motoren hängen bleiben sollten. Ich glaube nie und nimmer, dass du da zu irgendeinem Zeitpunkt 440W Verlustleistung in die L6203 bekommen wirst. Denn dein L6203 ist bei einer Verlustleistung über 20W tot (Datenblatt Ptot max.: 20W). Du hast offenbar das Prinzip von stromgeregelten Schrittmotorenstufen noch nicht ganz verstanden: der Strom ist weitestgehend unabhängig von der Last und wird nur durch deinen Stromregler festgelegt. Es wird also keine Strömerhöhung im Falle eines Blockade geben können. Bei einer Schaltfrequenz von 100kHz und 4A Laststrom wären das 15W pro L6203. Aber das ist eine Dauerleistung, die im normalen Betrieb und bei Blockade auftritt... Wobei mir auffällt, dass du da beim L297 gerade mal 1/(0.7*220nF*22k) = 300Hz erzeugst. Das scheint mir deutlich zu niedrig, der L6203 verlangt typisch 30kHz. Kontrollier das besser nochmal... Andere haben da deutlich kleinere Werte: Beitrag "Problem L297/ L298 zweifach Schaltung" http://www.mikrocontroller.net/attachment/35894/Schrittmotor_Steuerung3.gif BTW: warum sind C9 und C35 für 63V ausgelegt (bei 5V Versorgung), aber C1 für 40V (bei 40V Versorgung)?
@thomschmidt Höre auf Lothar, der Mann hat erfolgreich studiert und betreibt sogar eine Webseite mit wertvollen Tipps.
Anschlussbelegung des L6203: Die Motorklemmen sind im Schaltplan mit den Anschlüssen CBOOT verbunden. Müßten die nicht an die Anschlüsse OUT? Bitte einer der Spezialisten nochmal hinschauen. Gruß, Martin
Martin schrieb: > Die Motorklemmen sind im Schaltplan > > mit den Anschlüssen CBOOT verbunden. > > Müßten die nicht an die Anschlüsse OUT? LOL, da hast du recht. Vor lauter Sülze übersehen.
thomschmidt schrieb: > Hier mal für Alle, die Originalschaltung aus dem Elektor. Dann übernimm die Werte der Oszillatorbeschaltung von C1 3n3 und R1 22k in deine Schaltung. > Hier mal für Alle, die Originalschaltung aus dem Elektor. Ja, sollen wir das jetzt "gegenlesen"? Und deine Fehler suchen? So eine stupide Fleißarbeit darfst du ruhig selber machen... ;-)
Hallo Lothar! >> Die 440W entstehen, wenn die Motoren hängen bleiben sollten. > Ich glaube nie und nimmer, dass du da zu irgendeinem Zeitpunkt 440W > Verlustleistung in die L6203 bekommen wirst. Denn dein L6203 ist bei > einer Verlustleistung über 20W tot (Datenblatt Ptot max.: 20W). > > Du hast offenbar das Prinzip von stromgeregelten Schrittmotorenstufen > noch nicht ganz verstanden: der Strom ist weitestgehend unabhängig von > der Last und wird nur durch deinen Stromregler festgelegt. Es wird also > keine Strömerhöhung im Falle eines Blockade geben können. > Bei einer Schaltfrequenz von 100kHz und 4A Laststrom wären das 15W pro > L6203. Aber das ist eine Dauerleistung, die im normalen Betrieb und bei > Blockade auftritt... Du hast zwar Recht, dass niemals 440W Verlustleistung anfallen werden. Aber dein Beitrag liest sich so, als wäre die Verlustleistung im L298 identisch mit der im Motor, und das ist naürlich nicht der Fall. Im (blockierten oder stehenden) Motor gilt pro Phase P(Verlust)=I²*R(Wicklung). Im L298 muss man dagegen den Spannungsabfall V(CEsat) über den Transistoren mit dem Phasenstrom multiplizieren. Mit freundlichen Grüßen Thorsten Ostermann
Thorsten Ostermann schrieb: > Im L298 muss man dagegen den Spannungsabfall > V(CEsat) über den Transistoren mit dem Phasenstrom multiplizieren. Und die Schaltverluste berücksichtigen. Je höher die Schaltfrequenz, umso höher diese Verluste (die ja pro Umschaltvorgang entstehen). > Aber dein Beitrag liest sich so, als wäre die Verlustleistung im L298 > identisch mit der im Motor, Ich kann die Stelle nicht finden, die dir das vorgaukelt... :-/ Am Rande: erst du erwähnst einen L298... ;-)
thomschmidt schrieb: > die Originalschaltung aus dem Elektor Ihhbää, geh mir weg mit Elektorschaltungen. Die musste man immer erst reparieren bevor die liefen. Weiß dein Prof davon, dass du die Schaltung von Elektor abgekupfert hast? Hast du eigentlich jemals in das Datenblatt des L6203 reingeschaut? Na danke, ich habe fertig.
Lothar Miller schrieb: > Ja, sollen wir das jetzt "gegenlesen"? Und deine Fehler suchen? So eine > stupide Fleißarbeit darfst du ruhig selber machen... ;-) Neeee außer wenn du willst ^^ Das ist nur als Info gedacht.
Hallo Lothar! >> Aber dein Beitrag liest sich so, als wäre die Verlustleistung im L298 >> identisch mit der im Motor, > Ich kann die Stelle nicht finden, die dir das vorgaukelt... :-/ > Am Rande: erst du erwähnst einen L298... ;-) Sorry, da habe ich was mit einem Thread aus einem anderen Forum durcheinandergeworfen. Bei MOSFET-Endstufen gilt natürlich P=I²*R(DSOn)
Thorsten Ostermann schrieb: > Bei MOSFET-Endstufen gilt natürlich P=I²*R(DSOn) Nur, wenn lediglich der statische Betrieb angeschaut wird. Im Schaltbetrieb kommen die bereits erwähnten (und nicht vernachlässigbaren) Schaltverluste dazu... Aber da hilft das Datenblatt (hier des L6203) weiter.
Lothar Miller schrieb: > Dann übernimm die Werte der Oszillatorbeschaltung von C1 3n3 und R1 22k > in deine Schaltung. Wo bekomm ich denn die 3n3, ich kann die nicht finden. Lothar Miller schrieb: > BTW: warum sind C9 und C35 für 63V ausgelegt (bei 5V Versorgung), aber > C1 für 40V (bei 40V Versorgung)? Weil ich die teile mit diesen Werten noch rumliegen hab. Und da das Netzteil nur 38-max 38,5V liefern kann, sollten die 40V doch reichen. ... schrieb: > C12 und C13 sollten sehr nah am IC sitzen und es wäre ein gute Idee > jeweils mindestens einen 470µF parallel zu schalten und zwar auch sehr > nah am jeweiligen IC. Ist erledigt. ^^
thomschmidt schrieb: >> Dann übernimm die Werte der Oszillatorbeschaltung von C1 3n3 und R1 22k >> in deine Schaltung. > Wo bekomm ich denn die 3n3, ich kann die nicht finden. Du hast den Elektorartikel doch selber gepostet... :-/ EDIT: Oder meinst du wo du die kaufen kannst? Reichelt, z.B... :-o Such da mal nach 3,3n
Bitte melde dich an um einen Beitrag zu schreiben. Anmeldung ist kostenlos und dauert nur eine Minute.
Bestehender Account
Schon ein Account bei Google/GoogleMail? Keine Anmeldung erforderlich!
Mit Google-Account einloggen
Mit Google-Account einloggen
Noch kein Account? Hier anmelden.





