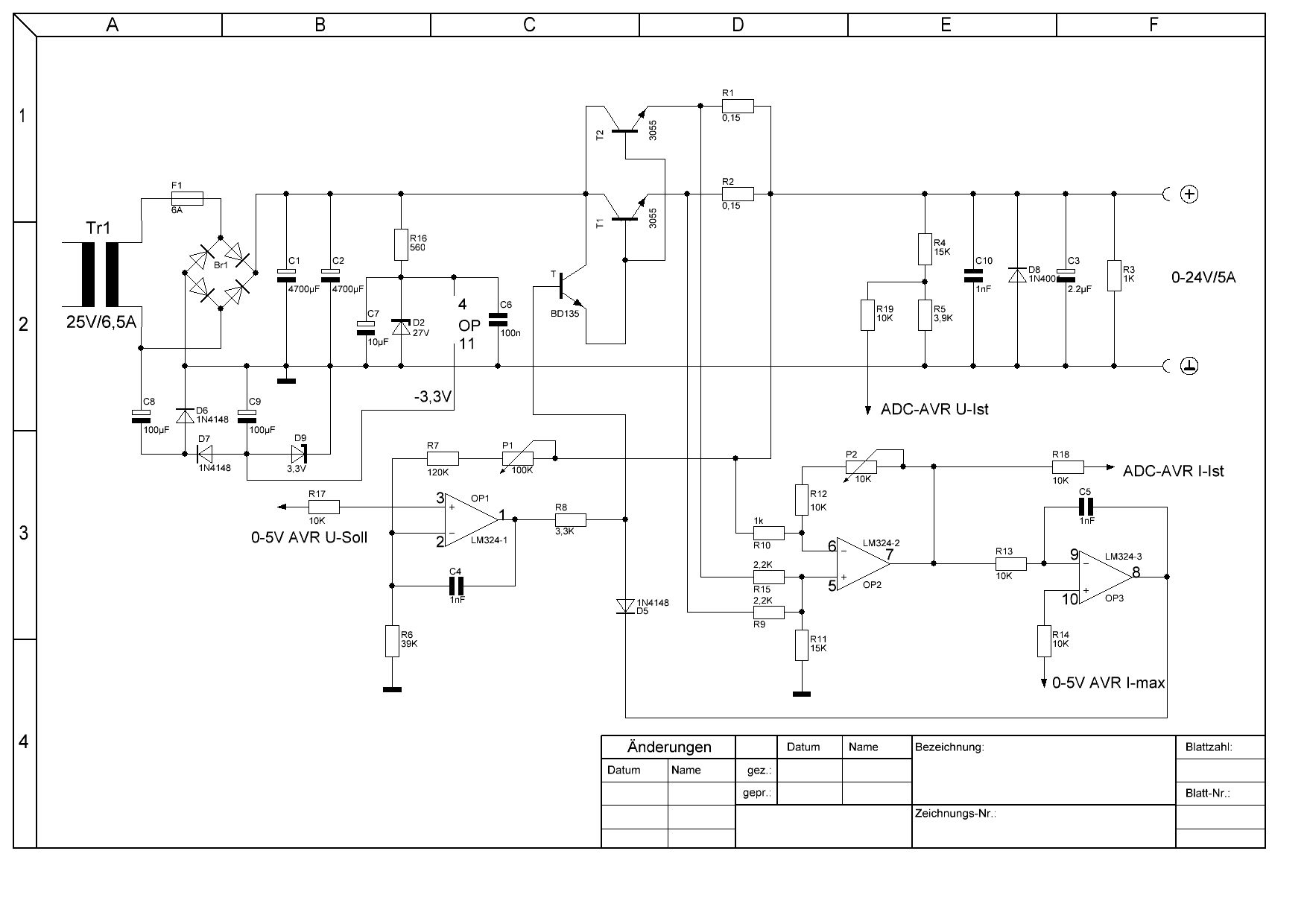
Hallo, ich bräuchte mal den Rat der Fachleute hier. Ich möchte mir ein Analoges Netzteil bauen, und stalle es mir wie folgt vor. Zur verfügung habe ich einen Trafo mit 25V/6.5A. Als Treiber möchte ich 2 MJ3055 verwenden, die auf einem CPU-Kühler mit Lüfter sitzen. Die Sollwerte sollen mit einem AVR und einem DAC vorgegeben werden. Die eigentliche Regelung soll von mehreren OPV´s (LM358 oder TL081) übernommen werden. Meine Fragen lauten, welche werte kann ich der Schaltung max. entlocken, und sind die OPV´s dafür geeignet? Danke !!!
15V/ 4A. Bei weniger Laststrom mehr Spannung, da der Ripple am Lade-C geringer ist.
Vom Trafo: 0 bis 20V, 4A sind erreichbar fürs Netzteil. LM358 ja, TL081 mit Hilfsspannung verwendbar. Es gibt aber bereits genug Threads hier im Forum, die dies Thema erschöpfend diskutieren.
Hallo, ich habe mir folgende Schaltung für den Spannungsteil gedacht. Was sagt Ihr dazu ?
> Was sagt Ihr dazu ? Die ist recht ungünstig, weil sie viel Spannung verliert, dann bist du wirklich bald bei nur 15V. Man rechnet so: 25V~ haben im ungünstigen Fall (10% Netzunterspannung) 22.5V, nach Gleichrichtung 31.8V abzüglich 2 Dioden im Gleichrichter bei 29.8V, der Siebelko (so 15000uF) verliert 20% macht 23.8V und die Leistungstransistoren brauchen als Darlington meistens 2V, also kommen nur 21.8V raus. Mit einem grösseren Siebelko (so 30000uF) kann man den Verlust auf 10% drücken, macht 26.8V und mit Sziklai Darlington reichen die 1.8V, man könnte also 25V erreichen. Nur halt nicht mit deiner Schaltung. ABER: 30V/4A sind 120 Watt, das wird selbst mit einem CPU-Kühler knapp. Zum MJ3055 finde ich nur ein Pseudo-Datenblatt aber zwei 2N3055 schaffen jedenfalls keine 4A/30V, weil 60W bei angemessener Kühlkörpertemperatur nicht mehr wegzubekommen sind. Du brauchst schon 3 wenn es bis 200 GradC in TO3 Metallgehäuse gehen darf, sonst 4 parallel. Alle Berechnugen in: http://www.dse-faq.elektronik-kompendium.de/dse-faq.htm#F.9
Um also eine Ausganfsspannung von 30V/4A zu erreichen, sollte der Trafo ca.36V/7A liefern. Welche OPV-Typen werden denn da verwendet, die die Spannung aushalten ?
Ich weiß nicht, wieso du eienn 36V Trafo für nur 30V Ausgangsspannung brauchst. Vertippt ? 26 V gemeint ? Kommt auf die Schaltung an. Die moderne Labornetzteilschaltun erzeugt eh eine Spannung nur für die Regelelektronik, die meist bei 12V liegt. Wenn du wirklich 36V~ (+10% Netzüberspannung, +13% Leerlaufüberspannung) gleichrichtest, brauchst du schon 60V OpAmps wie OPA445.
Na wenn ich mit meinem Trafo 25V/6,5A maximal auf 21V komme......... Wenn ich einen OPV mit +-12V versorge, kommt der doch maximal auch auf 12V am ausgang. Wie bringe ich dann die regelung dazu, auf 25V zu kommen ?
> Na wenn ich mit meinem Trafo 25V/6,5A maximal auf 21V komme. Man kann es halt geschickter oder ungeschickter aufbauen. > Wenn ich einen OPV mit +-12V versorge, kommt der doch maximal > auch auf 12V am ausgang. Nur gute OpAmps R2R. Sonst eher 9.5V. > Wie bringe ich dann die regelung dazu, auf 25V zu kommen ? Hast du den angegebenen Link zur d.s.e FAQ nicht gelesen ? Da stehen die üblichen Labornetzteilschaltungen drin. Und auch hier im Forum gibt es Threads die das ellenlang mit Beispielschaltungen durchkauen. Ein 5-stufiger Emitterfolger (wenn man die Transistoren im OpAmp mitzählt) ist jedenfalls kontraproduktiv.
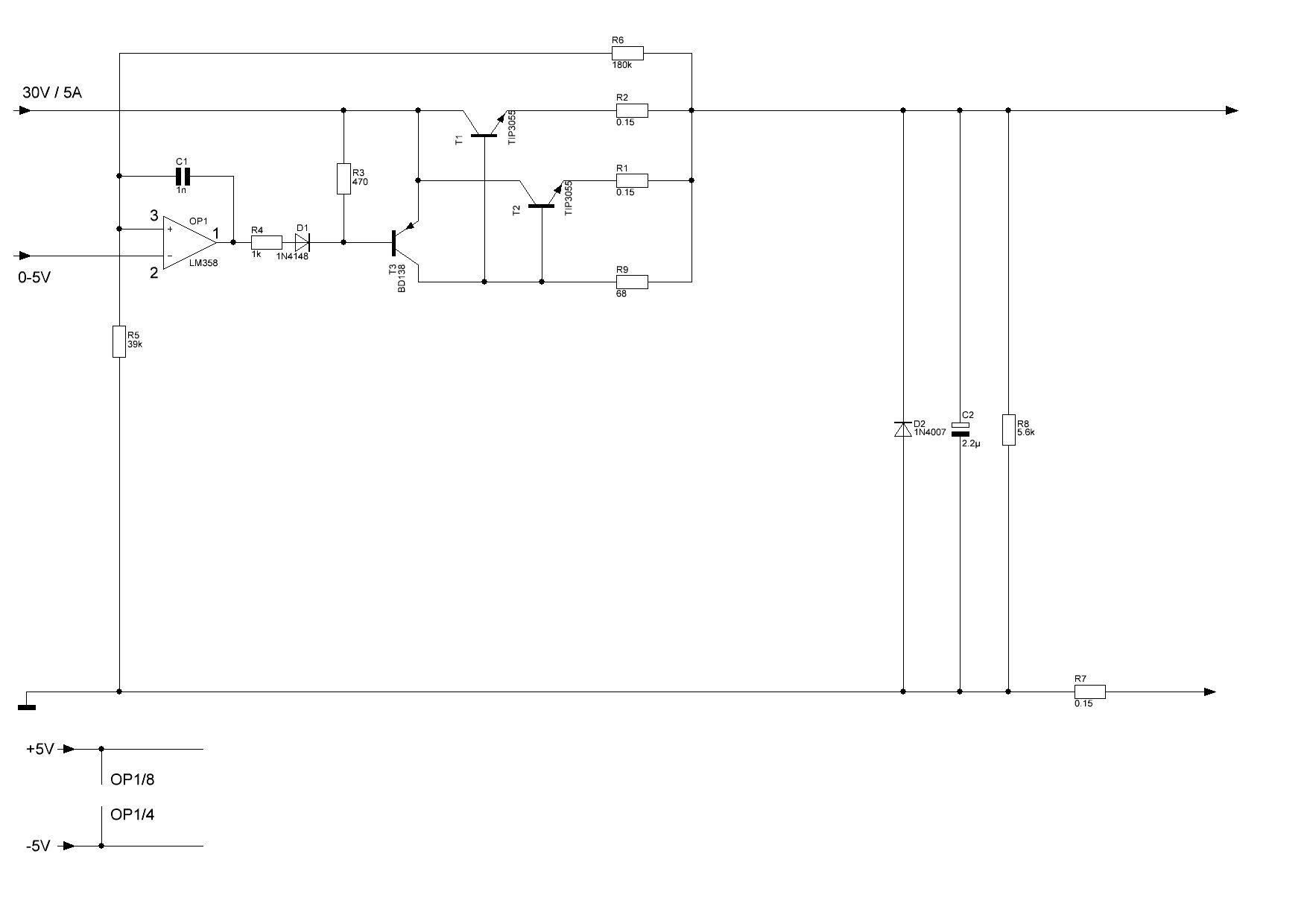
Da lese ich, das die Hilfsspannung für die Regelung die selbe höhe hat, wie die Hauptspannung. Im Anhang habe ich meinen ersten versuch........
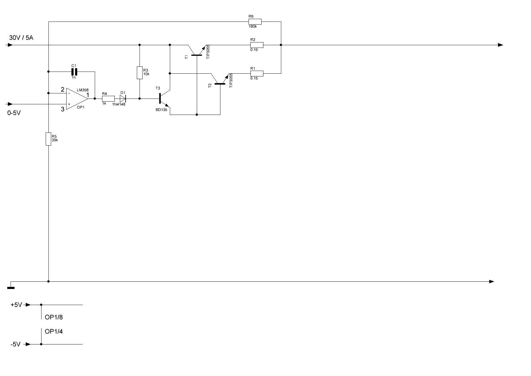
> Da lese ich, das die Hilfsspannung für die Regelung die selbe höhe hat, > wie die Hauptspannung. Im Anhang habe ich meinen ersten versuch...... Nur wie gesagt ist es ungeschickt, 5 Emitterfolger in Reihe zu haben, wenn man aus 25V~ bis zu 24V= haben will. Nimm den schon erwähnten Sziklai, du hättest, falls du den Begriff nicht kennst einfach mal nachlesen können. Warum muß man alles doppelt und dreifach erwähnen? --+---+---+ +Ub | | | 470R | | | |E | --+--|< +--------+ BD138| | | +--|< 2N3055 | | |E | +---(-------|< 2N3055 | | |E 68R 1R 1R | | | +---+--------+-- out Natürlich muss dazu die Ansteuerlogik umgedreht werden.
Ich würde einen Synchronwandler bauen, da brauchst du nichtmal ne Kühlung! Du willst doch auch sicher einen guten Wirkungsgrad!? Gruß Knut
Wie soll die Schaltung die du gerade gepostet hast regeln, die Diode ist falsch herum!
Du hast mehrere Fehler drinn, die OP Anschlüsse sind vertauscht und deine Regelstrecke klappt so auch nicht ganz. Du solltest lieber nochmal etwas forschen im www. Du solltest es auch nochmal mit einer Kausalkette überprüfen ob dein Regler sich so verhält wie du willst! Der synchronwandler ist dann doch wohl ne Nr zu groß, denke ich mal. Gruß Knut
Bitte melde dich an um einen Beitrag zu schreiben. Anmeldung ist kostenlos und dauert nur eine Minute.
Bestehender Account
Schon ein Account bei Google/GoogleMail? Keine Anmeldung erforderlich!
Mit Google-Account einloggen
Mit Google-Account einloggen
Noch kein Account? Hier anmelden.


