Hallo allerseits, ich habe mir in Eagle eine symmetrische PSU gezimmert. Bevor ich route und ätze, hätte ich Euch gern mal auf das Schematic schauen lassen. [URL=http://img11.exs.cx/my.php?loc=img11&image=symmpsu9xw.gif][IMG]http://img11.exs.cx/img11/3203/symmpsu9xw.th.gif[/IMG][/URL] Okay so? (Ich hoffe, die Forensoftware kommt mit dem Bildlink zurecht.) Danke für's Gucken Peter
Eine Vorschaufunktion wär nicht ganz verkehrt. Neuer Versuch.
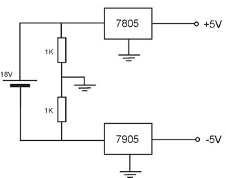
Wenn links an "V+" und "GND" eine Wechselspannung angelegt wird, dann funktioniert die Schaltung. Nicht sehr effizient, da nur halbwellengleichgerichtet, daher sind vielleicht die Glättungskondensatoren am Eingang etwas zu klein, aber sonst bräuchtest Du einen Transformator mit Mittelabgriff an der Sekundärwicklung. Wenn da an "V+" und "GND" allerdings eine Gleichspannung angelegt werden soll (was ja die Bezeichnungen nahelegen), dann ist das keine symmetrische "PSU". Der negative Zweig bleibt gänzlich unversorgt und macht daher gar nichts.
Dankeschön für Deine Antwort. Zwei Selbstkorrekturen vorweg: 1) Der obige Schaltplan enthält fälschlicherweise 7x15-Spannungsregler, während ich tatsächlich aber 7x05-Regler einzusetzen gedenke. Ich benötige +/-5V. 2) Natürlich hast Du Recht: der obige Schaltplan ist (mit +V und GND) fälschlicherweise so bezeichnet, als sei eine DC-Quelle vorgesehen. Versorgt werden soll ein digitales Voltmeter (vier 7-Segment am ICL7107), mit dem ich mein selbstgebautes Netzgerät ergänzen möchte. Ich weiß nicht, wie gründlich ich den Ripple der Voltmeter-Versorgungsspannung für diesen Zweck ausbügeln muss. Als Stromquelle für das Voltmeter wollte ich den 24VAC-Trafo des Netzgeräts nutzen. Die Ineffizienz der oben verlinkten Schaltung leuchtet mir ein; der hatte ich aber wegen der kleinen für das Voltmeter nötigen Stromstärke noch keine Beachtung geschenkt. Jetzt, da ich nochmal darüber nachgedacht habe, scheint es mir sinnvoller, die Versorgungsspannung für das Voltmeter nicht direkt am Netzgerättrafo, sondern erst hinter dem NT-Gleichrichter und dem NT-Glättungselko abzugreifen (oder?). Dann könnte doch auch die Glättung vor den Voltmeter-Festspannungsreglern klein ausfallen? Damit wäre die obige Schaltung natürlich hinfällig, weil DC statt AC anläge. Wie erhielte ich aus den 24VDC am besten die +/-5VDC für das Voltmeter? Mit einem Spannungsteiler (sinngemäß so wie im Bild)? Gruß Peter
Hallo, Mit dem Spannungsteiler kann man das so machen. Jedoch solte der Strom durch den Spannungsteiler 5...10 mal so groß sein, als der Strom durch das Voltmeter plus den Strom durch die Spannungsregler (Eigenbedarf). Natürlich darf das so entstandene GND-Potential nirgends mit der restlichen Schaltung niederohmig zusammen kommen, sonst stimmt die Spannungsteilung nicht mehr. Der 7107 hat dafür Differenzeingänge. Aber mit der 7-Segment-Anzeige wird es schwierig. Hast Du mal überlegt, wiviel Stron die zieht und das noch bei wechselnder Belastung? Dafür müssen die Widerstände niederohmiger sein, z.B. 90 Ohm und verbraten dabei etwas Leistung. 1 kOhm reicht vielleicht gerade für die LCD-Version des Voltmeter-ICs. Man kann so eine Halbierung der Spannung auch mit einer Verstärkerschaltung realisieren, z.B. mit einem OPV mit kleiner Gegentakt-Transistorendstufe oder gleich mit einem Leisungs-OPV. Dürfte effektiver sein. Um die 7805 und 7905-Regler kommt man aber trotzdem nicht herum. Gruß
Hi, warum weigert sich eigentlich alle Welt die Kondensatoren an den Reglern so zu dimensionieren, wie im Datenblatt angegeben? Gerade bei dem negativen werden nämlich deutlich größere Werte empfohlen 1,0 µF und 2,2 µF Tantal...
Hallo, wenn du einen Blick in das Datenblatt des ICL7107 wirft, findest du darin den Hinweis, dass Versorgungsspannung und zu messende Spannung galvanisch voneinander getrennt sein müssen, Deshalb kannst du die Versorgungsspannung nicht aus der Netzteilspannung gewinnen. Einfachste Möglickeit ist, einen kleinen zusaätzlichen Trafo zu verwenden. Im Datenblatt ist auch ein Schaltnild, wie man den 7107 mit nur einer positiven Versorgungsspannung betreiben kann. Hoffe es hat geholfen
Bitte melde dich an um einen Beitrag zu schreiben. Anmeldung ist kostenlos und dauert nur eine Minute.
Bestehender Account
Schon ein Account bei Google/GoogleMail? Keine Anmeldung erforderlich!
Mit Google-Account einloggen
Mit Google-Account einloggen
Noch kein Account? Hier anmelden.

