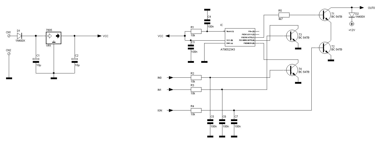
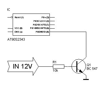
Hallo, schaut euch bitte mal die Schaltung im Anhang an. Sie soll dazu dienen, Eingangssignale (+12V da oder nicht), also 0 oder 1 an den µC melden. Die internen PullUps sind an. Sollte man da ggf. noch entprellen oder enstören bzw. sichern? Wenn ja, bitte ich um Vorschläge, wie soetwas geht.
Zum Entrpellen einfach Kondensator direkt an der Basis oder am Kollektor. So 1µF (Basis) bis 10µF (Kollektor) müßten genügen. Ein Spannungsteiler, 10K in Reihe und 4,7K zu GND mit Kondensator würde glaube ich auch reichen. Habe ich für mein Auto-Teil (Tiny26) für Zünd-Plus und LiMa so gemacht, allerdings nicht mit Kondens. sondern per Software (10mS) entprellt. Gruß Andi
Ach ja! Mit Spannungsteiler ist das dann natürlich "high-active" und interne Pullups aus. Gruß Andi
Nicht vergessen die Versorgung auch zu entstören, versuche generell alle Störungen soweit entfernt wie möglich vor deiner Schaltung zu filtern.
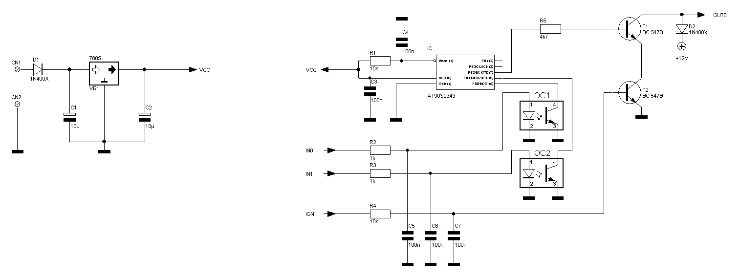
Nimm für die Eingänge Optokoppler, dann bleiben die 12-15V dort wo sie hingehören und entprelle die Eingangssignale über die SW. Ich wäre extrem vorsichtig mit der direkten Einkopplung von 12V über einen Transistor an den µC. Wenn die B-C-Strecke durch einen Kurzschluß hops gegangen ist (warum auch immer), liegen die 12V ungefiltert am µC und dann ist der Pin auch Geschichte. MfG Andreas
Hallo, habe ein ähnliches Problem. Ich möchte Zündung ein / Zündung aus mit dem µC auslesen. Das ganze soll aber sowohl im PKW als auch im LKW (12V / 24 V) funktionieren. Da muß man wohl was vor den Optokoppler vorschlten ... aber was ? Gibt es nicht vieleicht fertige Treiber IC'S die sowas machen ??? Kennt jemand vieleicht so einen IC oder die Bezeichnung für so ein Element damit ich danach gezielt suchen kann? MfG Marcin
@marcin Es gibt doch sowas wie LED-Konstantstromquellen, die arbeiten von 3V-30V und treiben eine LED. Was anderes ist ja im Optokoppler auch nicht. Die Schaltung war sehr einfach, ich habe sie nur grad nicht zur Hand.
> Wäre dann wohl so, mit Optokopplern... Deinen 7805 hauts schön durch, wenn im Bordnetz mal eine Spannungsspitze > 35V auftritt. Kann sein, dass ich grad einen Denkfehler habe, aber was soll D2 in der Schaltung bewirken? Immer wieder gern verlinkt und sehr lesenswert: http://www.dse-faq.elektronik-kompendium.de/dse-faq.htm#F.23 An deiner Schaltung fehlt außerdem eine Sicherung. Eine Autobatterie hat kein Problem damit, im Falle eines Kurzschlusses (Fehlfunktion deiner Schaltung) sehr hohe Ströme zu liefern und damit evtl. Brände auszulösen.
@Chris Absicherung ist klar. D2 soll als Schutzdiode dienen, da über OUT1 ein Relais vom Auto gesteuert wird. @marcin LED-Konstantstromquelle: http://www.elexs.de/led2.htm
FET (z.B. BF245C od. BF256C) und Verpolungsschutzdiode als "Konstantstromquelle" auf der Sendeseite eines Optokopplers funktioniert hier ganz gut, auch in "Autoschaltungen". Ob das die beste Loesung ist, weiss ich nicht, aber auf jeden Fall eine einfache.
Bitte melde dich an um einen Beitrag zu schreiben. Anmeldung ist kostenlos und dauert nur eine Minute.
Bestehender Account
Schon ein Account bei Google/GoogleMail? Keine Anmeldung erforderlich!
Mit Google-Account einloggen
Mit Google-Account einloggen
Noch kein Account? Hier anmelden.


