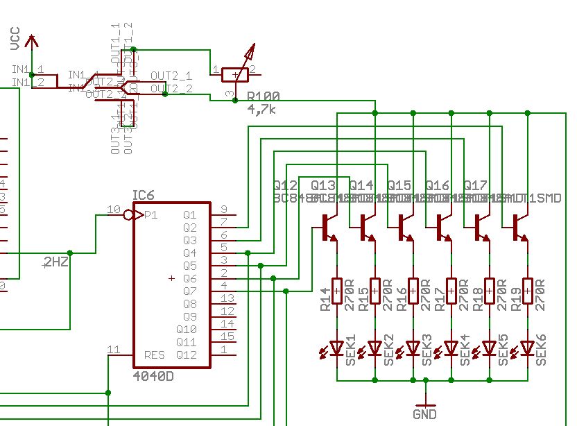
Wie bereits an anderer Stelle erwähnt habe ich vor eine BinärUhr mit LEDs ohne µC zu bauen. (nur 4060er, etc.) Da ich relativ helle blaue LEDs verwenden möchte wollte ich eine Möglichkeit einbauen in den "Standby-Betrieb" umzuschalten. Dabei sollen die LEDs weniger kräftig leuchten. Die LEDs werden einzeln über Transistoren geschaltet, die an einer gemeinsamen Versorgungsspannung liegen. Kann ich einfach zwischen den 5V Versorgungsspannung und den Kollektoren einen Poti (im kOhm-Bereich) setzen, der dann ja einen Spannungsabfall hervorruft und somit den Dioden Spannung "klaut"? Reicht das? Oder ist dann die Leuchtkraft der Dioden auch stark abhängig von der Anzahl gleichzeitig leuchtender LEDs? Oder muß es ein Spannungsteiler sein? etwa 5V - 4kOHM -(ANSCHLUSS)- 10kOhm - Masse ich hab da mal den entsprechenden Ausschnitt der Schaltung angefügt. Nicht über das seltsame Konstrukt oben in der Mitte wundern. Das ist der Reichelt-Schiebeschalter, den ich selbst in die Lib eingefügt habe.
Wenn Du das linear über die Transen machst, kommt es zu höherer Wärmeentwicklung an denselben - nicht gut. PWM wäre eleganter.
die meisten potis vertragen nur einige dutzend milliwatt. wieviel strom ziehen deine led's alle zusammen
Für den Fall das du das Ohmsche-Gesetz kennst, kannst du dir leicht ausrechnen das die Schaltung unsinn ist.
hmm. Wenn ich das mal so überlege: Sekunden und Minuten können max. jeweils 5 LEDs leuchten (also bei 31), bei den Stunden wäre das maximale bei 15 Uhr. (4 LEDs). Um 15:31,31 wäre also eine max. Anzahl von 14 LEDs aktiv, die je laut Datenblatt 20mA ziehen. Wären also insgesamt 280mA. Da hab ich nu echt noch nicht drüber nachgedacht. Ich dachte immer µC-Bereich, da fließt so wenig, datt passt schon ;)
Hmm. 100mW ist wohl das höchste der Gefühle bei meinem Poti. Also wohl deutlich zu wenig. @Hubert: Ich glaube da mal sowas gehört zu haben. Aber mal ernsthaft bewirkt ein Widerstand ja immer einen Spannungsabfall, der widerum zu einem Leistungsabfall führt, die dann bei den Lampen halt fehlt. Wäre also nett, wenn Du mal etwas konktretes äussern könntest, damit ich weiß, wo ich ansetzen muß.
Besser: Die LEDs klassisch über ULN2003 schalten (oder auch einzeln, aber bitte Emitter an GND und Kathode der LEDs am Kollektor). Die Regelung der Helligkeit macht man besser digital per PWM, z.B. über einen etwas robusteren PNP, der die Anode aller LEDs gemeinsam mit Strom versorgt.
Ach ja, ich vergass, es soll ja ohne µC gehen. Aber die PWM müsste man auch mit einem NE555 hinkriegen.
Also die Dioden samt Vorwiderstand an den Kollektor. Warum eigentlich? Damit der Basisstrom da nicht mit einwirkt? Zudem hab ich leider erkennen müssen, daß ich keine Pulldowns an der Basis eingebaut habe. Sehr schlimm? (will nicht schon wieder ne bestellung lossschicken, wenn sichs vermeiden lässt) Eine entsprechende Schaltung mit NE555 hab ich mittlerweile ergoogelt (http://www.atx-netzteil.de/pwm_mit_ne555.htm), aber würde nicht ein stinknormaler NPN mit Spannungsteiler an der Basis reichen? nen ne555 find ich bestimmt noch in vaters keller. nur mit smd sinds wohl essig aus. Aber das kann ich dann ja auch nachträglich implementieren. Danke erstmal
Mit dem NE555 wird aus einem linear arbeitenden Transistor eine digtal arbeitender. Lnear geht aber auch, nur sollte der Transistor dann min 0.5W abkönnen (bei den erwähnten 280mA). Was mich eher irritiert, ist die etwas unkonventionelle LED Ansteuerung. Wenn's ein HC4060 ist werden die wohl nie ganz dunkel. Unterhalb von ca 10mA übernehmen nämlich die Ausgänge vom 4060 sukzessive die Stromversorgung der LED, über die BE-Diode. Wozu Pulldowns an der Basis?
Apropos BE: Was Du da als LED-Treiber gebaut hast, ist eigentlich nichts anderes als eine schaltbare Konstantstromquelle für 10mA (angenommen das IC arbeitet mit 5V und die LED mit 1,6V). So ziemlich das Gegenteil dessen was Du bezweckst.
Ich wollte dir damit sagen das man so etwas vorher überdenken (berechnen) sollte. Wenn du die Schaltung ausprobiert hättest, hätte dein Poti bei fast Endstellung nicht einmal mehr Zeit zum rauchen gehabt. Wenn du keinen Aufwand betreiben willst nimm einen LM317 und verändere mit dem Schalter den Spannungsteiler.
Arg. Jetzt hast dus geschafft und mich völlig verwirrt ... Meine Idee war (recht simpel:) Spannung an Basis, ergo Transistor schaltet, dadurch Spannung an Emitter, LED leuchtet. Eigentlich sollte es doch so problemlos klappen? Die letzte Diode wird halt im Sekundentakt an bzw. aus geschaltet, die vorletzte bekommt immer für zwei seks ein signal, etc. Wenn man das ganze simuliert mit electronic Workbench etwa, (dann allerdings ohne transistorschaltungen, sondern direkt "Lampen" an den Ausgängen des 4040), dann passiert genau das, was passieren soll. Oder hab ich da jetzt irgendwo nen üblen Denkfehler?
Heinz Tomato also wenn du die basisspannung, respektive den basisstrom variieren wilst umd die ehlligkeit der dioden zu steuern würde das schon funktionieren, wenn du die bauteile entsprechend bemisst... finds aber eine etwas merkwürdige schaltung... wenn du schon ein up hast, lass doch gleich ein pwm raus... und statt transistoren würd ich fertige treiberstuffen verwenden.... (uln2903 oder udn2580) weniger bauteil, sprich weniger das schief oder kapputgeheh kann....
uups. das ist jetzt ein mißverständnisss. An der BASIS wollte ich nur 5V oder 0V anlegen, den Transistor also als Schalter nutzen. Also alles was an der Basis angeschlossen ist hat NIX mit meiner eigentlichen Frage zu tun. Meine Idee war die Kollektorspannung zu variieren. Sorry, wenn das unklar war. Dazu auch gleich noch eine ergänzungsfrage an A.K.: Wenn ich nun LED an den Kollektor packe, wie siehts denn nun aus, wenn der Transistor schaltet? Laienhaft ausgedrückt: Wieviel Ohm hat denn R_BE beim Schalten? Ist das denn "gut", wenn der 5V-Ausgang des 4040 quasi auf Masse gezogen wird?
Ein grobe Daumenregel für Transistoren. Sie stimmt nicht immer, aber hier für's Forum passt sie meistens schon. Emitter an +V (NPN) oder GND (PNP): Transistor schaltet (digtal). Kollektor an +V (NPN) oder GND (PNP): Transistor regelt (analog). Regeln ist hier garnichtmal so schlecht. Eine Konstantstromquelle für 10mA ist normalerweise eine prima Lösung für LEDs. Wenn man nicht grad ebendiesen Strom dann anderweitig drosseln oder verstärken will. Hier: Basis hat +5V. Emitter also +4.4V. (4,4V - 1.6V) / 270 Ohm = 10mA. Mehr wird's garantiert nicht. Ansonsten siehe http://www.elektronik-kompendium.de. PS: Kann passieren, wenn man Schaltungen abguckt und modifiziert, die man nicht verstanden hat. Da muss jeder am Anfang mal durch. Früher merkte man es oft erst am Geruch, in Zeiten von Internet-Foren eher am Spott (pekuniär günstiger, kostet aber mehr Nerven).
Hallo @Heinz Tomato , wenn ich das richtig sehe ist die Schaltung mit den LED und den Transistoren schon OK (Stromverstärkung). Aber die Kollektoren müssen immer an + liegen. Da sonst ev. die Abgänge zu weiteren Logikeingängen nicht mehr richtig funktionieren. Eine Helligkeitsregelung sollte an der Masseseite angreifen wo alle Dioden beisammen sind. Hier würde sich eine PWM (mit 555 und Transistor) anbieten die alle LED entweder an Masse legt oder freigibt. Eine Entkopplung untereinander findet dann über die LED's selbst statt. Gruss Kurt
Sorry, aber schon die Frage nach R_BE ist komplett daneben. Versuch's mal mit dem ELKO, z.B. http://www.elektronik-kompendium.de/sites/bau/0201291.htm.
Das mit dem r_be war vielleicht etwas unglücklich ausgedrückt. Das generelle Prinzip von Transistoren ist mir ja klar. Vergleichbar ist die BE-Strecke ja mit ner stinknormalen Diode vom Verhalten her und ich hab mir gedacht, daß eine Schaltung 5V -> Diode -> Masse wohl auch nicht "gut" wäre. Nichtsdestotrotz möchte ich mich erstmal bedanken, vor allem Kurt und A.K. haben mir die wichtigen Wege gezeigt, denke ich. Also zurück zu eagle...
Bitte melde dich an um einen Beitrag zu schreiben. Anmeldung ist kostenlos und dauert nur eine Minute.
Bestehender Account
Schon ein Account bei Google/GoogleMail? Keine Anmeldung erforderlich!
Mit Google-Account einloggen
Mit Google-Account einloggen
Noch kein Account? Hier anmelden.
