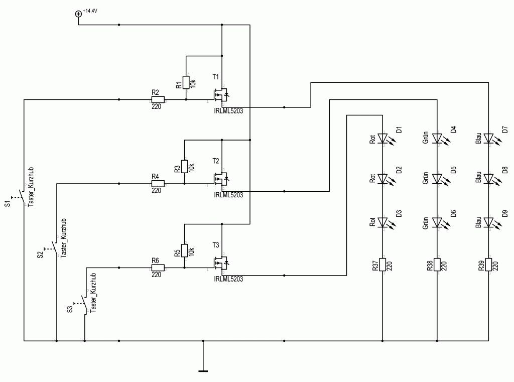
Hallo zusammen, ein Modellbaufreund hat für eins seiner Modelle eine LED-Beleuchtung geplant und dafür so RGB-Leisten besorgt (gemeinsames Minus). Die vorhandene Steuerelektronik hat jedoch gemeinsames Plus. Jetzt dachte ich mir, dass man das einfach "umswitchen" kann, indem ich so eine Schaltung wie im Anhang davor schalte, aber als ich das eben ausprobieren wollte, staunte ich nicht schlecht, dass es absolut nicht funktionierte. Ich muss leider zugeben, dass das meine erste MOSFET-Schaltung ist und ich dachte, die Informationen, die ich aus dem Internet gefunden habe, sollten reichen, damit das funktioniert, aber leider.... Also es ist so, dass alle LEDs dauerhaft leuchten, ganz gleich, ob ich die Leitungen bei den Schaltern mit Minus verbinde (also wie im Schaltplan), oder öffne (und die 10kOhm die Gates auf + ziehen) oder direkt auf Plus gehe... Die Teile leiten immer :-( Kann mir bitte einer helfen und sagen, was ich verkehrt gemacht habe? Soweit ich das verstanden habe, sollten bei P-Kanal MOSFETs die Gate-Spannung weit unterhalb der Drain-/Source-Spannung liegen, damit die Teile leiten und gleich groß, damit sie sperren... Das scheint aber falsch zu sein :-( Ich würde mich freuen, wenn mich da bitte jemand aufklären könnte. Viele Grüße und noch einen schönen Abend, Michael
Du hast sie falsch herum eingebaut, Drain und Source tauschen :-)
Schau Dir Deinen Schaltplan nochmal ganz genau an, besonders die Bodydioden. Na, dämmerts?
Oh Schei... Gut, das man mich jetzt nicht sehen kann :-) Knallrote Birne :-) Tausend Dank! Na gut, verbuchen wir das mal als neue, peinlichste Situation in meinem Leben :-)
Bitte melde dich an um einen Beitrag zu schreiben. Anmeldung ist kostenlos und dauert nur eine Minute.
Bestehender Account
Schon ein Account bei Google/GoogleMail? Keine Anmeldung erforderlich!
Mit Google-Account einloggen
Mit Google-Account einloggen
Noch kein Account? Hier anmelden.
