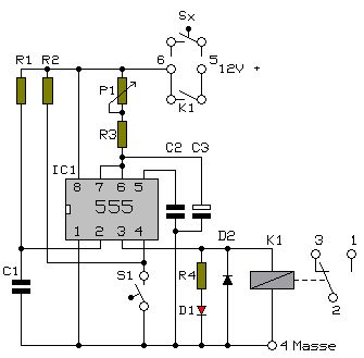
Ok ich fasse mich kurz: Ich habe diese Schaltung im Internet gefunden und nachgebaut. Diese Timerschaltung soll so funktionieren: Wenn man den Taster Sx betätigt, zieht das Relais sofort an und nach einer durch den Poti P1 bestimmten Zeit soll das Relais abfallen. Den Taster Sx soll man nur einmal betätigern und dann wieder loslassen, da sich das Relais "selbst versorgt". Das heisst wenn die Zeit abgelaufen ist, fällt das Relais ab und trennt den Rest vom Versorgungsnetz. So und hier mein Problem: wenn ich den Taster Sx loslasse, fallt das Relais sofort ab und ich weiss nicht warum. Wenn ich den Taster aber gedrückt lasse, funktioniert alles wie es soll: Das Relais fällt nach der eingestellten Zeit ab. Wieso macht es das? Es sollte doch logischerweise den Ganzen Rest versorgen. Ich habe alles richtig gepolt und alle Lötstellen kontrolliert. Mfg Dominik P.s.: Werte spielen dabei glaub ich keine Rolle.
> Ich habe diese Schaltung im Internet gefunden und nachgebaut. Fein. Hast du auch deren Beschreibung gelesen ? > Diese Timerschaltung soll so funktionieren... Und wozu ist dann S1 ? > Wieso macht es das? Falsche Schaltung, bzw. du hast falsch den Sx drangefummelt, die Leitungen dort sehen nicht original aus, du erwartest wohl daß man sich die fehlenden Stücke denkt, und glaubst der Relaiskontakt und K1 treten irgendwie telepatisch in Kontakt. Richtig ist: Wenn bei dauergedrücktem Sx gleich das Relais anzieht und dann nach einiger Zeit abfällt, sollte eine Parallelschaltung eines Relaiskontaktes zu Sx zu einer Selbsterhaltung führen.
> Hast du auch deren Beschreibung gelesen ? Ja das hab ich ja im ersten Beitrag hingeschrieben > Und wozu ist dann S1 ? S1 ist zum Reseten ---> brauch ich nicht! > Falsche Schaltung, bzw. du hast falsch den Sx drangefummelt, > die Leitungen dort sehen nicht original aus, du erwartest > wohl daß man sich die fehlenden Stücke denkt, und glaubst > der Relaiskontakt und K1 treten irgendwie telepatisch in > Kontakt. Ich habe den schaltplan nicht gezeichnet....und wie gesagt, wenn man logisch nachdenkt dann sollte die Schaltung funzen. Das Relais zieht an(kann man hören), und sollte Sx ersetzen tut er aber nicht. Ausserdem: K1 und deren Kontakte treten nicht telepathisch in Kontakt -> um den Schaltplan zu vereinfachen wurde es einfach nur nach oben verschoben. Der fehlende Anschluss ist einfach nur schlecht gezeichnet. > Richtig ist: Wenn bei dauergedrücktem Sx gleich das Relais > anzieht und dann nach einiger Zeit abfällt, sollte eine > Parallelschaltung eines Relaiskontaktes zu Sx zu einer > Selbsterhaltung führen. Is es ja! Mfg Dominik
Dann messe mal K1 im eingeschalteten Zustand des Relais nach, ob der überhaupt Durchgang hat. Diese Symptome können nur zustande kommen, wenn K1 nicht schließt (Vielleicht hast Du einen Ruhekontakt statt Arbeitskontakt genommen).
Ich glaub auch dass es am relais liegt, hab aber zurzeit kein funktionsfahiges messgerat^^ Aber danke fur den tipp. Die falschen Kontakte hab ich nicht genommen da ich es kontrolliert habe und beim einschalten hat es dauerhaft an, und ausgeschaltet Hab vom Handy aus geschrieben.als sind sicher genug Fehler vorhanden ;) Mfg Dodo
ich finde die Beschaltung von Pin 2 recht ungewöhnlich, schließlich soll hiermit getriggert werden. An Pin 2 liegt intern ein Komparator. Damit haben die Werte von R1 und C1 wesentlichen Einfluss auf das Schaltverhalten. Viel Erfolg dolivo
Bitte melde dich an um einen Beitrag zu schreiben. Anmeldung ist kostenlos und dauert nur eine Minute.
Bestehender Account
Schon ein Account bei Google/GoogleMail? Keine Anmeldung erforderlich!
Mit Google-Account einloggen
Mit Google-Account einloggen
Noch kein Account? Hier anmelden.
