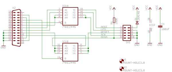
Hallo! Ich habe folgendes Problem: ich möchte mir einen ISP von LTP auf 5 Polig ISP bauen. Als Grundlage möchte ich den angehängten Schaltplan benutzen (die Bauteile habe ich mir alle schon besorgt). Ich möchte aber keinen 10 Poligen ISP, da ich den Mega direkt auf dem Steckbrett programmieren will (den ISP einfach neben den Mega stecken). Mein Hauptproblem ist die unterschiedliche Belegung. Beim 5er: MISO,MOSI,SCK,GND Beim 10er. MOST,LED,RESET,SCK,MISO VCC,GND,GND,GND,GND Ich hoffe mir kann jemand helfen. MfG ACU
was ist dein problem? du kennst beide steckerbelegungen, also einfach alles entsprechen verbinden... LED lässt du einfach weg oder baust eine led direkt in den isp ein... ich mach meine isp stecker 6polig, dann passen sie direkt an einen mega16 /mega32. belegung: mosi miso sck reset vcc gnd
Ok das klingt einleuchtend. Bei einem Mega 16/32 geht das. Aber bei meinem Mega 8 nicht. Direkt daneben stecken ist da nicht, weil der Reset Pin woanders ist. Da muß ich noch ne Strippe ziehen, aber das ist ja nicht das Problem. MfG ACU
Bitte melde dich an um einen Beitrag zu schreiben. Anmeldung ist kostenlos und dauert nur eine Minute.
Bestehender Account
Schon ein Account bei Google/GoogleMail? Keine Anmeldung erforderlich!
Mit Google-Account einloggen
Mit Google-Account einloggen
Noch kein Account? Hier anmelden.
