Hallo Experten Habe was Neues entdeckt, ähnlich Vidipri (Werbebeilage mit Display) kann man dies eventuell anderweitig verwenden… Bei ebay gibt es zwei Auktionen unter Stichwort Sony Ericsson Vivaz Active Display Dummy Ein Handydummy (Attrappe)mit richtigem Display, es wird ein Videoclip gezeigt – mindestens 4mal grösser als das Vidipri Display: - Display: ca. 16:9, Auflösung unbekannt – 1:1 wie Handy ? - Speicher: Vermutlich für en Video in sehrguter Auflösung min. 20MB - Bedienung: dürfte ein Ein-Auschalter besitzen - Original Akku, wie für das richtige Handy - mini USB Anschluss - USB Kabel + Netzteil zum Akku laden Altenatives Video installieren? Meine Vermutung, entweder beim Anschließen am PC, als Speicher sichtbar oder es müssen die zwei Kontakte noch verbunden werden… Siehe Bilder Gruss bastelwastel
Hi, Sehr interessant das ganze! Werde gleich mal ein Vivaz bestellen zum rumspielen. Zur not hat man ein USB Ladegerät und einen 1200mAh Akku ;). Gruß Arkadius
So, meins kam gerade an. Wird am PC als Massenspeicher erkannt, Video ist drauf: KuraraActiveDisplay_German_XviD_100202.avi Video hat eine Auflösung von 600x360 und ist 14,574MB groß. Laufwerk hat eine Größe von 77MB. usbview sagt: Device Descriptor: bcdUSB: 0x0200 bDeviceClass: 0x00 bDeviceSubClass: 0x00 bDeviceProtocol: 0x00 bMaxPacketSize0: 0x40 (64) idVendor: 0x071B idProduct: 0x3203 bcdDevice: 0x0000 iManufacturer: 0x01 iProduct: 0x02 iSerialNumber: 0x03 bNumConfigurations: 0x01 ConnectionStatus: DeviceConnected Current Config Value: 0x01 Device Bus Speed: Full Device Address: 0x01 Open Pipes: 3 Endpoint Descriptor: bEndpointAddress: 0x01 Transfer Type: Bulk wMaxPacketSize: 0x0200 (512) bInterval: 0x00 Endpoint Descriptor: bEndpointAddress: 0x82 Transfer Type: Bulk wMaxPacketSize: 0x0200 (512) bInterval: 0x00 Endpoint Descriptor: bEndpointAddress: 0x83 Transfer Type: Interrupt wMaxPacketSize: 0x0020 (32) bInterval: 0x0B Bilder hänge ich an... Gleich mal nach dem controller googlen. Muss mich aber erstmal um meinen Kater kümmern. Gruß Arkadius
Was zum Henker macht man denn mit ner Handy Attrappe? (ich meine jetzt ausser es zu verbasteln)
Die werden in Geschäften ausgelegt, wo die Originalgeräte zu diebstahlgefährdet sind. Diese Atrappe ist allerdings ein Videoplayer.
Naja, bitte nicht den Ebaywert der Apparate zu sehr steigern sonst wird noch wem WEGEN DER ATTRAPPE die Scheibe eingeworfen :) :) :)
RK2705A-B ist der Chip drin, hat wohl noch versteckte partitionen mit der Firmware. Gleich mal freischalten...
Display ist das originale Vivaz display! Auflösung siehe Videoauflösung oben. Firmware mittlerweile freigeschaltet! (2 weitere Laufwerke) SDK für den Chip gibts auch. ;)
Ist ja spannend. Ob man wohl mit dem SDK was anfangen kann? SO ein Videoplayer ist ja nicht gerade trivial von der Hardware her.
das Teil gibts scheinbar in 2 Ausführungen: die "Pro" Variante hat wohl auch noch eine Tastatur mit dabei ...??? Haben denn die "original" Geräte (beide Varianten) die selbe Auflösung??
Ja das PRO habe ich auch gesehen, aber die Tastatur ist sicher nur ein Fake, genau wie die Gerätetasten an dem normalen Dummy.
Ist das ein "normales" Display oder ist es ein Touch-Display? Hat sich jemand das SDK genauer angeschaut? Gibt es da eine Möglichkeit über UART, SPI, I2C,... von außen Daten/ Bilder einzuspielen?
Arkadius D. schrieb: > Firmware mittlerweile freigeschaltet! (2 weitere Laufwerke) > SDK für den Chip gibts auch. ;) Es wäre schön, wenn Du dafür ein paar Links angeben könntest, das würde denen, die jetzt losziehen, um sich so ein Ding anzuschaffen, einiges an Sucharbeit ersparen.
Anbei die gewünschten Links 2 x (entfernt) Super, Danke Arkadius:-))) Könntest Du kurz erklären wie man das Laufwerk freischaltet? Original Vivaz Display? Dann müsste es ja ein Touch-Display sein, wie könnte man das herausfinden? Gruss bastelwastel ------ eBay-Links wegen Verdacht auf Werbung entfernt. Das, worum es hier geht, findet der geneigte eBay-Nutzer auch so ohne Probleme.
Nein, der Touch ist ja nur im originalgehäuse bzw. über dem Display im original. Hier im dummy ist das reine Display, ohne touch verbaut. die Datei für das freischalten poste ich nachher wenn ich wieder zu Hause bin.
bastelwastel schrieb: > Anbei die gewünschten Links Um die eBay-Links geht es nicht, sondern um die Informationen zum "Freischalten" und über das SDK. Den Kram bei eBay zu finden dauert anhand Deiner Beschreibung nur wenige Sekunden, aber wo findet man das SDK?
Ist Dir noch nicht aufgefallen das bastelwastel hierdurch sein verkauf auf ebay steigern möchte?
Da findet man schon einiges: http://mympx.org/forum/general-discussion/43348-hooray-rockchip-sdk.html
Danke Vivil für den konstruktiven Beitrag :-( Nein - ich bin nicht der Verkäufer, bin selbst Käufer und habe dort Dummys gekauft Danke für die Unterstellung habe am Anfang bewusst den Link nicht angegeben
Hab mal ein bissi gegoogelt, weil mir das Ding irgendwie auf Anhieb sympathisch ist. ;) Der Beitrag dürfte mit am interessantesten sein: http://mympx.org/forum/general-discussion/43348-hooray-rockchip-sdk-36.html#post283334 Bzw. Direktlink zu Megaupload: http://www.megaupload.com/?d=FQQJJ7FV Dort ist unter Anderem das Datasheet zum Rockchip RK27* zu finden. Leider sind viele der anderen Dokumente auf Chinesich. :/ Das erwähnte SDK scheint wohl geleakt zu sein. Und unter dem Link von "netwanze" Beitrag "Re: Handydummy (Attrappe)mit richtigem Display - Sony Ericsson Vivaz" findet man nur einen Link zu einer (für meinen Geschmack) ganz merkwürdigen Website wo man erst 5 Quellcodes hochladen muss. Mit den Dokumenten dürfte aber zumindest ein guter Ansatz vorhanden sein. Irgendwo hab ich aber das SDK auch auf einem normalen Filehoster gefunden, leider aber den Link nicht gebookmarked nach dem Download. Ich such nochmal. [edit] Hier der Link zum (angeblichen) SDK: http://www.mediafire.com/?sharekey=67e28e5ff38f19456b21be4093fab7ac6236a04553e34991b8eada0a1ae8665a Originalthread: http://mympx.org/forum/general-discussion/44608-rockchip-sdk-working-links.html [/edit]
Chris G. schrieb: > Und unter dem Link von > "netwanze" Beitrag "Re: Handydummy (Attrappe)mit richtigem Display - Sony Ericsson Vivaz" findet > man nur einen Link zu einer (für meinen Geschmack) ganz merkwürdigen > Website wo man erst 5 Quellcodes hochladen muss. War auch nur der erste halbwegs sinnvolle Treffer. So genau habe ich mir das nicht angeschaut.
Christian H. schrieb: > War auch nur der erste halbwegs sinnvolle Treffer. So genau habe ich mir > das nicht angeschaut. Kein Problem, war kein Vorwurf. :) Den gleichen Thread hab ich ja auch verlinkt, hab halt nur den Beitrag der mir am sinnvollsten vorkam rausgesucht. Und bevor Andere genauso doof vor dieser merkwürdigen Downloadseite stehen, die der Kerl da verlinkt hat, wie ich, dacht ich mir, such ich mal alternative Quellen raus. An dem SDK zweifel ich ja ganz arg, aber das Datasheet lohnt sich. Ist sehr schön dokumentiert alles. Hab es nur grob überflogen, aber es handelt sich wohl um einen "ARM7 EJC" mit extra DSP onboard. Maximal 200Mhz und 150Mhz für den DSP. Unterstützt 16-128MB SD-RAM. SPI, UART, SD-Card Controller, I2C, USB-Client & Host .. etc etc. Sehr nettes Teil, schaut euch am besten selbst das Datasheet an. Das Ding scheint einen LCD Controller zu haben, aber wenn wir Glück haben hat das LCD auch einen eigenen. Vielleicht über einen 16Bit Port angeklemmt. Das dürfte sich aber rausfinden lassen. Vielleicht also einzeln verwendbar, ohne den Rockchip oder extra LCD-Controller. Hab mir mal 3 bestellt vorhin, wird sich zeigen ob das Zeug in der Sammelkiste verstaubt oder benutzbar ist. ;) Sieht aber bisher sehr gut aus. Ansonsten ist wohl auch Soundausgabe möglich, nach einem Forenbeitrag über einen ähnlichen Controller, aber wohl sehr leise, da ohne integrierten Verstärker. [edit] Und noch mehr Infos, incl. Bootsequenz: http://www.rockbox.org/wiki/Rockchip27xx [/edit]
Arkadius D. schrieb: > die Datei für das freischalten poste ich nachher wenn ich wieder zu > > Hause bin. Hallo, wie schalte ich die anderen LW frei ? Michael
Steht da: Chris G. schrieb: > Und noch mehr Infos, incl. Bootsequenz: > http://www.rockbox.org/wiki/Rockchip27xx
Jupp, oder hier nochmal: Datei aus dem Anhang ins root des Laufwerks kopieren und dann Akku raus und wieder rein!
Habe das mit Dummy Tastatur, bei mir muß es eine Datei sein die RKLDSET.FLW heist. Es wird aber nur ein zusätzliches Laufwerk sichtbar mit der Firmware.
Ok, dann hast du anscheinend den älteren Chipsatz drin... Dafür gibts aber genauso viel Infos und Software. :)
Hast du schon irgendwas anderes am laufen ?
Ich noch nicht, hab da momentan 0 Zeit für. ;)
> Habe das mit Dummy Tastatur,
ist es denn wirklich eine Dummy Tastatur? Oder ist sie nur nicht weiter
verschaltet / ansprechbar?
ist eine Dummytastatur, es sind die Metallplättchen drinnen die Tasten fühlen sich wie echt an, es sind aber keine Leiterbahnen auf der Platine bei den Plättchen, unter den Plättchen ist die Platine weiß lackiert. Auf der anderen Seite der Platine ist die Schaltung Flash und RAM. Das Display muß einen Controller haben, das Flachbandkabel ist relativ schmal die Anschlüsse hab ich noch nicht gezählt aber geschätzt vielleicht 20 Adern.
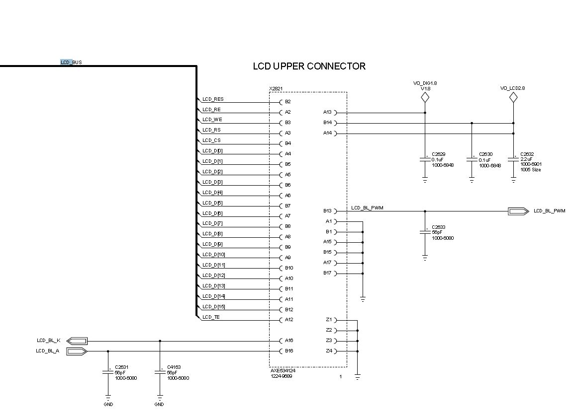
Hier mal ein Schaltplan, der etwas Licht ins Rätselraten um das Display bringt.
Das TFT scheint ja tatsächlich mit Controller zu sein. Hätte ich gar nicht erwartet.
Sebastian schrieb: > Das TFT scheint ja tatsächlich mit Controller zu sein. Hätte ich gar > nicht erwartet. Sagst Du das aufgrund meines Schaltplans? Der Controller, der dort abgebildet ist, ist nicht auf dem Display. Man kann lediglich zwei Anschlussvarianten von Displays sehen. Das bedeutet nicht, dass dieses Gerät eines der Varianten verwendet.
Das LCD könnte noch problematisch werden, befürchte ich. Selbst wenn es einen eigenen Controller hat (wovon ich wirklich ausgehe), kann es recht schwer werden dafür ein Datenblatt zu bekommen bzw die Ansteuerung rauszufinden. Bei meiner Suche nach den Infos zu dem Rockchip und dem durchwühlen der oben verlinkten Dokumente, ist mir aufgefallen das in den erhältlichen Firmwaresourcen 3 mögliche Controller auftauchen. -ILI9320 Wäre kein Problem. Datenblatt ist vorhanden und ich hab sogar in einem anderen Projekt so ein Ding schon erfolgreich mit einem PIC betrieben. Allerdings maximale Auflösung 320x240. Damit würde der Controller leider rausfallen bei dem im Dummy verbauten LCD. -FD5420 Kein Datenblatt gefunden, allerdings ist die Ansteuerung in den Sourcen vorhanden. Ich befürchte aber, das auch hier die Auflösung beschränkt ist. :/ - ER61509 Ähnliches Spiel wie oben. Das einzige Datenblatt, das ich finden konnte, liegt nur noch im Google-Cache und ist unformatiert. Also ein einziges Chaos. Source ist vorhanden, allerdings steht im Datasheet was von 240x432 Pixeln. Dürfte also auch rausfallen. Vielleicht ist es also ein FD5420. Dann haben wir keine Probleme. Ist es keins von den Drei, wird es echt knifflig. Dann lassen sich die vorhanden Firmware-Sources nicht nutzen und es muss ein entsprechendes Datenblatt gefunden werden, oder die Ansteuerung muss reverse engineered werden. Hat zufällig jemand einen Logic-Analyzer zur Hand? ;) Meiner ist noch irgendwo über dem Atlantik. Soviel zur Theorie. Ich hoffe das ich heute noch mein Päckchen bekomme.
Kann man den einfach ein neues Video auf die Laufwerke ziehen? Dann wäre es immerhin schon mal als Standalone Player verwendbar für einige Basteleien sicherlich brauchbar.
Hah! Kommando zurück. Grade noch ein Verzeichnis im SDK gefunden mit 12 weiteren Controllern. Die gehen teilweise auf 800x480 hoch. Das ist vielversprechend.
Habe meines noch nicht, aber ich hoffe doch sehr, daß der Player auch ein anderes Video als das mitgelieferte abspielt. Eventuell werden nur bestimmte Codecs unterstützt, und möglicherweise muß das Video auf die Displayauflösung skaliert sein. Aber diese Informationen kann man vermutlich aus der originalen Videodatei gewinnen.
Bezüglich SDK. Ich kann das Teil nicht aus dem oben genannten Link laden. Unter Firefox funktioniert nichts und der IE hängt sich auf. Gibt es eventuell noch andere Quellen, die besser erreichbar sind?
Chris G. schrieb: > Dann lassen sich die > vorhanden Firmware-Sources nicht nutzen und es muss ein entsprechendes > Datenblatt gefunden werden, oder die Ansteuerung muss reverse engineered > werden. Die Sourcen lassen sich legal sowieso nicht nutzen, das scheint mir geleakter Code zu sein, nichts was der Hersteller unter einer wie auch immer gearteten Lizenz freigegeben hätte.
in der Firmware gibt es Dateien im Dateinamen kommt wmv mp4 usw. vor, evtl. treiber ? Wenn ich am WE dazukomme kann ich testen.
Peter schrieb: > Die Sourcen lassen sich legal sowieso nicht nutzen, das scheint mir > geleakter Code zu sein, nichts was der Hersteller unter einer wie auch > immer gearteten Lizenz freigegeben hätte. Aber zumindest kann man sich die Ansteuerung abschauen und nachprogrammieren, für die Nutzung mit einem anderen Controller. Christian H. schrieb: > Gibt es eventuell noch andere Quellen, die besser erreichbar sind? Also der Mediafire Link führt zu 6 RAR Archiven. - RKP Disassembler & Assembler (RKP=Dateiformat für Anwendungen & Games) - Rockchip documents and some Tools (Wohl am nützlichsten, aber viel für den RK270*6*) - Rockchip Emulator (Eigentlich zum Firmware testen, startet bei mir nicht) - Rockchip SDK (Dieses SDK ist nur für Games & Programme) - Rockchip Firmware Editor (Bilder und Strings in einer vorhanden Firmware austauschen) - Rockchip Games & Apps (Spricht für sich :) ) Aber das SDK das ich in den Weiten des Netzes gefunden hab ist tatsächlich für die Firmware. Inwieweit das wirklich kompilierbar ist (angeblich mit der ARM Developer Suite 1.2 und/oder Visual Studio 2008) weiß ich noch nicht. Ich weiß jetzt nicht ob ich das auch noch verlinken darf, ist ja bei dem anderen Zeug schon relativ kritisch. Wenn mir ein Mod bestätigen kann das ich nicht hochkant rausfliege, würd ich das SDK selbst nochmal hochladen. Aber vielleicht findet man auch über Google was. Der Dateiname lautet "rk27sdk_0722.rar"
> ... "rk27sdk_0722.rar"
Besser nach der .zip Variante suchen, da isses gleich der erste Treffer
:) (zumindest bei mir). Und zwei Klicks weiter gibts dann auch das
"RK27XX Databook" (rk27_product_datasheet.pdf 3,8MB) dazu.
Meine Beobachtungen..... Beim Auschalten.. Das Video läuft in einer Endlosschleife, beim Betätigen des Ein/Aus Tasters wird das Video abgesprochen und es scheint das SE Logo mit schwarzem Hintergrund d.h. es wird eine 2. Datei separate gestartet, entweder ein Bild oder es handelt sich dabei um eine kurze Videosequenz. Und es erscheint kurz eine Zahl “3:59“ Uhrzeit? und der Akkustatus wird angezeigt. Laufwerke… Im Ordner Appdata befinden sich 7 wav-Sounddateien? Fehlt nur noch der Ton, hat die Platine einen Lautsprecheranschluss :- ) anderes Video... Wenn man eine unbekannte Videodatei speichert, kommt kurz eine Fehlermeldung und es erscheint ein Wallpapper “blaue Wassertropfen“ und es steht geschrieben “Explorer“ und der Dateiname mit einem schmalen Rollupbalken – fehlt nur noch die Touchfunktion mp4, flv Videos haben nicht funktioniert Avi Dateien lassen sich abspielen, auch mehrere
Das mit Dummy Tastatur hat 150MB Speicher es laufen auch mp4 dateien
Touchcontroller hat der 2705 sowieso nicht, nur der 2706. Aber mit tastern kann man durch das Menü gehen. ;)
bastelwastel schrieb: > Das mit Dummy Tastatur hat 150MB Speicher > > es laufen auch mp4 dateien was ist da drin verbaut in dem Vivaz pro dummy?
musst du schauen....Platine ist doppelt so gross
@bastelwastel Bitte die Bildformate beachten!!! (Das Originalbild hat 3*4k Pixel, nur falls die werten Moderatoren es verkleinern.)
Arkadius D. schrieb: > Display ist das originale Vivaz display! Auflösung siehe Videoauflösung > oben. > > Firmware mittlerweile freigeschaltet! (2 weitere Laufwerke) > SDK für den Chip gibts auch. ;) so wird der org. Vivaz (nicht Pro!) display angeschlossen, passt das zu dem dummy display ?
Thomas R. schrieb: > so wird der org. Vivaz (nicht Pro!) display angeschlossen, passt das zu > dem > dummy display ? Ja scheint zu passen. Ahja 3:59Uhr ist es dauerhaft weil der RTC wohl nicht bestückt (quartz) ist.
Könnt ihr Dateien auf der Systempartition verändern? Bei mir ist nach dem neustart immer wieder alles beim alten. Gibts einen Trick eine neue firmware aufzuspielen? Kann den rk27usb-Treiber nicht installieren, und das Updateprogramm in der sdk-zip findet somit auch die Hardware nicht. Gruß Marc
Name schrieb: > Gibts einen Trick eine neue > firmware aufzuspielen? Ich meine etwas von einem "RockUSB Mode" gelesen zu haben. Schau mal ob es mit dieser Anleitung funktioniert: http://mympx.org/forum/support-how/44440-rk27sdk-rkw-ramos-970-a.html#post283236 Eigentlich gedacht um zu "reparieren", dürfte das auch für neue Firmwares anwendbar sein. Rein von der Theorie her. ;) Morgen dürften meine Dummmies auch endlich ankommen, dann bin ich aktiv mit dabei. :)
hallo zusammen, klingt ja wieder mal nach einer interessanten Bastelei. Kann mir bitte jemand eine Tip geben, wo bzw. wie ich die dinger bei e**y finde. Der Such-String vom Anfang des Threads bringt leider nichts. Ansonst finde ich nur richtige "Dummys" also ohne funktionierendem Display. Danke pcs
Oh, vorsicht, ich glaube die haben kein aktives Display :(
Der genaue Angebotstitel ist "Sony Ericsson Vivaz Active Display Dummy" vom Verkäufer "officeeppartner" (Kein Tippfehler). Der war der einzige der die Dinger mit aktivem Display verkauft hat. Im Moment ist kein Angebot drin, aber er hat schon ein paar mal nachgelegt. Mit etwas Glück stellt er noch welche ein. Einfach mal die Augen offen halten.
bastelwastel schrieb: > Das mit Dummy Tastatur hat 150MB Speicher Gesamtspeicher oder der des ersten (sichtbaren) Laufwerks? Hatte mir nur das Dummy ohne Tastatur bestellt (noch nicht da). Wieviel Speicher hat das genau? Dort sind drei Laufwerke angegeben: Beitrag "Re: Handydummy (Attrappe)mit richtigem Display - Sony Ericsson Vivaz" Das wären zusammen auch ca 150MB
Auf dem Bild von bastelwastel kann man sehr gut den verbauten Speicher erkennen. Winbond W9812G6IH = 16MB SD-RAM Hynix HY27UF082G2B = 256MB Flash Ist auf jeden Fall schon recht ordentlich.
Christian H. schrieb: > Gesamtspeicher oder der des ersten (sichtbaren) Laufwerks? Beim Pro-Dummy hat das erste sichtbare Laufwerk 150MB Kann jemand sagen was man mit den zwei Kontakten anstellen kann? Sie sind durchkontaktiert auf die Rückseite. eine Leiterbahn geht direkt zum Ersten Pin auf der einen Seite des Rockchips (Pinnummer? wie zählt man?) die andere verschwindet unter den Chip.
bastelwastel schrieb: > Kann jemand sagen was man mit den zwei Kontakten anstellen kann? Nach Datasheet ist das der Pin 64 -> "R-channel headphone output" Das heisst, der andere könnte Ground sein oder vielleicht sogar der linke Headphone-Channel. Häng doch mal nen Kopfhöhrer an. :)
Chris G. schrieb: > Nach Datasheet ist das der Pin 64 -> "R-channel headphone output" > > > > Häng doch mal nen Kopfhöhrer an. :) Hatte schon mal ein Kopfhöhrer angeschlossen und nichts gehört, Das Demo-Video hat keinen Ton! :-(( Habe erst am WE wieder Zeit, könnte jemand dies mal ausprobieren? Danke
Chris G. schrieb: > Name schrieb: >> Gibts einen Trick eine neue >> firmware aufzuspielen? > > Ich meine etwas von einem "RockUSB Mode" gelesen zu haben. > > Schau mal ob es mit dieser Anleitung funktioniert: > http://mympx.org/forum/support-how/44440-rk27sdk-r... > > Eigentlich gedacht um zu "reparieren", dürfte das auch für neue > Firmwares anwendbar sein. Rein von der Theorie her. ;) > > Morgen dürften meine Dummmies auch endlich ankommen, dann bin ich aktiv > mit dabei. :) Die Anleitung funktioniert bei mir nicht, hat jemand geschafft die Systempartiion zu verändern?
Ich glaub ich habs schon geschafft, eins zu killen. ;) Nachdem ich die versteckten Partitionen freigeschaltet, und das Demo-Video rausgekickt habe (um mir mal die Oberfläche bzw Fehlermeldung hinter dem Video anzuschauen), bekomme ich nur noch sehr sporadisch eine USB-Verbindung. Und wenn dann zeigt er mir nur mit viel Glück die Laufwerke an. Diese sind dann allerdings leer und wenn ich etwas draufkopieren will, sagt mir Windows das das Laufwerk nicht mehr eingelegt ist. Hmmm... hat jemand eine Idee? ;)
Killen ist fast unmöglich… Habe x-verschiedene videos getestet, drauf kopiert und gelöscht Jedesmal ohne Abmeldung, einfach Stecken gezogen, dann startet das Video und je nach dateityp kommt eine Fehlermeldung.... - Die Freischaltdatei ambesten nicht mehr löschen - Akku sollte immer voll sein, ansonsten kommt es auch zu Aussetzer - Alle Laufwerke korrekt abmelden -> Stecker ziehen -> akku entnehmen und nochmals probieren.. …aber was meinst Du mit… Chris G. schrieb: > um mir mal die Oberfläche bzw Fehlermeldung > > hinter dem Video anzuschauen Was hast du da konkret gemacht?
Hmm sehr strange. Hatte wirklich nur die Videodatei gelöscht. Jetzt nach meinem Kaffepäusschen hab ich mich nochmal drangesetzt und das Gerät wieder angeschlossen ... plötzlich hat es wieder funktioniert. Ganz ganz merkwürdig. Trotz 2 Stunden Probiererei vorher. Inkl. Akku rausnehmen, USB Verbindung nach dem einschalten, vor dem Einschalten etc etc ... alles durchprobiert.
Hatte das auch schon, musst sehr schnell sein und das video wieder draufkopieren. Scheinbar schaltet sich das Teil wieder ab wenn es kein video gefunden hat.
Micha schrieb: > Hatte das auch schon, musst sehr schnell sein und das video wieder > draufkopieren. Direkt gemacht. ;) So, hab mal das LCD auf meinen Scanner gehauen. Mal von ein paar nichts-sagenden Nummern auf der Rückseite, hab ich noch ein Bild von einer anderen Nummer angehängt. Recht klein, musste auf 2400DPI scannen, aber jetzt erkennt mans ganz gut. Vielleicht hilft uns das weiter. :)
Zufällig gefunden. Vielleicht interessiert es ja jemanden: Touchpanel: http://stellatech.com/article.php?id=404184 http://stellatech.com/article.php?id=304132 Was nun genau was ist, weiß ich nicht. Ich schätze, die Bilder wurden vertauscht. Das Display kostet dort 38,88€ http://stellatech.com/article.php?id=204049 Das Display der Pro-Variante: http://stellatech.com/article.php?id=204050 Und die zugehörige Tastatur (bzw die Tastenmatte): http://stellatech.com/article.php?id=404602 (QUERTY) http://stellatech.com/article.php?id=404601 (QUERTZ) Touchpanel: http://stellatech.com/article.php?id=304133
Wenn das wirklich 640x360 displays sein sollen, dann ist die bezeichnung auf dem Dummy Pro Display "NZG-ROHS-LBL-T320MUWI-04A" oder auf dem FPC "T320UWL4-A4" etwas verwirrend. Auf dem CoG finde ich nix, auch dem display glass selber sind auch T320 bezeichnungen versteckt. Abgesehen davon weder pinout noch pin anzahl noch stecker sind zum echten Vivaz passend.
Thomas R. schrieb: > Abgesehen davon weder pinout noch pin anzahl noch stecker sind zum > echten Vivaz passend. Hmm. Mein Dummy ist leider noch nicht da, um das beurteilen zu könnne. Sehe ich mir aber das zweite Bild hier an Beitrag "Re: Handydummy (Attrappe)mit richtigem Display - Sony Ericsson Vivaz" und vergleiche das Flachbandkabel und den Stecker mit diesem, http://stellatech.com/pubs/uploads/204049.jpg so würde ich schon von Übereinstimmung ausgehen.
Chris G. schrieb: > Nach Datasheet ist das der Pin 64 -> "R-channel headphone output" > > Das heisst, der andere könnte Ground sein oder vielleicht sogar der > > linke Headphone-Channel. > > > > Häng doch mal nen Kopfhöhrer an. :) Bei den zwei Kontakte, in Kombination mit Ground, handelt es sich definitiv um den Sound-Ausgang. werde ein Handy-Speaker ins Gehäuse enbauen, jetzt fehlt nur noch die Lautstärkeregelung :-)
Verrät jemand noch eine Bezugsquelle? Bei ebay ist derzeit nichts zu finden.
Ehm, doch? Such nach "vivaz dummy".
Da finden sich nur die wirklichen Dummys, also ohne Display etc... zumindest wars vor zwei Tagen so.
Chris G. schrieb: > Der genaue Angebotstitel ist "Sony Ericsson Vivaz Active Display Dummy" > vom Verkäufer "officeeppartner" (Kein Tippfehler). > > Der war der einzige der die Dinger mit aktivem Display verkauft hat. > … bisher gab es nur diese eine Bezugsquelle P.s. Vermutlichen wurden sie nicht an Endkunden verschenkt, sondern auf einer Promotionen-Veranstaltung an Gäste/Händler verteilt.
Hallo erstmal, habe eure konversation mitbegeisterung gelesen... Denn ich habe folgendes problem, in der hoffnung ihr önnt mir helfen... Ich habe mir bei ebay ein active dummy von htc geschossen inkl. 2gb speicherkarte. Statt der lästigen demo, wollte ich für meinen kleinen Sohn ein paar videos draufspielen. Aber leider weiß ich wirklich nicht wo und wie ich anfangen soll! Auf dem Arbeitsplatz wird das gerät als Wechseldatenträger angezeigt, aber ich kann nicht darauf zugreifen.... könnt ihr mir bitte ghelfen!!!! robincruso@gmx.de Lieben Gruß markus
Falls es jemanden interessiert, im Moment gibt es bei eBay gerade wieder paar "Active Display Dummy". Einfach mal danach suchen. Neben dem Vivaz Pro sind da auch vom gleichen Händler aktive Dummys vom Xoom-Tablet zu finden. Frage ist, ob da auch ein RK27xx-Controller drauf ist... Hat eigentlich schon mal jemand einen Audio-Ausgang auf einen der Vivaz-Dummies geschmiedet und zum Laufen gebracht? Gruß, Helge
Helge Tefs schrieb: > aktive Dummys vom Xoom-Tablet zu > finden. Frage ist, ob da auch ein RK27xx-Controller drauf ist... nein, ein Magic Pixel MP650, dazu noch: Samsung 16Gb NAND - K9GAG08U0E Zentel 256Mb DDR-RAM - A3S56D40ETP-G6 THine LVDS transmitter - THC63LVDM83R AUO 10.1" WXGA Display - B101EW05 (V0 H/W:1A) ahja, keine BGAs drin. Für 30EUR durchaus wiederverwendbar als 10.1" display
Hast Du dazu noch die Auflösung vom Display? Oder ist das die Gleiche, wie beim Original-Xoom? Gruß, Helge
Helge Tefs schrieb: > Hast Du dazu noch die Auflösung vom Display? Oder ist das die Gleiche, > wie beim Original-Xoom? Blöde Frage. Hätte ich mir auch selbst beantworten können. WXGA stand doch im Text. Also 1280x768 (oder wie beim Xoom 1280x800)...
Hmm, da ist wohl jemand mittlerweile auf den Trichter gekommen und bietet die Dinger mit explizitem Zusatz an. Unter der Artikelbeschreibung "original Sony Ericsson U8i Vivaz Pro Handy Dummy active Multimedia Display LCD" findet sich vom Anbieter "PHF" das Vivaz PRO Dummy Modell für 8.90 und in der Beschreibung heisst es "Das LC-Display ist ausbaubar und kann für den Modellbau und vieles mehr genutzt werden!"
Für das Xoom-Dummy gibt es mittlerweile einen eigenen Thread, bitte diesen nutzen, Danke Beitrag "Handydummy (Attrappe)mit richtigem Display 10Zoll - u.a.Motorola Xoom"
...im vergleich zur Xoom PCB, befinden sich auf dem Vivaz Audiokontakte, man kann einen Kopfhörer anschliessen.... das Original-Video hat keinen Ton, um was zu hören müsste man ein Video mit Ton speichern...
Hallo Beim einschalten des Vivaz erscheint immer das sonyEricsson Logo, auch wenn man ein eigenes Video gespeichert hat. Es handelt sich dabei wohl nicht um eine Videosequenz, muss eine Systemdatei-Bild sein.. Hat jemand geschafft, dieses Datei auszutauschen oder zu entfernen? Gruss
Ich hab es nicht selbst probiert, aber weiter oben gab es paar Links zum SDK. In dem einen dort downloadbaren Paket gibt es eines, das nennt sich "Tool RK27SDK.rar". Dort drin gibt es einen "Imagesearcher". Mit dem kann man das Firmware-File nach Bildern durchsuchen (Größe kann man einstellen) und diese Bilder kann man damit auch ersetzen. (siehe auch hier: http://mympxplayer.org/image-vp56164.html) Ich hab heute Abend leider keine Zeit, sonst würde ich das mal an einem Vivaz Pro Dummy testen. Achja, kleine Warnung. Vorsicht mit dem mitgelieferten USB-Kabel! Ich habe das Kabel aus der Tüte genommen, an den Dummy gesteckt, diesen geladen und das Kabel abgezogen. Als ich das Kabel dann zum zweiten Mal anstecken wollte, war ein Pin verbogen und hat gleich noch die Buchse am Dummy beim Anstecken geschrottet.
Bilder tauschen mit dem Imagesearcher klappt beim Pro Modell einwandfrei ! -Die entsprechende Datei liegt in /RESSOURCE/BID -die beiden Logos liegen in den Nummern bei ~380 -Warum jedes Bild 3 Mal drin ist weiss ich nicht (Animation möglich ?) Hat eigentlich schon jemand beim Pro-Modell Audioanschlussmöglichkeiten gefunden ? CU
Achso: Die Boot.exe würde ich mal lieber nicht starten. Also keinesfalls mit aufgespieltem Freischaltfile an nem PC mit Autostart anstöpseln: File name: boot.exe Submission date: 2011-10-25 07:49:24 (UTC) Current status: queued (#2) queued analysing finished Result: 38/ 43 (88.4%) Antivirus Version Last Update Result AhnLab-V3 2011.10.24.01 2011.10.24 Dropper/Downloader.40960.Q AntiVir 7.11.16.135 2011.10.25 W32/Almanahe.B Antiy-AVL 2.0.3.7 2011.10.25 - Avast 6.0.1289.0 2011.10.25 Win32:Small-MIJ [Trj] AVG 10.0.0.1190 2011.10.25 Win32/Alman BitDefender 7.2 2011.10.25 Win32.Alman.C ByteHero 1.0.0.1 2011.09.23 Virus.Win32.Heur.d CAT-QuickHeal 11.00 2011.10.25 TrojanDropper.Small.axz ClamAV 0.97.3.0 2011.10.25 Trojan.Dropper-16499 Commtouch 5.3.2.6 2011.10.25 W32/Heuristic-210!Eldorado Comodo 10549 2011.10.25 Win32.Alman.NAB DrWeb 5.0.2.03300 2011.10.25 Win32.Alman Emsisoft 5.1.0.11 2011.10.25 Virus.Win32.Alman!IK eSafe 7.0.17.0 2011.10.24 - eTrust-Vet 36.1.8637 2011.10.24 Win32/Almanahe.F F-Prot 4.6.5.141 2011.10.25 W32/Heuristic-210!Eldorado F-Secure 9.0.16440.0 2011.10.25 Win32.Alman.C Fortinet 4.3.370.0 2011.10.25 W32/Alman.AXZ!tr GData 22 2011.10.25 Win32.Alman.C Ikarus T3.1.1.107.0 2011.10.25 Virus.Win32.Alman Jiangmin 13.0.900 2011.10.24 TrojanDropper.Small.fu K7AntiVirus 9.116.5334 2011.10.24 Trojan Kaspersky 9.0.0.837 2011.10.24 Trojan-Dropper.Win32.Small.axz McAfee 5.400.0.1158 2011.10.25 W32/Almanahe McAfee-GW-Edition 2010.1D 2011.10.25 W32/Almanahe Microsoft 1.7801 2011.10.25 Trojan:Win32/Almanahe.E.dll NOD32 6571 2011.10.25 Win32/Alman.NAB Norman 6.07.13 2011.10.24 Almanahe.EY nProtect 2011-10-24.01 2011.10.24 Trojan-Dropper/W32.Small.40960.DQ Panda 10.0.3.5 2011.10.24 W32/Almanahe.D.drp PCTools 8.0.0.5 2011.10.25 Trojan-Dropper.Small!sd5 Prevx 3.0 2011.10.25 - Rising 23.81.01.02 2011.10.25 Trojan.Win32.Mnless.zec Sophos 4.70.0 2011.10.25 Troj/Drop-CC SUPERAntiSpyware 4.40.0.1006 2011.10.25 - Symantec 20111.2.0.82 2011.10.25 W32.Almanahe.B!inf TheHacker 6.7.0.1.331 2011.10.25 Trojan/Dropper.Small.axz TrendMicro 9.500.0.1008 2011.10.25 TROJ_CORELINK.D TrendMicro-HouseCall 9.500.0.1008 2011.10.25 TROJ_CORELINK.D VBA32 3.12.16.4 2011.10.25 Trojan-Dropper.Win32.Small.axz VIPRE 10868 2011.10.25 Trojan.Win32.Almanahe.b.dll (v) ViRobot 2011.10.25.4736 2011.10.25 - VirusBuster 14.1.28.0 2011.10.24 Trojan.DR.Small!jP0wLMCz3LU Additional information Show all MD5 : 557d030ce6d57989cc4ad34e808bd8b9 SHA1 : e034f637dec4a0342dfbdb0eaded8f561e5abfd0 SHA256: b9a5bac0559adf2e954ae8ae69871d3a996e7534c2b7b310c2dcb268c989b5c6
Hmm .. seit diesem letzten Post ist hier Stille eingekehrt. Ich habe nun auch einen Vivaz (Pro - mit Tastatur) Dummy hier, konnte die Partitionen sichtbar machen und habe ein paar Videos durchgetestet. Auch die Boot.exe ist mir aufgefallen, wobei ich mich frage, was das Teil in der System- / Firmwarepartition des Gerätes macht ? Wenn es keine Autorun Datei ist, sondern Teil der Dummy-Firmware, dann sind die Virus-Warnungen wohl zu ignorieren, da natürlich Firmwares und Treiber naturgemäss Operationen durchführen [direktes Schreiben auf diverse Register], welche denen von Schadware zwar sehr ähneln, aber dennoch harmlos sind. Ich werde in den nächsten Tagen mal versuchen, ein bisschen mit dem "SDK" von mympx.org herumzuspielen.
Martin Schröer schrieb: > Auch die Boot.exe ist mir aufgefallen, ... > Wenn es ... Teil der Dummy-Firmware [ist]. Du glaubst doch nicht, dass das Vivaz eine Windows-EXE ausführen kann?!
Wenn ich meinen eigenen Text noch immer richtig zu deuten vermag, habe ich an keiner Stelle geschrieben, dass die Firmware diese .exe ausführt, noch dass ich selbiges annehme. Tatsache ist aber, dass sich diese Datei aber eben nicht auf der "Medienpartition" des Geräts befindet, sondern auf der versteckten Partition, welche die Firmware enthält, aber erst aktiviert werden muss, bevor sie vom Host eingelesen wird - ein unüblicher Ort für die Unterbringung einer irgendwie gearteten möglichen Schadware. Dem gegenüber ist mir jedoch die hohe Toleranz aktueller Virenscanner gegenüber false positives nur zu bekannt - ein Virenscanner, der "was taugen soll", muss ja schliesslich auch was entdecken können. Dumm nur, dass so mancher Hardwaretreiber - ganz ohne böse Absicht - dem einen oder anderen dieser Scanner einen heuristischen Schock beschert. Verunsichern lassen würde ich mich im Falle dieser Datei auf dem hier diskutierten Gerät nicht. Wer Autostart ohne Nachfrage zulässt, nutzt entweder eine VM mit aktuellem Snapshot oder ist selber schuld.
Martin Schröer schrieb: > Wenn ich meinen eigenen Text noch immer richtig zu deuten vermag, habe > ich an keiner Stelle geschrieben, dass die Firmware diese .exe ausführt, > noch dass ich selbiges annehme. Sorry, aber ich hätte das aufgrund folgendem Satz auch so herausgelesen, wie Alexander: Martin Schröer schrieb: > Wenn es keine Autorun Datei ist, sondern Teil der Dummy-Firmware, dann > sind die Virus-Warnungen wohl zu ignorieren, da natürlich Firmwares und > Treiber naturgemäss Operationen durchführen [direktes Schreiben auf > diverse Register], welche denen von Schadware zwar sehr ähneln, aber > dennoch harmlos sind. Firmware ist eigentlich immer etwas, was auf dem Gerät ausgeführt wird... Abgesehen davon: Ich habe drei Vivaz Pro Dummies und bei keinem gibt es eine boot.exe. Weder im geschützten Firmware-Laufwerk, noch im "öffentlichen" Laufwerk. Die Datei gehört also nicht zum Dummy. Bei meinen Vivaz Pro hat die Video-Datei KannaActiveDisplay_German_Xvid_100407.avi nur eine Auflösung von 400x240 Pixel, nicht, wie beim Vivaz (ohne Pro), 600x360 Pixel. Auch mit dem ImageSearcher-Tool sieht man, dass die vorhandenen Bilder nur 400x240 Pixel haben. Wenn die Display-Auflösung mit der von den Bildern und vom Video übereinstimmt, dann wäre der Vivaz Pro Dummy zumindest von der Display-Ausstattung her schlechter, als der ohne Pro.
Hallo Helge. Ja, ich gebe zu, vielleicht war die Wortwahl meines früheren Beitrags schlecht gewählt - ich dachte dabei an solche USB Devices wie beispielsweise die AVM WLAN Sticks, die bringen nämlich auf einer einfachen "Massenspeicher" Partition den für den Betrieb notwendigen Treiber mit. Werden sie also an einen Rechner ohne Treiber angeschlossen, kann dieser nur diese Partition öffnen - installiert aber dank autorun.inf direkt den Treiber vom Device selbst nach. Könnte mir vorstellen, dass es bei den Attrappen ähnlich ist. Diese mutmassliche Funktionalität sowie der Umstand, dass die entsprechenden Dateien auf der zunächst nicht sichtbaren Partition liegen, führte mich zu der schlechten Formulierung. --- Nun aber zurück zum Thema: Ich habe das Gerät gerade noch einmal angeschlossen, da ich stutzig wurde, von Dir zu hören, dass es auf Deinen Geräten keine solche Datei geben soll. Hast Du denn auch die Optionen gesetzt, "Systemdateien" und versteckte Dateien im Explorer [ich gehe davon aus, dass Du Win benutzt] anzuzeigen ? Auch die Angabe bezüglich der Auflösung des Demovideos habe ich noch einmal überprüft - Du hast Recht, dass mitgelieferte Video hat eine Auflösung von "nur" 400x240 Pixeln. Wird das 600x360'er Video auf dem anderen Gerät denn auch mit der vollen Auflösung angezeigt, oder ggf. für die Anzeige gestaucht ?
Kleiner Nachtrag noch: Videos auf dem Gerät müssen entgegen dem Beipackzettel und anderen Quellen [zumindest bei dem "Pro" Gerät] nicht genauso heissen wie die mitgelieferte Datei - ferner spielt es alle im Verzeichnis befindlichen Videos der Reihe nach ab.
Hallo Martin! Ich habe grundsätzlich immer folgende Einstellungen im Datei-Explorer vom Windows: [ ] Erweiterungen bei bekannten Dateitypen ausblenden [ ] Geschützte Systemdateien ausblenden (empfohlen) [X] Inhalte von Systemordnern anzeigen Versteckte Dateien und Ordner [X] Alle Dateien und Ordner anzeigen Ich will schließlich wissen, was auf meinem Rechner passiert. ;) Angehängt mal eine Datei, die an der Eingabeaufforderung mit "dir /b /s | sort" erzeugt wurde. Kannst ja mal vergleichen, ob es bei Dir noch mehr Dateien gibt, die ich nicht mit drauf habe. Ein "dir /b /s /a:h" und ein "dir /b /s /a:s" meldete nur "Datei nicht gefunden", was bedeutet, dass keine versteckten oder Systemdateien auf meinem Vivaz Pro sind. Noch eine interessante Feststellung. Ich betreibe mein Bastel-Vivaz-Pro inzwischen ohne Gehäuse. Macht sich einfacher, wenn man mal was Messen will. Das Vivaz geht ja auch ohne Akku, einfach am USB angesteckt. Allerdings zeigt sich dann immer nur das "öffentliche" Laufwerk, obwohl die Freischalt-Datei aufgespielt ist. Erst wenn ich den Akku dranhalte und das Gerät mit angehaltenem Akku an den PC stöpsel, dann zeigt sich auch das geschützte Laufwerk. Wenn das Laufwerk zu sehe ist, kann ich den Akku auch wieder abnehmen, das Laufwerk bleibt dann aktiv.
Hmm ... das ist in der Tat interessant. Bei welchem Anbieter hattest Du denn Dein Gerät erworben ? Ich hatte es von dem Anbieter, der mir ein wenig seltsam vorkam [s.o.] Habe mir auch noch einmal das Dateisystem genauer angesehen - mit Ausnahme der beiden genannten Dateien ist es mit Deiner Ausgabe identisch.
Nochmal zum Display. Wenn man das Display vom Pro-Dummy mit dem hier http://stellatech.com/article.php?id=204050 als Ersatzteil angebotenen vergleicht, dann sieht man, dass das irgendwie doch ein anderes Display ist. Beim (ohne Pro)-Dummy hingegen sieht der Anschluss ziemlich genau so aus, wie beim Ersatzteil.
Mir ist eben noch etwas aufgefallen. Wird das Gerät eingeschaltet, fiepst es, leise und recht hochfrequent. Schalte ich es ab, dann "schnattert" es. Erst wenn ich den Akku entferne, hört das Schnattern auf - fängt aber auch wieder an, wenn ich den Akku wieder einsetze und kurz warte. Jemand eine Ahnung, wie das zustande kommen kann ? Schlechter Akku kurz vorm Infarkt ?
Helge, das ist sehr seltsam. Dort habe ich mein Gerät auch gekauft. Und an der eigentlichen Firmware, bzw. dem entsprechenden Verzeichnis hatte ich noch nichts geändert. Dennoch sind dort autorun.inf und die schlimme boot.exe vorhanden.
Ich hab zu Hause und in der Firma unterschiedliche Virenscanner laufen. Bei Beiden bekomme ich vor dem Löschen/Säubern/in Quarantäne Schieben immer eine Warnung. Ich habe einen Dummy in der Firma freigeschaltet, die anderen beiden später zu Hause. Ich habe bei keinem eine Warnung erhalten, nachdem ich die nach dem Freischalten an die PCs gesteckt habe. Ich würde also ausschließen, das einer der Virenscanner einfach mal so die Geräte gereinigt hat. Steht auch nichts im Log. Ohne jetzt schlaumeiern zu wollen, hast Du mal daran gedacht, dass die boot.exe evtl. erst bei Dir auf das Vivaz gespielt wurde? Nicht, dass Dein Rechner verseucht ist...
Hallo Helge. Die Warnung bekam ich auch - beim ersten "Freischalten" der zusätzlichen Partitionen. Dass ich die Dateien selbst auf das Vivaz eingeschleppt haben könnte, halte ich eher für unwahrscheinlich - wieso gerade auf diese Partition ? Ausserdem schrieb doch bereits "Rannseyer" weiter oben von der boot.exe. Hattest Du oder jemand anderes denn bereits Erfolg bei der Firmware [diesmal die "echte" :) ] des Vivaz ? Ich hatte mich da bisher nur durch die entsprechenden Foren [insb. mympx.org] und das wilde Netz gewühlt, konnte aber noch nichts wirklich aussagekräftiges zu Tage fördern.
Martin Schröer schrieb: > Ausserdem schrieb doch bereits "Rannseyer" weiter oben von der boot.exe. Stimmt, hatte ich verdrängt ;) Was die Firmware selbst angeht, habe ich etwas Bedenken. Man findet im Netz zwar Tools, um Firmware für den Rockchip zu schreiben und zu kompilieren, allerdings solle man da schon vorher genau wissen, was für Hardware in der Kiste steckt. Man kann z.B. am Dummy keinen Touchscreen oder irgendwelche Tasten ansprechen. Sind ja keine dran... Ich hab nur bisher mal die Startgrafiken geändert und das Video ersetzt. Dabei konnte man ja nichts kaputt machen. Sound würde mich noch interessieren. Dazu muss ich aber erstmal an den entsprechenden Pins am Rockchip messen, ob da irgendwas rauskommt. Die schönen Pads, wie beim Dummy ohne Pro gibt es ja am Pro nicht. Ich vermute aber, der passende Treiber für Audio-Ausgabe ist gar nicht in der Firmware enthalten und Audio in den Video-Dateien wird einfach ignoriert... gruß, Helge
Hi! Mein Viviaz Pro ist heute angekommen :) Jetzt meine Frage da ich einen Linux Rechner habe laufen die Windows Sachen nicht gibt es eine Linux Lösung außer Wine? cya The_Ride
Hi, eine kurze Info: Ich habe mir vor ca. 1 Jahr (oder länger) mal ein Dummy von einem LG KM900 besorgt. Dort lief auch ein Video und ich konnte per USB auch ein neues Video aufspielen. Das Board sah fast identisch aus. Aber jetzt zum wesentlichen: Die beiden Kontakte müsst ihr vor dem Einschalten kurzschliessen. Ihr erhaltet dann Zugang zum Flashen der Platine per USB. Ich hatte auch im Netz die entsprechende Software gefunden und auch das Board geflasht. Das Board hat nach dem flaschen zwar noch reagiert, aber das Bild war weg. Ich schau mal ob ich das Board wiederfinde, dann schicke ich ein Bild. Und Tschüsss.....
Peter Hartmann schrieb: > Jetzt meine Frage da ich einen Linux Rechner habe laufen die Windows > Sachen nicht gibt es eine Linux Lösung außer Wine? Welche Sachen meinst Du denn? Wenn Du nur auf die Laufwerke willst, dann gibt in einem der weiter oben angegeben Foren-Links eine Anleitung dafür, wie das mit Linux geht. Wenn Du an der Software oder den Bildern rumbasteln willst, dann wirst Du um Wine nicht herumkommen. Gruß, Helge
Hi! Was ein scheiß ich sitze seit 21:00 dran und habe habe folgende dateien ausprobiert RKLDSET.FLW rkusb.tag, frk.tag, telecast.tag, telecast.sys alle klappen nicht liegt das am Linux oder so? cya The_Ride
Am Vivaz Pro ist es die RKLDSET.FLW. An Linux selbst wird es sicher nicht liegen, denn in dem anderen Forum haben ja schon einige Leute ihre Firmware auch unter Linux geändert. z.B., hier: http://mympx.org/forum/mods-themes/41908-firmware-extraction-new-rockchip-rk27xx-series-players-2.html
Hi! So nach dem ich "Frustriert" ins Bett gegangen bin und heute morgen das Vivaz Pro angeschloßen habe war erst mal wieder nichts :/ dann hab ich es ausgeschaltet und plötzlich ohne ersichtlichen grund öffneten sich 2 Psrtitionen die für die Filme und eine mit einer Boot.exe drin. nur habe ich danach es nicht mehr geschaft es noch mal zu öffnen jetzt kommt die Fehlermeldung (siehe Bild) cya The_Ride
Hi! Jetzt bin ich soweit (Siehe Bild) mal sehn wie weit ich jetzt komme :) Danke noch mal das ihr mir geholfen habt :) es soll ja 3 Partitionen geben bis jetzt habe ich 2 cya The_Ride
Hi Peter, das Pro hat nur zwei Laufwerke! Das ohne Pro hat drei. Steht weiter oben auch so im Thread. Nicht, daß Du Dir wieder die Nacht um die Ohren schlägst, bei der Suche nach etwas, das es nicht gibt... Gruß, Helge
Hi! Ahh Danke ;) hätte ich fast gemacht suche nämlich schon aber das brauche ich ja jetzt nicht mehr ;) cya The_Ride Peter
Ich habe heute das Vivaz pro active display dummy bekommen und direkt ein Foto gemacht. Die Platine ist orginal, nur den Q.C. Sticker auf dem Rockchip controller habe ich entfernt.
Hi! Hab da noch eine oder zwei Fragen ;) 1. Läuft auf dem Vivaz ein Windows ? if 1 = ja Then "dann müßte man doch auch ein Linux drauf bekommen oder irre ich mich da ?" cya The_Ride
Hi! @ Anon Ymous Schönes Foto! Kannst Du von der Rückseite auch eins machen? Oder gibts da nichts zu sehen? VG Jochen
Hi Peter! Nein, es läuft natürlich kein Windows (auch kein embedded Windows), sondern irgendwas speziell an den Zweck Angepasstes. Aber ja, man könnte ein Linux darauf portieren. Der Prozessor ist irgendwie ARM kompatibel. In irgendeinem englischsprachigen Forum hatte mal jemand ein Linux auf einen MP3-Player portiert, der auf einem Rockchip (aber nicht dem RK2705 vom Vivaz Pro) und bissel Peripherie bestand. Im Moment erkenne ich den Sinn eines richtigen Betriebssystems auf dem Dummy jedoch noch nicht. Touchscreen- hat das Ding nicht, Tasten zur Steuerung auch nicht (abgesehen vom Ein-/Aus-Schalter). Das Ding wäre also immer ein Client an einem PC. Evtl. als Zusatzdisplay... Gruß, Helge
Auf der Rückseite gibt es nichts zu sehen. Hat schon jemand Rx und Tx gefunden? Hat jemand einen link auf das Datenblatt inkl. pinout?
Hi! Auch wenn es sich jetzt doof anhört, wollte ich dann den Mplayer, http://www.mplayerhq.hu/design7/news.html , drauf machen, er spielt wesentlich mehrere Videocodes ab als der jetzige Player ;) War aber nur so eine Idee von mir :) oder evtl. Bilder im 30 sek. Takt anzeigen lassen .... cya The_Ride Edit: hi Anon Ymous (avion23) hilft dir das weiter ? http://www.mikrocontroller.net/attachment/106054/RK2705_Pin_Description.pdf cya The_Ride
Anon Ymous schrieb: > Hat schon jemand Rx und Tx gefunden? Hat jemand einen link auf das > Datenblatt inkl. pinout? Wie wäre es, wenn Du einfach das Pinout hier aus dem Thread nimmst (Beitrag "Re: Handydummy (Attrappe)mit richtigem Display - Sony Ericsson Vivaz") oder den diversen Links folgst (z.B. hier: Beitrag "Re: Handydummy (Attrappe)mit richtigem Display - Sony Ericsson Vivaz")? Peter Hartmann schrieb: > Auch wenn es sich jetzt doof anhört, wollte ich dann den Mplayer, > http://www.mplayerhq.hu/design7/news.html , drauf machen, > er spielt wesentlich mehrere Videocodes ab als der jetzige Player ;) Nutzt doch aber auch nur wirklich was, wenn das Ding dann mal Audio ausgeben kann und wenigstens Start-/Stopp-/Vor-/Zurück-Tasten hat. Bilder könnte man zur Not auch in ein Video packen... ;)
Pinout habe ich. Nur keine Vias oder Lötpunkte. Ich habe jetzt direkt an den Chip gelötet. Mit den üblichen Baudraten, d.h. 115k, 56k, kommt beim Start nur Blödsinn an. Ich überprüfe das später noch einmal. Wahrscheinlich hängt das LCD an den Pins.
Was sagt der Oszi dazu? Serielle Daten sollte man von Bildinformationen eigentlich einfach unterscheiden können. Schon mal an UART1 versucht, zu lauschen? Der Chip soll ja zwei UARTs haben und der zweite UART nur senden können. Im Pinout fehlt blöderweise die Info, wo UART11 ist ;) Fraglich ist, ob überhaupt was gesendet wird... Such mal bei Google nach "rk2705 brief datasheet"! Schon der erste hit bringt irgendwas mit "porsche 9 databook". Schau Dir das mal an. Ich bin im Moment mobil unterwegs , schreibe auf dem Handy und kann das Dokument hier nicht direkt anhängen....
Helge Tefs schrieb: > Was sagt der Oszi dazu? Serielle Daten sollte man von Bildinformationen > eigentlich einfach unterscheiden können. Das habe ich gestern auch probiert. Dieses mal mit angeschlossenem Display. Beim Start kommt ein kurzer Dipp nach unten, das war es. Mein usb-seriell-Adapter behauptet ebenfalls, dass da nichts gesendet wird. Als nächtes will ich verifizieren, ob die Leitung togglet, wenn kein Display angeschlossen ist, und ob man nicht doch etwas auf UART1 sieht. Nur habe ich jetzt keine Zeit :( Danke für die Infos, das PDF habe ich gefunden unter http://szxizhuo.com/UploadFiles/2009-3/Products/20093218105248185.pdf
Arkadius D. schrieb: > Jupp, oder hier nochmal: Datei aus dem Anhang ins root des Laufwerks > kopieren und dann Akku raus und wieder rein! da passiert bei mir rein garnichts :-O
uwe schrieb: > Arkadius D. schrieb: >> Jupp, oder hier nochmal: Datei aus dem Anhang ins root des Laufwerks >> kopieren und dann Akku raus und wieder rein! > > da passiert bei mir rein garnichts :-O Welches Vivaz-Dummy? Pro oder nicht Pro? Beim Pro heißt die Datei anders (siehe oben). Ausserdem das Gerät mit eingelegtem Akku, im ausgeschalteten Zustand anstecken...
Hallo, kann mir jemand nochmal die Vorgehensweise schildern, wie ich das versteckte Laufwerk des Vivaz Pro Dummy freischalte? Ich habe diese Datei verwendet, die ich in einem Forum über google gefunden habe. Leider hat es nicht geklappt. Versucht habe ich: - Handy mit Akku an USB - Video gelöscht - RKLDSET.FLW Freischaltfile auf das einzige Laufwerk kopiert - Akku raus - USB ab - Akku rein - USB ran Powerknopf nie gedrückt. -> wieder nur ein Laufwerk sichtbar (mit der Freischaltfile drauf) Habt ihr vielleicht eine andere File? Woher? :)
Die Datei selbst ist unerheblich, tatsächlich interessiert nur der Dateiname, die Datei selbst kann - wie in meinem Falle wunderbar funktioniert - völlig leer sein. Ich habe auf meinem Gerät einfach eine neue leere Datei RKLDSET.FLW angelegt. Diese benenne ich dann auch einfach in RKLDSET-off.FLW um, wenn ich das Gerät wieder im "Auslieferungszustand" haben will.
Hm, schade. Habe eine leere Datei namens RKLDSET.FLW angelegt. Funktioniert damit leider auch nicht. Ich habe es mit zwei verschiednen Pro Dummies versucht.
Nicht so schnell aufgeben ! ;) Hast Du dabei darauf geachtet, dass [ ich nehme an, dass Du Windows benutzt ] Du vor dem Ausstecken des Dummies das USB Gerät am PC "sicher entfernst" ? Ich erinnere mich, dass meines auch zunächst ein bisschen gezickt hat - ich habe dann das Gerät mit dem kleinen Schalter aus- und wieder eingeschaltet, ggf. auch mal den Akku entfernt. Dann ging es mit einem Mal, jetzt - dank der o.g. Datei - auch direkt und problemlos.
Ah ja. Nun hat es bei mir auch geklappt. Der Trick war evtl., dass man, nach dem Anlegen der Datei, den Dummy vom USB trennt, Akku raus, Akku rein, Gerät mit Taster anmachen, mit Taster ausmachen, USB wieder ran. Nun habe ich ein Laufwerk mehr mit den Systemdateien drauf.
Helge Tefs schrieb: > Die schönen Pads, wie beim Dummy ohne Pro gibt es ja am Pro nicht. Ich > vermute aber, der passende Treiber für Audio-Ausgabe ist gar nicht in > der Firmware enthalten und Audio in den Video-Dateien wird einfach > ignoriert... Also beim Pro funzt mit der Original-Firmware (und entsprechendem Video) der Ton, allerdings muss man direkt an den IC löten :-)
Moin! Sagt mal, es hat hier nicht zufällig jemand ne Ahnung, was für ein Steckverbinder da am Display vom Vivaz-Dummy ist? Habe mir schon bei Digikey die Finger wundgesucht, finde aber nur ähnliche, keine identischen Verbinder. :-(
Hansi schrieb: > Sagt mal, es hat hier nicht zufällig jemand ne Ahnung, was für ein > Steckverbinder da am Display vom Vivaz-Dummy ist? Der genaue Typ steht im Datenblatt. Nur rückt nicht mal der Hersteller des Steckers mit weiteren Infos auf seiner Webseite raus. Ich werde an der anderen Seite des Kabels ansetzen: Da hat der Xoom-Dummy einen Standard Flexleiter. Die Stecker dazu gibt es reichlich.
Der Steckverbinder lässt sich anhand des Schaltplanauszuges hier Beitrag "Re: Handydummy (Attrappe)mit richtigem Display - Sony Ericsson Vivaz" identifizieren. Die Typenbezeichnung lautet AXE534124. Hersteller ist Panasonic, kaufen kann man diesen Steckverbinder bei Digikey. Anbei das bei Digikey verlinkte Datenblatt des Steckverbinders. http://parts.digikey.com/1/parts/1681181-conn-socket-4mm-34-pos-smd-axe534124.html
Florian V. schrieb: > Der genaue Typ steht im Datenblatt. Nur rückt nicht mal der Hersteller > des Steckers mit weiteren Infos auf seiner Webseite raus. Ich werde an > der anderen Seite des Kabels ansetzen: Da hat der Xoom-Dummy einen > Standard Flexleiter. Die Stecker dazu gibt es reichlich. Uups, ganz falscher Thread. Kommt davon, wenn man gedanklich schon im Bett ist...
Hallo, hat schon jemand Audio angeschlossen? ... Michael K. evtl. Also ich hab mir einen Pro Dummy geholt bzw. bekommen. Soweit geht alles, Laufwerk freigeschaltet und x beliebiges Video (MPEG 320x160) drauf geladen geht wunderbar. Nun habe ich den Audio PIN angezapft ( Pin 64 CODEC_AOHPR AO R-channel headphone output ) und na ja der Offset ist ziemlich hoch bei 1,5V aber die Amplitude SpitzeSpitze ist nur schlappe 0,15V. Soweit so gut also ran an den Verstärker ... klingt aber nicht so gut da ist so ein komisches pfeifen rattern, hört sich an wie der Prozessor beim arbeiten. Gruß Sven
Hallo, hat den keiner eine Idee, wie man das mit dem Sound besser machen kann?? MM der Thread ist wohl eingeschlafen. Gruß Sven
@Sven S. Vieleicht hilft folgende kleine Verstärkerschaltung mit Tiefpass: http://www.mikrocontroller.net/articles/Klangerzeugung Der 20 Ohm mit dem 4,7µF bilden den Tiefpass, der filtert das Gefiepe etwas weg. Hab mir auch ein Vivaz Dummy bestellt. Wenns da ist werd ich es dann jedenfalls mal mit dieser Schaltug probieren.
@byteman So ich hab nach den Weihnachtsfestivitäten mal am Dummy weiter gemacht. Ich habe auch den Tiefpass eingebaut wobei die vorgeschlagenen 1,7kHz Trennfrequenz ( 20 Ohm und 4,7µF ) ein bisschen niedrig sind, es hört sich einfach zu dumpf an. Ich habe das ganze mit 100 Ohm und 0,47µF aufgebaut ( ca. 4 kHz ), dahinter normaler Hifi Verstärker mit Line Eingang. Man hört das Pfeifen immer noch ist aber merklich geringer. Bei 1,7 Khz hört man das Pfeifen auch noch aber eben alles dumpfer. Ich denk das man an dem Ausgangs Signal nicht mehr viel sinnvoll rumfiltern kann. Meine Idee wäre, da dass Teil ja nicht für Audio-Ausgang ausgelegt ist, das die Versorgung des DA Wandlers nicht mit Spule und Kondensator vor den Störeinflüssen des Prozessors Geschütz ist. Was ich herausfinde konnte ist das die Pins: 63 CODEC_VDDAO Power supply for amplifiers 3.3V 60 CODEC_VDDA Power supply for CODEC 3.3V 51 VDDIO IO POWER SUPPLY 3.3V alle Verbunden sind, ob da jetzt C´s oder L´s sind weiß ich mangels Schaltplan nicht. Hat Jemand schon das Layout analysiert ? Gruß Sven
Mein Vivaz Pro Dummy ist jetzt auch da. Die Firmware hab ich dann beim herumprobieren auch gleich geschrottet und es ging nicht mehr an grrrrr. Im Windows Explorer wurde auch nur noch das 'öffentliche' Laufwerk angezeigt. Nach langer suche hab ich dann folgenden tollen Tip gefunden: http://mympxplayer.org/viewtopic.php?p=56163#56163 Zitat:
1 | here is a small tip |
2 | |
3 | now the player is back and running and you have the drivers installed |
4 | |
5 | 1. make a backup?? |
6 | |
7 | 2 in the restore kit folder is a small file called "setup.rkw", copy |
8 | this to the root of the player and leave it there |
9 | |
10 | now, when, and yes, when, your player dies again, as my chap player does |
11 | every few days all you need to do is plug the player in and windows will |
12 | automatically see the hidden partition, just format it and copy over your |
13 | saved files |
14 | |
15 | this works for me, now when the player dies i do not need to run and |
16 | tools, just plug in, format and copy .. 2 mins Smile |
Die 'setup.rkw' Datei ist im 'RK Restore Kit' - im Link oben auf 'RK27DM Repair tool for Rockchip 2706' klicken. Zum Glück hatte ich vorher ein Backup des Systemlaufwerks gemacht was ich durch den Trick wieder zurückspielen konnte. Beim ersten Starten muss der Taster dann 3sek. gedrückt werden. Jetzt läuft das Vivaz Pro wieder und ich kann den Audioausgang dranbauen.
Hallo zusammen, habe mein "Vivaz pro" gestern auch erhalten und erstmal ebenfalls Probleme gehabt das zweite LW zu finden. Ich mal rumgespielt, wann reproduzierbar zwei Laufwerke kommen sollten: (Ausgangssituation: Habe alle *.tag, *.sys und *.flw aus den vorangegangenen Beiträgen einfach mal auf das erste Laufwerk kopiert) -Akku ist drin, Vivaz ist aus; USB anstecken, Vivaz zeigt ein "Verbindungsbild" und ein Laufwerk ist verfügbar; Ausschaltknopf halten und USB abziehen und ca. nach 1sec wieder einstecken dann Knopf loslassen dann sind zwei Laufwerke sichtbar dabei bleibt das Vivaz-Display dunkel; Nach nochmaligem Abziehen des USB geht das Vivaz plötzlich an und spielt das Video; Nach Ausschalten über Ausschaltknopf und Knopf loslassen und kurzem Warten kann von vorne begonnen werden. Das Gerät ist auch aus der E-Bucht und war nach 4 Tagen da. Hab volle Punkte gegeben, da es sogar noch sauberst eingepackt war. Als das zweite LW erstmals verfügbar war wurde von Avast gleich die Autostart.ini in die Quarantäne gesteckt und die dort ebenfalls befindliche boot.exe als Trojan gemeldet. Scheinbar wurden manche Geräte irgendwo mit dieser Datei "ausgestattet". Die Verpackung war aber Augenscheinlich unberührt und der Tesafilm hätte ja norwalerweise die Folientüte des Gerätes beim Öffnen und manipulieren etwas gedehnt, so dass es mir eigentlich aufgefallen wäre...Da war aber nichts. Seltsam jedenfalls. Viele Grüße, HP
Hallo zusammen, wofür ist eigentlich der Kontakt unterhalb der (Enter)Eingabefolientaste? Es ist der einzige Kontakt der hinter der Folientastatur, der belegt zu sein scheint. Allerdings lackiert. Hab ihn mal freigekratzt und das Gerät wieder zusammengebaut. Beim Abspielen passiert nichts nach dem drücken... Mal sehen. Gibt es hinter den drei Tsten unterhalb des Displays ggf auch Kontakte? Viele Grüße, HP
Hi! Preissturz beim Vivaz Pro Active Dummy ;) nur noch 3,50 € http://www.phf-shop.com/product_info.php/info/p22314_Sony-Ericsson-U8i-Vivaz-Pro-Dummy--active-LCD---wei---neu.html fals es jemanden interessieren sollte. cya The_Ride Peter
*Sammelbestellung:* Ich werde am 26.7. dort Bestellen. Der Versand dort ist 5€ und wird durch alle geteilt. Ich werde die Teile als Warensendung Maxi für 2€ auf Risiko des Empfängers weiter schicken. Wer mitmachen will, schickt mir eine Nachricht mit der Menge und seiner Adresse. Als Antwort werde ich meine Kontodaten und meine Adresse versenden. Das Geld sollte dann bis zum Donnerstag auf meinem Konto sein, damit ihr berücksichtigt werdet. http://www.phf-shop.com/product_info.php/products_id/22314 > Lieferumfang > - Sony Ericsson u8i Vivaz Pro Dummy, neu > - Akku > - Datenkabel > - Ladekabel Laut dem Eingangspost ist der Akku passend zum Original und müsste somit ein EP500 sein und zum Vivaz (pro), Xperia active, Xperia mini (pro), XPERIA X8 passen. Ohne Gewähr.
So, Leute, ich hab mir mal so ein Teil etwas näher angesehen. erstens: meine vage Hoffnung, daß wenigstens eine der Tasten auf dem Frontteil vielleicht doch elektrisch hinterlegt sein könnte, ist dahin. Das 39 polige Folienkabel, das auf den Steckverbinder der Leiterplatte geht, ist direkt der Anschluß des Displays. Es gibt keinerlei sonstige elektrische Teile im Vorderteil. zweitens: Die postings weiter oben in diesem Thread zum Steckverbinder für das Display sind falsch. Sie gelten vermutlich nur für die Original-Displays, aber nicht für das im Dummy verbaute Teil. Wenn also jemand irgendwas separat mit diesem Display anfangen will (wie ich z.B.), dann bleibt nix weiter übrig, als den Steckverbinder von der LP vorsichtig abzulöten - falls das überhaupt geht. Gesehen hab ich diesen Steck noch nie in irgendeinem Katalog. drittens: Zum Altivieren des Systempartition hat es bei mir erst dann geklappt, als ich den TotalCommander geschlossen und den Windows-Explorer aufgemacht hab. Dann ein paarmal den USB-Stecker raus und rein ohne abmelden etc. bis der Explorer 2 zusätzliche LW angezeigt hat. Anbei der Directory-Auszug von meinem Exemplar. Vielleicht kann einer von den MP3-Player-Leuten da mal drauf schauen. W.S.
Also tatsache für 3.50€. Hab meine gerade bekommen Eientlicher grund der bestellung waren die Akkus & 5v Nezteile... Da ich aber von naturaus etwas neugirig bin Habt ihr dem teil mal einen Ton endlocken können ? oder fehlt die soundausgabe im Prozessor ? und Was für Video codeks und Formate frisst der? Idee währe so ein teil ohne gehäuse in eine Grusskarte zu kleben Mfg
Das die vermutung im Raum steht das das display mit Controller ist lässt mir ja irgendwie doch keine Ruhe. Ich werde mal versuchen mitm Logic die signale aufzuzeichnen. Mit etwas Glück wissen wir dann mehr. Nur zu blöd das ich gerade an Heuschnupfen leide und nach jedem drat ein Taschentuch brauche....
Wie gross is die Warscheinlichkeit das der stecker auf der rechten seite nur dort angeschlossen ist wo man durchkontaktirungen siht?
Sven schrieb: > Wie gross is die Warscheinlichkeit Äußerst gering, selbst auf Deinem Bild ist zu sehen, daß von der Kurzseite des Steckers her Leiterbahnen unter den Stecker geführt werden.
Schitt sie hab ich glatt übersehen :)
So Kontakte anlöten Fertig und das teil geht sogar noch :) Zwischenzeitlich hab ich mal versucht mit Heißluft so einen Sockel abzulöten, aber der hat sich leider verzogen und is vermutlich unbrauchbar. Erstes Ergebnis die Led Hintergrundbeleuchtung läuft mit 18,5v Logic prüfen dauert noch ein bischen weil mein Windows dadrauf gerade keine lust hat.
kennt jemand ein Programm mit dem man Bilder in Abspielbare Videos mit voller Auflösung 400x240 wandeln kann ? Musste gerade einen Teil meines Versuchsaufbaus wiederherstellen da mein Karter drüber gestolpert ist Display läuft mit 3,3v Ich habe eben mal den Oscilator vom Rockchip abgelötet und das bild blieb unverändert Stehen würd sagen erster Hinweis auf ein Controller im Display
FF MPEG kann Videos passend codieren / umwandeln. Doku für ähnlichen Zweck: http://yvio.neuby.de/index.php/YourVideoCard#Videoformat Parameter für FFMPEG sind dann: -f avi -r 29.97 -vcodec libxvid -vtag XVID -s 320x240 -aspect 4:3 -maxrate 1800kb -b 1500k -acodec libmp3lame -ar 48000 -ab 128k -ac 2
Windoows Wiederbelebt Ergebnis das display Hat aufjedenfall einen Controler Morgen werd ich mich mal an die Steuerbefehle machen hoffentlich klappt das Grundtackt Etwar 5,5 Mhz Rgb scheinbar 16Bit daten
Hi Sven, sehr interessante Unternehmung, die Du da am Start hast! Das Display ansich finde ich zum gegebenen Preis auch sehr interessant, ich werde mir wohl auch mal ein paar Geräte zulegen um mal zu schauen was sich machen lässt. Kann ich Dich vielleicht irgendwie unterstützen bzw. hast Du Interesse an einer Zusammenarbeit? ...wobei ich keinen direkten Plan habe wie genau man sich da ergänzen könnte?! Wenn sich das Display knacken lässt, würde ich definitiv eine kleine Platine mit einem AVR zur Ansteuerung designen, dass man es über diverse Schnittstellen an einen anderen Controller anbinden kann. 'ne Idee? Noch eine Frage: Wie groß ist das nackte Display ansich? Grüße Sascha
Meinst du die sichtbare Diagonale des Displays ? Oder Die Abmessungen mit Rahmen usw. ? Ich hab hier nen auseinandergebauten Dummy liegen, kannn das mit nem Lineal messen, wenn du das brauchst.
Hi Daniel, danke für Dein Angebot! Interessieren würde mich Länge und Breite vom Anzeigebereich selbst sowie die Außenabmessungen des ausgebauten Displays, ich habe mal in Svens Bild die relevanten Abstände eingezeichnet. Die Messungen müssen auch nicht auf den letzten zehntel Millimeter genau sein - geht eher darum abzuschätzen ob/wie ich diese Display einsetzen kann. Grüße Sascha
Ich wollte gestern die Abmessungen noch in meinen Post reineditieren, aber das ging nicht, da der Beitrag älter als 15 Minuten war. Ich poste grad von der Arbeit aus, hab aber die Maße noch ungefähr in Erinnerung. Erstmal ein Foto zur Veranschaulichung: http://i.imgur.com/neLAm.jpg Das Display ist von der Perspektive des Fotos aus 80mm lang. Der linke Rand ist ca 7mm breit, der rechte Rand ca 2mm. An die Breite kann ich mich nicht genau erinnern, ich weiß nur noch das der obere und der untere Rand 1mm breit waren. Ich denke es waren 45mm, aber bin mir nicht sicher. Ich werde das heute Abend nochmal nachreichen. Ich mach das gerne, da ich ansonsten leider nichts zum Thema beitragen kann.
Hab noch mal nachgemessen, die Abmessungen stimmen so. Sind aber nicht 100% genau.
Sven schrieb: > Ergebnis das display Hat aufjedenfall einen Controler ... > Grundtackt Etwar 5,5 Mhz > Rgb scheinbar 16Bit daten Ich hab da leise Zweifel. Bei 400x240 kann man 192 k Byte an Bildspeicher veranschlagen und sowas direkt auf dem Display? Bei nem billigen Dummy? Wenn ja, wozu dann die 39 Leitungen? Ich hatte ja auch mal so gerechnet: 16 Bit Farbe, dazu Takt, DE, HSYN, VSYN macht 20 Leitungen, dazu Strom + Beleuchtung macht 24 Leitungen und die restlichen 15 wären dann für Tasten, Speaker usw. ist bloß eben nicht so. Ich denk mal, es ist erstmal viel wichtiger, ne Quelle für die Steckverbinder zu finden und dann erstmal ne Adapterplatte zu machen. W.S.
So lange ists schonwieder her Leider ist mir mein Dummy gestorben befor ich richtig messen konnte. Hab mit dem Abschirmblech vom Display wohl die 18v von der Beleuchtung in den Controller gejagt Habe jetzt erstmal ein Paar weitere Bestellt um mein vorhaben zuende zu bringen Wenn das Display aber keinen Controller Hätte müsste dann nicht irgendwo ein wesentlich schnellerer Takt als 5,5mhz anliegen? Ich habe Soweit wie ioch gekommen war Lediglich 3mal den takt welcher oben abgebildet ist gefunden. Zudem diverse RGB mit verschiedenen Helligkeiten. Geprüft über ein Video mit jeweils mehrere sekunden eine Farbe. und wenn man diese RGB leitungen auf + oder - legt wurde jeweils die farbe zum bild hinzu bzw weggenommen Warum So viele Anschlüsse Ist eine gute frage Mehrere schienen Unbenutzt andere wie die vom Licht sind mehrmals drinne
So heut sind meine neuen Dummys angekommen Woher man die Verbinder für das Display Bekommt habe ich noch immer nicht rausfinden können. Irgendwie Hoffnungslos. Ich werde mal versuchen mittels Cnc einen verbinder samt Leiterplatte sauber Auszufräsen und auf eine Neue Platine zu Löten. Zudem Habe ich gerade mal den 24 Mhz Quarz durch einen 1 Mhz ersetzt Bildaufbau Schön langsam und Standbild bis zur nächsten frame. Dadurch sollte es einfacher werden die Signale zu lesen.
So heute hatte ich mal wieder ein paar Minuten Zeit ein weiteres mal Messleitungen anzulöten. Pitch is übrings 0.61 Angehängt habe ich zwei Dateien vom Zeroplus Lab einmal auf 1Mhz und einmal auf 10Mhz gemessen Bild war in dem moment die Akku lade animation, habe bei 1 mhz das komplette Bild mitschneiden können. Leider habe ich nur einen 16 kanal logik port daher fehlen einige farb bits. Wie es gerad aussiht haben wir eine Taktleitung (auf masse gezogen bleibt das bild Stehen) und eine Reset leitung (Auf masse getipt verschiebt sich der restliche Bildinhalt bis zum Neustart des Videos) Ach so Für die Messungen habe ich den 24mhz Quarz durch 1 mhz ersetzt. Die tage werde ich das Signal mal nachbilden und dann mal sehen welche teile der aufgenommenen Signale wofür sind. Ach ja hat schon irgendwer eine idee zu dem Stecker?
Sven M... schrieb: > Pitch is übrings 0.61 0.61 was? mm? mil? inch? Ich würde sagen, Pitch ist 0,3mm. Damit passt auch die Buchse hier: http://www.molex.com/molex/products/datasheet.jsp?part=active/5022503991_FFC_FPC_CONNECTORS.xml bzw. Datenblatt: http://www.molex.com/pdm_docs/sd/5022503991_sd.pdf Ich hab ein anderes Display, an dem die 35-polige Variante (502250-3591) hängt, hier auf dem Tisch liegen. Wenn ich die beiden Folienleiter aneinander halte, passen die Kontaktflächen, nur dass an meinem Display halt 4 Kontakte weniger dran sind. Ich hab schon überlegt, beim Vivaz-Display links und rechts je zwei Kontakte abzuknipsen. Sind eh nicht belegt... Gruß, Helge
Der Trend geht eindeutig zum Zweitbildschirm ... Habe jetzt wieder alle leitungen am Dummy und auf dem Steckbrett ein Display mit Adapter. Zum prüfen ob am Display adapter alle Lötstellen passen habe ich erstmal beide angeschlossen. Morgen oder sobald wieder Zeit ist werde ich das Display erstmals extern mit Daten versorgen und dann mal sehen ob ich die Init's richtig abgeschrieben habe. Mich wundert einwenig das es nahezu keine resulnanz gibt. Habt ihr alle schon bessere & günstigere Displays ? Oder noch immer nicht davon überzeugt das das Ding nen Speicher drinne hat?
Ich bin noch nicht dazu gekommen mir ein paar Dummies zu bestellen, ist aber definitv noch in Planung. Zum Steckverbinder: Ich könnte anbieten den Steckverbinder von der Platine zu holen und auf eine selbstdesignte, prof. gefertigte, Adapterplatine (adaptiert auf 2.54mm-Pfostenleiste o.Ä., evtl. auch mit 18V-StepUp-Regler für die Beleuchtung, ...) zu setzen. Meine Lötkünste sind dafür jedenfalls ausreichend - ich bräuchte halt nur die Platinen um den Steckverbinder zu transplantieren. Wäre das für jemanden neben mir interessant? Sven? ...Du scheinst ja momentan als einziger aktiv an der Entschlüsselung der Signale zu arbeiten. Ganz allgemein ist es ja schonmal ein sehr gutes Zeichen, dass das Bild stehenbleibt wenn man den Takt abschaltet - also muss eine gewisse Intelligenz und entsprechender Speicher im Display selbst vorhanden sein. Zu den vielen Leitungen: Nebst der Tatsache, dass einige (wohl wegen der Stromtragfähigkeit) mit dem gleichen Signal belegt, kann es gut sein, dass in dieser Schaltung nicht angeschlossene Signale einer alternativen Ansteuerungsart gelten - gerade die neueren Display/Displaycontroller unterstützen ja gern mal mehrere Protokolle, oft zwar sind die selben Leitungen in der jeweiligen Betriebsart mit eben unterschiedlicher Funktion belegt, um Leitungen einzusparen, aber prinzipiell wären auch separate Leitungen denkbar. Allein von der Leitungsanzahl würde ich nicht zu viel versuchen abzuleiten.
Also mit Ablöten des verbinders von der Originalplatine hatte ich bislang kein glück. Habe es drei mal versucht Lötkolben, Heißluft, und Ofen Abbekommen habe ich ihn jedesmal fast heile nur hat er sich wegen der wärme insich verzogen so das ein wiederauflöten nichtmehr möglich war. Daher bin ich jetzt dazu übergegangen den Originalverbinder aus der original Platine auszufräsen und dann in eine gefräste tasche der neuen platine zu kleben. Nicht schön aber erstmal wohl das beste Bei Molex bestellen können wohl nur registriere Firmen ? zumindesest denke ich war ich da nicht erfolgreich So jetzt zu der anzahl Leitungen Viele sind wirklich mehrfach belegt oder einfach garnicht angeschlossen ich habe für meinen Aufbau nur alle angeschlossen um daraus endstehende Fehler zu verringern. Währ ja blöd wenn ich eine doch wichtige nicht angeschlossen habe und dann stundenlang nach fehlerhaften lötstellen an den zwei verbindern suche .Sind immerhin fast 80 nicht besonders große lötstellen :) Mittlerweile habe ich schon recht viele abgenommen und das zweit Display macht noch immer was es soll So und wir sollten ja auch einige behalten 16 Für Daten 2 bzw 4 fürs Licht 2 Gnd Vcc 3 Takt Reset Enable ?? ---- 25 Ich glaube Gnd vcc waren mindestens zwei mal drinne verbleiben also noch in etwar 12 unbekannte Nunja so zum Wochenende werd ich wohl fertig werden hoffe ich danach sollten wir wissen was wofür wirlkich ist und was unnötig ist Ach ja noch eins wenn ich den Takt Abtrenne und anfasse kann man wunderschön sehen wie sich das display mit Daten füllt und wenn es voll ist fängt es wieder neu an Also nach der Initialisierung braucht man erstmal nur Daten und Takt Wenn es dann noch einen Reset gibt währ das wirklich ein Verdammt nettes teil Mfg
Sven M... schrieb: > Bei Molex bestellen können wohl nur registriere Firmen ? > zumindesest denke ich war ich da nicht erfolgreich Mouser hat den auch http://de.mouser.com/ProductDetail/Molex/502250-3991/?qs=%2fha2pyFadujKUgHF5D%2f7rhZ4vQ0vOb4vIYNKJYlb9WHyDGq6djd%252bAg%3d%3d Digikey auch http://www.digikey.de/product-detail/de/502250-3991/WM2238-ND/1990118 Bei Element14 z.B. in Australien ist er gelistet: http://au.element14.com/molex/502250-3991/connector-0-3-fpc-e-o-b-f-ra-39ckt/dp/1757235 Bei Farnell in Deutschland selbst nicht :( Wenn es den da auch gäbe, hätte man als Privatperson ja über www.hbe-shop.de bestellen können. Bei Molex nach Muster angefragt hast Du sicherlich selbst schon, oder? Gruß, Helge
Also ich selber habe mich noch nahezu garnicht um den Verbinder gekümmert, weil ich erstmal mit "Hausmitteln" sicherstellen wollte das das Display auch verwendbar ist. Zudem kommt noch das ich davon definitiv absolut keine ahnung habe. Nun aber sehe ich das richtig das ein einziger Verbinder 4,77€ kostet ? Ich glaube dann werde ich weiter die Verbinder aus den dummys ausfräsen, zumindest solange bis irgendwo eine Sammelbestellung gestartet wird oder das interesse dafür da ist.
Jetzt habe ich denke ich alle Wichtigen signale welche für die Init sein könnten aufgenommen. Mit viel Glück schaffe ich es morgen endlich das Display vom Avr mit Daten zu versorgen. Neue Erkenntnisse: Es gibt mindestens 2 Modi, Bildaufbau Von oben nach unten oder von links nach rechts. Durch einen Wackelkontakt stand einmal auch ein verzerrtes Sony Logo verkehrt herum. Während des Akkuladebalken's werden die Daten Von oben nach unten getaktet während des Videos Von links nach Rechts. Aktuell initialisiert das Display mit nur 17 Datenleitungen (Incl Takt). Es ist aber sehr warscheinlich das einige Farbkanäle fehlen. Ich habe beim bereits Initialisierten display alle Datenleitungen abgetrennt und konnte problemlos über Takt und Farbkanäle farbige Pixel und linien erzeugen !! Mfg
So Wieder Neuigkeiten Das Display Verträgt keine 5V war gerad noch bei nem anderen Projekt und hab vergessen das Nezteil umzustellen. Nun aber jedes Sterben brint auch was positives. Endlich habe ich mal ein Display zerlegt und unter der Klebermasse den schriftzug H320qw01 gefunden Und sihe da Google gibt Informationen Z.b. Das dieses Display wohl in einigen HTC Modellen verbaut ist. Das Dieses Display ein klein wenig Hühnerfutter braucht, welches auf dem Flachband leiter verbaut ist und ein Datenblatt Angehängt Datenblatt und Hühnerfutter (absichtlich nicht in jpg gewandelt da man dann nichtmehr alles erkennt)
und noch ein nachtrag Datei vergessen.
Hallo Leute, habe den Beitrag interessiert verfolgt und mir auch ein vivaz pro dummy geebayt... Leider komme ich mit den Datasheets nicht so ganz auf das Display Pinout. (Bin auch nicht so der Elektroniker) Könnte vielleicht jemand das Diplay Pinout mal posten? Wäre mir eine echte Hilfe. Danke im Voraus, C.E.
Ich werde dir den plan die tage mal einstellen. Das Display läuft in einem datenmodus soweit zuverlässig, nur fehlte mir die Motivation und die zeit weiterzumachen. Is halt eher so für kalte wintertage
Hallo Sven, das hört sich doch sehr gut an, hat nicht so die Eile, wäre halt schön, wenn ich das Display an´s rennen kriegen könnte. Ist ja wie geschaffen, für einen M16C. Im Moment habe ich nur 128x64 (diverse Controller) und möchte ganz gerne auf Color Display umsteigen. Dank im Voraus, C.E.
Sven M schrieb: > Is halt eher so für kalte wintertage Hi Sven, es ist kalt draußen geworden :-)) Ich würde mal ganz gerne mit einsteigen. Wäre es Dir möglich das Pinout zu posten, damit die Sache hier nicht ganz einschläft? Und ich wollte auch nicht das Rad nochmal erfinden... Vielen Dank, Ollus
Sollte noch jemand dort bestellen, wäre es nett für mich 2 mitzubestellen.... klar übernehme ich den versand zu mir und einen Teil der Versandkosten des Bestellers..
Die Freischaltung (2 Partitionen) und auch das Video Convertieren funktionieren super. Audio-PA das muss noch gelötet werden Nun möchte ich gerne noch 20 einzelne Bilder zeigen. Ich weiss schon das sie auch nur 400x240 px haben dürfen. 1. Wie müssen die Bilder heissen, damit sie angezeigt werden können? 2. In welchem Verzeichniss müssen sie liegen? Systempfad oder in der Videopartition 3. Wie kann ein wechel der Bilder funktionieren? 4. oder ist eher eine Diashow der richtigere Weg? Gruß leachimtrebron
Hallo, Ist mittlerweile die Pinbelegung bekannt? Ist es möglich das display an ein raspberry pi anzuschließen? MfG Alex
Das würde mich auch mal interessieren. Hier hat sich ja leider seit einiger Zeit kaum mehr etwas getan.
Ich weiß, es ist schon lang her. Aber falls es noch jemanden interessiert, ich hab jetzt auch so ein Display am Laufen. Die Displays haben einen eingabauten Controller und zwar einen ILI9327. Ich hab mich nochmal an die ganze Sache gemacht, als ich bei aliexpress diese Buchsen gefunden hatte: http://www.aliexpress.com/item/Lcd-cable-socket-fpc-connector-0-3-39p-double-needle-flip-screen-line/1395958373.html Leider hat der Pursche mitlerweile die Preise erhöht, vor ein paar Wochen hab ich noch 5$ für 10 Stück bezahlt. Die Buchsen sind aber wirklich gut, die haben längere Pins als die von Molex. Sie lassen sich also besser von Hand löten. Hat aber leider 3 Wochen gedauert, bis ich meine Adapterplatinen von Itead bekommen habe. Falls es also hier noch jemanden gibt, der an weiteren Infos wie Anschlußbelegung usw interessiert ist, möge er es hier kundtun.
Ich nehme gerne weitere Informationen an. Habe hier noch einige Displays liegen und würde sie gerne irgenwann in Betrieb nehmen. Bisher fehlte es mir, neben der Buchse, aber an Zeit und Ruhe, eine Adapterplatine zu bauen.
Ja dann, mal los. Für alle die kein Eagle haben, das Pinout von dem Flexleiter ist wie folgt: 3 - IM1 5,6 - GND 8,9 - LED_Anode 10,11 - LED_Kathode 12 - CS 13 - D0 14 - D1 usw. 29 - D16 30 - D17 31 - RD 32 - WR 33 - RS (oder D/C) 34 - Reset 35,36 - VCC Alle anderen Pins sind NC. Pin 33 hatte ich RS benannt, im Datenblatt vom ILI9327 heißt es aber D/C. Ich hab das jetzt in meinem Schaltplan als RS gelassen. Je nach Controller heißt es mal so oder so. Ich habe das Display jetzt in einem 16-Bit Modus an einem PIC24FJ48GA004 laufen. Dafür legt man IM1 auf high und D16 und D17 auf low. Legt man IM1 auf high, hat man wohl den 18-Bit Modus. Hab ich aber noch nicht ausprobiert. Die anderen Modi, wie auch der SPI-Modus, bleiben verwehrt, weil die Signale IM0 und IM2 nicht auf den Flexleiter geführt sind. Ich hatte mir, wie gesagt, eine Adapterplatine gemacht. Auf die Platine hab ich gleich die Versorgung für die LEDs der Hintergrundbeleuchtung mit drauf gemacht, weil bei dem Dispaly die 4 LEDs in Reihe geschalten sind. Zum Glück sind auf der Vivaz-Platine die entsprechenden Teile mit drauf. Die hab ich zum Teil gleich recycled, wie den Schaltregler, einen APW7136, die Spule und die Schaltdiode. Außerdem hab ich auf die Adapterplatine noch einen EN25Q64 mit draufgemacht (SPI-Flash). Den hatte ich mal irgendwann bestellt und will den mal ausprobieren. Kann also ignoriert werden. Ich habe mal in dem Zip die Eagle-Files meiner Adapterplatine (Achtung, sehr quick & dirty) und ein wenig Sourcecode für den PIC angehängt. Der Sourcecode sollte recht einfach zu verstehen sein. Damit sollte man sich recht einbfach ein eigenes Programm basteln können und das auch recht einfach auf andere Controller protieren können. Da ist eingentlich nichts spezifisches für den PIC drinnen. Ich hatte diverse Werte von verschiedenen Initialisierungen für den ILI9327 probiert, aber die jetzt verwendeten haben meines Erachtens die besten Farben ergeben. Das Moiré auf dem Foto vom Display ist in Wirklichkeit nicht da. Auch das Gelb ist schöner als auf dem Bild. Also nicht so senfgelb. Viel Spaß beim Basteln, Ollus
Oliver P. schrieb: > Die anderen Modi, wie auch der SPI-Modus, bleiben verwehrt, > weil die Signale IM0 und IM2 nicht auf den Flexleiter geführt sind. Afaik IM0 ist auf dem FPC auf GND gezogen. Lötet man den widerstand vom R3 auf R2 um, dann steht IM0 auf VCC. Damit sind also 8/9bit modis möglich
Hallo miteinander! Ich hatte vor kurzem ebenfalls Erfolg dabei, das Display anzusteuern. Meine "Errungenschaften" sind bei GitHub zu finden. Zum einen ein Arduino Treiber, zum anderen ein Adapterboard für den Arduino Mega. https://github.com/lgrunenberg/dummy-lcd Interessenten können ja mal rein schauen! Lucas
Hmm.. Eigentlich ist der Controller auf dem Vivaz-Dummy ja ein relativ netter ARM-Controller. Ein bissel Doku dazu gibt es ja auch, aber die ist leider viel weniger, als z.B. die von den hier üblicheren ARM's von NXP und ST. Im Grunde würde es mich viel mehr reizen, diesen Controller mal auf ne vernünftige Leiterplatte nebst sinnvoller Peripherie zu setzen und ihn z.B. als Nachfolger für Lernbetty gangbar zu machen. Gibt's dazu hier weitere Interessenten? W.S.
ich mach jetzt mal den (Thread-) Leichenschänder: ich hatte mir "damals" mal aus lauter Euphorie ein solches Display besorgt. Das Schlummert seither unberührt und unbestromt in der Kiste. Falls sich da jemand mit amüsieren möchte, kann derjenige sich ja gerne mal bei mir melden zwecks Abgabe und Preisfindung. Original hatte das mal 14,90 EUR gekostet.
Bitte melde dich an um einen Beitrag zu schreiben. Anmeldung ist kostenlos und dauert nur eine Minute.
Bestehender Account
Schon ein Account bei Google/GoogleMail? Keine Anmeldung erforderlich!
Mit Google-Account einloggen
Mit Google-Account einloggen
Noch kein Account? Hier anmelden.




























