Hallo Leute, bin leider absoluter Anfaenger in der Microcontroller-Welt (d.h. Einsteiger), aber mit einem festen Ziel: Ich möchte mir einen KFZ-Bordcomputer bauen, der wie folgt aufgebaut sein soll: -Controller und Platine in eigenem Gehäuse (mind.IP65), an 12V-Batterie angeschlossen. -Display LCD mit Hintergrundbeleuchtung 2x16 oder 2x20 Zeichen im IP65 Gehaeuse. -Abgesetzter Taster zum Umschalten der Anzeige oder zum Reset z.B. des Tageskilometerzaehlers bei laengerem Druecken. Der Bordcomputer sollte folgende Funktionen realisieren: -Temperaturanzeige umschaltbar Aussentemp., Oeltemp., Kuehlwassertemp. ueber Taster loslassen. -mindestens zwei Tageskilometerzaehler, Reset ueber Taster lang druecken. -Durchschnittsgeschwindigkeit, Reset ueber Taster lang druecken -Benzinverbrauch momentan, durchschnittlich, maximal; umschaltbar ueber Taster loslassen, Reset durch Taster lang druecken. -Verbrauchte Benzinmenge, Reset durch Taste lang druecken -Reichweite, ermittelt ueber Tankvolumen (oder aktuellen Tankinhalt, Tankinhaltssonde muesste aber nachgeruestet werden!!), verbrauchte Benzinmenge und Durchschnittsverbrauch Als Sensoren will ich einen INI (Induktiver Naeherungsschalter) fuer die Strecken- und Geschwindigkeitsermittlung, Temperatur-sensoren fuer die Messung von Oel, Wasser- und Aussentemperatur einsetzen. Unklar bin ich mir noch mit der Fuellstandserfassung des Benzintanks (ist so etwas ueberhaupt nachtraeglich einbaubar, Ex-Bereich!!?) welches Messprinzip sollte man Verwenden? ... Auch die Ermittlung des Benzinverbrauchs wirft noch Fragen auf. Da es sich bei dem Fahrzeug um einen Einspritzer handelt braeuchte man zwei Durchflussmesser und muesste dann die Differenz bilden. vieleicht geht es aber auch einfacher (z.B. ueber die Ansteuerung der Einspritzduesen?). Nun meine Fragen: -Welcher Prozessor ist hierfuer geignet? -Hat jemand schon etwas aehnliches realisiert? -Habt Ihr Tips oder Internetadressen mit Informationen fuer mich? -Wie fange ich als Hobbyprogrammierer (mit Vorkenntnissen aus der Automtisierungstechnik) am besten mit Microcontrollern an? Ich werde erst wieder in ca. zwei Wochen hier vorbeischauen koennen (wegen Inbetriebnahme). Hoffe, bis dahin einige Beitraege zu finden Gruss Klaus
Hm, an der Verbrauchsgeschichte hab ich auch schon mal gegrübelt. Es gibt zwar Durchflußmengenmesser, aber das dürfte nicht allzu genau sein. Die einzige Möglichkeit bei einem Einspritzer den genauen Verbrauch zu ermitteln dürfte wirklich über die Einspritzmenge gehen. D.H. rausfinden wieviel in welcher Zeit eingespritzt wird. Sollte ein konstanter Wert sein (l/t). Dann die Einspritzzeiten messen und über die Konstante die Benzinmenge errechnen. Stellt sich nur die Frage wie man an die Einspritzzeiten kommt. Die kann ich aber leider auch nicht beantworten. Als Controller dürfte so ziemlich jeder halbwegs leistungsfähige Controller in Frage kommen. Er muß nur ausreichen Ports für Display, Taster, Sensoren usw haben. Und dann eben genügend Speicher und ausreichen AD-Wandler Eingänge für die Analogen Daten. Am besten mal ein kleines Starterpaket besorgen und Erfahrungen sammeln, mal ein Display ansteuern, analoge Werte auswerten, Zeiten messen usw. Und dann Stück für Stück die einzelteile zusammensetzen Gruß Markus
Hallo alle zusammen... Ein sehr interessantes Projekt.... Wäre daran auch sehr interessiert....
Die Einspritzdüsen werden doch elektrisch angesteuert. Man muß also nur an einer Düse das Kabel anzapfen und messen, wielange da Strom drauf ist. Soviel ich weiß, ändert sich die Einspritzmengen nur durch die Dauer und der Druck bleibt gleich. Als zweiter Wert ist da nur noch die Motordrehzahl. Ready
Für die von Klaus genannten Temperaturen gibt`s doch teils auch schon Sensoren im Auto "Als Sensoren will ich einen INI (Induktiver Naeherungsschalter) fuer die Strecken- und Geschwindigkeitsermittlung" damit hat er wohl das Tachosignal gemeint. finde die Überlegung zwar interessant, würde dann aber doch lieber auf das "original" Tachosignal zurückgreifen. Ich habe mir in letzter Zeit einen Tacho gebaut. Geschwindigkeit anzeigen wäre also kein Problem, da kann ich dann helfen bei Fragen. jo Axel
Hallo Leute, also die Idee von Axel, das orginal Tachosignal zu benutzen ist nicht schlecht. Es stellt sich lediglich die Frage, wie unterschiedliche Fahrzeughersteller ihre Tachos betreiben (elektronisch, Art des el. Signals oder mechanisch ueber Tachowelle). Da der Bodcomputer moeglichst universell eisetzbar sein soll, moechte ich von den im Fahrzeug vorhandenen Signalen so weit als moeglich unabhaengig beiben. Die Idee mit dem INI ist uebrigens abgeleitet von dem Magnet-Readkontakt Verfahren wie es bei Fahradtachos eingesetzt wird. Die Durchflussmesser haben eine Genauigkeit von zwei Prozent. ich bin aber noch auf der Suche nach Geraeten, die man ohne Vorschaltelektronik anschliessen kann. Auch haben die recht preiswerten Durchflussmesser von Conrad (< 40,00) kein lineares Verhalten (Hab ich im Internet gelesen, gibt es hier Erfahrungen??) Das System mit den Durchflussmessern laesst sich uebrigens auch an Motoren mit Vergasern einsetzen, z.B. bei Motorraedern.
Hi! Ich arbeite auch an so einem Projekt allerdings fürs Morotrrad! Als Geschwindigkeits-Sensor denke ich an einen Reed-Kontakt und Magnet. Für die Benzinberechnung hab ichmir einen Durchflussmesser angesehen von Conrad, der liefert 1800Pulse pro Liter, damit lässt sich alles recht einfach errechnen. Für die Drehzahl wirds wohl eine Induktiver Näherungsschalter werden oder ein HallSensor. Gehäuse ist noch nicht geklärt. Hält mich auf dem Laufenden! CU Scotty!
Bei elektronischer Einspritzung wird doch der meiste Sprit über die Rücklaufleitung wieder in den Tank zurückgeleitet oder vertue ich mich da? Ready
Hi! Den Benzinverbracuh über die EInspritzung zu messen kommt mir vor wie die Höhe eines Turmes zu messen mit hilfe der Gravitation! ;-) CU Scotty!
Hallo, ich habe ebenfalls mal ein ähnliches Projekt angedacht und auch angefangen (allerdings nie weitergemacht). Der Bordkomputer mit seinen "Spielereien" war allerdings eher Nebensache, denn es ging mir um die Entwicklung einer eigenen Einspritzanlage. Die Durchflussmenge nützt einen beim Einspritzer nicht viel, weil (wie Ready auch schon sagte) das meiste in den Tank zurückgepumpt wird. Man könnte es höchstens mit 2 Durchflussmessern und Differenzbildung versuchen. Einfacher ist aber über die Ansteuerung der Einspritzventile. Die sind nämlich lediglich zeitgesteuert, d.h. je mehr Gas man gibt, desto länger spritzen sie ein. Hier kann man einfach den Einspritzimpuls abgreifen und die Zeit messen. Am besten, man baut mal probeweise ein Ventil aus, steuert es manuell an und misst die Durchflussmenge bei gegebener Zeit. Domit hat man die Menge pro Zeiteinheit und kann entsprechend rechnen. Gruß Weide
Hallöchen allerseits! Ich möchte mich hier mal kurz zu Wort melden, da ich an einem ähnlichen Thema dran bin. Wie ich sehe, interessieren sich doch schon ne ganze Menge Leute an dem Thema. Erstmal möchte ich kurz Einspruch einlegen was das Thema "Messung des Verbrauchs über die Einspritzzeiten" angeht. Sicherlich mag es sein, daß dieses bei einigen Fahrzeugen geht, bei einigen (wahrscheinlich älteren) Einspritzern aber nicht. Bei meinem 2.3L 5-Zylinder mit der KE-III-Jetronic z.B. habe ich eine kontinuierliche Einspritzung, geregelt wird das über den Druck! Der Mengenteiler steuert die Einspritzmenge mechanisch, eine Stauscheibe wird von der angesaugeten Luft angehoben. Je mehr Luft durchströmt, desto mehr wird die Stauscheibe angehoben und dementsprechend der Einspritz-Druck verstärkt. Elektroisch wird dann noch über einen Druckregler eingegriffen, um nach der Lambda-Sonde die Menge zu regulieren oder im Schubbetrieb ganz abzuschalten. Sofern ihr also eine Einspritzanlage mit elektroisch getakteten Ventilen vorliegen habt, mag das mit der Messung der Einspritzzeit ja hinkommen. Wenn nicht, wie bei mir, gibts nen problem. und genau hier suche ich auch noch ne Lösung. VW macht(e) das übrigens mit der MFA (Multi-Funktions-Anzeige) über die Ansaugung des Luftstroms. Hier war ein Drucksensor im Ansaugkanal der den Luftstrom gemessen hat, danach wurde dann die Benzinmenge errechnet. Aber meiner Meinung nach ist das auch mehr nen Schätzeisen als daß man da verläßliche Werte her bekommt. Bei mir wird es wohl darauf hinaus laufen, daß ich das per Durchflußsensoren mache. Einen im zulauf und einen im Rücklauf. Vorausgesetzt, ich finde welche, die dafür geeigent sind. Hat jemand Tips hierzu? Ansonsten wäre noch Möglichkeit, den Poti-Wert vom Luftmengenmesser anzuzapfen und darüber die angesaugte Luftmenge zu messen und dann mit den Werten vom Druckregler zu verrechnen. Daraus ließe sich dann auch der Verbrauch ermitteln. Wahrscheinlich wird das aber nix, da ich keine Daten (Kennlinien) zur Verfügung habe, um das zu errechnen. Für welche Fahrzeuge baut ihr den Kram? Bei mir handelt es sich um einen 84er VW-Bus T3 Caravelle Carat mit 89er Audi-5-Zylinder-Maschine 2.3L 100KW. Ich werde ansonsten noch: - Zündschloss entfernen und durch ne Chipkarten-Steuerung ersetzen, Anlasser per Knopfdruck. - Temperatursensoren am Kopf, Block, Motorraum, und für Außentemp - Wassertemperatursensor und Füllstandsmelder - Öltemp für Ölwanne, Zylinderdeckel, Ölkühler - Getriebeöltemepratur - Öldruck - Geschwindigkeit und Drehzahl - Anzeige für Schubabschaltung - Alarmanlage mit Radarsensoren etc... (Ob alles über einen einzigen AVR oder mehrere, die die Daten miteinander austauschen, wird sich noch zeigen) Einen geringen Teil der Sensoren, die im Wagen schon existieren, kann ich evtl weiter verwenden. Das Problem werden nur die Kennlinien sein. Woher bekommt man die Kennlinien der Sensoren, die VW bzw. Audi verbaut hat? Wenn jemand Ende August nach Felsberg (bei Kassel) zum VW-Treffen kommt, könnte man darüber ja auch mal quatschen, denn dort werde ich auch hinfahren. Ich werde, vermutlich übern Winter hinweg, die ganze Geschichte einbauen. Chipkartensteuerung und LCD funktionieren schon... ciao, Andi
Hallo zusammen, ein ehemaliger Kollege hat sich vor ca. 10 Jahren mal einen Bordcomputer für seinen Audi mit Vergasermotor gebaut. Die Messung des Benzinverbrauches hatte er aber wieder aufgegeben. Grund: Der verwendete Durchfluss- geber lieferte beim Abschalten der Benzinzufuhr durch den Schwimmer im Vergaser noch reichlich Impulse, da das Messrad einfach weiterdrehte. Hoffe das hilft jemandem bei der Planung.
Hallo Andreas h Die Chipkartensteuerung würde mich auch interessieren ,könntest du weitere informationen vielleicht hochladen???? (schaltung und eventuell den quelltext) Vielen Dank schon mal ....
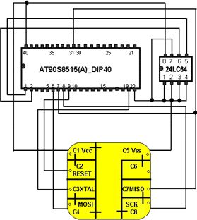
Hallöchen! Die Chipkartensteuerung funktioniert, grob erklärt, wie folgt: Das "Gerät" selbst besteht aus einem AVR 8515, aber auch andere wären hierfür problemlos möglich. Es werden zur Kommunikation mit der Karte lediglich 3 Leitungen (neben Versorgungsspannungen) benötigt. Die Chipkarte ist eine "Funcard", diese enthält einen frei programmierbaren 8515 sowie ein zusätzliches externes EEProm. Eine Schaltung existiert (noch) nicht, da bisher ja noch keine externe Perepherie angeschlossen ist und lediglich die Karte (mit Hilfe einer Kontaktiereinrichtung) mit den Pins vom uC verbunden werden müssen: MOSI/MISO/SCL müssen 1zu1 verbunden werden, Ansonsten benötigt die Karte nur noch den Reset, Vcc, XTal und Masse. Ein Portpin vom uC wird noch dazu benutzt, um festzustellen, ob die Karte eingesteckt wurde, hierzu ist ein Öffnerkontakt an der Kontaktiereinrichtung vorhanden. Kommuniziert wird per SPI-Schnittstelle. Such mal im Forum nach SPI, dort wurde das vor kurzen schon erklärt, wie das funktioniert. Jetzt gehts los: Die Chipkarte arbeitet als Master, der uC als Slave. Die Karte fängt nach dem Einstecken an, unentwegt ein "Hallo-Byte" zu senden. Einfach nur eine 8-Bit-Folge, die das "Gerät" kontrolliert. Ist sie korrekt, so stellt der uC ein Antwortbyte zur Bestätigung zur Verfügung. Die Karte (=Master) erhält beim nächsten senden/empfangen Durchgang das Antwortbyte und sendet darauf hin 2 Byte als Karten-Identifikation (Card-ID). Der uC kontrolliert diese nach Erhalt und prüft, ob die eingesteckte Karte eine korrekte Nummer hat. Dieses stellt er anhand einer Tabelle in seinem EEprom fest. Ist die Karte nicht registriert, so gibt es bereits jetzt einen Fehler, weitere Kommunikation wird abgebrochen und der uC gibt eine Fehlermeldung wie "Check Card" am LCD aus. Ist bisher alles ok, stellt der uC ein ok-Byte an die SPI-Schnittstelle zur Verfügung, das die Karte abfragt. Erhält die Karte das ok, sendet sie den 8 Byte (=64Bit) langen Kartencode. Das "Gerät" kontrolliert den Code und nur wenn dieser Korrekt ist, werden die entsprechenden Schaltvorgänge, beim KFZ halt die Zündung, eingeschaltet. Es ist sogar möglich, bei verschiedenen Karten, verschiedene Schaltvorgänge auszulösen. Zum Beispiel könnte man eine Karte machen, bei der das Radio nicht funktioniert, etc... Den Code kann ich, so wie er momentan steht, noch nicht zur Verfügung stellen, da er noch nen bissl Entwicklungs-Müll enthält. Im übrigen sind es 2 Codes, die parallel entwickelt werden müssen: einer für die Karte und einer für das "Gerät". Die Daten befinden sich übrigens alle im EEprom, sowohl beim "Gerät" als auch bei der "Karte". Bei meinen Versuchen allerdings habe ich beim Gerät den Programmspeicher "missbraucht", um dort die Karten-Codes abzulegen, da das integrierte EEprom zu klein ist. Denn bei 255 möglichen verschiedenen Karten, die das System unterstützt, und jede Karte einen 8-Byte-langen Code hat, so sind insgesamt 2040 Byte nötig, um die ganzen Codes zu speichern. Später will ich das mit einem externen Eeprom lösen, damit die Codes bei Bedarf auch geändert werden können. Wenn ich irgendwann mal fertig bin, so will ich das ganze auch etwas benutzerfreundlicher gestallten. Nachdem die Hauptkarte korrekt identifiziert wurde, will ich eine Möglichkeit schaffen, weitere Karten direkt vom "Gerät" aus "frei zu schalten". dann braucht man später nur eine präparierte aber noch Codeleere Karte einzusetzen und das Gerät speichert einen Zufallscode auf der Karte und im EEprom ab. Momentan muß noch alles einzeln vom Rechner aus programmiert und die Codes festgelegt werden. ciao, Andi
wo gibt es diese Funcards? was kosten die ? oder hast Du die selbst gemacht sind die so wie die Telefonkarten ? und da ist ein 8515 drauf ??? jo Axel
Hallöchen! Funcards sind telefonkartenähnliche Chipkarten, sie haben das gleiche Format. Im Anhang findest Du den Schaltplan einer Funcard. Eine leere unprogrammierte Karte kostet etwa 10,- Eur. Wenn Du interesse hast, melde Dich einfach bei mir. Programmieren lassen sich die Karten ganz einfach per ISP. Kontaktiereinrichtungen (Amphenol) sind spätestens bei Conrad erhältlich, sicher auch woanders (R&S,Reichelt,etc. ???) Bei entsprechender Programmierung kann man die Dinger für alles mögliche gebrauchen, zum Beispiel Zeiterfassungssysteme, Zugangskontrollen,... Es ist sogar möglich, Pay-TV-Systeme damit zu entschlüsseln, was ja aber illegal wäre... ;) ciao, Andi
Hallo, ja also bei einem richtigen Einspritzer muss es über die Messung der Impulslänge gemacht werden(Timer). Werte von Luftmengen o. Maassenmesser kann man nicht nehmen da es bereiche gibt in denen durch das Kennfeld zusätzlich mehr eingespritzt wird (nicht proportional). Das mit der Differenzbildung der Durchflussmesser ist nicht so einfach da bei der KE-Jetronic über 6bar anliegen und diese Palstikdurchflussmesser kann man da vergessen. Müsste also ne Metallausführung sein. Schubabschaltung läßt sich ebenfalls über die Einspritzimpulslänge messen (0 mSek). Aber passt auf euren AVR auf. Einspritzventile induzieren Spannungden bis 100V das könnte ueren AVR killen.
Nochmal an Andreas h Schön wäre ja auch, wenn deine geplante Alarmanlage eine GSM- verbindung aufbauen könnte. Lässt sich doch bestimmt iregendwie machen mit nem ausrangierten Handy ???? hätte da z.b Bsp. nochn Nokia 2110 rumliegen..... Stelle mir das so vor, das im alarmfall bis zu 6 nummern angerufen werden, bis einer der angewählten nummern den Anruf entgegen nimmt... schön wäre auch, wenn man eine Motorblokade bei entwendeten Fahrzeug einschalten könnte in dem man das Eingebaute Handy anruft, passwort eingibt und dann noch irgend ne ziffer drücken.... Man müßte nur wissen, wie man das Handy ansteuern muß, und die dtmf töne in den AVR kriegen.... mmmhh mach mir dazu mal gedanken..... sowas gibt's ja auch fertig aber der Preis...... seht mal unter http://www.directed.de/security/sidewinder/side_rs.asp nach..... oder hat schon mal irgendjemand dazu eine Schaltung im Internet gesehen ?????
Hallöchen Sven! Das mit der Alarmgeschichte per Mobilfunk ist ne prima Sache, hab ich auch schon dran gedacht. Ich hab da ausch schon was im Netz gefunden, was man sich mal genauer anschauen sollte. Da läßt sich garantier was draus "stricken" :) http://www.riccibitti.com/tinyplanet/tiny_intro.htm ciao, Andi
Hi, Is nicht auf jedem Handy ne RS232 drauf?? Das Protukoll sollte man doch auch irgendwo finden können. lg, Stefan
Hallo, Stefan! So wie ich das aus dem Text von riccibitti (siehe den von mir genannten link) verstanden habe, sollte das wohl der standart sein. Jedes Handy verfügt demnach über eine RS232 und läßt sich, ähnlich wie ein analoges Modem, per AT-Commandos steuern! Das heißt, Du sendest an das Handy einfach die Zeichenfolge AT gefolgt von den Befehlen, und das Handy antwortet dementsprechend. Jetzt müßte man nur noch die passenden AT-Befehle finden... :) Ich hab mir gleich schonmal nen passendes Datenkabel für mein Handy bestellt. Sofern das da ist, wirds ausprobiert. ciao, Andi
Hallo Andreas h hab mir jetzt auch die internetseite angeschaut und muß sagen, genau das hatte ich mir vorgestellt... werde mal das handy an mein experiementierboard dranhängen und dann wird fröhlich programmiert... Bin bei dem Projekt auf jeden Fall dabei, wo mir doch erst vorgestern mein POLO GTI auf einem gut besuchten Parkplatz aufgebrochen worden ist.....
Hallo Sven! Hast Du nen Datenkabel für Dein Handy? Probier es doch erst mal mit dem PC und nem Terminalprogramm aus, oder hast Du das schon? Denn wie auf der Seite beschrieben, sollte das Handy ja auf AT-Befehle reagieren... ciao, Andi
Hallo Andreas, Datenkabel ist bestellt.... Die Alarmanlage geht in Arbeit werde euch hier auf den laufenden halten.... Problem wird nur das PDU Format der SMS Nachrichten...kriegt man aber auch in den Griff denke ich.... Vielleicht hat ja schon jemand eine passende Routine dafür geschrieben die er hier einbringen könnte das wär echt suuuuuppppaaaa Also bis dann Sven
Hallo an alle, Hab mal ne Frage, wie arbeiten eigentlich die Tachoimpulsgeber bei elektronischen Tachometern??? Impulse pro Kmh oder proportionale Spannung zur Geschwindigkeit. Habe einen VW Polo Bj. 2000 würde mich mal interessieren Für den bau eines elektronischen Tachos bzw. auswertungszwecke. P.S. das mit der Handy steuerung für die Alarmanlage funktioniert schon ganz gut ist aber noch nicht ganz fertig... Sven
Einige Autoradios haben einen AGC Eingang (geregelte Lautstärke mit der Fahrzeuggeschwindigkeit) ist eine Gleichspannung. Ich schätze mal 0- max 14 Volt.
Ist ein wenig OT, aber trotzdem: habt ihr euch schon mal Gedanken gemacht, wie das mit dem Display im Auto ist? Immerhin kanns ja im Winter mal schnell ziemlich kalt in nem Auto werden (auch deutlich unter Null), da würds ja nur sehr träge reagieren. Und das nöch größere Problem stell ich mir im Sommer vor - da sind glaub ich +70° oder mehr nicht so abwegig, wenn das Auto in der prallen Sonne steht... Ob das für ein LCD gut ist wage ich auch zu bezweifeln...? Oedr mach ich mir bei dem Ganzen nur zu viele Sorgen :)?
Ihr braucht LCD's mit erweitertem Temperaturbereich. Die brauchen in der Regel eine negative Hilfsspannung für den Kontrast. Die läst sich aber sehr einfach mit einem ICL (MAX) 7660 generieren. Es reicht sogar, wenn vorhanden, ein freier Port am MAX232 IC. Ich hab noch einige 2x20 mit Hintergrundbeleuchtung von Optrex rumfliegen bei Bedarf kann ich das Datenblatt mal hier reinstellen. Bernhard
Wiso erweiterter Temperaturbereich? Laut Herstellerangaben haben die Standardtypen von Displaytech, GPO oder Winstar einen Betriebbereich von -20°C..+70°C. Außerden ist die Sache mit der neg. Hilfspannung seit einigen Jahren History. Alles läuft mit einem internen Spannungsinverter, der die neg. Spg. erzeugt. Richtig ist, das die Spannung der jeweiligen Umgebungstemp. nachgeführt werden muß. Aber davon mal ab, solch ein vorhaben ist zwar interessant, aber wenn man mal überlegt wieviele Leute dises Thematik mal versucht und liegengelassen haben (mich eingeschlossen), zeigt eigentlich wie aufwendig und teuer oder für einen allein es einfach zuviel ist. /* Hier wäre mal zu überlegen, ob hier nicht ein Projekt-Forum eingerichtet wird */ Bei einigen Dingen kann man gemeinsam bestimmt mehr erreichen. Reiner Reiner
Hallo an alle, Das mit dem Tacho hab ich auch hinbekommen. das lcd zeigt zwar nur ohne stellen hinter dem komma an also z.b 51.00 km/h aber im moment finde ich keine andere lösung, da ich mit t0 die impulse auszähle und der kontroller nur integer zählen kann.aber macht ja auch nichts so genau muß das auch nicht sein, es ist außerdem immer noch genauer als der original tacho. :-)) das tachosignal habe ich im übrigen vom autoradio abgenommen und über nen transistor an den kontroller gehängt, schließlich braucht der ja 5V. im moment warte ich auf meinen bestellten mega16 , da der 8535 mitlerweile vom flash-speicher her zu klein ist....
welchen Transisitor hast Du da genommen? Ich hatte einen Optokopler PC900 (oder so ähnlich) der hat auch nen integrierten schmitt-trigger jo Axel
HAllo Axel, Als Transisitor hab ich nen einfachen bc 546 genommen,der reicht allemal für die paar herz aus und spielt selbst bei über 400 khz noch einwandfrei mit. 10K an die basis daran wird der Tacjoimpuls angeschlossen. 100 K am kollektor und 5V, und daran den T1 pin vom Atmel, emitter natürlich an masse und schon funzt die sache. Sven
Hallo zusammen. Ich wollte auch mal was loswerden. 1. Die K-,KA-,KE- Jetronics könnt ihr glaube ich getrost vergessen. Sie werden schon länger nicht mehr eingesetzt und spritzen kontinuierlich ein also nur der Druck ändert sich. 2. Die Messung des Verbrauchs ist nicht immer nur über die Einspritzzeit geregelt sondern auch über denn Druck. Genau so wird nämlich bei einigen Einspritzanlagen der Luftdruckausgleich gemacht. 3. Das Tachosignal ist bei denn meisten Fahrzeugen ein Rechtecksignal das mit zunehmender Geschwindigkeit mehr Impulse liefert. Auch unterscheidet mann bei neueren Fahrzeugen das Signal direkt vom Geber und das vom Steuergerät aufbereitete Signal z.B. neuere VW für das Radio oder Navi.
Hallo nochmal ich, Jetze nochmal was anderes, was kommt den Wohl für ein signal aus dem Füllstandssensor des benzintanks an??? ne gleichspannung die Proportional ansteigt mit dem füllpegel des tanks??? würde gerne auch noch den Füllstand des Tanks auf dem Display anzeigen lassen. Hat irgendjemand schon mal sowas Probiert ???? Sven
Hi, wollte mal auch noch eine Fragebemerkung hier loswerden zum Thema Bordcomputer, weil ich eben auch schon lange damit in Gedanken spiele. Speziell interessiert mich die Durchflußmenge. Ist denn der Zufluß zum Motor - also die ständig im Umlauf gehaltene Benzinmenge nicht ziemlich konstant? Dann würde doch ein Durchflußmesser reichen, wenn man einmal die zufließende Menge weiß. Im Übrigen ist dann die Messung drucklos, weil man ja die zurückfließende Menge mißt. Als Durchflußmesser würde ich wahrscheinlich so einen alten vom Trabi nehmen - kostet nix und ist bestimmt auch genau genug. PS: Mein Problem ist eher das mit den PIC's, da bin ich totaler Anfänger. :(( Schönen Gruß, Micha
zum Thema Füllstand Tank: Wenn es richtig genau sein soll, muß man sich eben mal hinstellen und den Tank literweise befüllen und die Spannung des eingebauten Tankgebers in einer Kurve ablegen. Aufwendig, aber hinterher relativ genau. @Micha: Kannste knicken, die Benzinpumpe fördert mit Sicherheit keine konstante Menge, bestenfalls ist die Fördermenge proportional zur Bordspannung. Ich habe mal bei VDO gearbeitet, damals an den MFAs für Opel rumgebastelt. Die Verbrauchsanzeige wurde ausschließlich mit der Einspritzzeit der Ventile realisiert, da der Differenzdruck (Benzin/Saugrohr) durch den Druckregler immer gleich ist (sein sollte....).
@thkaiser: Den genauen Füllstand bekommt man mit einer abgespeicherten Kurve bestenfalls im Stand im absolut waagerechten Zustand hin. Leider schwankt der Tankinhalt aber bei der Fahrt hin und her und ändert somit auch die gemessene Höhe am Schwimmer. Genauso wenn man nen Berg rauf oder runter fährt oder im Stand nicht waagerecht steht. Bei meinem T3 sieht man das an der Tankanzeige recht deutlich, das Schätzeisen schwankt wenn der Tank noch 3/4 voll ist zwischen "ganz voll" und "halb voll" hin und her... Irgendwo im Netz hab ich mal nen Gerät gefunden, welches für Motorboote gedacht ist: Dort wird der Verbrauch und der Tankfüllstand über 2 Durchflußsensoren gemessen. Differenz zwischen Zulauf und Rücklauf = Verbrauch. Mittels Faktor Zeit kann man dann auch bequem die entnommene Menge aus dem Tank ausrechnen und dann auch berechnen, wieviel theoretisch noch drin sein müßte, wenn der Tank voll gewesen ist. Das soll angeblich bis auf 0,1 Liter genau sewesen sein (wenn ich jetzt nicht irre)... ciao, Andi
windschall ist eicht ein super-name, der passt irgendwie zu einem bmw, ich beneide dich dafür, philip :-)
;-) wir haben aber keinen g also bei interesse, wegen dem forum bitte meleden, dann stell ich eins zu verfügung.... mich interessiert dieses teama auch :)
will jetzt net spammen, ich hab ein forum aufgesetzt wenn interesse besteht poste ich den link. cu keksi
zum Thema Durchflußmesser Benzin hier mal ein link: http://www.motorrad-pals.de/shop/spritmesser/spritmesser.html Is zwar nur fürs zweirad, aber gibt vielleicht einen kleinen Gedankenschubser.
bin schon länger auf der suche nach einem Bordcomputer für mein "auto" ford fiesta. da mir aber zumindest bis jetzt noch der technische background feld, währe es für mich interessant ein paar links oder dokus über ähnlich projekte durchzustöbern. auf gsm und smartcards könnte ich gerne verzichten (erstmal zumindest). Drezahl tankinhalt etc. sollte erstmal reichen. beim googeln bin ich bis jetzt leider nur auf eine bat.-anzeige gestossen. falls jemand also noch einn paar links in seinen lesezeichen hat möge er sie mir doch bitte mitteilen. besten dank in vorraus
@philip Wieso kein Interesse?!?!? Du solltest erstaml ein wenig abwarten, Interesse wird schon noch kommen. Ich hab mir die Seite vor ein paar Tagen mal angeguckt. Sieht eigentlich vielversprechend aus und ich persönlich kenne keine andere, die dieses Thema behandelt. Oder hast du eine Link zu deine Site schon seit mehreren Wochen in jedes Forum gepostet. Ich glaube doch eher nicht. Gruß Chris
> Oder hast du eine Link zu deine Site schon seit mehreren Wochen in
jedes Forum gepostet. Ich glaube doch eher nicht.
Ja, mach das mal. Unser aller Dank wird dir ewig sicher sein.
@philip: Ich fand deine letzte Idee garnicht so schlecht.
Wenn ihr die idee von Philip nicht schlecht findet dann postet es doch in sein neues forum und nich hier
bitte das anmelden nicht vergessen. das hat mehrere vorteille > ihr könnt euch untereinander privat nachrichten schreiben > man weiss wer dabei ist > und man kann sich besser verständigen da auch immer eine email adresse abei ist ausserdem biete ich es kostenlos an, was ich noch machen könnte währ, das ganze in googel einzu dragen, durch die idf page hab ich verdamt gute googel plätz ich weiss zwar net warum aber ich werde die seite mal die tage eintragen :) gruß philip
Hallo Klaus, Ich hatte keine Zeit um alles durchzulesen umzusehen wie weit du gekommen bist. Falls du spezifische Fragen zum Hauto hast (habe ca.15 Jahre Erfahrung auf VW/AUDI elektonik) kannst Du mich unter guidowager@hotmail.com erreichen. Guido
bitte fürt das hier unter > http://www.bordcomputer.de.vu weiter, da es sonst ein wenig unübersichtlich wird, danke gruß philip
Hallo Leute, ist hier nun was draus geworden? die extra eingerichtete seite ist ja überhaupt nicht genutzt worden? alle projekte eingestellt? sagt mal bitte was....... Gruß Kai
Hi! Mein Projekt ist zwar noicht gestorben, aber zunächst auf Eis gelegt. Hab (leider) erstmal andere wichtigere Dinge um die Ohren, die Vorrang haben...
www.idf-mod.de > im bereich elektronik, haben sich schon ein paar bei mir gemeldet die interesse hätten könnt euch ja anmelden und wir besprechen es dan, gruß philip
Hallo, ich habe einen universalen Borcomputer von VDO bei Ebay gekauft. Das Problem dabei ist, daß mein Auto eine D-Jetronic hat, bei der das Benzin in eine Ringleitung zu den Ventilen gepumpt wird und durch zwei Druckregelventile im Rücklauf wird der Druck konstant gehalten. Ich habe für denselben Bordcomputer noch einen zweiten Durchflußmesser, dann könnte ich die Menge im Vorlauf und Rücklauf messen und dann die Differenz ermitteln. Die andere Möglichkeit wäre, die Länge des Einspritzimpulses zu messen. Dazu habe ich bereits eine Leitung verlegt. In beiden Fällen müßte ich aber dem Computer ein entsprechendes digitales Signal zur Verfügung stellen, welches dem Ausgangssignal des Durchflußmessers entspricht. Meine Frage wäre nun, wie ich aus dem Signal der Einspritzdüse ein Signal mit einer gewissen Frequenz erzeugen kann, die ich so einstellen kann, daß es dem Signal des Gebers entspricht. Die zweite Frage wäre, wie muß dieSchaltung aussehen, wenn ich aus den 2 Gebersignalen die Differenz bilde und dann den Differenwert als digitales Signal wieder in den Computer gebe?
hmm du kannst es ja mal ins forum http://www.bordcomputer.de.vu posten, aber dann brauchen wir auch ein paar informationen über dein uni computer... gruß philip
Hallo Für diejenigen, die einen Spritmesser für ihre BMW K-Reihe suchen, gibt es eine fertige Lösung!!! www.fuelplus.com Vielleicht hilft eine kleine Modifikationen auch bei der Nutzung in anderen Fahrzeugen!!! Gruß Tom
wie sollte man nen bordcomputer bauen der nur geschwindigkeit und ausentemperatur misst, aber über ir oder was weis ich ne fernbedienung mit lcd-display hat???
Hi, ich habe mich hier etwas eingelesen. ich will mir einen
Boardcomputer bauen, leider kenn ich mich mit controllern nicht so auß.
also eigentlich kenn ich mich gar nicht aus. elektroteschnich kenn ich
mich schon etwas aus. programmieren geht so, aber da kann ich mich mit
sicherheit rein arbeiten. Jetzt weiß ich nicht so richtig wie ich mit
dem thema anfangen soll.
ich habe mir erstmal gedanken gemacht was ich alles angezeigt bekommen
will.
* Durchschnittsverbrauch1 nicht resetbar
* Durchschnittsverbrauch2 resetbar
* momentaner Verbrauch
* Durchschnittsgeschwindigkeit
* momentane Geschwindigkeit
* verbleibende Reichweite mit der vorhandenen Tankfüllung
* Restkraftstoffmenge
* Fahrzeit
* Außen- und Innentemperatur
* Uhrzeit/Datum
Könnte auch sein, dass noch das ein oder andere dazu kommt.
Dann hab ich drüber nachgedacht wie ich die werte ermittel.
Verbrauch von der Einspritzung+Tachosignal
Geschwindigkeit vom Tachosignal
Reichweite von Tankanzeige+Durchschnittsverbrauch
Tankinhalt von der Tankanzeige
Fahrzeit Tachosignal als Starttaster
Außen und Innentemp von Sensoren die ich verbauen muss
Uhrzeit /Datum weiß ich noch nicht
Jetzt steh ich vor dem Problem, dass ich nicht weiß welchen controller
ich brauche, welches display ich nehmen kann/muss und wie ich die ganze
elektronik um den controller aufbauen muss und Wie programmier ich das.
Wie funktioniert das mit den Reset tastern usw. usw. usw.
wäre super wenn mir irgendjemand helfen könnt und ich
Der 2. Beitrag in diesem Faden wird dir sicherlich helfen. Was kleineres für den Anfang wär wohl auch ne Idee, z.B. Display an einem µC, dessen Anzeige sich bei Tastendruck ändert. Wobei ich mich ja immer frage wie man von extern auf solche Fahrzeugdaten wie Tankinhalt, Tacho & Verbrauch zugreifen kann.
so ein starterset wäre für mich ja das richtige. aber woher weiß ich was da für mich das richtige ist. welcher controller wäre da der richtige. am besten wäre ich ja bedient, wenn ich gleich mit dem controller übe mit dem ich das ganze später auch aufbauen will, dann kann ich das ja auch immer relativ praxisnah testen. Ich will ja ein kleines display auf dem ich immer nur ein oder max zwei werte angezeigt bekomme und dann umschalten kann. ich bräuchte einfach nur mal nen tipp welchen controller und welches display ich mir kaufen soll, damit ich damit rumspielen kann bis ich dann langsam raffe wie es funktioniert und dann meinen bordcomputer bauen kann. Die Werte bekomm ich ganz einfach. Ich zapfe die leitung einer einspritzdüse an gucke mir den wert an den der controller ausgibt. ich weiß wie viel meine düsen pro sekunde einspritzen und mit diesem wert kann ich dann den spritverbrauch ausrechnen, bzw. eine formel programmieren, damit nur das ergebnis angezeigt wird. denn das einzige was ich messen muss ich die einspritzzeit, also wie lang die düse geöffnet ist. Den Tankinhalt nehm ich von der Tankanzeige. Dieser werde ich zuerst "Eichen" müssen. ich werde da in 1l schritten vorgehen das wird dann schon genauer sein als bei den meisten werkscomputern ;-) alle anderen werte sind einfach. Das Tachosingal werde ich einfach anzapen und nach z.b. 10km fahrt werte ich aus was der controller ausgibt und rechne den wert hoch damit er auch 10 anzeigt . und so geht das halt mit allen werten weiter. ich muss nur erstmal dahin kommen, dass ich den controller im auto habe und der überhaupt was anzeigt, dann brauch ich noch ca. 2std.
Schau mal hier: http://www.youtube.com/watch?v=b-09lZ-1ZB8 Das ist wohl mit einem d072 TFT Controllermodul von Display3000 und in Bascom Basic programmiert worden. Mit dem d072 hast du alles in einer handlichen Einheit und kein rumgefrickel mit einem Haufen Kabeln etc. und es gibt eine zusätzliche Aufsteckplatine zum Basteln und probieren ohne das an dem eigentlichen Grafikmodul Modul rumgelötet werden muß. Rainer
Bitte melde dich an um einen Beitrag zu schreiben. Anmeldung ist kostenlos und dauert nur eine Minute.
Bestehender Account
Schon ein Account bei Google/GoogleMail? Keine Anmeldung erforderlich!
Mit Google-Account einloggen
Mit Google-Account einloggen
Noch kein Account? Hier anmelden.
