Hallo zusammen, habe schon gelesen das es gefährlich ist mit Li-Ion-Akkus herum zu experimentieren. Möchte jedoch den im Anhang abgebildeten 10,8V Li-Ion-Akku aus einem Notebook oder Laptop weiter nutzen. Das dies nicht einfach wird, habe ich bereits gelesen und dies sehe ich eigentlich auch schon an der mitverbauten beidseitig bestücketen Platine. Ganz rechts befindet sich der Anschluß mit seinen fünf Lötstellen. In der mitte sind zwei ICs. Der Rechte ist ein bq8030 und der Linke ein bq29330. http://focus.ti.com/lit/ds/symlink/bq29330.pdf Ich brauche nur zwei von den drei Zellen. Wer kann mir eine Homepage zeigen, wo eine einfache Selbstbauschaltung zum laden von zwei Li-Ion-Akkus vorhanden ist ? Ich selbst habe nichts gefunden. Könnte es daran liegen, weil es zu aufwändig, zu einfach oder zu gefährlich ist ? Bernd_Stein
Bernd Stein schrieb: > Wer kann mir eine Homepage zeigen, wo eine einfache Selbstbauschaltung > zum laden von zwei Li-Ion-Akkus vorhanden ist ? Es gibt von verschiedenen Firmen z.B. maxim-ic Spezial-ICs zum Laden von Li-Akkus. Normale Spannungsregler, wie der LM317 sind nicht geeignet. Das Problem ist, das die Ladespannung von 4,1...4,2V je nach Akkutyp auf 1% genau stimmen muss. Deshalb ist zur Kontrolle auch ein Billigmultimeter nicht unbedingt geeignet. Gruss Harald PS: Wenn Du die Zellen nicht eizeln laden willst, brauchst Du zusätzlich noch einen Balancer.
Mit der Suchfunktion sind hier noch viele Li-Ion Beiträge zu finden. z.B.: Beitrag "Li-Ion im Betrieb laden" Bei Notebook-Akkus gab es jedoch einige Rückrufaktionen wegen Brandgefahr. Deshalb nochmals genau nach Deinem konkreten Typ googeln!
oszi40 schrieb: > Mit der Suchfunktion sind hier noch viele Li-Ion Beiträge zu finden. > z.B.: Beitrag "Li-Ion im Betrieb laden" > Mensch ist das mit den LiIon-Akkus eine aufwendige Sache. Am Ende des Threads gibt es dann immer noch keine Nachbauschaltung :-[ > > Bei Notebook-Akkus gab es jedoch einige Rückrufaktionen wegen > Brandgefahr. Deshalb nochmals genau nach Deinem konkreten Typ googeln! > Habe nur die Akkus nicht das Notebook. Im Moment weiß hier sowieso keiner wie ich die Ladeschaltung die im Akkupack mit verbaut ist ansteuern muß. Igendwie würde ich diese LiIon-Akkus die ich ausgebaut habe auch nicht unbeausichtigt aufladen, das mit der Brandgefahr stört mich dermaßen, das ich, wenn ich etwas selber bauen würde und neue Akkus dafür kaufen müsste auf LiFePO4 umsteigen würde. Bernd_Stein
Harald Wilhelms schrieb: ... > Das Problem ist, das die Ladespannung von > 4,1...4,2V je nach Akkutyp auf 1% genau stimmen muss. Deshalb > ist zur Kontrolle auch ein Billigmultimeter nicht unbedingt > geeignet. > Gruss > Harald > PS: Wenn Du die Zellen nicht eizeln laden willst, brauchst Du > zusätzlich noch einen Balancer. > Habe noch ein paar andere von Panasonic CGR 18650C und dazu das Datenblatt. http://www.rosebatteries.com/pdfs/Panasonic%20CGR18650C.pdf Bei meinem Meßgerät müsste ich erstmal gucken es ist auch schon etliche Jahre alt. Balancer, weiß ich nicht, so genau auf ihre Kapazität will ich sie ja auch nicht aufladen. Möchte halt nur die Akkus für weniger stromintensive Geräte weiter benutzen. Bernd_Stein
Bernd Stein schrieb: > Balancer, weiß ich nicht, so genau auf ihre Kapazität will ich sie ja > auch nicht aufladen. Den Balancer brauchst Du, damit beim Laden an beiden Akkus nicht unterschiedliche Spannungen liegen. Das würde zu den bekannten Problemen (Brandgefahr) führen. Gruss Harald
Harald Wilhelms schrieb: > > Den Balancer brauchst Du, damit beim Laden an beiden Akkus nicht > unterschiedliche Spannungen liegen. Das würde zu den bekannten > Problemen (Brandgefahr) führen. > Gruss > Harald > Da ich nur zwei Zellen laden will werde ich es mal nach der Anleitung die im Anhang zu sehen ist tun. Von Vorteil wäre natürlich zwei mal ein kleines Netzteil aufzubauen, wo ich eine Spannung von 4,20 Volt und einen maximalen Strom von 1428 mA einstelle. Das wäre dann passend zu den Panasonic CGR 18650C LiIon-Akkus. http://www.rosebatteries.com/pdfs/Panasonic%20CGR18650C.pdf Bernd_Stein
Bernd Stein schrieb: > Harald Wilhelms schrieb: >> >> Den Balancer brauchst Du, damit beim Laden an beiden Akkus nicht >> unterschiedliche Spannungen liegen. Das würde zu den bekannten >> Problemen (Brandgefahr) führen. >> Gruss >> Harald >> > Da ich nur zwei Zellen laden will werde ich es mal nach der Anleitung > die im Anhang zu sehen ist tun. > > Von Vorteil wäre natürlich zwei mal ein kleines Netzteil aufzubauen, > wo ich eine Spannung von 4,20 Volt und einen maximalen Strom > von 1428 mA einstelle. Das wäre dann passend zu den > Panasonic CGR 18650C LiIon-Akkus. > > http://www.rosebatteries.com/pdfs/Panasonic%20CGR18650C.pdf > > Bernd_Stein Ich sehe da zwar keine Schaltung, die sonstigen Tips sind aber recht hilfreich. Wenn Du übrigens die Ladespannung auf 4,10 V begrenzst, wirst Du zwar ca. 15% Kapazität verlieren, die Lebensdauer der Akkus wird aber stark ansteigen. Gruss Harald
Bernd Stein schrieb: > Wer kann mir eine Homepage zeigen, wo eine einfache Selbstbauschaltung > zum laden von zwei Li-Ion-Akkus vorhanden ist ? Auch wenn hier explizit eine Selbstbauschaltung gefragt ist, darf es auch was fertiges sein? Ich habe mit dem IMAX B6 (Google!) Ladegerät gute Erfahrungen gemacht. Zumindest ist mir mein Lithium-Polymerakku noch nicht abgebrannt. Wenn Du nicht den Anspruch hast selber was zu bauen, sondern nur die Akkus preisgünstig wieder laden willst, ist das sicher eine Alternative. Die Elektronik vom Notebook-Akku fällt dann komplett weg, nur jede einzelne Zelle braucht einen extra Balancer-Anschluß. Servus Michael
Harald Wilhelms schrieb: > > Ich sehe da zwar keine Schaltung, die sonstigen Tips sind aber recht > hilfreich. Wenn Du übrigens die Ladespannung auf 4,10 V begrenzst, > wirst Du zwar ca. 15% Kapazität verlieren, die Lebensdauer der > Akkus wird aber stark ansteigen. > Gruss > Harald > Die Schaltung ist ja praktisch ein einstellbares Netzteil, was ja eigentlich jeder Hobbyelektroniker besitzt. Und die Anleitung die im Anhang zu finden ist, beschreibt halt wie man da vorgehen soll. Beitrag "Re: Notebook oder Laptop - Li-Ion-Akku extern aufladen" Meine Meßgräte haben eine Tolereanz im Gleichspannungsbereich von +/- 0,3 % plus 1 Digit und die Auflösung im 20V-Bereich beträgt 10mV. Das sollte reichen. Falls nicht werde ich das ja an der Temperatur der Akkus merken. Bernd_Stein
Michael M. schrieb: > > Auch wenn hier explizit eine Selbstbauschaltung gefragt ist, darf es > auch was fertiges sein? Ich habe mit dem IMAX B6 (Google!) Ladegerät > gute Erfahrungen gemacht. Zumindest ist mir mein Lithium-Polymerakku > noch nicht abgebrannt. Wenn Du nicht den Anspruch hast selber was zu > bauen, sondern nur die Akkus preisgünstig wieder laden willst, ist das > sicher eine Alternative. ... Ob 38 EURO ohne Netzgerät eine Aternative ist, gegen zwei mal Schaltung mit 4,20 Volt und max. 1428mA, weiß ich z.Zt. nicht einzuschätzen, zumal ich nur die Akkus weiterverwerten möchte und dann eher zu LiFePO4 tendiere. Aber trotzdem danke. Bernd_Stein.
Aber bitte dran denken, Laden ist das Eine, zu tief Entladen aber das andere! Also zu tief darf der LiPo oder LiIo nicht entladen werden, da gibt es eine Spannungsgrenze, da sollte der Verbraucher dann abschalten... Mfg
Ich antworte hier, um den anderen Thread nicht weiter zu belasten... Beitrag "LiPo-Ladegerät Selbstbau" Bernd Stein schrieb: > Hannes Lux schrieb: > ... >> >> An Laptop-Akkus (mit eigener Elektronik) würde ich mich damit aber nicht >> unbekümmert herantrauen. Da hätte ich Bedenken, dass sich die Elektronik >> veralbert fühlt und Bockmist macht. >> > Die Akkus werden nicht mehr in irgendeinem Notebook oder dergleichen > eingesetzt. Wuste nur nicht wie man LiIon-Akkus läd. Dachte das dies so > kompliziert sein muß, wie auf der beidseitig bestückten Platine vom > Notebookakku zu sehen ist. Wenn Du die nakten Zellen ohne Platinen nimmst, dann kannst Du die 18650-Lader selbstverständlich benutzen. Bei Deinen 2 Zellen reichen natürlich auch 2 Ladegeräte. Ich habe auch Zellen eines alten Laptop-Akkus (Toshiba SP4200-Serie) benutzt, um eine "Batterie" (3 Zellen) für eine Gartenbahnlok zusammenzulöten. Diese Batterie war zwar nur als Notlösung gedacht, hält sich aber seit einem Jahr recht tapfer, und das bei sehr häufigem Gebrauch. Auch diese wird natürlich mit einem "Dreizylinder" geladen... > Werde jetzt mal bei Ibäh gucken, was diese 18650 Ladegeräte so kosten. Die gibt es zu sehr unterschiedlichen Preisen, ich hatte sie (ohne Akkus) auch schon für weit unter 5 Euro (incl. Versand). Allerdings aus Hongkong, was Paypal erfordert und lange unterwegs ist. > Auf Dauer mein Netzgerät für diesen Zweck zu blockieren ist nicht gerade > Sinnvoll. > > Bernd_Stein ...
Bernd Stein schrieb: > >> Werde jetzt mal bei Ibäh gucken, was diese 18650 Ladegeräte so kosten. > Hannes Lux schrieb: ... > Die gibt es zu sehr unterschiedlichen Preisen, ich hatte sie (ohne > Akkus) auch schon für weit unter 5 Euro (incl. Versand). Allerdings aus > Hongkong, was Paypal erfordert und lange unterwegs ist. > Nun, da ich zwei davon brauche bin ich zur Zeit bei ca. 10 EURO. Ob ich da nicht mit den nackten Bauteilen die dort verbaut sind günstiger hinkomme ? Mal sehen was ich so finde für 230V auf 4,2V / 0,6A. Das Hauptproblem dürfte der Übertrager bzw. Mini Trafo sein. Es wird sich doch Hoffentlich im www ein " Selbstbauschaltregler " mit diesen Daten finden lassen ? Was für ein Schaltregler ist denn da verbaut ? Ob die Teile schon jemand " Reverse Engineered " hat ? Aber bei dem Preis macht sich da wohl keiner Gedanken darüber, geschweige denn die Arbeit. Hannes Lux schrieb: > > Ich antworte hier, um den anderen Thread nicht weiter zu belasten... > Beitrag "LiPo-Ladegerät Selbstbau" > Eigentlich bin ich dort ja mittlererweile richtiger mit meinem Vorhaben, auch wenn es bei mir um LiIon geht. Aber irgendwie diskutieren die Leute da gerade etwas an dem Thema vorbei. Bernd_Stein
Bernd Stein schrieb: > Was für ein Schaltregler ist denn da verbaut ? > > Ob die Teile schon jemand " Reverse Engineered " hat ? > > Aber bei dem Preis macht sich da wohl keiner Gedanken darüber, > geschweige denn die Arbeit. Ich habe zwei defekte Platinen da, die kannst Du Dir gern abholen und versuchen zu reparieren. ...
Hannes Lux schrieb: > Bernd Stein schrieb: >> Was für ein Schaltregler ist denn da verbaut ? >> >> Ob die Teile schon jemand " Reverse Engineered " hat ? >> >> Aber bei dem Preis macht sich da wohl keiner Gedanken darüber, >> geschweige denn die Arbeit. > > Ich habe zwei defekte Platinen da, die kannst Du Dir gern abholen und > versuchen zu reparieren. > > ... Hast Du da mal den Schaltplan aufgenommen? Gruss Harald
Bernd Stein schrieb: > Mal sehen was ich so finde für 230V auf 4,2V / 0,6A. > Das Hauptproblem dürfte der Übertrager bzw. Mini Trafo sein. Nun es gibt wohl massenhaft billige Netzteile für 5V, u.a. bei Pollin. Das müsste man auch auf 4,2V trimmen können. Natürlich müsste man noch eine Präzisions-Referenz integrieren. Bei den derzeitigen Aussentemperaturen braucht man eigentlich keine zusätzliche Heizung durch Li-Akkus... Gruss Harald
Egon Spengler schrieb: > Mit einem LM723 kann man ganz einfach ein Ladegerät für Lithium-Ionen > Akkus aufbauen. Aber nicht für einzelne Zellen. Und mit 230V kann man den 723 auch schlecht betreiben. Gruss Harald
Egon Spengler schrieb: > Mit einem LM723 kann man ganz einfach ein Ladegerät für Lithium-Ionen > Akkus aufbauen. Ja, wir wissen es inzwischen alle. Wir kennen auch den anderen Thread. Ich bevorzuge aber die industriell gefertigten Lader-Platinen und die Leute, die die Akkus ihrer Gartenbahn-Loks damit laden, sind damit völlig zufrieden. Wenn ich den '723 für Einzelzellenladung von 3s-Akkupacks nutzen wollte, bräuchte ich noch 3 separate Netzteile (sekundär galvanisch getrennt) und müsste dem Gerät auch noch einen Spannungsabfalleimer für die Verlustleistung spendieren, also Kühlkörper für die Leistungshalbleiter vorsehen. Dazu kommt dann noch ein dicker Trafo mit 3 gleichen separaten Sekundärwicklungen. Das alles macht das Gerät unnötig groß und schwer, und damit für den Transport etwas unhandlich. Und die Dinger werden viel transportiert. Und billiger kommt die '723-Lösung auch nicht. Da sind mir die spottbilligen, speziell für Li-Ion-Akkus entwickelten Schaltnetzteillader bedeutend lieber. Harald Wilhelms schrieb: > Hast Du da mal den Schaltplan aufgenommen? Nein, da war mir nicht danach. Die sind auf der Netzseite auch recht eng bestückt. Aber Bernd_Stein will die Dinger ja haben, dann kann er die Schaltung aufnehmen und hier darüber diskutieren. ...
> > Harald Wilhelms schrieb: >> Hast Du da mal den Schaltplan aufgenommen? > ... Hannes Lux schrieb: > Nein, da war mir nicht danach. Die sind auf der Netzseite auch recht eng > bestückt. Aber Bernd_Stein will die Dinger ja haben, dann kann er die > Schaltung aufnehmen und hier darüber diskutieren. > Falls es nicht zu aufwendig ist, werde ich es machen. Das mit den Stecker-Schaltnetzteilen für 5V ist mir auch schon in den Sinn gekommen. Mal sehen ob man da was drehen kann, das diese 4,2V machen. Habe im www nichts Schaltreglermäßiges für 4,2V gefunden (Für direkt an 230V ) Das dürfte wohl an den verfügbaren Stecker-Schaltnetzteilen für 5V liegen. Das diese 1A oder 2A bringen kann ich zwar nicht ganz glauben, aber egal für die Preise will ich es mal nicht so genau nehmen. Bernd_Stein
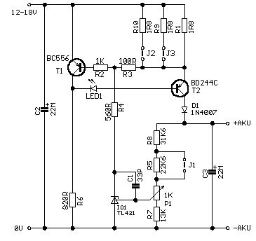
Anbei ganz einfache Schaltung. J1 muss für zwei Zellen angeschlossen werden. Es funktioniert als konstant Strom-Quelle mit dem Spannung-Limitter. Es ist sehr bewertete Schaltung, funktioniert einwandfrei und zuverlässig. Gruß, Martin
Ich seh grad...C2 auch ;-) naja, das P für pico ist ebenfalls groß geschrieben.
MaMe schrieb: > > Anbei ganz einfache Schaltung. J1 muss für zwei Zellen angeschlossen > werden. Es funktioniert als konstant Strom-Quelle mit dem > Spannung-Limitter. Es ist sehr bewertete Schaltung, funktioniert > einwandfrei und zuverlässig. > > Gruß, > Martin > Danke. Werde erstmal mit den Stecker-Schaltnetzteilen und mit den Platinen von Hannes Lux experimentieren. Ich bezweifle das ich sämliche Widerstandswerte besitze, ansonsten besteht die Schaltung überwiegend aus Teilen die ich besitzte. Bernd_Stein
Hallo zusammen, habe heute die Platinen von Hannes Lux ( 18650 Lader ) erhalten. Hier erstmal Fotos davon. Die Schaltung ist doch aufwendiger als ich dachte. Auf dem Übertrager bzw. Trafo steht leider nichts drauf. Es ist eine einseitige Platine, die beidseitig bestückt ist. Wenn ich mit der Schaltplanerstellung fertig bin, werde ich einen neuen Thread dazu aufmachen und auch hier verlinken, aber das dauert. Bernd_Stein
Bernd Stein schrieb: ... > Wenn ich mit der Schaltplanerstellung fertig bin, werde ich einen neuen > Thread dazu aufmachen und auch hier verlinken, aber das dauert. > So ich bin soweit. Beitrag "LiIon 18650 Ladegerät für zwei Parallel" > Bernd_Stein
Wo ich grade im ersten Post dieses Bild von dem Notebook akku sehe, was ist das für ein Teil links mit den drei anschlüssen? Das verklebte..
Werner schrieb: > Wo ich grade im ersten Post dieses Bild von dem Notebook akku sehe, was > ist das für ein Teil links mit den drei anschlüssen? Das verklebte.. > Ich vermute ein Bi-Metall. Das bedeutet, wenn der Strom eine Zeitlang zu hoch ist, verbiegt sich durch die Erwärung das Zweischichtige Metall und öffnet somit den Kontakt und unterbricht den Stromkreis. Bernd_Stein
Bitte melde dich an um einen Beitrag zu schreiben. Anmeldung ist kostenlos und dauert nur eine Minute.
  
  Bestehender Account
  
  
  
  Schon ein Account bei Google/GoogleMail? Keine Anmeldung erforderlich!
Mit Google-Account einloggen
Mit Google-Account einloggen
  Noch kein Account? Hier anmelden.




 Thread beobachten
 Thread beobachten Seitenaufteilung abschalten
 Seitenaufteilung abschalten