Bei einer Simulation mit Multisim 10.1 wird die Netzliste des folgenden Spice Modells nicht erkannt. *DEVICE=IXTH10P50,PMOS * IXTH10P50 PMOS model * updated using Model Editor release 9.2.1 on 10/24/03 at 17:43 * The Model Editor is a PSpice product hmt. *$ .MODEL IXTH10P50 PMOS + LEVEL=3 + L=2.0000E-6 + W=35 + KP=522.45E-9 + RS=10.000E-3 + RD=.88276 + VTO=-5.1807 + RDS=2.0000E6 + TOX=2.0000E-6 + CGSO=285.71E-18 + CGDO=5.0315E-12 + CBD=3.6162E-9 + MJ=.62777 + PB=.59818 + RG=10.000E-3 + IS=170.28E-9 + N=5 + RB=1.0000E-9 + GAMMA=0 + KAPPA=0 + UO=300 *$ Die Fehlermeldung lautet: ------ Überprüfe SPICE-Netzliste auf Netzteil_nKanal_Mosfet_pKanal - 2011-04-29 11:46:51 ------ SPICE-Netzlistenfehler im Schaltungs-RefBez 'u2', Element '<unbekannt>': Aufgrund von Fehlern wurden die Bauelemente 'mu2' von der Simulation ausgenommen SPICE-Netzlistenwarnung im Schaltungs-RefBez '', Element 'ixth10p50__pkanal_1__1': Unbekannter Modellparameter 'n', dieser Parameter wird nicht berücksichtigt. ======= Prüfung SPICE-Netzliste abgeschlossen, 1 Fehler, 1 Warnung(en) ======= Vielleicht hat jemand eine Idee wie man das reparieren kann.
Habs gerade mal mit LTspice getestet. Das PMOS Modell funktioniert. "Level=3" kennt Multisim bestimmt. Falls es das N=5 nicht mag, dann lösch die Zeile weg.
Ich bin dem Ratschlag gefolgt. Folgende Lösungsschritte habe ich probiert. 1.) +Level=5 2.) auskommentieren der Zeile durch *+Level=3 3.) entfernen der Zeile +Level=3 Es erscheint weitherhin die Fehlermeldung: SPICE-Netzlistenfehler im Schaltungs-RefBez 'u2', Element '<unbekannt>': Aufgrund von Fehlern wurden die Bauelemente 'mu2' von der Simulation ausgenommen Hat jemand noch eine Idee? Das waere fuer mich sehr hilfreich!
Die Zeile Level=3 darfst du nicht löschen sonst passen die Parameter gar nicht mehr. Wahrscheinlich ist etwas an deinem Symbol im Schaltplan falsch. Mach mal einen Test mit einem einfachen Modell. .MODEL IXTH10P50 PMOS VTO=-5.1807 KP=10
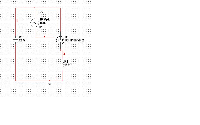
Ich habe folgendes Modell verwendet: .MODEL IXTH10P50 PMOS VTO=-5.1807 KP=10 Folgende Fehlermeldung erscheint: ------ Überprüfe SPICE-Netzliste auf Schaltung1 - 2011-05-01 21:38:06 ------ SPICE-Netzlistenfehler im Schaltungs-RefBez 'u1', Element '<unbekannt>': Aufgrund von Fehlern wurden die Bauelemente 'mu1' von der Simulation ausgenommen ======= Prüfung SPICE-Netzliste abgeschlossen, 1 Fehler, 0 Warnung(en) ======= Anbei befindet sich der Schaltplan des verwendeten Modells.
Vielleicht hast du ein Symbol genommen das für ein Subcircuit gedacht ist. Nimm mal ein PMOS symbol ohne Diode.
Anbei die Datei der geänderten Schaltung mit dem geändertem Symbol. Auch diesmal lautet die Fehlermeldung: ------ Überprüfe SPICE-Netzliste auf Schaltung1 - 2011-05-01 22:00:09 ------ SPICE-Netzlistenfehler im Schaltungs-RefBez 'u1', Element '<unbekannt>': Aufgrund von Fehlern wurden die Bauelemente 'mu1' von der Simulation ausgenommen ======= Prüfung SPICE-Netzliste abgeschlossen, 1 Fehler, 0 Warnung(en) =======
Warum heißen die immer U. Ich habe erwartet, dass da dann M1 steht. Gibt es da kein Mosfet-Symbol das mit M daherkommt?
Wenn man einen p-Kanal Mosfet oder einen n-Kanal Mosfet aus der Bibliothek auswählt, wird die Komponente im Schaltplan automatisch mit U(und Nummer) bezeichnet. Wenn man sich eine Netzliste ausdrucken laesst, dann wird die Komponente (p-Kanal Mosfet) in der Auflistung der Bauteile automatisch mit mU(und Nummer) bezeichnet. Alle anderen aus der Bibliothek ausgewählten Mosfet Schalter fangen in der Netzliste mit xU(und Nummer) an. Meiner Meinung nach liegt es daran, dass das Modell der Komponente mit .Model anfängt. Alle anderen in diese Datei importierten Modelle von Mosfet Schaltern fangen mit .SUBCKT. Ich denke, es macht Sinn das Modell, des betroffenen p-Kanal Mosfet auch mit .SUBCKT zu starten. Welche Änderung am Modell des P-Kanal Mosfets müssen in diesem Fall noch getroffen werden ?
Je anchdem ob dein Symbol drei oder 4 Anaschlüsse hat in etwa so: * Mit 4 Anschlüsen D G S SUB .SUBCKT IXTH10P50 1 2 3 4 M1 1 2 3 4 IXTH10P50 .MODEL IXTH10P50 PMOS + LEVEL=3 + L=2.0000E-6 + W=35 + KP=522.45E-9 + RS=10.000E-3 + RD=.88276 + VTO=-5.1807 + RDS=2.0000E6 + TOX=2.0000E-6 + CGSO=285.71E-18 + CGDO=5.0315E-12 + CBD=3.6162E-9 + MJ=.62777 + PB=.59818 + RG=10.000E-3 + IS=170.28E-9 + N=5 + RB=1.0000E-9 + GAMMA=0 + KAPPA=0 + UO=300 .ENDS * Mit drei Anschlüsen D G S .SUBCKT IXTH10P50 1 2 3 M1 1 2 3 3 IXTH10P50 .MODEL IXTH10P50 PMOS + LEVEL=3 + L=2.0000E-6 + W=35 + KP=522.45E-9 + RS=10.000E-3 + RD=.88276 + VTO=-5.1807 + RDS=2.0000E6 + TOX=2.0000E-6 + CGSO=285.71E-18 + CGDO=5.0315E-12 + CBD=3.6162E-9 + MJ=.62777 + PB=.59818 + RG=10.000E-3 + IS=170.28E-9 + N=5 + RB=1.0000E-9 + GAMMA=0 + KAPPA=0 + UO=300 .ENDS
Vielen Dank! Die Ausführungen bezüglich des letzten Beitrags haben zum Erfolg geführt. Multisim kann das angepasste Modell des P-Kanal Mosfets nun importieren. Es treten keine weiteren Netzliste-Fehler auf. Zum tieferen Verständnis habe ich folgenden Link im Internet gefunden: http://digital.ni.com/public.nsf/allkb/2977F43588E1C460862572F3005693A6 Jetzt habe ich allerdings ein neues Problem. Dafuer möchte ich ein neues Thema eroeffnen!
Bitte melde dich an um einen Beitrag zu schreiben. Anmeldung ist kostenlos und dauert nur eine Minute.
Bestehender Account
Schon ein Account bei Google/GoogleMail? Keine Anmeldung erforderlich!
Mit Google-Account einloggen
Mit Google-Account einloggen
Noch kein Account? Hier anmelden.

