Hi, ich hab diese Schaltung hier nachgebaut: http://www.theremin.info/modules.php?set_albumName=album44&id=Glasgow_digital2&op=modload&name=gallery&file=index&include=view_photo.php&GallerySession=9638110958f1c5ac0814ee9bdc51e81b Es funktioniert auch wunderbar, nur kann ich mir nicht erklären, warum ein 4070 sehr heiß wird. Nach einer kurzen Aufheizzeit hält er scheinbar eine (sehr hohe) Temperatur. Er übersteht das auch über Nacht, ohne kaputt zu gehen (hab gestern vergessen, den Stecker zu ziehen ;) Alle unbenutzten Eingangspins liegen auf Masse. Unbenutzte Ausgangspins haben Pegel um die 0,8V, der Frequenzzähler am Multimeter zeigt nix an. Oszi hab ich leider keins.. Ist das jetzt normal oder muss ich nochmal ran? Ich hab kein so gutes Gefühl dabei weil er doch mehr als handwarm wird. Am Chip selbst liegts wohl nicht, Austauschen bringt nix..
da ist was faul, sowohl, dass er warm wird als auch der Ausgangspegel von 0,8V (wobei wahrscheinlich das eine mit dem anderen zusammenhängt). Ohne Belastung liefert ein CMOS-Gatter saubere 0V. Woran es liegt, kann ich dir auch nicht sagen. Kann eigentlich nur an deinem Aufbau liegen. Welche Pins hast du denn an Masse angeschlossen?
Ich benutze 1,2 und habe 5,6,7,8,9,12,13 an Masse, 14 an +12V, 4,10,11 sind frei. Der nächste 100nF ist ein paar cm weg, es sind aber einige drauf. Kann das auch der Grund sein? Ich werds heute nachmittag mal ausprobieren..
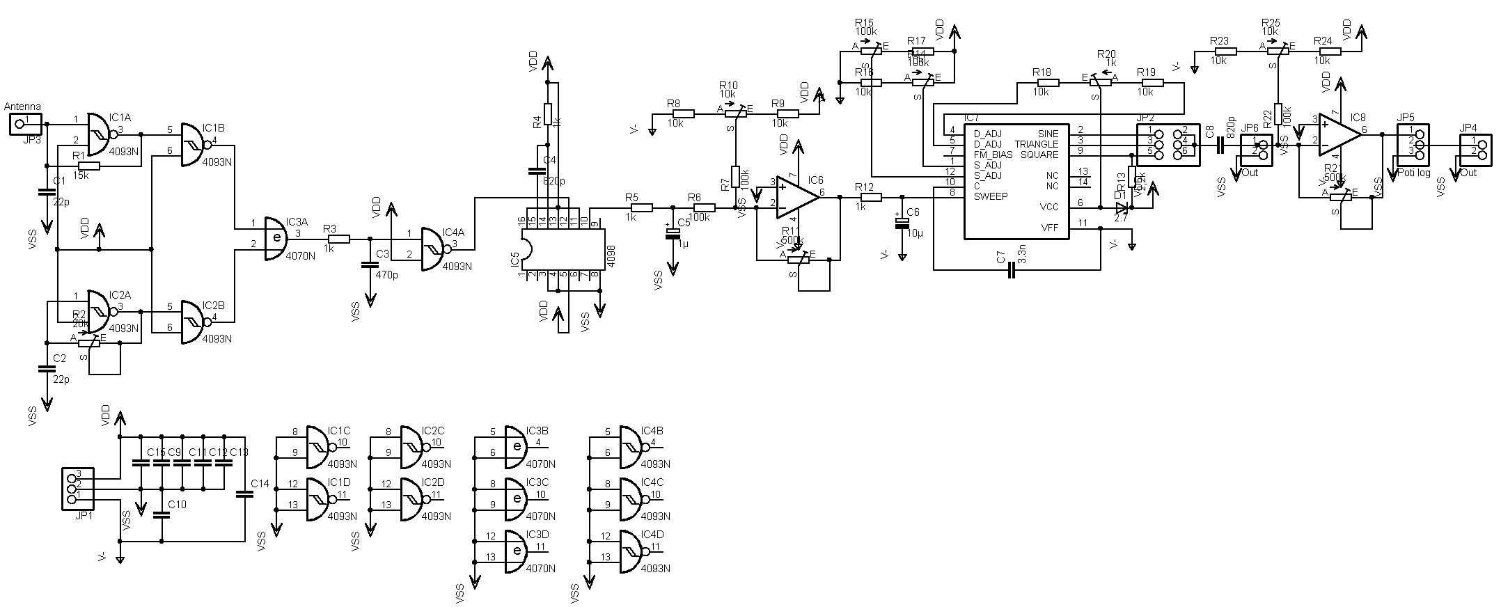
Jetzt hat jeder IC seinen eigenen Kondensator, insbesondere auch das Problemkind. Heiß wird er immer noch, und das nicht zu knapp. Gibt es sonst noch irgendwelche Standardfehler, die oft gemacht werden? Ich hab den Schaltplan mal angehängt aus dem ich das board gemacht habe. Wär nett, wenn ihr mal drüber schauen könntet. Das Hitzeproblem hat nur IC3 (4070).
Entferne mal IC1 und IC2 und leg die Eingänge von IC3A auch auf Masse. Wenn das IC dann kalt bleibt liegt es an der hohen Frequenz. Wenn es aber immer noch heiß wird, mess mal alle Spannungen von IC3A gegen Pin 7. Dann ist nämlich entweder das IC hinüber oder ein Fehler im Aufbau.
Wenn ich IC3A auf Masse lege bleibt er kalt. Wir kommen dem ganzen also schon näher. Mit IC3A auf Masse lege (nur inputs natürlich), messe ich ein -50mV auf allen Ausgängen mit Bezug auf Pin7. Mit Frequenzen um 1,5MHz wird er dennoch heiß. Ich messe dann an den Inputs, die wohlgemerkt auf der selben Massefläche liegen wie Pin7, stolze -0,8V. Die Outputs haben um 5-7mV. 1,5MHz sind doch nicht zu schnell für 40er oder? Kann es vielleicht an schlechten Übergängen an den Federleistensockeln liegen? Ich habe extra nicht die guten gedrehten geholt, weil man aus den Federleisten die ICs besser wieder rausbekommt. Ich hab leider auch grade keine gedrehten hier, sonst hätte ich es schon ausprobiert. Was sagt eure Erfahrung? Kann es damit Probleme geben bei höheren Frequenzen? Ansonsten funktioniert die Schaltung aber scheinbar einwandfrei. Wundert mich halt nur, dass der 4070 sich auf den unbenutzten Gattern so komisch verhält..
> Ich messe dann an den Inputs, die wohlgemerkt auf > der selben Massefläche liegen wie Pin7, stolze -0,8V. Das ist äusserst ungesund und kann durchaus erklären, warum das Teil heiss wird - unter solchen Betriebsbedingungen kann es im IC zu einer Art Kurzschluss zwischen Vcc und GND kommen. Such also lieber mal nach der Ursache für die negative Spannung.
Hi, dass es ungesund ist zeigt schon die extreme Hitzeentwicklung. Kaputt ist dabei zwar komischerweise noch kein IC gegangen aber wohl ist mir nicht bei der Sache. Ich hab leider nicht so wahnsinnig viel Ahnung von CMOS-Gattern allgemein und wass bei höheren Frequenzen so alles schief laufen kann. Also nochmal die Liste mit möglichen Ursachen soweit bis jetzt vorgeschlagen: - fehlende Blockkondensatoren -> jeder IC hat einen 47nF oder 100nF - freie Eingänge -> alle unbenutzten Eingänge auf 0V gezogen - zu hohe Frequenz -> 2x 1,4-1,6MHz an IC3A, Differenz am Ausgang wie geplant - Schaltungsfehler -> Habe ein Bild des Layouts angehängt, Schaltplan weiter oben. Wäre dankbar, wenn ihr euch das anschaut. Vielleicht hab ich ja doch nen Newbiefehler drin.. - schlechter Übergang am Sockel?!?! Danke für die bisherigen Vorschläge, bin natürlich für weitere Vorschläge offen und dankbar..
Was mir am Layout auffällt: Der Pufferkondensator C1 befindet sich nur räumlich in der Nähe von IC1, hinsichtlich der Leiterbahnführung jedoch eher nicht. Umgekehrt wär's besser. Das sollte aber bei CD4000-ern nicht arg ins Gewicht fallen. Aber was anderes: Schmeiss mal probehalber R3 raus - was passiert dann? Ein 1K Lastwiderstand ist für CD4000-er viel zu niedrig. 10K passt besser.
C1 und C2 sind Teil der Oszillatoren. Die hab ich extra so nah wie möglich gesetzt. Du meintest sicher C12. Um den hab ich mich nicht extra gekümmert. IC1 scheints aber auch zu verkraften. C15 ist in meiner Version noch nicht drin, dafür hab ich einen 100nF direkt an die Pinne gelötet. Meintest du mit R3 rausschmeißen, den Ausgang in der Luft hängen lassen? Das hab ich probiert, kein Unterschied erkennbar leider. Eine richtige Last in dem Sinn hängt da auch nicht dran meiner Meinung nach. R3 und C3 integrieren das Ausgangssignal und IC4 puffert es dann wieder. Es kann doch nicht so schwer sein, ein paar CMOS-Gatter zu benutzen oder?
Ich meinte zwar C1 aber nur weil die Traces im Bild nicht so recht erkennbar sind und ich das nicht mit dem Schaltbild korreliert hatte. Weitere Kondensatoren hatte ich nicht untersucht. C12 ist allerdings wirklich meilenweit daneben. > Eine richtige Last in dem Sinn hängt da auch nicht dran > meiner Meinung nach. Naja. Was man halt so unter Last versteht. R3 belastet IC3A jedenfalls so weit, dass dessen Ausgang oft ausserhalb der üblichen Pegel für CMOS liegen sollte. Die CD4000-er sind nicht sonderlich belastbar. Wieviel Strom fliesst denn in IC3 rein? Hast Du mal die Vdd- und GND-Pegel an den ICs nachgemessen, ob da evtl. einer arg aus der Reihe tanzt? Was die Frequenz angeht: Vom HEF4070 habe ich Formeln für die Verlustleistung: 10V: P = 4900 * Fi + Fo Cl Vdd^2 15V: P = 14400 * Fi + Fo Cl Vdd^2 wobei Fi = input freq (MHz) Fo = output freq (MHz) Cl = load capacitance (pF) P = dynamic power dissipation (µW).
Danke Leute, es geht endlich. Ich habe den Grund gefunden, warum die Ausgänge -0,8V hatten, wenn ich von der Massefläche aus gemessen habe und die Eingänge 0,8V, wenn ich von Pin7 aus gemessen habe. Grund war natürlich ein Potenzial zwischen Masse und Pin7 das von einer unterbrochenen Leiterbahn herrührte. Ich hab das jetzt einfach großflächig mit Lötzinn eingesaut und siehe da es funktioniert wunderbar. Erstaunlich, dass der IC trotz 0,8V auf Vss saubere 0V auf die unbenutzten Ausgänge gezaubert hat.. Danke nochmal für eure Hilfe!
Bitte melde dich an um einen Beitrag zu schreiben. Anmeldung ist kostenlos und dauert nur eine Minute.
Bestehender Account
Schon ein Account bei Google/GoogleMail? Keine Anmeldung erforderlich!
Mit Google-Account einloggen
Mit Google-Account einloggen
Noch kein Account? Hier anmelden.

