Hi, Ich hab hier ein etwas größeres Gebläse liegen das im Moment einen dicken, klobigen Regeltrafo als Drehzahlregler verwendet. Ich möchte das ganze kleiner und integrierbar in meinen Schaltschrank. Eine kurze Anfrage auf de.sci.electronics ergab nur gemotze warum ich denn ned einfach das bisher vorhandene teil weiter nutze.. naja. Ich habe in der zwischenzeit einiges an Phasecontrol IC`s gefunden die aber allesamt an Netzpotential hängen und somit der µC potentiell gefährdet ist. Gibts denn keinen der direkt ein DAC integriert hat ? Oder einen IC der einfach Controlvoltage, Ausgang und Eingang für Nulldurchgangserkennung hat ? Die meisten der IC`s haben auch explizit im Datenblatt stehen das man sie nicht aus einer extra Spannungsquelle versorgen soll... Bisherige Ic`s wären U2008B, U207B, TCA785. Vielleicht fällt euch noch was dazu ein ? Evtl. direkt mit dem µC den Triac ansteuern ? aber da wüsste ich nicht wie man das realiesiert. Ein weiterer Gedanke war ein digitales Poti, nur vertragen die die hohe spannung nicht. Mit der Suchfunktion hab ich schon einiges gefunden .. aber irgendwie nicht das was ich brauche. Inzwischen bin ich soweit das ganze in die Tonne zu treten und ihr seid sozusagen meine letzte hoffnung :) Grüße Michael
Optotriac. Entkoppelt die Potentiale und läßt sich einfach über Analogspannung, die Du z.B. durch Pulsweitenmodulation (PWM) aus dem AVR erzeugen kannst, steuern. Als ungeregelte Lösung kannst Du ein Poti über den Analog Komparator Eingang des AVR abfragen und dann den Optotriac entsprechend auf- oder zumachen. Schöner ist natürlich eine echte Regelung, derart, daß Du z.B. über einen Infrarot Reflektionsdetektor die Drehzahl am Gebläse mißt.
Hallo, danke erstmal für den wirklich guten Hinweis. Der Optotriac ist ja glaube ich nur ein trigger für den Lasttriac, oder ? macht dann der Optotriac schon die Nulldurchgangserkennung ? Oder ist das garnicht nötig ? Welcher wäre denn empfehlenswert.. ich habe mir jetzt mal die MOC serie angesehen. Nur da gibts zig :) Grüße Michael
Nachtrag: Man kann die Schaltung natürlich noch dahingehend optimieren, daß man dann den AVR ganz wegläßt und den Optotriac direkt über Poti ansteuert. Manchmal gerät das naheliegende aus dem Blick bei all den schönen Möglichkeiten, die AVRs sonst so bieten. :-O Der MOC kann dann einen Leistungstriac steuern. Dazu gibt es einen thread in d.s.e., den ich gestartet habe. Subject: "Opto Triac oder sowas - Antikschaltung" (März 2001)
Hi Micha! Wenn ich dich richtig verstehe willst du Phasenanschnitt? Dazu empfehle ich el.Lastrelais ohne Nullschalter,sind bis 8A erhältlich. Bei C...S202 SE1 für 10,20 EU's. Ich müsste sogar noch irgendwo ein AVR-Prog haben. Bei Int. sage Bescheid. Gruss Uwe
Hi Uwe, Das wäre natürlich ideal ! Interesse ist auf jeden fall da. Grüße Micha
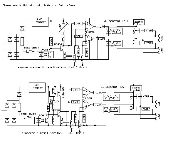
Hi Das Prog. ist für dich nicht geeignet, war ein Softlicht für's Aquarium. Hab aber mal ne analoge Lösung erstellen müssen(Ust = 0-10V),die hänge ich mit an. Wenn du unbedingt AVR brauchst muss ich's eben umschreiben. Gruss Uwe
Bitte melde dich an um einen Beitrag zu schreiben. Anmeldung ist kostenlos und dauert nur eine Minute.
Bestehender Account
Schon ein Account bei Google/GoogleMail? Keine Anmeldung erforderlich!
Mit Google-Account einloggen
Mit Google-Account einloggen
Noch kein Account? Hier anmelden.
