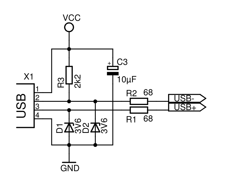
Hallo, ich bin gerade dabei mir einen USB-Programmer zu bauen (USBasp) und zu verstehen wie die Schaltung funktioniert. Jedoch sind mir beim Anschluss des USB Port ein paar Fragen aufgekommen. Im Anhang erkennt man die beiden Dioden, welche die Spannung auf 3,6V begrenzen, da im Full-Speed-Modus die Pegel der Datenleitungen zw. 2 und 3,6V liegen müssen. Was mich nun stutzig macht ist, dass der Pullup-Widerstand an D- angeschlossen ist. Dadurch wird das Device ja als Low-Speed identifiziert. In den Spezifikationen wird hier jedoch ein Pegel von 0 - 0.8V angegeben. handelt es sich hier um einen Fehler im Schaltplan oder funktioniert es auch so? Auch würde mich interessieren wie viel Strom auf den Datenleitungen liegen muss. In den Spezifikationen hab ich 17,78mA gefunden allerdings bezog sich dies nur auf High-Speed. Wie sieht es hier bei Low- bzw. Full-Speed aus? Danke schon mal für die Antworten.
Low-Speed ist schon richtig. Der Strom dürfte im Durchschnitt geringer sein, aber vielleicht verursachen die Leitungskapazitäten Spitzen.
Hab den von: http://www.fischl.de/usbasp/ usbasp_gr.rar by J.A. de Groot Der hat keine Z-Dioden und tut schon seit 4 Jahren ohne Probs.
Bitte melde dich an um einen Beitrag zu schreiben. Anmeldung ist kostenlos und dauert nur eine Minute.
Bestehender Account
Schon ein Account bei Google/GoogleMail? Keine Anmeldung erforderlich!
Mit Google-Account einloggen
Mit Google-Account einloggen
Noch kein Account? Hier anmelden.
