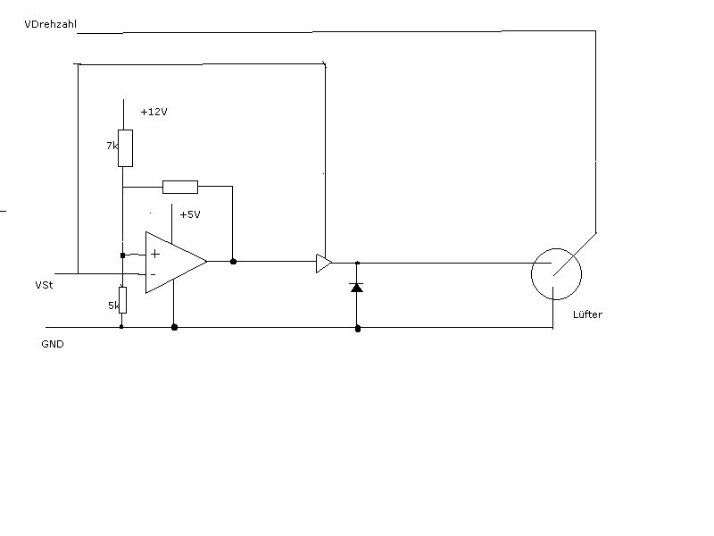
Bevor jetzt ein "geh suchen" kommt :) Ich will keine Lüftersteurung aufbauen, sondern eine vorhandene (kauf-) steuerung erweitern. Und zwar regelt diese Steuerung bis auf 2000 Umdrehungen runter, was einem Spannungswert von 5V enspricht. (klingt wenig professionell, aber so stehts in tests und beschreibungen des Teils). Allerdings schaltet die Steuerung den Lüfter nicht komplett ab, was ich jedoch möchte. Ich gehe erst einmal davon aus, daß das Feedback über die Drehgeschwindkeit nicht ausgewertet wird. Mein Gedanke hinter beiliegendem Schaltplan ist nun folgender: Über einen Schmitt-Trigger erkenne ich, ob min. 5V anliegen. Falls ja werden Diese über einen Treiber zum Lüfter geleitet. Falls nein, kommt halt nix an beim Lüfter. (Ich hoffe, das Schaltzeichen vom Treiber ist in etwa richtig, habs aus Datenblättern erraten) Hab ich endlich mal keinen Denkfehler? ;) Angenommen, die Steuerung wertet doch das Drehzahlsignal aus und jagt die Spannung quasi automatisch wieder hoch: Ist das Signal einfach eine analoge Spannung im Bereich 0-12V oder sind es digitale Informationen? Danke schonmal
Hallo Tomato, ich verstehe zwar deinen "Schaltplan" nicht so ganz, aber so wie du es beschrieben hast, dürfte es funktionieren... Das Drehzahlsignal des Lüfters ist digital. Es ist ein Rechtecksignal mit f ~ Drehzahl. Gruß, Christian
Bitte melde dich an um einen Beitrag zu schreiben. Anmeldung ist kostenlos und dauert nur eine Minute.
Bestehender Account
Schon ein Account bei Google/GoogleMail? Keine Anmeldung erforderlich!
Mit Google-Account einloggen
Mit Google-Account einloggen
Noch kein Account? Hier anmelden.
