Hallo, ich bin relativ verwirrt, aufgrund von mangelndem Wissen. Ich habe die Schaltung aus dem AVR-TUTORIAL, von dieser Homepage, zum Programmieren eines Atmega8 aufgebaut und finde nun irgendwie keinen passenden Schaltplan um die 6-polige Stiftleiste über die passende Buchse an meinen Rechner anzuschliessen, ja noch nicht mal ein Kabel zu kaufen. Nun kenne ich mich mit MISO und MOSI usw. nicht sonderlich gut aus und kann mir keinen Reim aus anderen Plänen machen. Im Anhang ist der Schaltplan. Bin für jeden Ratschlag dankbar. MFG Daniel
Nun, Du brauchst ein Programm zum übertragen der Daten. Z.B. PonyProg. Und ein Kabel. Ich verwende eines für den Parallelport, welches lediglich mit vier Widerständen aufgebaut ist. Aber Achtung: Der Parallelport ist so ungeschützt und da kann man sich auch mal was am Rechner zerhauen... Ich glaube ich habe es von dieser Seite ... ich bin mir aber nicht sicher. Dort ist aber auch die etwas sichere beschrieben... http://www.blafusel.de/misc/atmega8_isp.html
So ich habe noch einmal nachgeschaut. Ich verwende den DT-006 (parallel) von dieser Seite: http://mikrocontroller.cco-ev.de/de/isp.htm Aber vorsichtig sein! Gruß Holger
Vielen Dank Holger, habe zmd. gerade geschnallt, das ich mir Mosi,Miso&Co von der Stiftleiste einfach so wie es mir gefällt legen kann. Hauptsache die Pinbelegung am Stecker und Buchse sind gleich MOSI an MOSI und MISO an MISO) und entsprechend in ihrer jeweiligen Schaltung verknüpft. Aber wieso ist der Parallelport ungeschützt? Warum kann man sich den Zerhauen? Können Spannungsspitzen induziert werden oder sowas?
Hallo, eines quält mich noch, mein Stift ist 6-polig und die Pläne für das Kabel haben alle nur 5 Anschlüsse: Stift: Kabel+Buchse: VCC ---- SCK SCK RESET Reset MOSI MOSI MISO MISO GND GND Wird der VCC nicht erwähnt, weil er für die Spannungsversorgung da ist und es jedem klar ist ausser mir? Mfg Daniel
U.U. ist es besser, VCC nicht mit ´rüber zu nehmen, wegens der Gefahr, daß Programmer und Target auf verschidenen Spannungen laufen. Damit würde es zu ein- oder beiderseitigen Überlastungen der Spannungsquellen beider Systeme kommen. Bei Programmern, die keine eigene Versorgung haben, erfolgt die Versorgung vom TargetBoard aus. Dann ist VCC freilich belegt. Im übrigen ist es ratsam, Serienwiderstände von ca. 200 Ohm in die Signalleitungen zu legen, um eventuelle Pegelunterschiede zwischen beiden Systemen abzufangen und Abrauchen infolge von Kurzschlüssen sowie Kabelverdrehen vorzubeugen.
Noch sicherer ist es wenn man einen Programmer nach www.lancos.com benutzt. Da ist eine Pegeltrennung gegeben und wenn man die Pins von MISO MOSI und CLK auch noch für was anderes verwendet gibts nicht gleich programmierprobleme.
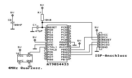
mein target läuft auf 5V mit ner Batterie und der Programmer wird doch über den parallelport auch mit 5V betrieben oder? Im Anhang ist das Schaltbild, an welchem Stift an der Sub-D 25 poligen Buchse kommt denn VCC ran wenn ich den Programmer uber den Parallelport mit 5 Volt betreiben möchte und wo die Masse? Oder Sollte ich die 5 V von meinem target Abnehmen? Es ist eh nur für Dieses Projekt mit nem Atmega gedacht? Was ist die Signalleitung? Mfg Daniel
Ich verwende genau diese Schaltung und nehme die Spannung für den Programmer vom Target ab. Über das Paralellport kommen nur die Signale und Steuerleitungen.
Hallo, erstmal vielen Dank an alle die mir geholfen haben. Habe aber noch eine kleine Unwissenheit. Der Sub-D Stecker hat von G1 nach G2 (Metallgehäuse???) eine Verbindung zu einer Art Öse oder großes Nadelöhr. Ich vermute mal das ist eine Erdung??? Wo sind denn G1 und G2 anzubringen, also was kann die Öse für ein Objekt sein?
www.oe5.oevsv.at/basteln_js/projekte.htm "Programmierung von Mikrokontroller" gibt es Programmieradapter in diveren Ausführungen. Die meisten davon passen in ein Steckergehäuse.
Kabelschirmung am Gehäuse??? Ich habe hier eine altes Parallel-Kabel. Dieses hat Silberpapier um die vielen kleinen Käbelchens. Ich löte nun einen Draht an das Metall vom Sub-D und lasse dieses mit der Metallfolie berühren. Richtig Verstanden? Nein, ich glaube auch nicht. Muss dazu sagen, das ich das alles auf einer Lötstreifenplatine anbringe, wo die anderen Schaltungen auch drauf sind.
Im Prinzip richtig verstanden, wichtig ist jedoch das die andere Seite (PC) mit Masse verbunden ist. Lötstreifenplatine ist nicht unbedingt schlecht, wenn man jedoch etwas mehr macht ist ein unabhängiger Programmieradapter besser.
Vielen Dank Hubert G.! Kannst du mir noch verraten, warum das Ganze. die Metallfolie hängt doch in der Luft und ist doch nirgendwo angeschlossen. Oder sollen mit der Metallfolie nur Störfrequenzen und damit induzierte Ströme über das Metallgehäuse vom Sub-D über den Masseanschluss des PC's abgeleitet werden? Mfg Daniel
Bitte melde dich an um einen Beitrag zu schreiben. Anmeldung ist kostenlos und dauert nur eine Minute.
Bestehender Account
Schon ein Account bei Google/GoogleMail? Keine Anmeldung erforderlich!
Mit Google-Account einloggen
Mit Google-Account einloggen
Noch kein Account? Hier anmelden.


