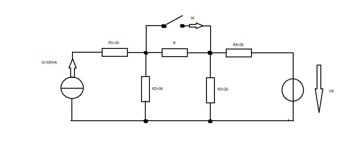
Hallo miteinander, ich hänge an einer Schaltung, bei der dessen Lösung ich auf keinen vernünftigen Ansatz gekommen bin (siehe Anhang). Zu berechnen sind R, sowie U4. Für den Fall a) Schalter offen gilt: U0 (Spannung über R) = 14,4V, für Fall b) Schalter geschlossen gilt: IK=6mA. Ich habe inzwischen 3 Seiten vollgerechnet, komme aber zu keinem vernünftigen Ergebnis. Mein letzter Gedanke war eine Baumstromanalyse, bei der ich zwei Maschen (R2-R-R3) sowie (R2-R-R4) aufgestellt habe. Damit könnte ich dann den Strom durch R3 sowie R4 für den Fall a) berechnen. Leider ist das Ergebnis nicht sonderlich handlich. In der Prüfung dürfte die Aufgabe nicht länger als 15 Minuten dauern. Mittels Überlagerungssatz bin ich auch nicht viel schlauer geworden. Mir fehlt einfach ein vernünftiger Ansatz. Kann mir hier jemand etwas auf die Sprünge helfen? Vielen Dank, grüße M. Schwaikert
erstes Zauberwort: Linearität nutzen. bei geschlossenem Schalter U4 = 1V annehmen, Ik berechnen. U4 um den Faktor F erhöhen, bis der errechnete Ik auf F mal Ik = 6mA angestiegen ist. zweites Zauberwort: Ersatzspannungsquelle bei offenem Schalter: linken Teil ( I1, R1, R2 ) in eine Ersatzspannungsquelle umwandeln ( R1 = 3k , U0 = 30V ) vereinfacht die Schaltung wesentlich. rechten Teil in Ersatzspannungsquelle umwandeln. Beide Ersatzspannungsquellen vereinigen, führt zu ganz einfacher Schaltung
Hallo Peter, danke erstmal für den Tipp. Wenn ich also zuerst annehme, dass der Schalter geschlossen ist, dann habe ich erst einen Stromteiler links, einen Spannungsteiler rechts. Zwischen beiden mittelabgriffen fließt also 6mA. Darf ich dann aus meiner Stromquelle eine Spannungsquelle machen? Dann würden am R2 18V abfallen, am R1 12V. Muss ich dann den Strom IK wieder über Helmholz ausrechnen, oder gibt es dafür einen anderen Weg? Die Linearität wurde zwar mal kurz angesprochen, aber zumindest bei uns an der FH nicht wirklich vertieft.
Mit Fall a kann man U4 leicht berechnen. Dann, wie Peter sagt, die zwei Ersatzschaltungen der Quellen bestimmen und dann lässt sich mit 2 Spannungsquellen und 3 Widerständen der Rest leicht ausrechnen. Man muss zwar zwei mal hinschauen bis man den Lösungsweg sieht, aber es geht. Lösung: (in ROT13) H4=mjöys Ibyg E=frpuf xvybbuz
Also, inzwischen ist einige Zeit vergangen, deshalb den kompltten Rechengang -R1 kann man vergessen, denn R1 ist in Reihe zu Stromquelle. -am Knoten bei R3 verteilen sich die 10 mA und die 6mA. -Strom in R2 liegt fest , also auch U an R3 UND R2 (12V) -Damit liegt auch Strom in R3 fest. Strom in R4 = 0, also muss U4 = 12V betragen. (Erste Lösung) Zwischen den beiden Punkten des Schalters ist der Kurzschlussstrom Ik 6mA - jetzt Leerlaufspannung ( R = unendlich) bei offenen Klemmen ausrechnen Aus Ik und U0 lässt sich Ri der Ersatzspannungsquelle zwischen den Schalterklemmen bestimmen. Der ganze Kram zwischen den beiden Klemmen des Schalters verhält sich wie eine Spannungsquelle mit U0 = 24V und Ri = 4kOhm Welches R an diesen Klemmen bringt 14,4 V ? (6kOhm) ( 2.Lösung)
Anderer Rechengang, nachdem U4 feststeht, wäre: R4,R3 und U4 bildet eine Spannungsquelle mit Ri = 1kOhm und U0 = 6V Stromquelle, in Spannungsquelle umgerechnet, ergibt Ri = 3kOhm und U0 = 30V beide Spannunsquellen zusammen ergeben U0 = 24V und Ri = 4 kOhm An 24 V und Ri = 4kOhm bringt R = 6 kOhm die 14,4V So einfach kann der Rechengang sein, wenn man Übung im Anwenden der Ersatzspannungsquelle hat.
Also ich glaube langsam, ich habe heute nur Frikadellen im Hirn. So recht komm ich noch nicht durch. Eigentlich kann ich aber den R1 komplett weglassen, oder?
Ohhhh neeeee Peter.... Ich habe Deine Lösung noch gar nicht bemerkt. Dass der Strom durch R4 null ist, hatte ich schon ein paar Male, allerdings hatte ich es immer als Fehler abgetan. Dann ist mir klar, wie man auf die 12V kommt. Jedenfalls habe ich jetzt eine Menge bei der Aufgabe gelernt. Soviel ist sicher. Vielen Dank euch allen.
Dann hat der Senf, den ich dazugegeben habe, gut zu den Frikadellen gepasst.
Irgendwo hab' ich einen Fehler, mit R = 4,615 k (siehe unten) komme ich auf 14,4 V. Mit R = 6 k komme ich auf (siehe Bild). U3 = 2 k * (10 mA - I2) 3 k * I2 = 14,4 V + U3 3 k * I2 = 14,4 V + 2k * (10 mA - I2)
Die simulierte Schaltung hat nix mit der ganz oben zu tun: Wo ist R4 und U4 geblieben? Die gehören dazu. Erst muss U4 für den geschlossenen Schalter aus Ik = 6mA berechnet werden. Danach kann die Schaltung mit Ersatzspannungsquellen vereinfacht werden. Zuletzt wird für 14,4V am Schalter R5 berechnet.
Ich habe nachgezählt. 7 1/2 Seiten wildester Versuche. Scheinbar ist also eine Simulation mit einfachen Dingen genauso überfordert, wie ich :-) Bei Deiner Simulation fehlt noch ein 2k Widerstand.
Also ich steh' jetzt nur noch auf'm Schlauch. Meine Rechnung soll den Fall a abdecken (14,4 V über den Widerstand R). Die Simulation soll zeigen, dass bei 6 K keine 14,4 V über dem Widerstand anliegen.
Dann fehlt immernoch parallel zum R3 die Spannungsquelle in Serie mit euben 2k Widerstand.
Ich habe hier auch noch eine lustige Aufgabe. Eine Widerstandbrücke. Es soll der Kurzschlussstrom ermittelt werden. Macht man dies, so stellt man fest, dass der negative Strom in die eine Richtung größer ist, als der positive Strom in die andere. Toll, wa?!
Bitte melde dich an um einen Beitrag zu schreiben. Anmeldung ist kostenlos und dauert nur eine Minute.
Bestehender Account
Schon ein Account bei Google/GoogleMail? Keine Anmeldung erforderlich!
Mit Google-Account einloggen
Mit Google-Account einloggen
Noch kein Account? Hier anmelden.

