Hallo, ich habe an meiner Stereoanlage einen 2-Wege Audio Umschalter hängen, mit dem ich immer zwischen Laptop und iPod hin und her schalten kann. Ich wollte den Umschalter jetzt gegen einen Schiebepoti/Crossfader ersetzen. Kann ich dies einfach so realisieren, indem ich den Schalter ausbaue und das Schiebepoti einbaue oder benötige ich dafür noch eine Ansteuerung? Über eure Hilfe würde ich mich sehr freuen! grüße Marco
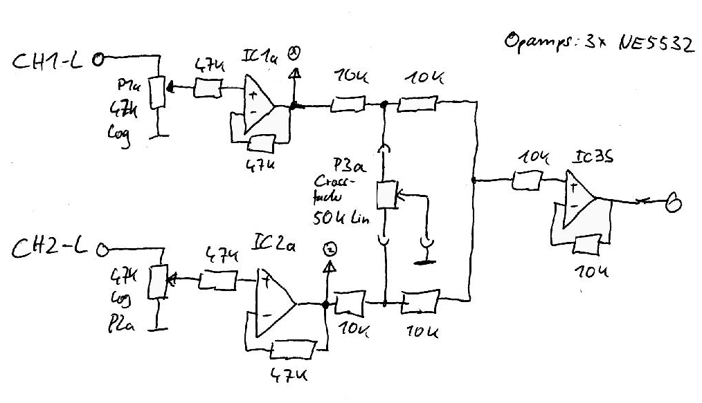
Ein bißchen zusätzliche Schaltung ist schon nötig, wenn das Faden gut klingen soll. Eine geeignete Prinzipschaltung (nur ein Kanal!) ist hier zu sehen: http://cschirp.de/pics/bmx/schaltung_bmx.jpg Laß aber die dämlichen 47k und 10k Widerstände in den Gegenkopplungen weg. Auch der 10k Widerstand am Eingang von IC3b ist Quatsch. Und die 47k Widerstände an den Eingängen der beiden anderen OPamps kannst du auf 4k7 verkleinern. Mach noch ein paar Caps in den Signalweg, um Kratzgeräusche bei Drehen bzw. Schieben der Potis zu vermeiden.
Wie ist das mit "nur 1 Kanal" gemeint? ich habe 2x2 Chinch Eingänge und 1x2 Chinch Ausgänge. Ich habe hier nur ein 10K Ohm poti rumliegen(PANASONIC EWAP30C15A14). Geht das auch? viele Dank für Ihre schnelle Hilfe:)
das EWAP30 ist doch stereo, da reicht ein Poti. nur die Schaltung muss doppelt aufgebaut werden. Hats ja quasi auch zwei Potis in einem Gehäuse mit einem "Knopf". http://uk.farnell.com/panasonic/ewap30c15a14/potentiometer-slide-10k/dp/8796238 http://www.farnell.com/datasheets/31791.pdf
ich werde die Schaltung die Tage mal aufbauen und bescheid geben ob es funktioniert:)
>das EWAP30 ist doch stereo, da reicht ein Poti. Stimmt. Ich habe jetzt auf die Schnelle nicht ins Datenblatt geschaut und aus Marcos merkwürdiger Frage gefolgert, daß er nur ein Monopoti hat. >nur die Schaltung muss doppelt aufgebaut werden. Ja, natürlich! >ich werde die Schaltung die Tage mal aufbauen und bescheid geben ob es >funktioniert:) Vergiß die Caps nicht, sonst gibt es Kratzgeräusche...
http://www.dse-faq.elektronik-kompendium.de/dse-faq.htm#F.30 unter einfachster Audiomischer (Summenlautstärke bleibt gleich):
Also ich habe alles mal aufgebaut aber ich habe irgendwo noch einen Denkfehler. Ich habe das Poti (RS60N12-LIN10K :: ALPS Hochw. Schiebe-Poti., linear, stereo, 10K) mit 6 Pins. Desweiteren habe ich meine 4 Cinch Buchsen und mein Klinke Ausgangskabel zur Stereoanlage. Wenn ich es so verdrahte wie auf dem Plan dann kommt auf beiden Kanälen Musik und ich kann mit dem Poti zwischen linkem Lautsprecher und rechtem Lautsprecher hin und her schieben. Vll. Kann mir nochmal jemand helfen. Laut Datenblatt ist die 2 der Schleifer und die habe ich gegen Masse gezogen und die 1 und die 3 auf die Ein/Ausgänge! vielen Dank. grüße Marco
Die Schaltung aus meinem Link gilt nur für den linken Kanal ODER den rechten. Es werden also nur die linken Signale verarbeitet ODER die rechten. D.h., du mußt die Schaltung zweimal aufbauen, einmal nur für alle linken Signale und einmal nur für alle rechten Signale. 1, 2 und 3 für den linken Kanal und 1', 2' und 3' für den rechten Kanal.
Ich würde den iPOD ind den Line IN vom Laptop stecken und das Faden durch Software machen.
Also in Software meine ich natürlich die Soundkarte (bzw. unter Windows den Mixer)
also es funktioniert immer noch nicht so wie es soll. Laut dem Schaltplan muss ich die Schleifer der Potis auf Masse ziehen. Aber muss ich die nicht eig. auf die Ausgänge ziehen? so wie es jetzt ist wird es blos laut und leise durch das schieben und es kommt auf beiden Kanälen obwohl eig. jeweils blos auf einem Musik kommen dürfte. vll. kann jemand den Fehler finden :)
>also es funktioniert immer noch nicht so wie es soll. Laut dem >Schaltplan muss ich die Schleifer der Potis auf Masse ziehen. Aber muss >ich die nicht eig. auf die Ausgänge ziehen? Nein, nicht bei einem Crossfader. >so wie es jetzt ist wird es blos laut und leise durch das schieben und >es kommt auf beiden Kanälen obwohl eig. jeweils blos auf einem Musik >kommen dürfte. Och Mönsch, Marco, das ist doch genau was ein Crossfader macht. Schau noch mal genau in das Bildchen: Wenn der Schleifer nach oben geschoben wird, wird der Punkt oben zwischen den zwei 10k Widerständen auf Masse gezogen. IC3b verstärkt also von dem Signal CH1-L nichts mehr. Dagegen wir das Signal CH2-L minimal abgeschwächt. -> Du hörst nur CH2-L. Ziehst du den Schleifer dagegen nach unten, ist es genau umgekehrt: Das Signal CH2-L wird maximal abgeschwächt und CH1-L minimal. -> Du hörst nur CH1-L. Und da du das Ganze zweimal aufgebaut hast, also auch noch für den rechten Kanal, hörst du das Crossfaden zwischen CH1 und CH2 eben Stereo. Das ganze 10k Widerstands-Gedöns um das Crossfader-Poti dient nur zum gleichmäßigen Faden, damit da nichts zu abrupt geschieht. Jetzt muß ich aber mal ganz blöd fragen: Hast du in die Schaltung ein 10k Poti gehängt oder ein 50k? Die Schaltung ist natürlich für ein 50k Poti dimensioniert, nicht für ein 10k Poti! Mit einem 10k Poti mußt du die 10k Widerstände um den Faktor 5 verkleinern, also 2k Widerstände nehmen.
Du könntest es auch mal mit einem aktiven Summierer probieren, so wie im Anhang gezeigt. Eventuell lohnt es sich auch etwas mit den Widerstandswerten zu spielen...
hallo, wollte nur mal bescheid sagen das ichs hinbekommen hab:-)..hatte einfach einen Denkfehler bei der Verdrahtung. Ich danke vielmals für die Hilfe
>Ich danke vielmals für die Hilfe
Du könntest den Thread damit abschließen, daß du im Detail zeigst, wie
du das Problem gelöst hast. Dann könnten auch andere davon
profitieren...
falls noch jemand da ist? wegen crossfader fragen zum umbau auf stand alone?
Bitte melde dich an um einen Beitrag zu schreiben. Anmeldung ist kostenlos und dauert nur eine Minute.
Bestehender Account
Schon ein Account bei Google/GoogleMail? Keine Anmeldung erforderlich!
Mit Google-Account einloggen
Mit Google-Account einloggen
Noch kein Account? Hier anmelden.

