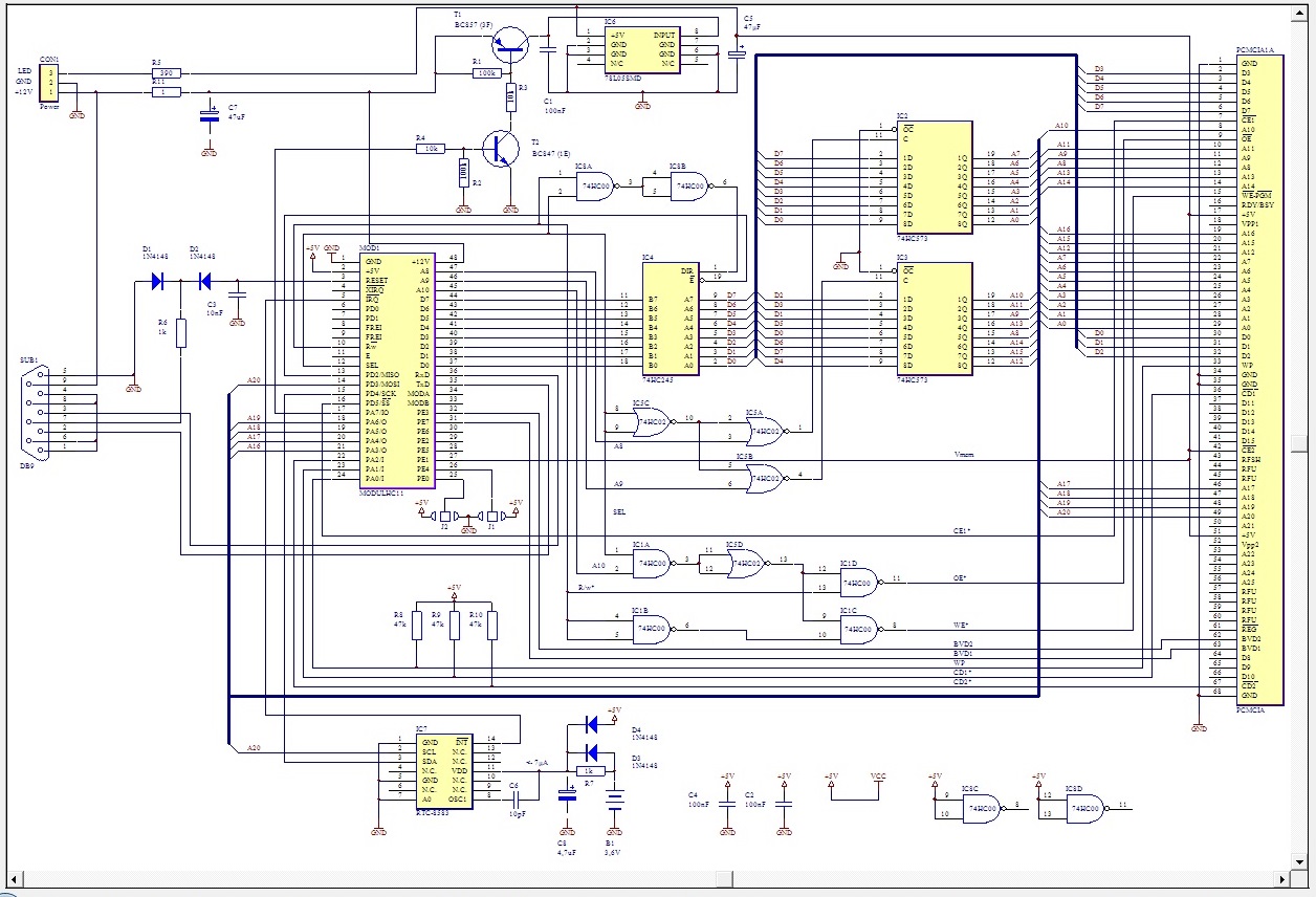
Verschenke gegen Porto (Maxibrief) 2 x PCMCIA Kartenhalter inkl. Auswerfer 2 x PCMCIA Linear Flash Karte 2MB Die 68-Pin Karten entsprechen den Normen PCMCIA. Linear Flash Karten enthalten Flashbausteine ohne Controller. Die Flashbausteine werden direkt addressiert. 1 x PCMCIA SRAM 64 KByte SRAM Karten benötigen interne Batterien, um die Daten aufrecht zu erhalten. Karte mit AUSWECHSELBAREN Knopfzelle. Ein kleiner Schreibschutzschalter auf der Seite schützt vor unerwünschten Datenverlusten Anschlußbeispiel im Bild hb248 Klammeraffee t Minus online Punkt de
Hallo Mike, das Porto kannst Du behalten. Werde die Sachen morgen zur Post bringen. Viel Spaß damit - B.
Bitte melde dich an um einen Beitrag zu schreiben. Anmeldung ist kostenlos und dauert nur eine Minute.
Bestehender Account
Schon ein Account bei Google/GoogleMail? Keine Anmeldung erforderlich!
Mit Google-Account einloggen
Mit Google-Account einloggen
Noch kein Account? Hier anmelden.

