Hi, ich möchte einen GPS-Modul mit Antenne von Framos.de bestellen um Navigationsdaten eines autonomen U-Bootes (AUV) bach dem Auftauchen aktuallisieren zu können. In einigen Threads wurde dieses GPS-Modul (bzw. der vorgänger Typ "Lassen QS GPS" ) erwähnt, aber anscheinend hat bis jetzt niemand ein komplettes Projekt auf die Beine gestellt bzw. abgeschlossen. Ich würde zu dem Modul(Lassen iQ GPS) gerne wissen -würdet ihr dieses GPS-Modul empfehlen? -wie die Schaltung für eine möglichst "saubere" Spannungsversorgung aussehen sollte und vor allem welche IC-s die Kommunikation zwischen dem GPS-Modul und dem PC (oder AVR) benötigt werden (PC<->max232, AVR<->keine ?). -ob es Kodebeispiele für das Auslesen bzw Schreiben von Daten vom AVR an das GPS-Modul gibt. Gruß Zoltan
Hallo, Empfehlung: Ja. Saubere Spannungsversorgung: Mit Standardspannungsreglern und guten Filterkondensatoren. Zusätzlich noch eine Batterie zum Puffern, wenn normale Spannungsversorgung fehlt. Kommunikation: Nimm einen ATMega mit zwei USARTs. An einen kommt direkt das Modul, an den anderen über einen MAX232 o.ä. eine SUBD-Buchse für die PC-Kommunikation. Gib dem AVR zwei Modi vor. In einem verarbeitet er die Daten, im anderen schleift er sie nur an den PC durch (externen Schalter o.ä. zur Auswahl). Die Protokollauswertung ist zumindest bei NMEA simpel, da die Daten im Klartext kommen.
DAs NMEA würd ich vielleicht nicht nehmen. Ich würde das Trimble-Protokoll empfehlen. Man kann viel mehr konfigurieren und es liegt binär vor. Die IQ's sind ziemlich gut und umfangreich ausgestattet, Anschluß an den Controller kann direkt über UART erfolgen, an PC halt mit nem Max232, aber: Antenne nicht vergessen! Schau Dir mal das Datenblatt dazu an, ist gut dokumentiert. MfG Barti
@Barti Ich würde auch eine binäre Datenübertragungn dem NMEA vorziehen. Es gibt zwar anscheinend eine kleine Eigenart des TSIP bei der Übertragung der <DLE>'s das man beachten muss, aber das sollte kein Problem sein. Eine Frage zur Antenne: Es gibt zwei Typen, die in Frage kommen: -Embedded 3.3V GPS Antenna (unpackaged) -http://www.framos.de/www.dir/de/produkte/gps/module/prod.dir/2153/index_de.html -Miniature 3V GPS Antenna (unpackaged) -http://www.framos.de/www.dir/de/produkte/gps/module/prod.dir/2153/index_de.html Abgesehn davon, dass die zweite Antenne einen Adapterkabel braucht sehe ich nicht, worin der Unterschied (abgesehn von der Grösse) zwischen beiden besteht? Meine Idee war es die Antenne so wie hier (http://underwater.iis.u-tokyo.ac.jp/robot/tri/tridog.html) auf dem Rüchen des Fahrzeuges zu montieren. Vor allem stellt sich die Frage was für ein Gehäusematerial ich für die druckfeste Kuppel verwenden darf, damit es die Funksignale nicht blockiert. Gruss Zoltan
Zum TSIP-Protokoll gibt es bei Trimble Beispiele, mit denen man durchaus was anfangen kann. Ausser in den Abmessungen scheinen sich die Antennen ja nur im Anschluss und der Versorgungsspannung zu unterscheiden. Ich würde die 3,3V Version nehmen, da kleiner, passender Anschluss (allerdings sehr kurzes Kabel) und die Vesorgungsspannung passt auch genau zum Modul. Das Gehäusematerial kann sicher aus beliebigem Kuststoff oder auch Glas sein, aber soll das Teil auch unter Wasser empfangen? Ich hab es zwar nie ausprobiert, kann mir jedoch kaum vorstellen, dass das mehr als ein paar cm tief geht. Uwe
Was nimmt der Trimble an Strom? Ist das hier wichtig, oder spielt die Stromaufnahme eher eine untergeordnete Rolle? Sonst könnte ich noch den Racewood RGPSM002 mit Xemics Chipsatz empfehlen. Liefert NMEA-Daten und verbraucht gerademal 17mA :-)) Hy-Line hat den im Programm. Der Lassen ist aber auch nicht schlecht, die Kontaktierung gefällt mir fast besser als beim Racewood. Als Antenne nimm eine kleine SARANTEL! Die ist so groß wie ein Kinderdaumen (Doppelhelix) und hat den Verstärker unten gleich mit drann (wie ein Stückchen Würfelzucker) MCX Steckverbinder. Geht beim UBoot sich besser, ein kleines Loch zu bohren, wo die Antenne von innen eingeklebt wird. Gehäuse brauchst keines. Musste mir mal 'ne Mail schreiben, wenn Du willst. Ich habe die Datenblätter und die Links auffa Arbeit. Gruß AxelR. Gruß Axel
@Uwe Ich habe bei Trimble keine Beispiele gefunden, abgesehn von dem ausführlichen Datenblatt. Das Teil soll nicht unter Wasser Empfangen sonder erst nach dem Auftauchen die während der Tauchfahrt ermittelten Trägheitsnavigationsdaten aktualisieren. @Axel, die Stromaufnahme ist nicht kritisch. Ich habe hier eine Schaltung die ich warscheinlich für die Stromversorgung (von 12V auf 3.3V) verwenden werde: http://www.qsl.net/dk7nt/gpsrx/gpsbsch.pdf Mit der Druckfesten-Montage hatte ich an eine Kugel von der Grösse eines Ping-Pong Balls gedacht, in dem die Antenne und der Ampfänger platz nehmen würden. Anschließend könnte ich die Kugel mit Heißkleber aussgiessen (jedoch würde ich die IC-s zuvor einwachsen, damit ich den Heikleber wieder abkriege). Ich brauche dieses separate Gehäuse, damit die Antenne nach dem Auftauchen weit genug aus dem Wasser ragt (siehe: http://underwater.iis.u-tokyo.ac.jp/robot/tri/td1.gif -> GPS-Modul auf dem Rücken) Wegen der Größe wäre eine kleinere Antenne vorteilhaft, doch hätte ich dann extra Kosten für den Versand und ich bin mir nicht sicher, ob die andere Antenne auch zu diesem Modul passt.
@AxelR: von den SARANTEL - Antennen habe ich auch schon viel gehört. Allerdings habe ich bislang keinen Distributor gefunden, bei dem ich die Antennen in kleinen Stückzahlen als Privatmensch bekommen kann. Wo bekommst du die Antennen her? Viele Grüße, Holger
von meinem Einkaufsmensch, bzw. ausm Lager... Nee im Ernst, weiss ich jetzt nicht ausm Kopf, wo wir die Dinger herbeziehen. Wir bieten die Dinger als Sonderzubehör mit an. Ich sehe mal morgen auffa Arbeit in dei Preisliste. Melde mich dann nochmal VlG AxelR.
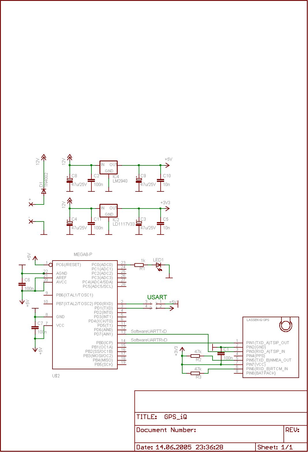
Jetzt ist der Empfänger unterwegs. Mit einer Anfrage im Bestellformular nach dem passenden 4x2 1,27mm Stecker hat Lassen diesen Artikel gleich der Lieferung hinzugefügt. Wie praktisch. Lassen iQ GPS Module FW1.10 41,50 USA Embedded GPS Antenna 27dB Unpackage 12,91 CLP-104-02-F-D (SMD Stecker) SMD- Buchse 2x4pin 1,70 Versand per UPS 9,50 Summe mit MWST: 76,11 EUR Als Vorlage für das C-Programm habe ich die Bibliotheken von Pascal Stang benutzt (super programmiert, ich wusste gar nicht, dass es auch Funktionspointer gibt->schon wieder was gelernt). Das tsip.c habe ich etwas erweitern müssen, weil die Abschlussbedingungen für ein Packet nicht vollständig definiert waren. Die original tsip.c Sourcefile gibts hier: http://www.procyonengineering.com/avr/avrlib/docs/html/tsip_8c-source.html Im Anhang befindet sich eine Schaltung mit einer 3,3 und 5V Stromversorgung. Ich bin mir aber nicht sicher, ob ich wirklich die 5V Ports des Atmega direkt an die mit 3,3V versorgten GPS-Modul anschließen kann, ohne das was kaputt geht. Was meint Ihr?
>>Mit der Druckfesten-Montage hatte ich an eine Kugel von der Grösse eines Ping-Pong Balls gedacht, in dem die Antenne und der Ampfänger platz nehmen würden. Gibt im Bastelladen so Kugeln aus Acrylharz (Plexiglas) in verschiedenen Größen, weiss aber nicht, wie's da mit Druckbeständigkeit aussieht. Aber da könnte man sogar doppelt abdecken, falls die äußere mal nen Schlag wegbekommt. >> Anschließend könnte ich die Kugel mit Heißkleber aussgiessen Wie heiss wird den der? Können die ICs das ab? Oder besser Epxy-Gießharz nehmen, kriegt man aber wohl nie wieder raus. Oder direkt mit Wachs (Stearin) ausgießen, nicht sehr fest, aber da reichen 60° und man kanns notdürftig wieder abpuhlen. Ist der kapazitive Einfluss der Vergussmasse zu beachten? Sven
@Zoltan Das Dokument mit den Beispielen scheint es nicht mehr zu geben. Es stand im Datenblatt zum Lassen PT, einer Abart des Lassen SQ mit genaueren Zeitsignalen. Bei Interesse könnte ich dir die Datei mailen. Vielleicht lohnt es sich den FTP-Server ftp://ftp.trimble.com/pub genauer zu untersuchen, das ist die einzige Stelle, wo ich das Referenzmanual zum Lassen-IQ finden konnte (unter sct/embedded/bin). Auf der Homepage finde ich keinen Link?!
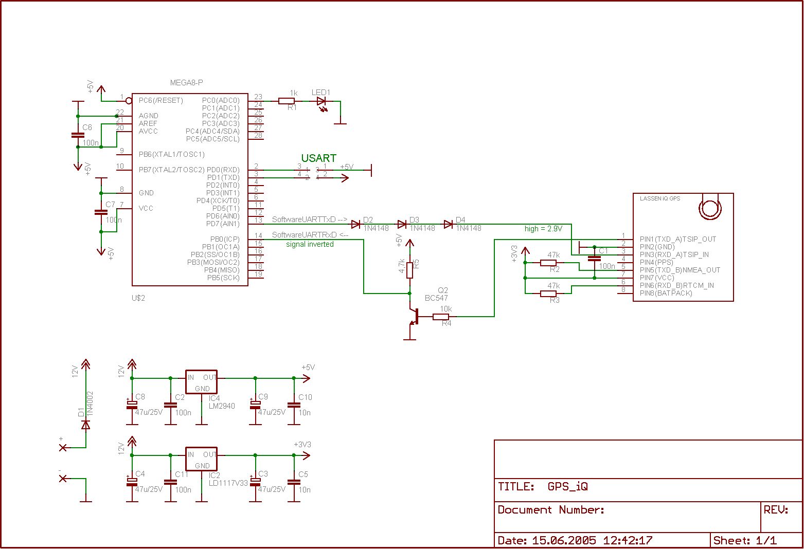
Hi Uwe, das wäre nett, wen du mir die Datei schicken könntest. Die Schaltung habe ich nun um einen einfachen Logic-Level-Translator in Form von eines Transistors (Richtung GPS -> AVR) und drei Dioden (Richtung AVR -> GPS) ergänzt. Das Tx-Signal vom GPS wird zwar von dem Transistor negiert, aber durch die Verwendung eines Software-UART (wiederrum basierend auf Pascal Stang-s AVRLib )ist dies kein Problem. Gruß Zoltan
<threadwiedernachobenbring und nochmal posten> @Zoltan Das Dokument mit den Beispielen scheint es nicht mehr zu geben. Es stand im Datenblatt zum Lassen PT, einer Abart des Lassen SQ mit genaueren Zeitsignalen. Bei Interesse könnte ich dir die Datei mailen. Vielleicht lohnt es sich den FTP-Server ftp://ftp.trimble.com/pub genauer zu untersuchen, das ist die einzige Stelle, wo ich das Referenzmanual zum Lassen-IQ finden konnte (unter sct/embedded/bin). Auf der Homepage finde ich keinen Link?!
Bitte melde dich an um einen Beitrag zu schreiben. Anmeldung ist kostenlos und dauert nur eine Minute.
Bestehender Account
Schon ein Account bei Google/GoogleMail? Keine Anmeldung erforderlich!
Mit Google-Account einloggen
Mit Google-Account einloggen
Noch kein Account? Hier anmelden.

