Weiß vielleicht jemand wie man die Zündspule eines PKWs anzapfen kann um dem MCU die Zündimpulse über den externen Interrupteingang zuzuführen? Danke!
Doch, ich weiß das ich es kann, halt nur nicht wie! Meine Fragestellung war aber vielleicht auch etwas ungünstig gewählt. Ich meine natürlich die Zündimpulse noch vor der Zündspule abgreifen, quasi direkt nach dem Impulsgeber. Dort wird man aber sicherlich auch Probleme kriegen, da das ganze ja beim Zünden induktiv zurückschlägt. Frage: Wie kann ich nun das ganze verwirklichen? Kenne mich leider in solchen elementaren Elektroniksachen noch nicht so gut aus. Kann mir vielleicht jemand mit einer Schaltung helfen, die meinen liebsten Mikrocontroller auch zuverlässig schützt? Ich bin für jede Hilfe dankbar! PS: Programm ist schon erstellt und die Zündimpulse simuliere ich mit Hilfe der parallelen Schnittstelle meines Computers. Funktioniert auch einwandfrei - mir fehlt halt nur noch die Schaltung zum Anschluß!
Hallo, also wie du richtig erkannt hast schlägt kurz vor der Zündspule auch zurück. Jetzt kommt es aber darauf an was für ein Zündsystem du hast. Kontaktgesteuerte Zündung o. Transisotrzündung mit Induktiv- o. Hallgeber o. hast du ne kombinierte Zünd-u. Einspritzanlage. Wenn du das nicht weißt dann schreib mal was für ein Auto du fährst. Wäre es nicht einfacher das du dir die Amaturen holst wo der Drehzahlmesser schon drin ist.
Ich bin Schüler, hab meinen Führerschein seit 3 Wochen und fahre einen Trabant 601 S !
Hallo, jetzt hst du mich voll erwischt, kenne eigentlich jedes Zündsystem bei Opel aber bei Trabant? Also ist doch ein ein 2 Zylinder 2Takter oder. Hat das Ding nen Verteiler o. vielleicht 2 Zündspulen? So ist es nämlich bei einigen Motorrädern. Würde es mittels Hochspannungsdiode u. Kondensator o. Wiederstand probieren. Wäre es nicht einfacher dir nen n-Messer aus dem Zubehör zu kaufen.
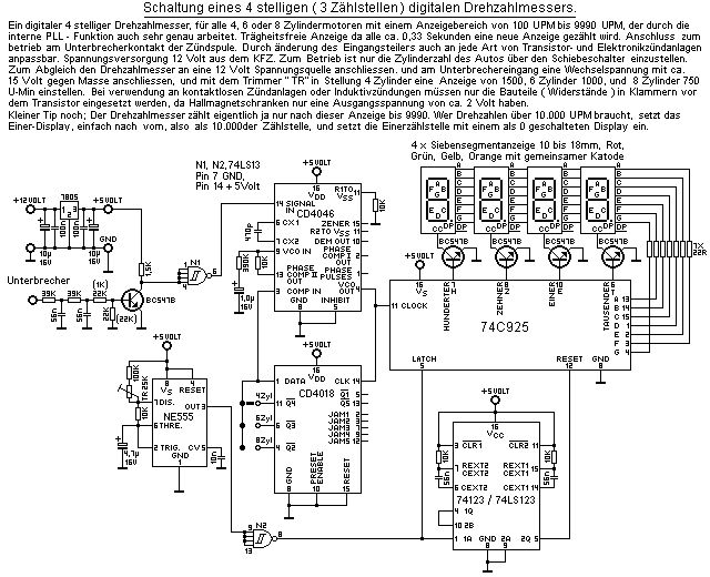
Es wäre vielleicht schon einfacher das Ding aus dem Zubehör zu kaufen, aber ich hab ja das Programm schon fertig. Und außerdem ist es einfach schöner wenns selbstgebaut ist. Hab das ganze schon mit Frequenzgenerator ausprobiert und es funktioniert eigentlich einwandfrei. Brauche eben nur noch die Interface-Schaltung zur Zündelektik. Im Anhang sind die Schaltpläne des Trabants. Ich hoffe die helfen Dir weiter Thomas. Schonmal danke für die geistige Unterstützung!
Hallo, ich bin auch schon längere Zeit auf der Suche nach einer Eingangsstufe für meine Motorrad-Ganganzeige. Erprobte Schaltungen scheinen wirklich rar zu sein. Eine Schaltung die ich vor kurzem gefunden habe befindet sich im Anhang. Sag bitte Bescheid, wenn Du Dein Projekt zum Laufen bekommen hast. Gruß Axel
Dankeschön für die beiden Antworten. Sieht nicht schlecht aus! Wenn ich in den nächsten Tagen Zeit finde, werde ich das ganze mal ausprobieren. Bericht folgt...
Die Schaltungen sind meiner Meinung nach relativ kompliziert aufgebaut. Habe das früher mal an meinem Fiat Uno gemacht. Vor dem Zündverteiler einfach das Signal abgreifen (ist meistens ein grünes Kabel). Über eine Z-Diode (15V) gegen Masse, einem Spannungsteiler für die max. 5V am Controllereingang und danach einem geeignetem Tiefpaß, damit Störspitzen geglättet werden, das Signal an den Controller-Pin führen. (Da die Klemme 30 12V hat, muß der Spannungsteiler die 15V der Z-Diode auf 5V teilen können.) Gruß AromaX
@AromaX Wie hast Du den Tiefpass dimensioniert, würde mich über ein paar erklärende Worte freuen. Gruß Axel
Bitte melde dich an um einen Beitrag zu schreiben. Anmeldung ist kostenlos und dauert nur eine Minute.
Bestehender Account
Schon ein Account bei Google/GoogleMail? Keine Anmeldung erforderlich!
Mit Google-Account einloggen
Mit Google-Account einloggen
Noch kein Account? Hier anmelden.
