Wer hilft mir, und zeichnet mir an den Ausgang des Summenstromwandlers einen Operationsverstärker, danach einen Brückengleichrichter, und hinter dem Brückengleichrichter einen Schmitt-Trigger? Einfache Zeichnung, ohne Dimensionierung reicht. Vielen Dank. MfG Chester
:
Verschoben durch Admin
Chester G. schrieb: > Wer hilft mir, und zeichnet mir an den Ausgang des Summenstromwandlers > einen Operationsverstärker, danach einen Brückengleichrichter, > und hinter dem Brückengleichrichter einen Schmitt-Trigger? Warum? Ist dir die Tinte in deinem Computer ausgegangen?
Warum machst du jetzt einen zweiten Thread für das gleiche Thema auf? Beitrag "Schwellwertschalter für kleine Wechselspannung" LG Christian
einen zweiten? Ist schon mindestens der 4.: http://www.elektronik-projekt.de/thread.php?threadid=7076 http://www.elektronik-projekt.de/thread.php?threadid=7080
Chester G. schrieb: > Wer hilft mir, und zeichnet mir an den Ausgang des Summenstromwandlers > einen Operationsverstärker, danach einen Brückengleichrichter, > und hinter dem Brückengleichrichter einen Schmitt-Trigger? Ich kann dir helfen. > Einfache Zeichnung, ohne Dimensionierung reicht. Ok. Siehe Anhang. > Vielen Dank. Bitte, gern geschehen.
Hier hat er auch schon eine schöne Zeichnung bekommen: http://www.elektronik-kompendium.de/forum/board_entry.php?id=164455 Ich denke, das dürfte für eine Hausuafgabe in der dritten Klasse vollkommen ausreichend sein.
warum sind hier und in anderen foren alle nur so schlau? und warum wollen manche dafür geld, wenn man um eine einfache hilfe bittet? warum sind die dann überhaupt in solchen foren? ja, die Schaltzeichen kenne ich, aber ich bin leider nicht in der Lage, diese miteinander zu verknüpfen. d. h., welcher Anschluß kommt wodran? Und wenn ich frage, dann weil ich es halt nicht weiß. entschuldigung. im übrigen sollte auch ein toller oder möchtegern toller elektroniker sich im anstand üben. dies ist eine wichtige eigenschaft im leben. mfg chester über hilfe würde ich mich freuen. und dumme sprüche, die könnt ihr doch draussen beim bierchen machen. aber wahrscheinlich ist das euer problem. und deshalb müsst ihr hier den starken spielen. - arme jungs.
>warum sind hier und in anderen foren alle nur so schlau?
Viele Poster hier sind frustiert und stürzen sich gerne auf Leute, die
noch weniger wissen als sie selbst. Der muß dann dafür büßen, daß der
Chef ein Arsch ist oder die Freundin nicht so will, wie man selbst, etc.
Chester, schildere dein Problem möglichst genau, damit jeder weiß, was
du überhaupt machen willst. Du kannst keine Hilfe erwarten, wenn du
nicht mal mitteilst, was du für einen Stromwandler hast.
Chester G. schrieb: > Wer hilft mir, und zeichnet mir an den Ausgang des Summenstromwandlers > einen Operationsverstärker, danach einen Brückengleichrichter, > und hinter dem Brückengleichrichter einen Schmitt-Trigger? Was nützt es, diese ziemlich sinnfreie Zusammenstellung von Bauelementen zusammenzuzeichnen, insbesondere ohne Dimensionierung. Entweder du weißt was du damit vorhast und schilderst das konkrete Problem oder die machst nicht solche Vorgaben.
moin moin Nachdem du jetzt im 4ten Forum aufgeschlagen bist und immernoch die selben Antworten bekommst ( seltsam was !) solltest du langsam aber sicher darauf kommen das Du etwas grundlegend falsch machst oder etwas erwartest was nicht eintrifft. Ich bin in allen der Foren mehr oder weniger in letzter Zeit immer weniger weil ich das Gefühl habe es wird immer schlimmer , es wird nur noch gefordert ,es wird nicht selber gedacht , recherchiert , gelesen (ganz besonders wichtig heutzutage) man kann immer noch kein english (wenigstens mithilfe von google sollte das Datenblatt lesen klappen) und so könnte sich die Liste immerweiter fortsetzen . Was ich gerade auch nicht verstehe ist das in der heutigen Zeit ;ich stamme noch aus der Vorinternetära ; es doch eigentlich kein problem darstellt sich selber Informationen zu besorgen. Ich musste mir damals :-) noch Datenbücher kaufen und war froh von Maxim immer die Applikationsbroschüren zu erhalten ..... ... mfg
>Ich musste mir damals :-) noch Datenbücher kaufen und war froh von Maxim >immer die Applikationsbroschüren zu erhalten ..... Und von den Distris hat man Datenbücher nur bekommen, wenn man auch Umsatz gemacht hat... Besser war aber damals, daß man mit den Experten in den großen Firmen noch telefonieren konnte. TI hat mir sogar mal interne, unveröffentlichte Entwicklungsdaten über einen OPamp zugefaxt. Heute ruft man eine irische Hotline an, die dich mit jemand in Pakistan verbindet, der selbst nur das Datenblatt hat. Dem darfst du dann auch noch genau das erklären, wonach du eigentlich fragen wolltest...
Chester G. schrieb: > warum sind hier und in anderen foren alle nur so schlau? > und warum wollen manche dafür geld, wenn man um eine einfache hilfe > bittet? Solange Du nicht in der Lage bist, genau zu erklären, was Du eigentlich willst, wirst Du nirgends eine vernünftige Antwort bekommen. Vermutlich bist Du mit der Dir gestellten Aufgabe einfach überfordert, weil Dir wichtige Grundlagen der Elektro- technik fehlen. Gruss Harald
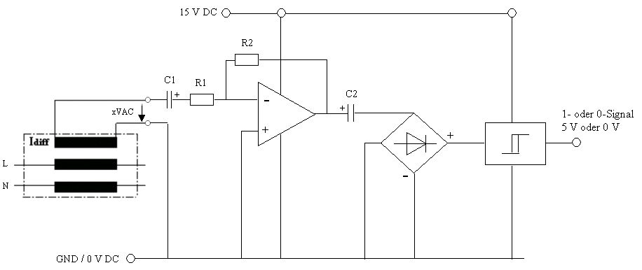
Hallöchen, ist diese Zeichnung richtig gezeichnet? Ist es richtig, dass das Verhältnis von R2 zu R2 den Spannungsverstärkungsfaktor ergibt? Für den OP könnte ich ja den LM324 benutzen, der mit Single supply 15 V DC arbeitet. Wie muss ich denn den Schmitt-Trigger (und welchen) beschalten, damit bei z. B. 3,5 V DC am Eingang am Ausgang eine 1 ist. Ab 3,4 V am Eingang und abwärts ein Null am Ausgang. Wer kann mir sagen, wie groß die Kondensatoren C1 und C2 sein müssen, und warum? Vielen Dank im Voraus. MfG Chester
Chester G. schrieb: > Hallöchen, > > ist diese Zeichnung richtig gezeichnet? Da Du ja keine genaueren Angaben zu Deiner Quelle machst, kann man dazu wenig sagen. Stromwandler arbeiten typischerweise mit einem Kurzschluss am Ausgang, bzw. mit einem sehr niederohmigen Wider- stand (wurde bereits im vorigen Thread gesagt). Das der Brücken- gleichrichter mit zwei kurgeschlossenen Klemmen nicht funktionieren kann, sollte wohl auch klar sein. Gruss Harald
>Das der Brücken-gleichrichter mit zwei kurgeschlossenen Klemmen nicht >funktionieren kann, sollte wohl auch klar sein. Womit dann auch klar ist, daß Chester ein blutiger Anfänger ist. Chester, ist das eine Hausaufgabe, die du machen sollst?
Edamer schrieb: > Chester, ist das eine Hausaufgabe, die du machen sollst? Klar und die will er guttenbergen
Wer mit dieser Schaltung was anfangen kann, möchte sie bitte auf Fehler untersuchen. Dazu noch die Fragen innerhalb der *.gif-Datei. Bitte nur Konstruktives. Danke. MfG Chester
Chester G. schrieb: > Wer mit dieser Schaltung was anfangen kann, möchte sie bitte auf Fehler > untersuchen. > Dazu noch die Fragen innerhalb der *.gif-Datei. > > Bitte nur Konstruktives. Du hast die bereits angemahnten Fehler nicht beseitigt. Da Du Deine Antworten anscheinend nicht liest, machts auch keinen Sinn, Dir neue Antworten zu geben. Gruss Harald
Ich wette er erkennt mangels Kenntniss der Baugruppenfunktion nicht einmal den Kurzschluss am Brückengleichrichter, geschweige denn den falscherweise hochomigen gekoppelten Ausgang des Summenstromwandlers. Ich hoffe er wird nicht irgendwann mal in einem Elektroberuf arbeiten wollen. Ansonsten kann ich nur empfehlen sich intensiver mit den Grundlagen zu befassen anstatt sich auf Aufgaben zu stürzen welche die eigenen Kenntisse im Ansatz überfordern. Hoffentlich hast du dich nicht nicht bishierher durch eine Ausbildung schummeln könnnen. Namaste
Am besten ist der Spruch: "Habe ich aus einem Fachbuch entnommen ..." Da kann ich nur sagen:"Schmeiss das Buch weg"
Das ist alles kaka :-) er nimmt die Antworten von einem Forum und wirft es den anderen Foren zum Fraß vor. Das ist seit langen das stupideste crossposting + multithreading was ich erleb habe,macht hier endlich ein Schloß ran und gut ist. mfg
troopi, solange es noch welche gibt die ihm antworten, hört das nicht auf. Es steht jeden Tag ein Dummer auf.
>Wer mit dieser Schaltung was anfangen kann, möchte sie bitte auf Fehler >untersuchen. Diese Schaltung ist haarstreubender Unfug! Sie beweist, daß du keinerlei Ahnung von Elektronik hast. Zuerst mal müßtest du den "+" Eingang auf sagen wir mal +7,5V vorspannen, damit der LM324 überhaupt als Verstärker arbeiten kann. Was du als nächstes brauchst, ist ein Signalgleichrichter, aber keinen Brückengleichrichter. Das sind vollkommen verschiedene Sachen. Als Signalgleichrichter werden beispielsweise Spitzenwertdetektoren eingesetzt. So wie hier: Beitrag "Re: Peak Detection eines Audiosignals" Dann brauchst du einen Schwellwertschalter, am besten einen Komparator mit Hysterese. Das kann hier ein spezieller Komparator-Chip wie beispielsweise der LM393 sein oder ein weiterer OPamp aus dem LM324.
Hallöchen, wenn ich Fehler mache, gemacht habe, so tut es mir leid. Dass ich so wenig Ahnung habe. Ja gut. Ich bemüh mich. Trotzdem wäre ich froh, wenn mir jemand die Masseverbindungen einzeichnen könnte. OK, warum Multi-posting? Es kann doch sein, dass im Forum B jemand ist, der nicht in Forum A, oder C ist. Und genau der beantwortet mir vielleicht meine Frage auf eine Weise, das ich es auch verstehe. bzw. geht auf meine Schaltplan nicht nur in der Form ein: Alles Scheisse, sondern teilweise Scheisse, weil... Und so wirds richtig gemacht. Habe halt die Hoffnung, dass mir jemand hilft. Meinetwegen auch mit der oder den Bemerkungen, dass ich ein Blödi bin. Warum einen zweiten Thread? Im zweiten Thread habe ich es mit einer Zeichnung versucht. Wollte halt den netten Foren-Mitgliedern die Scrollerei ersparen. Wenn das nun dumm und anstandslos ist, ok - sorry wusste ich nicht. Habs eigentlich nur gut gemeint mit einem zweiten Thread. Grüssle Chesti
Chester G. schrieb: > wenn ich Fehler mache, gemacht habe, so tut es mir leid. Fehler sind dazu da, das man sie behebt. Da Du aber immer noch nicht die Fragen beantwortest, die man Dir gestellt hat, gehe ich davon aus, das Du nicht die geringsten Grundkenntnisse in der Elektro- technik hast und deshalb die Dir gestellte Aufgabe jemand anders übertragen solltest. Gruss Harald
Harald Wilhelms schrieb: > die Dir gestellte Aufgabe jemand anders > übertragen solltest. Das hat er doch. Aber außer Claudias Mutterinstinkte hat sich beim Rest ja mal nichts gerührt. Dann aber noch über Pisa maulen ;-)
>Habe halt die Hoffnung, dass mir jemand hilft.
Wenn ich morgen etwas Zeit habe, mal ich dir mal eine richtige Schaltung
auf.
Was für eine "Differenzspule" verwendest du? Wie heißt der Sensor?
was ist das für ein quatsch ? Wie kann man soviel Unfug produzieren ? Soll ich mich mal Dumm-Stellen und mir von Claudia helfen lassen ? sowas ..... k.
Heissen Dank für die versprochene Hilfe. Das ist ein Summenstromwandler aus einer FI-Schaltung. Ich dachte eigentlich, dass so ein Forum genau dafür da ist, dass die Dummen sich von jemand helfen lassen können. Und ich stell mich nicht dumm, - hab einfach zu wenig Kenntnisse. Aber grundsätzlich weiß ich, dass es nicht so schwer sein kann (für jemanden der sich ein wenig mehr auskennt), eine kleine Wechselspannung abzufragen, und bei einer gewissen Grösse einen Schwellwertschalter zu bedienen, der dann wieder ein Relais schalten kann. Ich denke, dass es hier mehrere Möglichkeiten gibt. Aber warum sollte meine Möglichkeit nicht funktionieren? Spannung vergrösser, gleichrichten, glätten, und dann mit Schwellwertschalter abfragen. Vielleicht wäre es ja auch besser, Spannung mit Präzisions-Gleichrichter gleichrichten, und dann direkt über Schwellwertschalter abfragen. Vielen Dank. Chesti
So damit hier jetzt endlich Ruhe ist und Chester weiter basteln kann.
Helmut Lenzen schrieb: > So damit hier jetzt endlich Ruhe ist und Chester weiter basteln kann. M.E. fehlt da der Bürdewiederstand für den Stromwandler. Und ob es sich da um einen Summen- oder Differenzstromwandler handelt, ist nach wie vor unklar. Ohne ein Datenblatt ist eine Hilfe da fast unmöglich. Falls es sich dabei um ein Ausbauteil handelt, braucht man da mindestens den abgemalten Originalschaltplan der ursprüng- lichen Schaltung. Aber warum muss man die Antworten an Chester ständig wiederholen? Allgemeine Leseschwäche? Gruss Harald
Harald Wilhelms schrieb: > M.E. fehlt da der Bürdewiederstand für den Stromwandler. Und ob es > sich da um einen Summen- oder Differenzstromwandler handelt, ist > nach wie vor unklar. Ohne ein Datenblatt ist eine Hilfe da fast > unmöglich. Falls es sich dabei um ein Ausbauteil handelt, braucht > man da mindestens den abgemalten Originalschaltplan der ursprüng- > lichen Schaltung. Hallo Harald, Der Bürdewiderstand ist im R1 mit drin. Den Trafo kann man als Stromquelle auffassen. Dadurch treibt er den Strom durch den Brueckengleichrichter und den Widerstand R1. Der Trick besteht jetzt darin das dadurch die Flussspannung der Dioden keine Rolle spielt weil die Stromquelle die Spannung soweit erhoeht das der uebersetzte Strom zum fliessen kommt egal ob da jetzt Dioden drin sind oder nicht. Im Prinzip darf man einen Stromwandler sekundaerseitig nicht leerlaufen lassen das koennte zu ueberschlaegen fuehren. Der Wandler von Chester ist soviel ich das mitbekommen habe ein Teil aus einen FI. Kann mich da aber auch irren. >Aber warum muss man die Antworten an Chester > ständig wiederholen? Allgemeine Leseschwäche? Da must du Chester fragen.
Helmut Lenzen schrieb: > Harald Wilhelms schrieb: >> M.E. fehlt da der Bürdewiederstand für den Stromwandler. Und ob es >> sich da um einen Summen- oder Differenzstromwandler handelt, ist >> nach wie vor unklar. Ohne ein Datenblatt ist eine Hilfe da fast >> unmöglich. Falls es sich dabei um ein Ausbauteil handelt, braucht >> man da mindestens den abgemalten Originalschaltplan der ursprüng- >> lichen Schaltung. > Hallo Harald, > > Der Bürdewiderstand ist im R1 mit drin. Den Trafo kann man als > Stromquelle auffassen. Dadurch treibt er den Strom durch den > Brueckengleichrichter und den Widerstand R1. Der Trick besteht jetzt > darin das dadurch die Flussspannung der Dioden keine Rolle spielt weil > die Stromquelle die Spannung soweit erhoeht das der uebersetzte Strom > zum fliessen kommt egal ob da jetzt Dioden drin sind oder nicht. Die Dioden erhöhen aber die Spannung am Ausgang des Stromwandlers und führen wahrscheinlich auch zu zusätzlichen Verzerrungen des Magnetisierungssstroms. Die typische Ausgangsspannung an einem Stromwandler mit Bürdewiderstand liegt eher bei unter 0,1V und nicht bei über 3V. Es sei denn, diese recht hohe Spannung wird ausdrücklich im Datenblatt zugelassen. Vermutlich will Chester eine Art RCD selbst bauen. Ohne genaue Kenntnis der verwendeten Bauelemente wird das aber nicht klappen. Und wenn wirklich Men- schenleben daran hängen, wäre es auch viel zu gefährlich. Deshalb mein Tip: Er soll wen dran lassen, der sich mit Elektrotechnik auskennt. Gruss Harald
Helmuts Schaltung ist elegant einfach. Falls das mit dem Brückengleichrichter nicht klappt und das Signal wirklich nur 30mV klein ist, würde ich die Schaltung im Anhang versuchen.
Bitte melde dich an um einen Beitrag zu schreiben. Anmeldung ist kostenlos und dauert nur eine Minute.
Bestehender Account
Schon ein Account bei Google/GoogleMail? Keine Anmeldung erforderlich!
Mit Google-Account einloggen
Mit Google-Account einloggen
Noch kein Account? Hier anmelden.








