Hallo, vornweg Tutorial, Datenblatt, google und div. Foren hab ich schon durchgekämmt: Ich nutzte den Atmega8,als Prog YAAP mit ISP für den Parallel-Port, Programme in den µC schreiben, lesen und vergleichen funzt @1MHz interner Oszi Nun zu meinem Problem: Ich möchte den µC jetzt aber mit 8MHz intern betreiben und muss dazu einige Fusebits ändern, aber irgendwie widerspricht das ganze jeder logic (kann aber auch nur n Denkfehler sein: bei allen anderen gehts ja auch) :-( Was mach ich falsch bei yaap, 5 mega8 sind schon Schrott: ich kann die Bits setzen wie ich will nach dem Schreiben steht das Prog und ich komm auch nicht mehr an den µC ran! hab auch mal aus Spass die Bits ausgelesen (siehe anhang) und so geschrieben, wie sie gelesen wurden und trotzdem kein Zugang mehr und Stillstand ! Wenn ich sie so schreibe, wie sie waren, dann sollte die ISP doch gehen, ging ja vorher auch ?! Hat jemand Erfahrungen mit YAPP und kann mir helfen, welche Bits ich wie setzen muss(wo müssen Häkchen rein und wo nicht) für 8MHz interner Oszi und am besten auch für die anderen! Hab erst mal nur noch zwei Atmegas da und langsam wirds teuer! Thanks im vorraus und MfG Rene
also ich vermute mal die mega´s sind nicht tot sondern durch deine fuse-spielerei warten sie einfach auf nen externen takt. häng mal n quarz an xtal1/xtal2 und ich würde sagen die laufen wieder.
Hab ich gemacht ==> nischt PC6 nach GND (reset) bringt auch nichts Hab mal verglichen, was YAAP aus nem neuen µC ausliesst mit dem im Handbuch beschriebenem Auslieferungszustand und irgendwie stellt YAAP das invertiert dar, z.B.: cksel0 Auslieferungszustand 1 = unprogrammiert und in YAAP kein Häkchen. okay, klingt logisch ! :-/ Aber dieses Wissen versucht umzusetzen und die Häkchen gesetzt und/oder gelöscht ==> Fusebits schreiben und tot liesst YAAP die Bits und stellt sie invertiert dar aber schreiben tuts die (nicht) invertiert?!?! die HP von YAAP lässt sich zu sowas nicht aus!
Also die "invertierte Darstellung" ist in Ordnung (geht ja auch aus dem Atmel Datenblatt hervor)... Hast du nur an den Clock-Fuses rumgeschraubt oder auch an anderen? Es gäbe nämlich noch die Möglichkeit das du den "Reset" deaktiviert hast (dann kannst du den Pin als IO nutzen, aber keinen Hardware-Reset mehr durchführen) oder das du das SPI-Programming deaktiviert hast (die Folgen sind wohl klar...). In beiden Fällen kommst du nur noch mit einem Parallel-Programmer weiter (werden auch 12V oder so am Reset-Pin angelegt...)
@Mike: nur mal interessenshalber: was ist deiner Meninung nach am Studio besser? Die Fuses werden gleich "invertiert" dargestellt und nen Hex-File überträgt Yaap genauso gut. Oder hab ich grosse Vorteile des Studio´s in Bezug aufs flaschen noch nicht bemerkt?
@Danny P. Das hört sich so an, als wenn du mit YAAP gut klar kommst: mein Frage oben war diese: Hat jemand Erfahrungen mit YAPP und kann mir helfen, welche Bits ich wie setzen muss(wo müssen Häkchen rein und wo nicht) für 8MHz interner Oszi und am besten auch für die anderen! N Screenshot wär natürlich gut! hab das normale ISP fürn parallelport aufgebaut, wies auf der HP von YAAP steht!!
@Rene: naja... "gut auskennen"... YAAP hat ja nun nich grad viele Funktionen :-) Also eigentlich ist das mit den Fuses nicht so schlimm... Du suchst dir die entsprechende Tabelle aus dem Datenblatt (aber wie ich das mitbekommen habe hast du das ja alles richtig herausgelesen) Mega8 auf intClock 8MHz --> Datenblatt Seite 28 Table 9 (CKSEL 3...0 auf "0100"). Nun die Fuse-Maske in YAAP aufrufen. Eine "1" bedeutet bei den Fuses immer "kein Häkchen" (daher das "unprogrammed" im Datenblatt"). Somit müsstest du die CKSEL Fuses wie folgt einstellen: CKSEL0 - Häkchen CKSEL1 - Häkchen CKSEL2 - kein Häkchen CKSEL3 - Häkchen Am Besten du nimmst einen bisher unberührten Mega8 (in Bezug au die Fuses), denn bei deinen Versuchen scheinst du ja noch was anderes verstellt zu haben. Und auch nur (!) die CKSEL-Fuses ändern Eigentlich sollte es so laufen...
Hm, probier ich gleich mal aus, aber wie gesagt, hab auch mal die Fuses ausgelesen und unverändert(also keine Häkchen gemacht oder gelöscht) zurück geschrieben! dann ging auch nichts mehr
achso.. sorry, das hatte ich vorher anders verstanden. Wenn du tatsächlich bei einem jungfräulichen Mega8 die Fuses gelesen und direkt wieder beschrieben hast (also nur einmal auf "Read Fuses" und gleich dannach auf "Write Fuses" gedrückt hast)... wenn das schon schief läuft kanns ja nur noch an der Hardware liegen....
?? was kann man da falsch machen? Atmega8 100nF an +Ub und Gnd und 47pF mit 10k an reset und de ISP mehr is nich hex files schreiben, lesen und vergleichen geht auch ohne fehler
Da hast du vollkommen recht! Nu andererseits... wenns so war wie ichs in meinem vorherigen Posting beschrieben hab (wars genaus so? jungfräulicher chip - nacheinander "read" dann "write" und tot?) kanns auch net an der Software liegen. Daher wollt ich auf Nummer sicher gehen, nich das du dir noch mehr Mega´s vorerst unbrauchbar machst
najut, dann lass ich die Fuses erst mal ! Di od. Mi kommt mein USBISP und da kann ichs dann über ARV Studio machen!! THX trotzdem
war es denn zu 100% wie in meiner zusammengeafssten beschreibung?
Hi, Wenn du noch Muse hast, Ich habe selbst einen ISP entwickelt, der besteht eigendlich nur aus Stecker, Sockel, Draht und einem Kondensator, er besitzt aber einen Taktausgang. Mit dem Mega8 hat er bei mir bis jetzt ganz gut funktionirt. Die Fuses findest du unter Extendet. Schau mal unter http://www.r-tron.de und da unter Projekte. Wenn es damit nicht geht hast du warscheinich den RESET "weggefused" dann hilft dir wirklich nur noch ein Paralell-Programmer. Bei der Menge von Mega8 kann es sich rentiern, einem im Forum, der einen Paralell-Programmer hat, die Teile zu zuschicken der die dann wieder "gerade zieht".
Hm, hört sich gut an, nehm ich morgen mal in Angriff! Hab jetzt mal nur die Cockbits umgesetzt und hab sogar noch zugriff auf den µC. Aber irgendwie arbeitet mein Prog nicht mehr richtig, scheint sich zu überschlagen! auch nach dem zurücksetzen auf 1MHz läufts nicht mehr richtig! hab auch nochmal den flash gelöscht, dann die Fuses auf 8MHz gesetzt und dann das Prog reingeschrieben ==> spinnt rum. Gibts eine Abhängigkeit zwischen der Reihenfolgen von Clockbits setzen und Programm rein schreiben? Bei 2 und 4 MHz liefs auch nicht so, wies soll! aber auch das schau ich mir morgen erst an!! THX@ALL
Prüfe an deinem Programmirgerät mal die Plus und Minus Verdrahtungen. Dieser Effekt tritt auf wenn keine ordendliche Spannungsversorgung vorhanden ist. Der Controller holt sich dann die Versorgungsspannung über die Signalleitungen und den intern enthaltenen Schutzdioden. Das führt dazu, dass kurze Befehle noch sauber abgearbeitet werden, aber längere Sequencen instabiel werden und abbrechen. Das Problem hatten wir auch bei unserem Schulprojekt.
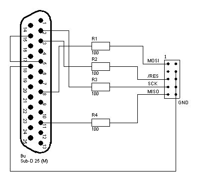
Guten Morgen, welche Plus Minus verdratung? Im Anhang is die kleine Beschaltung vom Parallel-Port ISP welchen ich nutze bis das USBISP von www.matwei.de da ist! Ich hoffe/denke das solche Probs dann der Vergangenheit angehören!
Ja, da kommen wir der Sache schon näher. Zwischen dem Pin 8 (GND) und dem Pin 7 (VCC) muss wärend des Programmierens eine Spannung von mindestens 4,5V anstehen. Sonst siehe oben
Hm, das ganze hängt zur Zeit an folgendem Netzteil: http://www.reichelt.de/inhalt.html?SID=18Y62xB6wQARMAACc-U38b3e21f5cdb979f0819c929df111f07d5;ACTION=3;LASTACTION=2;SORT=preis;GRUPPE=D483;WG=0;SUCHE=open%20frame;ARTIKEL=SNT%2520MW100-05;START=16;END=16;STATIC=0;FC=670;PROVID=0;TITEL=0 hab nur n altes Analog Multimeter dran und das meint, das da nur ca 4,5V rauskommen! Lässt sich auch nicht höher einstellen am Poti vom SNT! Könnt also dran liegen!
Sind sogar nur 4,2, bau schnell mal was 5V haltiges zusammen und denn schau ich nochmal!
und wie schauts aus? zum testen reicht doch schon nen 7805 + 9V-Block
@Rene: Braucht das Netzteil vielleicht eine Mindestlast um stabil zu sein und ist mit dem AVR unterfordert? Ich meine, ein 20A-Netzteil ist schon etwas übertrieben für einen uC.
Ich weis gar nicht, wann ich das letzte Mal n 9V Block in der Hand hatte! Aber hat sich schon alles erledigt:wie hat doch mein Ausbilder immer gesagt" Wer viel misst,misst Misst" Dieses Komische Analog Multimeter hat da noch son komischen Knobb und wenn man den auf - stellt dann zeigts auch gleichspannungen richtig an, und aus gemessenen 4,2Vmax wurden plötzlich 6,5 und die scheint der µC nicht so zu mögen! Auf 5V gedreht und schon läuft alles so wies soll! Super, n ganzen Samstag verschwendet aber wieder was dazu gelernt! Trotzdem nocheinmal ein ganz Grosses DANKESCHÖN an alle, die mich so fleissig unterstützt haben!! Weiter so und bis bald
Bitte melde dich an um einen Beitrag zu schreiben. Anmeldung ist kostenlos und dauert nur eine Minute.
Bestehender Account
Schon ein Account bei Google/GoogleMail? Keine Anmeldung erforderlich!
Mit Google-Account einloggen
Mit Google-Account einloggen
Noch kein Account? Hier anmelden.

