Hallo, für digitale ICs spendiert man ein Abblockkondensator nahe am VCC Pin. Digitale ICs können kurzzeitig viel Strom ziehen und somit die Betriebsspannung verseuchen. Aber was ist mit analogen ICs? Ist es dann nur um äußere Störungen abzufedern? Brauch ein OPV ein Abblockkondensator oder ist das dann ehr ein Angstkondensator? Was ist mit einem Komperator?
@ Texer (Gast) >Aber was ist mit analogen ICs? Ähnlich, wenn gleich es da eher langsame und genügsame gibt als auch sehr schnelle. > Ist es dann nur um äußere Störungen >abzufedern? Nein. > Brauch ein OPV ein Abblockkondensator Ja. >oder ist das dann ehr ein Angstkondensator? Nein. > Was ist mit einem Komperator? Der ist ähnlich wie ein Digital-IC schnell und kurzzeitig stromhungrig. An zuviel Abblockkondensatoren ist noch keine Schaltung gescheitert, wohl aber am Gegenteil.
Alles klar, Danke Falk. Dann verteile ich kräftig 100nF Kondensatoren. Schöne Weihnachten....
Naja, wichtiger als eine grosszügige Verteilung ist das Layout. Es ist leicht möglich, trotz massiver 100nF-Schmeisserei eine völlig untaugliche Platine zu routen. Man muss sich da nicht ewig in irgendwelche Theorien vertiefen, sondern sich einfach überlegen - wo fliesst der kurzzeitige Strom, wer liefert den und wie halte ich diesen von anderen Schaltungsteilen fern, fertig. In der Praxis: die Anschlüsse möglichst direkt zum Kondensator, erst von dort zu Gnd und Vcc.
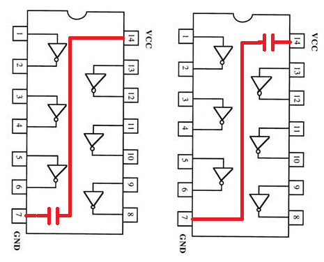
Obwohl es doch eagl sein sollte wo der Kondensator auf einer kürzesten Linie zwischen Masse und VCC Pin des ICs sitzt. Siehe Bild (Vorlage geklaut von http://student.olivetcollege.edu/moladele/Board4_files/image008.jpg)
nunja, nicht so ganz. Die GND-Anbindung ist oftmals deutlich niederohmiger als die VCC, weil die Leiterplatten oftmals eine Massefläche haben, der GND-Bezug also auch nahe dem VCC-Pin zu finden ist. Du hast dann eine sehr niederohmige GND und eine relativ hochohmige VCC zur Auswahl, dann besser nahe dem VCC-Pin, damit dieser auch möglichst niederohmig an den Abblockkondensator angebunden ist.
Bei den Analogen ICs kommt es auf den Typ ab. Wirklich langsame OPs ( < 1 MHz GBW) brauchen eher keinen eigenen Abblockkondensator. Es hängt dann auch noch davon ab, wie empfindlich der Schaltungsteil ist - einfach nur eine Blinkende LED ist unkritisch, ein Verstärker für einen 24 Bit AD ist da schon anspruchsvoller, auch wenn es langsam ist. Bei den 2 Schaltungen ist es relativ egal wo der Kondensator sitzt. Interessant ist, wo die Verbindung zum Rest der Schaltung verläuft - die sollte eher am Kondensator angeschlossen sein. Für eine Digitale Schaltung ist dann der Unterschied zwischen den beiden Varianten zu vernachlässigen.
Das wichtigste ist es die analoge von der digitalen Versorgung sauber zu trennen um Störungen zu vermeiden. Hier gibt eine gute Applikation die das beschreibt und auch Layout-Hinweise hat: http://ichaus.de/upload/pdf/EL-Info_FB3_Spannungsversorgung_120507.pdf
Bitte melde dich an um einen Beitrag zu schreiben. Anmeldung ist kostenlos und dauert nur eine Minute.
Bestehender Account
Schon ein Account bei Google/GoogleMail? Keine Anmeldung erforderlich!
Mit Google-Account einloggen
Mit Google-Account einloggen
Noch kein Account? Hier anmelden.
