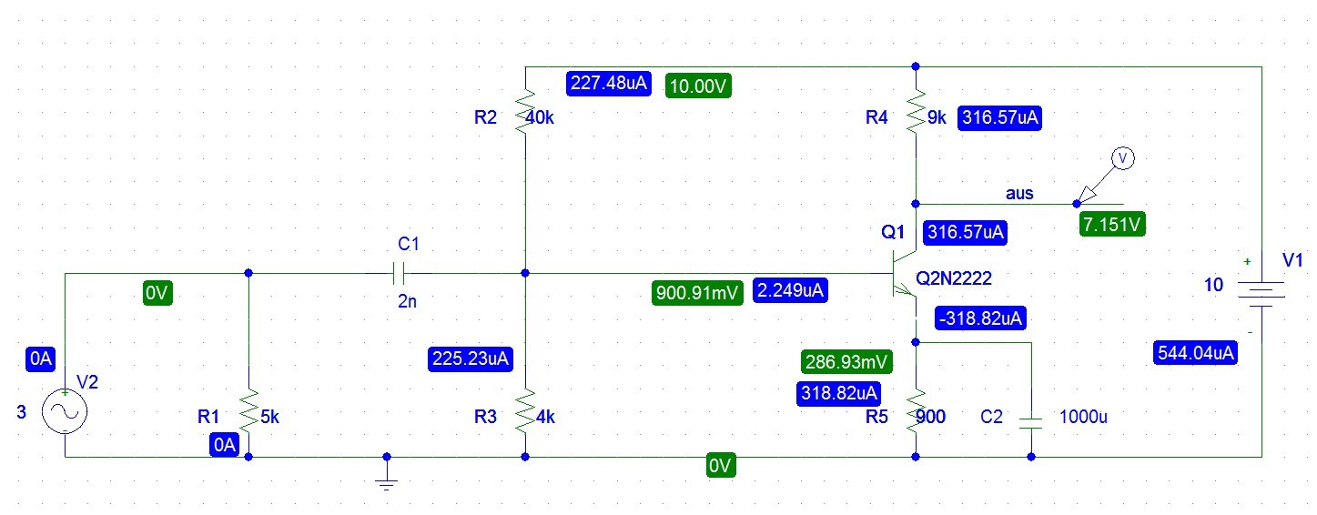
Hallo Allerseits! Ich habe ein paar Probleme mit PSPice, da es mir anscheinend irgendwie irrwitzige Werte liefert die so nicht sonderlich stimmen können. In dem ersten Bild (schaltung.png) ist die Schaltung zu sehen. Eigentlich ist es ja eine Emitterschaltung, somit wäre ja eigentlich der Emitter der Ausgang. JEDOCH, bekomme ich da keine sonderlich guten Werte. Denn die linke Grenzfrequenz erreiche ich nicht, da die irgendwo nahe Null liegt (Bild: emitter.png). Also zweiter Versuch und Probe an den Ausgang der auch laut Aufgabenstellung vorgesehen ist, an den Kollektor. Da sieht das alles schon teilweise besser aus (Bild: kollektor.png). Habe da 3 dB Frequenzen von 23 kHz und 5,6 MHz, ABER, ihr seht es wahrscheinlich schon. Die Spannung kann ja irgendwie unmöglich bei 260 V liegen. Daher mal hier meine Frage: Messe ich falsch, oder will PSpice mich nur auf den Arm nehmen? Gruß, me
Bei der Berechnung der Übertragungsfunktion wird nur eine linearisiertes Model verwendet, und für den Eingang eine Spannung von 1 V angenommen. Wenn dann für den Ausgang 260 V angezeigt wird, heißt das es gibt eine 260 fache Verstärkung. Realistischer als 1 V am Eingang wäre in dem Fall wohl 1 mV am Eingang und dann 260 mV am Ausgang. Üblich ist ohnehin eher die Logarithmische Skala - da sind die 260 fache Verstärkung dann irgendwas um 47 dB, ganz ohne Bezug zur absoluten Amplitude.
Ok, danke. Denn das war jetzt schon meine dritter Verstärkerschaltung die ich aufgebaut habe und halt mit dem dritten mal den gleichen "Fehler". Aber gut zu wissen, dass ich das dann "getrost" ignorieren kann. Schönen dank!
Bitte melde dich an um einen Beitrag zu schreiben. Anmeldung ist kostenlos und dauert nur eine Minute.
Bestehender Account
Schon ein Account bei Google/GoogleMail? Keine Anmeldung erforderlich!
Mit Google-Account einloggen
Mit Google-Account einloggen
Noch kein Account? Hier anmelden.


