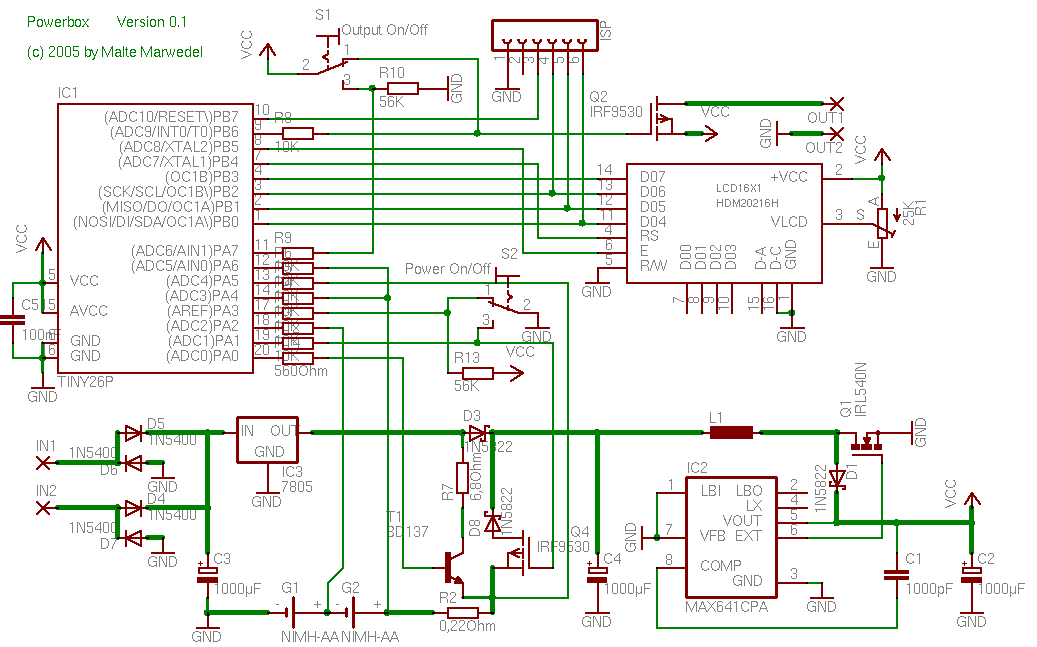
Hallo, Ich habe die Schaltung im Anhang entworfen. Probleme macht mir aber vor allem noch der Mosfet Q4. Hier möchte ich einen Transistor einbauen, der möglichst 5A bei einer Gate Spannung von 2V schalten kann. Nur leider finde ich absolut keinen Typ der passt und so langsam frage ich mich ob es überhaupt einen passenden gibt. Es muss kein Mosfet sein, wenn bei einem "normalen" Transistor der Spannungsabfall gering genug ist. Ziel der Schaltung: Aus den beiden NIMH Accus soll eine 5V Spannung für externe Verbraucher erzeugt werden. Der MCU soll den Ladezustand überwachen und auf dem LCD ausgeben. Bei drohender Tiefentladung soll er abschalten. Beim Anschluss eines Netzgeräts (an IN1 und IN2) sollen die Accus wieder aufgeladen werden - ebenfalls überwacht vom MCU. Die Schaltung mit dem StepUp Wandler stammt aus dem Datenblatt des ICs. Beim Berechnen der Spule mit den Formeln des Datenblatts musste ich feststellen dass bei 1A (5V) Ausgangsstrom der Eingangsstrom spitzen von gut 10A (2V) benötigen soll. Daher habe ich meine Erwartungen auf 0,5A Ausgangsstrom zurück geschraubt. Aber auch so sieht das reichlich eng aus. Es wäre schön wenn es möglich wäre zwei Spulen (L1) und Transistoren (Q1) parallel zu schalten um die Innenwiderstände zu halbieren. Also hat jemand Tipps zur Verbesserung der Schaltung und eine Lösung für Q4?
Der Mosfet wird doch "gebootstraped", d.h. er wird mit den erzeugten 5 Volt versorgt, wie der Schaltregler selbst. Du brauchst nur einen Mosfet der bei 2 Volt schon mal einigermassen leitet, damit der Schaltregler gut starten kann. Naja, ansonsten ist Deine Stromversorgung etwas konfus... Warum gehst Du mit dem Ausgang von 7805 nicht gleich auf VCC? Du müsstest den 7805 mit einer Diode vor Revers-Spannungen schützen und müsstes den Schaltregler deaktivieren, wenn eine externe Spannung anliegt. Du bräuchtest einen Schaltregler mit Shut-Down, aber das geht glaub beim MAX641 irgendwie, oder? Mit LBI und LBO könntest Du sogar die externe Eingangsspannung überwachen.
>Der Mosfet wird doch "gebootstraped", d.h. er wird mit den erzeugten 5 >Volt versorgt, wie der Schaltregler selbst. Nach meiner Logik sitzt der Mosfet am Pluspol der Accus, also etwa bei 2,4V. Ich hätte also wahlweise 2..2,6V gegenüber GND oder 2,4..3V gegenüber VCC. >Warum gehst Du mit dem Ausgang von 7805 nicht gleich auf VCC? Stimmt, darauf bin ich irgendwie nicht gekommen. Die Diode um den 7805 zu schützen dürfte nicht das Problem sein, nur den MAX641 möchte ich ungern auch eine Diode geben, da dies die Effizienz im Accu Betrieb weiter verringern würde. Über einen Shut-Down des MAX641 habe ich nichts im Datenblatt gefunden.
> Nach meiner Logik sitzt der Mosfet am Pluspol der Accus, > also etwa bei 2,4V. Naja, dann schau doch mal genau hin: a.) Woher bekommt der MAX641 seine Versorgungsspannung unmittelbar nach dem einschalten? b.) Und wenn jetzt der MAX641 ein paar mal geschaltet hat und die Ausgangsspannung auf 5 Volt angestiegen ist, welche Versorgungsspannung bekommt der MAX641 nun? Kleine Tip: Unter Vernachlässigung von "Comp" und "LBI", ist der MAX641 an drei Stellen angeschlossen: Masse, Versorgungsspannung und Schaltausgang für den Transistor...
Achso, du bezogst dich auf den Mosfet Q1, der bekommt natürlich die 5V nachdem die Schaltung einmal angelaufen ist. Ich sprach von Q4, der zwischen Accus und Spule sitzt.
So, hier die jetzt verbesserte Version der Schaltung. Dank der Idee vom "Unbekannten" liegt der 7805 Ausgang jetzt über eine Diode direkt an VCC. Der StepUp Wandler läuft jetzt einfach immer durch (der Stromverbrauch des MAX641 soll nur bei rund 135µA liegen), jedoch wird der Ausgang abgeklemmt sobald ein externes Netzgerät verwendet wird. Ich hoffe ich habe die Spulen richtig dimensioniert. Falls jemand weitere Verbesserungsvorschläge hat, immer her damit :-)
Schon besser, es geht aber noch einfacher und zuverlässiger: Den Mosfet Q3 um den Schaltregler dazu zu schalten inkl. der ganzen Dioden beim 7805 ersatzlos streichen. Mit dem Ausgang aus dem 7805 direkt an VCC. Über den 7805 eine Diode vom Ausgang zum Eingang legen, um die Reverse-Spannung über dem 7805 abzufangen. Für den 7805 einen Typ mit niedrigen Eigenstromverbrauch verwenden, sonst müssen die Akkus über den Schaltregler noch den Strom für den nicht genutzten 7805 liefern. LBI und LBO des MAX641 verwenden um ihn auszuschalten, sobald am Eingang des 7805 eine ausreichend hohe Spannung (ca. 7 Volt) anliegt.
Deine Vorschläge hören sich soweit gut und logisch an, jedoch fällt mir keine Idee ein wie ich LBI/LBO dazu verwenden kann um den StepUp Regler zu deaktivieren. Laut Datenblatt wird LBO einfach zu GND Durchgeschaltet sobald LBI unter 1,31V fällt. Eine weitergehende Deaktivierung des StepUp Wandlers wird nicht erwähnt. Aus meiner Sicht kann LBI/LBO als nur verwendet werden um einen MCU ohne A/D Wandler und Komparator zu warnen oder eine LED bei niedriger Spannung aufleuchten zu lassen.
Also mir ist jetzt doch noch eine Idee mit der Deaktivierung eingefallen: Ich verbinde LBO direkt mit dem Gate von Q1. Zwischen EXT und Gate müsste ich dann einen hohen Widerstand (100k o.ä.) schalten. Ist also die Spannung an LBI zu niedrig, lässt sich Q1 nicht mehr durchsteuern und die Spule wird nicht "aufgeladen", sondern lässt den Strom einfach zum Ausgang durch. Der Nachteil wäre, dass in der Schaltung selber immer mindestens die Accu Spannung anliegen würde -> hoher Stromverbrauch obwohl das Gerät aus ist.
Hmm, tatsächlich, der MAX641 hat keine einfache Möglichkeit für einen Shut-Down... Naja, dann eben einen anderen Schaltregler mit Shut-Down aussuchen. Da hat Maxim bestimmt etwas. Das mit dem Widerstand im Gate des Mosfets, besser ganz schnell vergessen. Dann würde der Mosfet viel zu langsam schalten und der Schaltregler würde nicht mehr richtig funktionieren und große Verluste haben.
>Da hat Maxim bestimmt etwas Maxim bestimmt, nur Reichelt nicht. In dem MAX641 Datenblatt gibt es eine Liste (vermutlich) aller ähnlichen Maxim Schaltregler. Davon hat Reichelt ziemlich genau eine Hand voll und am Ende bleibt für Power 5V Anwendungen nur dieser übrig :/ Auf Samples oder der einen anderen Shop (bei dem dann die Versandkosten so teuer sind wie der Chip selbst) möchte ich verzichten... Aber danke für deine Hife
Bitte melde dich an um einen Beitrag zu schreiben. Anmeldung ist kostenlos und dauert nur eine Minute.
Bestehender Account
Schon ein Account bei Google/GoogleMail? Keine Anmeldung erforderlich!
Mit Google-Account einloggen
Mit Google-Account einloggen
Noch kein Account? Hier anmelden.

