Hallo! Ich bräuchte einen effektiven Filter, der mir 3kHz aus dem Netz filtert, bei 230V und ca. 300W Leistungsaufnahme. Rumrechnen mit LC-Filter hat nur unmöglich große Werte für L und C ergeben (klar, bei der Frequenz). Was anderes ist mir noch nicht eingefallen. Gibt es da Möglichkeiten, oder ist das hoffnungslos? Hintergrund ist der: Zu bestimmten Zeiten erzeugen Stadtwerke Schaltsignale, die die Nulldurchgangserkennung angeschlossener Geräte stören und noch andere Schweinereien verursachen. Die Stadtwerke sind nun aber der Meinung, sie dürfen dass, also muss ich da selbst was tun. Achso, USV ist auch schon angedacht, wäre aber nur das ganz letzte Mittel. Außerdem: Wie bringe ich der USV bei, dass sie bei den Störsignalen einspringt, das Netz an sich bleibt ja bestehen. Sven
Das einzige was mir einfällt sind Netzstabilisatoren, die stabilisieren die Spannung und säubern den Sinus. Reiner LC-Tiefpass: Vergiss es Was am besten geht: Online USV: Also Spannung gleichrichten, glätten, puffern, wechselrichten. Aber lohnt sich der Aufwand ?
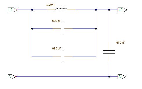
3 kHz ? Wo sitzt du? Das höchste, was für DL hier: http://www.rundsteuerung.de/ angegeben ist, sind 1350 Hz. Zum Sperrkreis: So hoch sollten die Werte eingentlich nicht sein. 2.2mH + 2* 680nF Folie parallel sollte doch kein Problem sein, als Spule ginge da eine Hälfte der '42H 2220' von Reichelt. Auf der Rundsteuerseite sind auch links zu Sperrkreisanbietern drauf. Gruss Jadeclaw.
Addendum: die 470nF müssen nicht, können aber um andere Störungen zu dämpfen. Gruss Jadeclaw. Wann gibt es endlich eine Edit-Funktion fürs Forum?
Wenn Du die Nulldurchgangserkennung per Software in einem Mikrocontroller machst, kannst Du auch per Software filtern. Das sollte auch vor anderen Störungen viel besser schützen. Du weisst ja, das die Netzfrequenz ca. 50 Hz sein soll. Also ignorierst Du Null-Durchgänge die viel zu stark aus dem Takt sind. Ausserdem die Nulldurchgänge über einen längeren Zeitraum mitteln, z.B. eine Sekunde. Das sollte deutlich Störsicherer sein.
>>angegeben ist, sind 1350 Hz Stimmt, hab mich da vertan. Tschuldigung. >>Wenn Du die Nulldurchgangserkennung per Software in einem Mikrocontroller machst, kannst Du auch per Software filtern. Es betrifft Geräte, wo ich nicht an die ZC-Detektion direkt rankomme. Diaprojektoren zum Beispiel. Aber danke, ich werd das mit dem Sperrkreis mal probieren. Sollte da noch ein R dzu wegen besserer Dämpfung? Sven
Quote: "" >>angegeben ist, sind 1350 Hz Stimmt, hab mich da vertan. Tschuldigung. "" Wenn das mit den 3 kHz nicht stimmt, musst du natürlich den Sperrkreis neu berechnen. Ich nehme aber mal auch an, dass die Liste auf Rundsteuerung.de keinesfalls vollständig ist. Dass sich aber auch kommerzielle Geräte davon beeindruckt zeigen, wundert mich dann doch etwas, denn so hoch sollten die Pegel eigentlich nicht sein. Ich sage mal, Frequenz genau feststellen, dann Sperrkreis neu berechnen und falls deine Stadt/EVU noch nicht auf Rundsteuerung.de gelistet ist, mal melden. Ein Widerstand parallel zum Sperrkreis ist nicht sinnvoll, es würde die Sperrwirkung nur vermindern. Gruss Jadeclaw
Zur Drossel: Wenn ich die angegebene Drossel von Reichelt verwende, ist es dann besser: 1. Nur eine der beiden Windungen zu nutzen. 2. Beide Windungen in Reihe zu schalten, um die Induktivität zu erhöhen. Natürlich Wickelsinn beachten. 3. Eine Windung für Phase und eine für Neutral zu nutzen und in beide Leitungen je einen Sperrkreis einzubauen. Wohl eher nicht, oder? Ist es event. günstiger, statt der Ringkerndrossel eine offene Drossel zu verwenden, wegen der höheren Dämpfung? Oder eine Drossel mit geschichtetem Eisenkern und Luftspalt statt des Eisenpulverkerns? Der Sperrkreis sollte auch nicht zu schmal sein, falls die Sendefrequenz schwankt, oder die Bauteile trifften. Sollte man dafür zwei leicht verstimmte Sperrkreise hintereinandersetzen und mit den Cs abgleichen? Sven
@Jadeclaw: Du solltest Dich wundern, was alles von diesen Rundsteuersignalen beeinflußt wird. Bei uns in der Firma flackern sämtliche Neon-Röhren im Takt der Rundsteuersender. Bei mir zu Hause flackern sämtliche (gekauften) Elektronikdimmer.
@Sven: Nur eine Wicklung verwenden oder beide Wicklungen in Serie schalten. Im letzteren Fall muss der Parallelkondensator experimentell bestimmt werden. Mit einer Drossel zwei Sperrkreise aufzubauen, funktioniert nicht, da sich die Kreise gegenseitig kräftig verstimmen. Ein Sperrkreis in der Phase sollte eigentlich reichen. @Thomas: Hmm, ein Blick auf Rundsteuerung.de sagt mir, dass die Einspeisepegel je nach Frequenz zwischen 1 und 4 % liegen. Das wären zwischen 2 und 8 Volt beim Endnutzer. Dank Trafodämpfung sollte es noch weniger sein. Mit anderen Worten: Dein EVU muss ja heizen, dass die Strippe glüht. Erstaunt guck Ich habe hier keinerlei Probleme, weder mit Dimmern, noch mit anderen Teilen. Gruss Jadeclaw.
Bitte melde dich an um einen Beitrag zu schreiben. Anmeldung ist kostenlos und dauert nur eine Minute.
  
  Bestehender Account
  
  
  
  Schon ein Account bei Google/GoogleMail? Keine Anmeldung erforderlich!
Mit Google-Account einloggen
Mit Google-Account einloggen
  Noch kein Account? Hier anmelden.
