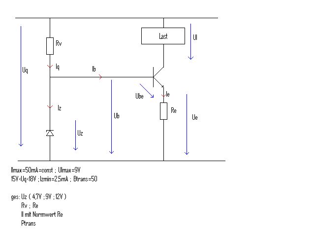
Hallo, habe hier ein paar Aufgaben für eine Anstehende E-Tech Klausur gerechnet, bei denen ich gerne einmal wissen würde ob ich dort irgendwo Fehler eingebaut habe oder ob's doch OK ist. Über jemanden der ein wenig seiner Zeit dafür opfern könnte währe ich sehr dankbar. Hier Schaltung 1: geg: Ilmax=50mA=const; Ulmax=9V; 15V<Uq<18V; Izmin=2,5mA ; Btransistor=50 ges: - bestimmen: Uz (4,7V, 9V oder 12V) - brechnen: Rv und Re - Il nach verwendung des Normwertes für Re - welche lesitung nimmt der Transisitor auf rechnung: Uz=4,7V gewählt Uv=URu=Uq-U2=15-4,7=10,3V Iq=Iz+Ibmax=2,5+1=3,5mA Rv=Uz/Iq=10,3/0,00351=2942,86Ohm gewählt 2,7kOhm Uemax=Uqmax-Ulmax-Ube=8,3V Ie=Ilmax=Ic=50mA Re=Ue/Ie=8,3/0,05=166Ohm gewählt 180Ohm Ilr=Ue/Re=8,3/180=0,046A Pt=(Ul-Ue)*Ilr=0,7V*0,046A=0,0322W
Hier Schaltung 2: Ua=15V; Iamax=2,5mA; 18V<Uq<22V; Uref=Uled=2,7V; Iref=Iled=6mA; B1=B3=120; B2=40 ges: Rb1; Rv; Rao; Rav; Pt2 Ic1=Ib2=Ic3/B2=2500mA/40=62,5mA Rb1=(Uq-Uc3)/Ib1=(Uqmin-(Ua+Ube1+Ube2))/(Ic1/B1)= (18V-(15V+0,7V+0,7V))/(62,5mA/120)=8,448kOhm gewählt 8,2kOhm ohne Last Il=0 Ib1~0 Ic3max=(Uqmax-Uc3)/Rb1=(22-16,4)/8200=0,68A Rv=(Ua-Uref)/Iref=(15-2,7)/6mA=2,05kOhm gewählt 2,2kOhm ohneLast Iv=Iref Ib2max~ 1mA/120=8uA Ia>>Ib3max, IA=10*Ib3max=80uA gewählt Ia=1mA, damit Abfließen von Ib3 im Spannungsteiler vernachlässigt werden kann. Rau=Ub3/Ia=5V/1mA=%kOhm gewählt 5,6kOhm I'a=5V/5600=0,89mA Rao=(Ua-Ub3)/I'a=(15-5)/0,89=11,24kOhm Pt2=Uqmax*Ia=22V*2,5A=55W PS: ~ = ungefähr (habs leider nicht als richtiges Zeichen gefunden uA = mikroAmpere
Schaltung 3: Iev=4,5mA; Uled=1,8V Spannungsregler 7805; Ifmax 25mA ges: Rs bei Ifmax If bei normwert für Rs welchen wert darf Uqmin bei dieser schaltung nicht unterschreiten Ia=Ifmax-Iev=25-4,5=20,5mA Rs=Uxx/Ia=5V/20,5mA=243,9Ohm gewählt: 270Ohm I'a=Uxx/Rs=5/270=19mA I'f=I'a+Iev=23,5mA Uqmin=Uxx+2,5+Uf=5+2,5+0,7=8,2V
Und noch 2 Aufgaben mit ein paar Fragen dazu: kann ich 1: wie einen normalen Spannungsteiler brechnen oder muss ich bei der LED etwas besonderes beachten (benötige ich 2 rechnungen 1,86 und 1,74v?) wie berechnen ich den dyn. Wiederstand einer LED? 1: Berechnen Sie einen Spannungsteiler, aus einem Widerstand RO und einer roten LED (1,86V bei 12mA bzw. 1,74V bei 2mA) und einer Versorgungsspannung von 13V. Es soll ein Querstrom von min. 8mA fließen. Normwert für RO wählen. Wie groß ist der Strom Iq bei Verwendung des Normwertes RO? Wie groß ist der dynamische Widerstand der LED? Wie groß ist jetzt der Innenwiderstand des Spannungsteilers? zu 2: muss ich in diesem fall genau so wie bei einer normalen vorwiederstandsberechnung vorgehen, oder ist noch irgendetwas zu beachten? 2: Eine grüne LED mit einer Flussspannung von 2,7V soll an einer pulsierenden Gleichspannung mit 16V Spitze (gewonnen aus einer Vollweggleichrichtung ohne Glättung) betrieben werden. Wie Groß muss der Vorwiderstand RV sein, damit ein Strom von max. 20 mA (Mittelwert) fließt? Berechnen Sie den Vorwiderstand und wählen Sie dann den passenden Normwert. Berechen Sie anschließend den tatsächlichen Strom. Würde mich über Antworten und Korrekturen freuen Gruß Sven
Aufg. 1) "Uemax=Uqmax-Ulmax-Ube=8,3V Ie=Ilmax=Ic=50mA" Ube ist falsch muß Uce sein. Ie = Il(=Ic) + Ib Damit musst du den Rest neu berechnen.
erst einmal zu Aufgabe 1: - Uz ist richtig gewählt : 4,7V - Ib = Ic / 50 = 1mA --> so weit okay, aber dann: Iz sollte mindestens 10 mal so groß wie Ib gewählt werden - Iz = 10 * Ib = 10mA - Iq = Iz + Ib = 11mA jetzt betrachten wir mal den schlimmsten Fall Uq = 18V damit: - Rv = (Uq - Uz)/ Iq = 1209,091 Ohm --> 1,2kOhm - Ue = Uz - Ube = 4V - Re = Ue / Il = 80Ohm --> 82Ohm - Uce = Uq - Ul - Ue = 5V - Pt = Uce * Il = 0,25W
mal ne frage sind das et-klausuren von einer fachhochschlue oder uni? zu deinem 2. bsp.: 1.) du rechnest deinen spannungsteiler nicht wie einen normalen an dem widertsand R0 liegt die spannung ULED+UBE an sprich ungefähr 3.4V. diese spannung liegt an R0 an, dieser ist dann so zu wählen dass mit dieser spannung mindestens Iq fließen kann. dein Ra0 ergibt sich ja dann fast von selbst, du weißt den mindeststrom der fließen soll über R0 und den Basisstrom und die Spannung, also R=U/I simple nicht zu 2.) ich versteh zwar den zusammenhang mit der schaltugn nicht, also es wird eine gleichspannung 16V gepulst. da ist kein Tastverhältnis angegeben. annahme T1 = 16V ON T2 = 16V OFF sprich 0V. dann ist die gemittelte spannung: Umittel = T1/(T1+T2) * Uein und dein vorwiderstand entsprechend Umittel zu wählen! (Rv = Umittel/ILed) hoffe das hilft dir etwas? fürs durchsehen der rechnungen und der anderen schaltungen hab ich derzeit keine zeit vielleicht später!
nochmal zu Aufgabe 1 Sorry, Re ist falsch! Re = Ue / Il+Ib = 78,43Ohm --> trotzdem 82Ohm Normwert
zu Schaltung 3: "I'a=Uxx/Rs=5/270=19mA I'f=I'a+Iev=23,5mA Uqmin=Uxx+2,5+Uf=5+2,5+0,7=8,2V" Bei If gibt es einen kleinen Rundungsfehler! I'f = 23,0mA I'f = Uxx / Rs + Iev = 5 / 270Ohm + 4,5mA = 18,5mA + 4,5mA = 23,0mA Bei Uqmin woher kommen da die 2,5V in deiner Rechnung? Ich denke es müsste so aussehen: Uqmin = Uf + Uxx + Uled = 0,7V + 5V + 1,8v = 7,5V Es ist aber noch fraglich ob das wirklich ausreicht. Je nach verwendeten 7805 wird eine Eingangsspannung min. 2V größer als die Ausgangsspanung des 7805 benötigt.
zu deiner Zusatzfrage 2: Das was Chriss chd gesagt hat ist so nicht ganz richtig. Denn bei einer Vollweggleichrichtung (z.B. Brückengleichrichter) gibt es kein Tastverhältnis von 1 (t1=t2)! Es ist ja kein Rechtecksignal. Streng genommen gibt es gar kein Tastverhältnis. Ich müsste da zwar jetzt selber mal nachschlagen, aber ich denke du solltest mal über den Ekkeftivwert und Effiktivleistung der Vollweggleichrichtung nach denken.
zu Aufgabe 2 folgendes, du berechnest Rb1 mit Hilfe von Ib1, das geht aber nicht, weil sich der Strom Irb1 aus Ib1 und Ic3 zusammensetzt: Irb1=Ib1+Ic3 Hier sollte Irb1 groß genug gewählt werden, dass der Abfluß von Ib1 keine großen Stromschwankungen von Ic3 hervorruft: Irb1>>Ib1, also Irb1=10*Ib1=5,2mA. -> Ic3= Irb1+Ib1=5,72mA Rb1=(Uq-Uce3)/Irb1=(Uqmin-(Ube1+Ube2+Ua))/Irb1=307oHm Iref=Iv+Ic3 -> Iv=Iref-Ic3=0,28mA Rv=(Ua-Uref)/Iv=12,3V/0,28mA=43,9KoHm Ib3=Ic3/B3=5,72mA/120=47,7uA Iq>>Ib3 -> Iq=10*Ib3=477uA Uau=Uref-Ube3=2V -> Uao=13V Rao=Uao/Iq=27,25kOhm Rau=Uau/(Iq-Ib3)=4,66Kohm Pt2=Uce2*Iamax=(Uqmax-Ua)*Iamax=7V*2,5A=17,5W ; Hier nimmst du unbedingt die Spannung, die am Transistor U2 abfällt, und das ist nun mal die Uce2. P.S. In dieser Aufgabe fehlt für die Berechnung der Widerstände einer der Ströme (Irb1, Ic3, Ib3... wie auch immer) mit dem man rechnen könnte, denn Iref ist nicht gerade hilfreich. Deswegen kommst du um eine Annahme nicht drum rum, also in meiner Rechnung Irb1. Deine Vorgehensweise bei der Berechnung war auf jeden Fall richtig, du hast die Schaltung von hinten nach vorne aufgerollt. Wo gibts denn solche aufgaben Uni oder FH?
@dirk voll und ganz richtig! erwischt ich bin von einem rechtecksignal augegangen, und hab das mit dem vollweggelichrichter total übersehen. danke der korrektur! dann ist uEff = Uspitze / sqrt(2) = 14,54V
uni - fh das is doch eh kein unterschied
Ist FH Stoff. Habe alles noch mal gerechnet: ########### Schaltung 1 Uz=4,7V **(gibts irgendeine Regel wonach ich das bestimmen kann?)** Uv=Uru=Uq-U2=15V-4,7V=10,3V Ib=Ilmax/B=50mA/50=1mA I2>>Ib -> I2=10*Ib=10mA Iq=I2+Ib=10+1=11mA Rv=(Uqmax-U2)/Iq=(18-4,7)/11mA=1209,091Ohm -> 1,2kOhm Ue=u2-Ube=4,7V-0,7V=4V Re=Ue/(Il+Ib)=4V/(50mA+1mA)=78,43Ohm -> 82Ohm Uce=Uq-Ul-Ue=18V-9V-4V=V Pt=Uce*Il=5V*50mA=0,25W ################## Schaltung 2: Irb1>>Ib1 -> Irb1=10*Ib1=10*0,52mA=5,2mA **(woher habe ich Ib1? hatte den wert nach der gegeben Lösung Rückwärts gerechnet)** Ic3=Irb1+Ib1=5,2+0,52=5,72mA Rb1=(Uq-Uce3)/Irb1=(Uqmin-(Ube1+Ube2+Ua))/Irb1= (18V-(0,7V+0,7V+15V))/5,72mA= 279,72Ohm **(nicht wie angegeben 307Ohm leige ich mit 279 falsch?)** -> gewählt 270Ohm **(oder doch den 330Ohm?warum?)** Iref=Iv+Ic3 -> Iv=Iref-Ic3=6-5,72=0,28mA Rv=(Ua-Uref)/Iv=(15-2,7)/0,28mA=43,9kOhm ->39kOhm **(42kOhm?)** Ib3=Ic3/B3=5,72/120=47,7uA Iq>>Ib3 -> Iq=10*Ib3=10*47,7=477uA Uau=Uref-Ube3=2,7-0,7=2V -> Uao=13V Rao=Uao/Iq=13V/477uA=27,25kOhm -> 27kOhm **(33kOhm?)** Rau=Uau/(Iq-Ib3)=2V/(477-47,7)=4,66kOhm -> 4,7kOhm **(3,9kOhm?)** Pt2_Uce*Iamax=(Uqmax-Ua)*Iamax=(22-15)*2,5=17,5W ############################ Schaltung 3: siehe oben, war ja nur nen kleiner rundungs fehler: zum Letzten Punkt, die 2,5V wahren meine annahme die Uq min über der Uxx liegen sollten (hatte ich irgendwo gefunden in einer datensammlung) aber anscheinend hatte Uled noch vergessen. Uqmin=Uf+Uxx+Uled+U78xx=0,7+5+1,8+2=9,5 **oder doch Uqmin=Uf+Uxx+Uled+U78xx=0,7+5+1,8+2,5=10??** ########################## Zusatz 2: Uled=2,7V Imax=20mA Udach=16V Ueff=Udach/sqrt(2)=16/sqrt(2)=11,31 **(wie komme ich auf die 14,..V?)** Rv=(Ueff-Uled)/Imax=(11,31-2,7)/20mA=430Ohm -> 470Ohm I'=(Ueff-Uled)/Rv=(11,31-2,7)/470=18mA ############################### Zusatz 1: leider konnte ich der sache nicht ganz folgen :( oder: versteh nur Bahnhof ############################### Schon mal ein dickes Danke an alle die sich die mühe gemacht haben dei sachen durch zu schauen. Gruß Sven
Sicher ist das FH-Stoff, an der Uni wird fast nie mit konkreten Zahlen gerechnet. Am Ende muß immer ein Term mit mindestens 20 Subtermen rauskommen.
hallo,
- also, Ib1 kriegst du raus, wenn du mit dem bekannten Strom Ia=2,5A
und B2=40 den Ib2 berechnest und dann nach dem selben Prinzip Ib1.
-
Rb1=(Uq-Uce3)/Irb1=(Uqmin-(Ube1+Ube2+Ua))/Irb1=(18V-(0,7V+0,7V+15V))/5,7
2mA=
279,72Ohm
-> du hast hier anstatt Irb1=5,2mA den Wert von Ic3=5,72 genommen
mit
Rb1==(18V-(0,7V+0,7V+15V))/5,2mA= 307Ohm kommst du auf 307
- bei Ic3 habe ich mich vertan, es muss nämlich heißen:
Ic3= Irb1-Ib1=4,68mA (Knotenregel)
der Rest sieht wie folgt aus:
Iref=Iv+Ic3 -> Iv=Iref-Ic3=6mA-4,68mA=1,32mA
Rv=(Ua-Uref)/Iv=12,3V/1,32mA=9,32KoHm
Ib3=Ic3/B3=4,68mA/120=39uA
Iq>>Ib3 -> Iq=10*Ib3=390uA
Uau=Uref-Ube3=2V -> Uao=13V
Rao=Uao/Iq=13V/390uA=33,33kOhm
Rau=Uau/(Iq-Ib3)=2v//390uA-39uA)=5,7kohm
Ich hoffe, ich habe mich dieses Mal nicht verrechnet.
Andy
@sven-b - b-svengmx.de zu Aufgabe 1: Um Uz zu bestimmen musst du das Pferd von hinten aufzäumen. Hiefür betrachten wir mal den Grenzfall 15V. Bei der Betriebsspannung 15V müssen weiterhin 9V an der Last abfallen (Ul=9V). Damit verbleiben für Uce und Ue nur noch 6V. Wenn du jetz bedenkst das Uz = Ue + Ube ist und Ube etwa 0,7V, dann darf Uz maximal 6,7V sein. Allein diese Überlegung bringt dich schon auf das einzig mögliche Ergebnis (Uz=4,7V). Im Zweifelsfall müsstest du auch noch Ucesat einreichnen.
zu Zusatz 1: - erst einmal ist die Aussage "es soll in Querstrom von min. 8mA fließen" wichtig, damit ist die Information 1,74V bei 2mA irrelevant - daraus folgt Uled = 1,86V und Iq = 12mA (es ist ja nicht anderes gegeben) na dann: UR0 = Ub-Uled = 13V-1,86V = 11,14V mit Iq = 12mA erhält man --> R0 = UR0 / Iq = 11,14V / 12mA = 928,33Ohm (der Strom durch den Widerstand ist gleich dem Strom durch die LED, da der Spannungsteiler nicht belastet wird (jedenfalls hast du davon nichts geschrieben) Die Sache mit dem Normwert ist so eine Sache. Welche Normreihe soll denn verwendet werden? Bei E96 wäre R0=931Ohm bei E48 wäre R0=1k. Ich nehme mal der Einfachhalber R0=1kOhm. --> Iq = 11,14mA (unter der Vorraussetzung das Uled sich kaum ändert, was in der Praxis auch bei der geringen Stromänderung der Fall ist) - dynamischer Widerstand ist der Widerstand der Led im jeweiligen Arbeitspunkt. Un da die Kennlinie gekrümmt ist, ändert sich auch der Widerstand, je nach Arbeitspunkt und daher dynamischer Widerstand. Rdy = Uled / Iq = 1,86V / 11,14mA = 166,97Ohm -Innenwiderstand des Spannungsteilers, dazu muss man ein etwas abstraktes Gedankenspiel machen: Spannungsquelle kurzschließen und dann von rechts in den Spannungsteiler "sehen". Ma erkennt dann eine Parallelschaltung der beiden Widerstände. Ri = R0*Rdy / (R0+Rdy) = 1kOhm*166,97Ohm / (1kOhm+166,97Ohm) = 143,08Ohm So ich hoffe das reicht.
Das sollte mir eigentlich im großen und ganzen weiterhelfen. nur zu dieser frage würde ich noch gerne wissen ob das so richtig gerechnet ist, oder doch vollkommen falsch. ########################## Zusatz 2: Uled=2,7V Imax=20mA Udach=16V Ueff=Udach/sqrt(2)=16/sqrt(2)=11,31 **(wie komme ich auf die 14,..V?)** Rv=(Ueff-Uled)/Imax=(11,31-2,7)/20mA=430Ohm -> 470Ohm I'=(Ueff-Uled)/Rv=(11,31-2,7)/470=18mA ###############################
Zusatz 2: Da muss ich auch erst noch einmal nachsehen. Aber Ueff mit 11,31V müsste richtig sein. Wie die 14,54V von Chriss chd zustande kommen ist mir auch noch nicht ganz klar. Aber das ich mich damit beschäftigen musste ist schon eine Weile her. Es könnte sein, es da einen Harken mit dem Mittelwert des Stromes (20mA) gibt. Denn der Mittelwert ist meiner Meinung nach nicht das selbe wie der Effektivwert. z.B. der Mitelwert einer Sinusspannung ist Null! Ich fürchte da musst du noch mal drüber nachdenken.
Bitte melde dich an um einen Beitrag zu schreiben. Anmeldung ist kostenlos und dauert nur eine Minute.
Bestehender Account
Schon ein Account bei Google/GoogleMail? Keine Anmeldung erforderlich!
Mit Google-Account einloggen
Mit Google-Account einloggen
Noch kein Account? Hier anmelden.


