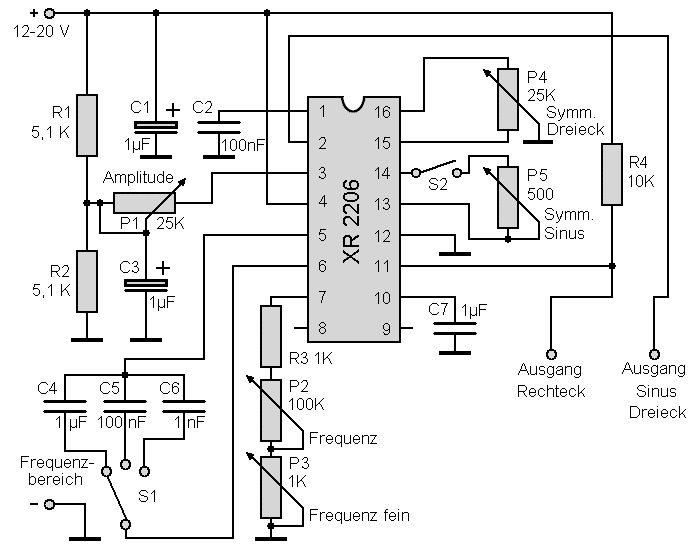
Hallo, ich habe mir eine Schaltung zum XR2206 als Funktionsgenerator gebaut. Es funktioniert auch schon nicht schlecht, also Rechteck und Dreieck sehen ganz gut aus. Mein 1. Problem im Moment ist, dass ich beim Dreieck und beim Sinus eine Verschiebung nach unten habe. Ich habs am Oszi einmal auf DC und einmal auf AC gemessen, bei AC wars ok. Also hab ich wohl irgendwie einen negativen DC Anteil. Weiß jemand ob das normal ist oder ob ich noch eine zusätzliche Beschaltung brauche bzw. an was das liegt? 2. Problem ist die Sägezahnspannung, ich habe wie im Datenblatt Pin 9 und 11 verbunden, erhalte aber leider kein Sägezahn... Kennt sich da jemand aus? Gruß Michael
Für solche Fragen hier im Forum gibt es eine standard Antwort. R42 ist falsch dimensioniert. Schaltplan ? Bild vom Aufbau bzw. Messungen ?
Werte alle wie im Plan, einzige Änderung: Alle Masse-Verbindungen gehen auf die negative Eingansspannung außer der Kondensator C3. C3 ist nicht eingebaut, anstelle liegt GND zwischen den Widerständen R1 und R2 und somit auch an dem 25kΩ Pott. (Um den Punkt zu definieren um den mein Sinus/Dreieckschwingen soll) Sinus und Dreiecksignal sind beide um ca. 0,8V nach unten verschoben
Weil im Datenblatt steht, dass wenn man eine Versorgungsspannung mit +- anlegt (sodass auch am Ausgang eine Wechselspannung entsteht die auch ins negative schwingt) dann soll man alle GND Verbindungen durch die negative Versorgungsspannung ersetzten.
Bitte melde dich an um einen Beitrag zu schreiben. Anmeldung ist kostenlos und dauert nur eine Minute.
Bestehender Account
Schon ein Account bei Google/GoogleMail? Keine Anmeldung erforderlich!
Mit Google-Account einloggen
Mit Google-Account einloggen
Noch kein Account? Hier anmelden.
