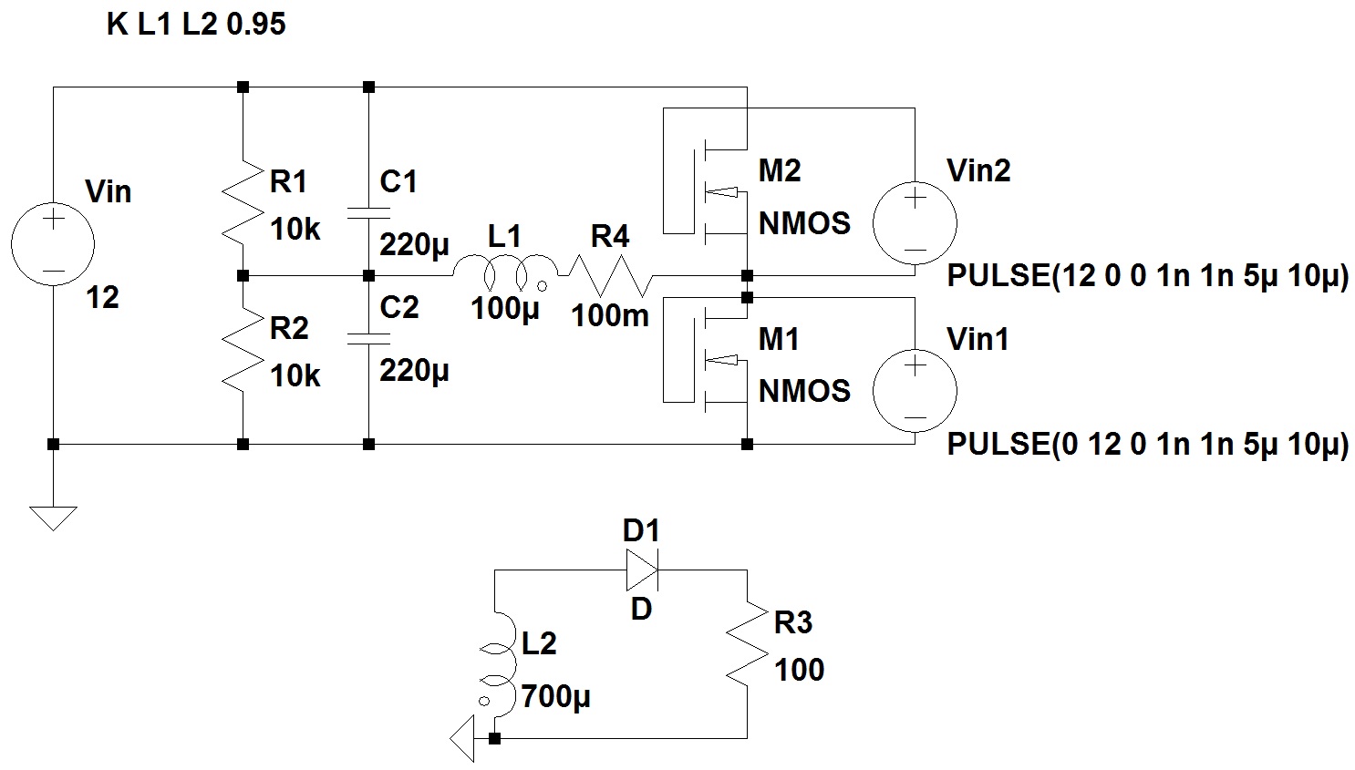
Hallo, ich habe einen half bridge converter simuliert. Schaltung siehe Anhang. Ohne Last ergibt sich (wie es zu erwarten ist) ein dreieckförmiger Stromverlauf durch die Spule. Die Steigung lässt sich entsprechend über die DGL einer Spule berechnen. Wenn ich eine Last wie in der Schaltung im Anhang simuliere hätte ich erwartet, dass der Strom der Spule L1 einen Gleichanteil bekommt und die beiden Kondensatoren C1 und C2 sich asymmetrisch aufladen. Dies ist nicht der Fall. Kann mir das jemand anschaulich erklären, ohne das ich den Zusammenhang per DGL erleiten muss? Kann ich davon ausgehen, dass eine solche Schaltung mit beliebig assymetrischen Lasten klar kommt?
Beim unteren FET sind Drain und Gate verbunden. :-)
Danke für den Hinweis! Das ändert aber nichts an der Funktion der Schaltung.
Bitte melde dich an um einen Beitrag zu schreiben. Anmeldung ist kostenlos und dauert nur eine Minute.
Bestehender Account
Schon ein Account bei Google/GoogleMail? Keine Anmeldung erforderlich!
Mit Google-Account einloggen
Mit Google-Account einloggen
Noch kein Account? Hier anmelden.
