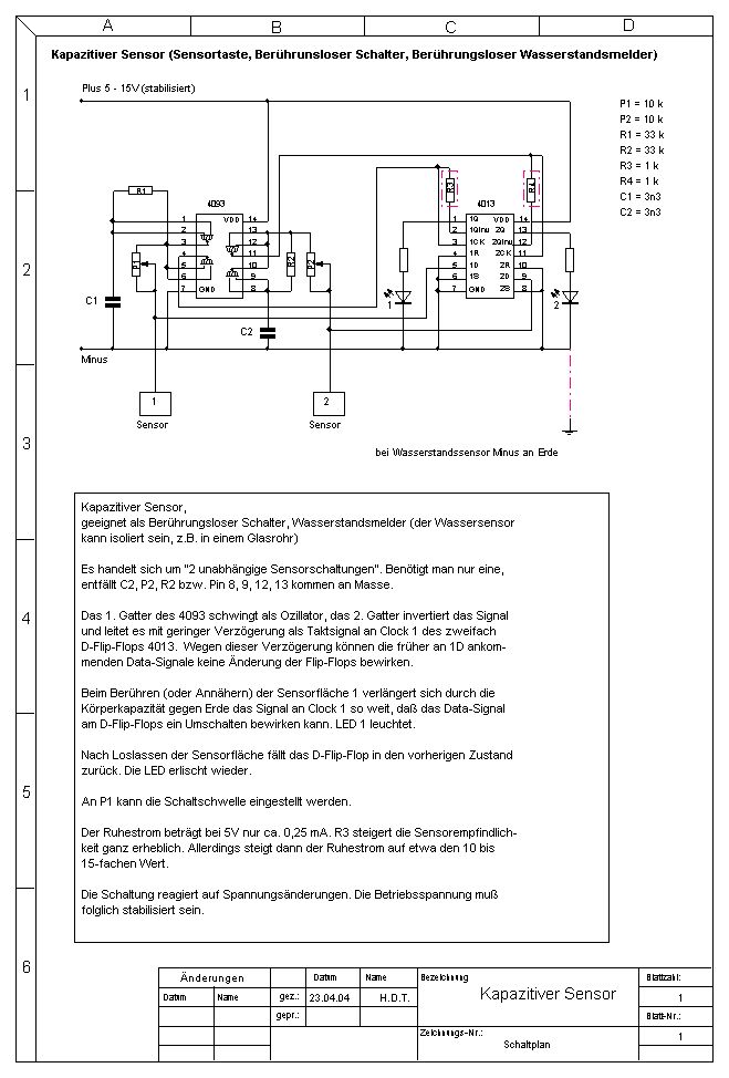
Hallo Leute! Ich bin ja echt ein Neuling, was integrierte Schaltungen und das ganze hier betrifft. Hab hier mal eine Frage, die von vielen von Euch wahrscheinlich schnell beantwortet werden kann. Ich möchte eine Schaltung aus mehreren Touch-Tastern realisieren. (siehe Anhang). Die Taster sollen dabei eine 24V Leitung eines Loxone-Miniserver steuern (http://www.loxone.com/Media/490856a6-ee37-422f-bff2-0e5e02dd34f0/DEU/Dokumentation/Verkabelung/anschluss-einer-jalousie.png). Die Frage ist nun: Welches Bauteil benötige ich? Anstatt der Dioden 1 und 2? Aus dem Datenblatt des 4013 (http://www.reichelt.de/index.html?;ACTION=7;LA=3;OPEN=0;INDEX=0;FILENAME=A240%252FMOS4013%2523STM.pdf) glaube ich heraus zu lesen (Diagramm), dass bei 5 V Betriebsspannung etwa 4 mA anliegen... sehe ich das richtig? Ich kenn mich da einfach ned aus :-( Ich denke, dass ich wohl ein Optokoppler das geeignete Bauteil wäre. Nur welchen brauch ich dann? Das 4013 soll entweder mit 5V oder 12V betrieben werden. Welche Bauteile wären nun die meiner Wahl? Bei 5 bzw bei 12 V Betriebsspannung? Vielen Dank für die Hilfe!! Matthias
> Ich denke, dass ich wohl ein Optokoppler das geeignete Bauteil wäre. Kann man machen, und den Phototransistor an Stelle des Tastern (mit Kollektor nach +24V). Es tut jeder normale Optokoppler, PC817, CNY17, 4N35, ich würde auf einen CTR von mindestens 100% achten. > dass bei 5 V Betriebsspannung etwa 4 mA anliegen... Nö, weniger sind möglich, und DU darfst nicht mehr ziehen, es ist nicht der CD4013 der den Strom begrenzt. Der Widerstand vor der Leuchtdiode 1 bzw. 2 muss je nach Betriebsspannung angepasst werden, bei 12V sin 5mA möglich also 2k2 Ohm, bei 5V nur 1mA also 3k9, daher würde ich den CD4013 mit 12V versorgen. Denn niemand weiß, wie viel Strom durch den Taster bei der Loxone fliessen muss, ob 1mA reicht oder 5mA nötig sind. Wenn die Loxone gar 20mA benötigt, muss man einen Optokoppler mit 400% CT nehmen, und versuchen, aus dem CD4013 zu holen, was zu holen ist (ohne ihn zu überlasten).
Optokoppler kannst du nehmen welchen du willst / hast. Es ist nur der Vorwiderstand Spannungsabhängig.
Perfekt! Sehr gut, genau das wollte ich wissen! Vielen, vielen Dank! Ich werd wohl den PC 817X nehmen. Der Support von Loxone meinte gerade, es fließt ein sehr sehr kleiner Strom (digitale Eingänge) und es reicht, wenn ein Kontakt hergestellt wird. Sollte also alles kein Problem sein. DANKE! Werd berichten was rausgekommen ist! Beste Grüße, Matthias
Bitte melde dich an um einen Beitrag zu schreiben. Anmeldung ist kostenlos und dauert nur eine Minute.
Bestehender Account
Schon ein Account bei Google/GoogleMail? Keine Anmeldung erforderlich!
Mit Google-Account einloggen
Mit Google-Account einloggen
Noch kein Account? Hier anmelden.
