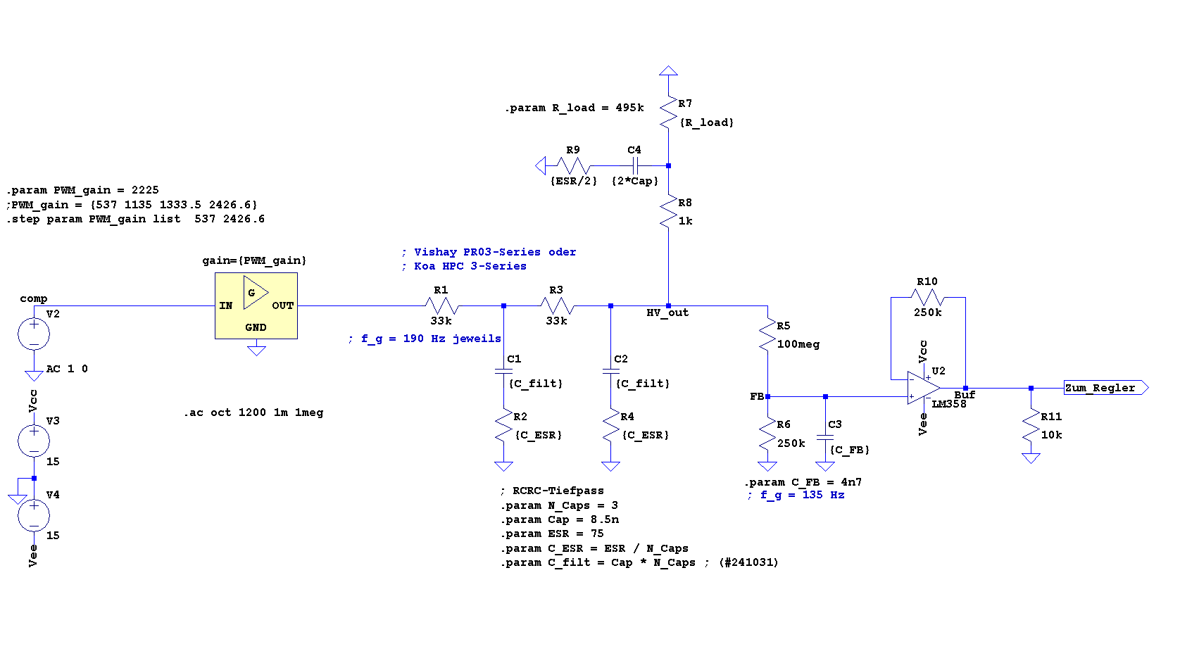
Hallo, ich stehe gerade vorm Wald. Ich habe ein kleines HV-Netzteil konstruiert mit RC-Ausgangstiefpass, das prinzipiell gut funktioniert und auch stabil ist. Ursprünglich hatte es ein RC-Tiefpass am Ausgang und ich habe den Regler nach Venable (Type 3) [1] optimiert. Vorgegangen bin ich dabei so, dass ich die Grenzfrequenz vom Ausgangsfilter und Feedback gleich gemacht habe und durch diesen Doppelpol einen Abfall von 40 dB/Dekade erreicht habe. Die erechneten Werte brachten eine gute Phasenreserve von 70° und besser und der Regler war angenehm stabil und schon auf Anhieb sehr ruhig. Leider reicht es nicht und insbesorndere niederfrequente Rauschen wird noch nicht ausreichend unterdrückt. Ich muss daher wohl ein RCRC-Tiefpass verwenden. Doch ich weiß nicht, welche Reglerstruktur ich hier verwenden muss, und wie er dimensioniert werden soll. Zusammen mit dem Kondensator hinter dem Feedback-Widerstand erhalte ich ja drei Polstellen und ich vermute, dass der Regler nun auch eine Polstelle mehr erhalten muss (?). Doch wie? Hat jemand Erfahrungen oder einen Lösungsansatz? Beste Grüße, Marek (kein Regelungstechniker) [1] Pressman, Billings, Morey; Switchming Power Supply Design; McGrawHill 2009
Bitte melde dich an um einen Beitrag zu schreiben. Anmeldung ist kostenlos und dauert nur eine Minute.
Bestehender Account
Schon ein Account bei Google/GoogleMail? Keine Anmeldung erforderlich!
Mit Google-Account einloggen
Mit Google-Account einloggen
Noch kein Account? Hier anmelden.
