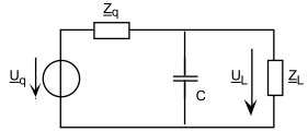
Hallo, ich habe eine Frage zu der angehängten Filterschaltung, die aus folgendem Skript zu EMV stammt (Seite 13): http://www.mikrocontroller.net/attachment/2813/EMV.pdf Dort verstehe ich folgende Erklärung zu dieser Schaltung nicht: "Das einfache Filter 1. Ordnung ist immer dann unwirksam, wenn der Quelleninnenwiderstand sehr klein ist." Aus dem Satz deute ich jetzt einfach mal: Quelleninnenwiderstand Zq < Last ZL Wieso ist das so? Wenn ich ein C wähle, dessen Blindwiderstand |Xc| bei der Störfrequenz in etwa der selben Größenordnung (oder kleiner) wie die Impedanz |Zq| liegt, wird die Störspannung über der Last doch definitiv kleiner?! Und das sogar um so deutlicher, je hochohmiger die Last ist - also alles andere als wirkungslos. Bitte helft mir, wo stehe ich auf dem Schlauch? Oder bin ich auf dem richtigen Weg, und der Satz müsste um korrekt zu sein erweitert werden in: "Das einfache Filter 1. Ordnung ist immer dann unwirksam, wenn der Quelleninnenwiderstand sehr klein *im Verhältnis zum Blindwiderstand des Kondensators* ist." ??
"Das einfache Filter 1. Ordnung ist immer dann unwirksam, wenn der Quelleninnenwiderstand parallel dem Lastwiderstand kleiner als der Blindwiderstand des Kondensators* ist."
>Wieso ist das so?
Diese völlig allgemein gehaltenen Textchen sind reichlich sinnlos und
ohne geistigen Nährwert. Bei Ausgängen mit sehr kleinen Quellimpedanzen
kann man in der Regel keine beliebig großen Kapazitäten vom Ausgang nach
Masse schalten, weil bei analogen Schaltungen der Ausgang dann gerne
instabil wird und bei digitalen Ausgängen die üblich hohe Slew-Rate
kräftige Ströme in die Masse fließen läßt und ordentlich "ground bounce"
erzeugt. In einem solchen Fall muß man die Impedance des Serienglieds
dann künstlich erhöhen, beispielsweise mit einem Ferriten oder einer
Drossel. Aber wie gesagt, solch allgemeinen Empfehlungen und Ratschläge
sind völlig sinnlos. Es kommt immer auf die aktuelle Schaltung an,
welche konkrete Maßnahme zu wählen ist.
Vielen Dank Helmut, dann habe ich mit meiner Überlegung ja doch ganz gut gelegen. Danke auch @ Kai. Klar, ein Op-Amp z.B. wird mir in aller Regel einen dicken Kondensator am Ausgang übel nehmen, im praktischen Fall gilt es sowas natürlich mit zu berücksichtigen. Ich bin gerade dabei mir ein paar Grundlagen zu EMV klarzumachen, also vor allem wie können Störungen einkoppeln, wie wirken sie sich aus und welche Gegenmaßnahme macht in welchem Fall Sinn oder ist vielleicht sogar völlig kontraproduktiv. Dafür fand ich den Artikel für den Anfang eigentlich ganz in Ordnung - falls zufällig aber jemand einen Link zu einem guten Artikel parat hat, wäre ich natürlich trotzdem dankbar :)
Bitte melde dich an um einen Beitrag zu schreiben. Anmeldung ist kostenlos und dauert nur eine Minute.
Bestehender Account
Schon ein Account bei Google/GoogleMail? Keine Anmeldung erforderlich!
Mit Google-Account einloggen
Mit Google-Account einloggen
Noch kein Account? Hier anmelden.
