Hallo, ich würde ganz gerne meine Mikrocontrollerschaltung dafür verwenden mein 0815-Halogen-Seilsystem zu dimmen. Also mein Trafo ist primärseitig dimmbar. Wie müsste eine entsprechende Schaltung aussehen, damit ich die "Dimmfunktion" für meinen ATmega8 programmieren kann? Im Internet habe ich etwas von Puls Weiten Modulation gelesen? Wie realisiert man so etwas? Welche FET´s benötige ich? Also ich würde mich über einige detailierte Informationen freuen... DANKE.
Hi, such mal hier im Forum nach: Phasenanschnitt bzw. Phasenabschnitt wurde alles schonmal besprochen mfg Kay
Das riecht nach einer phasenanschnittssteuerung oder ähnliche Sachen. Oder ich persönlich will nicht so an 230V rumbasteln (obwohl ich es darf...) da würde ich nach einem Dimmer Schauen welchen ich per I2c oder ähnlich ansteuern könnte.... Mfg Ulrich
Hallo hat das System einen elektronischen Trafo? Wenn ja wird das mit dem dimmen auf der Sekundärseite sehr schwer. Auch primär solltesch du sowohl den elektronischen als auch den konventionellen Travo mit PhasenABSCHNITT dimmen. MfG
>...auch den konventionellen Travo mit
PhasenABSCHNITT dimmen.
könnte es sein, dass Du dich da irrst?
AxelR.
@Sven ich habe bei mir ein "Ferntastdimmrelais" verbaut. Der Trafo ist 300Watt Ringkern (ausgelastet). Die Sache funktioniert ansich, jedoch macht das Halogensystem jetzt ordentlich "Lärm", sodass an ein dimmen eigentlich nicht zu denken ist. Ich habe schon alles nachgezogen - ohne Erfolg: der Ringkern und die anderen Komponenten "surren" weiter vor sich hin. @Daniel wenn ich eine Induktivität - also meinen Ringkern - mitten in der Phase abschalte, entstehen doch riesige Spannungsspitzen... Beim elektronischen Trafo nicht-ok. aber beim gewickeltem Trafo? Bei ELV gibt es ja diesen Phasenabschnittdimmer DI 300 zu kaufen. http://www.mikrocontroller.net/forum/read-1-170605.html Im aktuellen Katalog (jedoch nicht auf der Website) wird ausdrücklich darauf verwiesen, dieser Bausatz/Fertiggerät zum Dimmen von gewickelten Trafos NICHT geeignet ist. Da wird ja wohl was drann sein, oder? Achja: wie bekomme ich das hässliche, extrem laute, Surren meiner Halogenbeleuchtung weg? Gruß AxelR.
Ich würde mir den Aufwand mit der Phasenanschnitt- abschnitt Sache sparen. Einfach nen Gleichrichter rein und das ganze mit PWM über nen MOSfet dimmen. Da spart man sich auch den Pragrammieraufwand mit der Pahsenerkennung und eventuelles Flackern. Auch das Brummen des Trafos ist damit verschwunden...
Da fliessen 25Amp. und das den ganzen Abend. Ich weiss nicht recht...
Brummen von Ringkerntrafos, gepaart mit relativ schneller Erwärmung hatte ich bisher nur, wenn mir so ein Teil mal runtergefallen war oder der Trafo aus den Baumarkt Seilsystemen war. Ich hatte auch vorher einen Elektromaschinenbauer konsultiert und den gefragt, warum der Ringkern so brummt. Der sagte dann gleich, das ich den mal "durchmessen" soll. Der meinte da wohl sowas wie Induktivität oder so. Ich habe dem dann einen neuen Trafo (Ringkern) in Auftrag gegeben und den "Brummer" mal abgewickelt. Siehe da: Tatsächlich ein kleine Riss im Kernmaterial ... Der Neue Trafo ist übrigens kleiner, absolut ruhig und wird nur handwarm.
Nun, ob nun 598DM (Bj.1998) als Baumarktware durchgeht? eher nich, oder...
Es gibt elektronische Trafos mit integriertem Dimmer. Irgend etwas um die 22 Euros. Nicht bei Reichelt !
die gedimmten elektronischen sind aber wohl nicht für Seilsysteme zugelassen. max. Gesamtkabellänge um die 2m.
Heute baut sich doch keiner mehr so ein Ringkernmonster in die Decke. Lamda/2 sind die 2 Meter wohl auch nicht.
230 V Gleichrichten, zerhacken PWM oder Selbstschwinger ca. 40-100khz über kleinen Trafo denn fertig. Einfach erkärt.
Das sind ja viele konstruktive Gedanken, doch mich würde eine Schaltungsschemata mehr interessieren? Wie sieht also eine entworfene Schaltung mit Mikrocontroller aus? Wie muss ich meinen ATmega8 mit dem Seilsystem koppeln? Wo kommen die MOSFET´s hin. Wie sieht es mit der PWM-Schaltung aus? Zu Frank1 und Herrn Böck: Und was ist das für eine Wahnsinnige Idee mit dem Gleichrichter?
Ja,es gibt ja nur zwei praktikable Lösungen. Entweder den Vorhandenen Trafo Dimmen wobei der Trafo es auch vertragen muß (Nicht jeder kann das.) oder nen Elektronischen nehmen. Letzterer ist kleiner,leichter und macht keinerlei Geräusche. Die meisten brauchen dann aber einen Phasenabschnittdimmer. Der Elektr. Trafo muß dafür aber Geignet sein (Steht drauf) Alternativ gleich einen Eleltr. Trafo mit Steuereingang (Einfacher Taster oder Poti.Gibt da unterschiedliche Systeme) Im anhang ein bild mit Zwei Vertretern dieser Gattung (Schon etwas älter) Vorne 20-70W Hinten 50-150W (Mindestlast ist Zwingend sonst gehen se nicht) Fürs Dimmen eines Eisentrafos hab ich da auch nen Schaltungsvorschlag. Muß ich mal eben raussuchen.
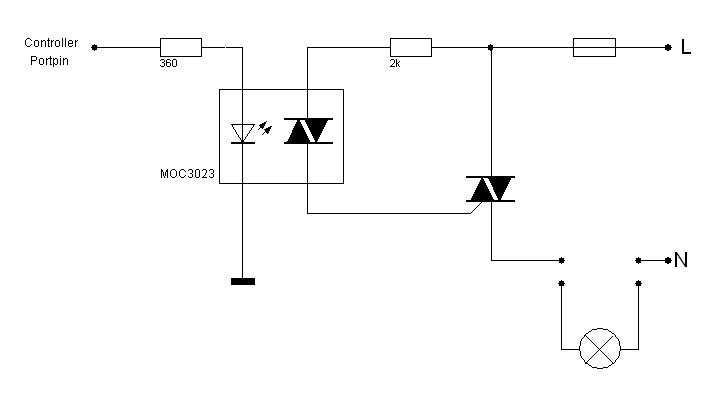
So,gefunden. Die Stufe ist nur einfach für Ohmsche Verbraucher. Wer mehr Schalten will muß eben noch Entstören. Wenn ein anderer Koppler genutzt werden soll dann müssen evtl. noch die beiden Widerstände angepasst werden.
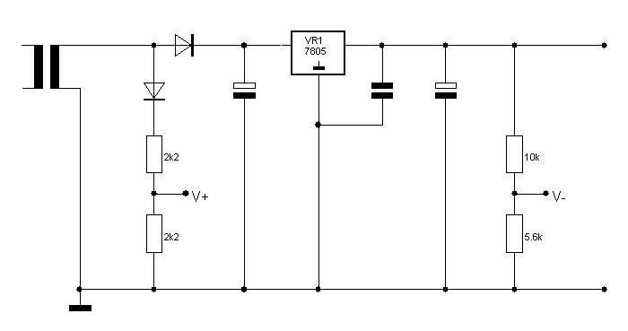
Und gleich den Vorschlag für die Nuldurchgangserkennung hinterher. Es gibt einige Möglichkeiten sowas zu realisieren. Meine Variante nutzt den Komparator des Controllers (V+ und V-) womit sich mittels Interrupt beim Nulldurchgang auch gleich das Timing einfach lösen läst. Evtl. kann man bei den beiden Spannungsteilern noch Trimmer einfügen um den Durchgang ganz genau einzustellen aber für gewöhnlich reichen die festwiderstände voll aus. Beim Trafo sieht man das ich nur eine Einpulsgleichrichtung nutze. Der Grund liegt in der Signalgewinnung. Da der Controller nebst umbeschaltung eh nur wenige Milliampere braucht kann man damit leben. Wen es stört der kann die Signalgewinnung auch einzeln mit einem kleinen Hilfstrafo (1-2W Type oder passendem kleinübertrager.Je nachdem was greifbar ist) erledigen und den Hauptteil der Schaltung mit einem regulären Netzteil versorgen.
Hallo Sven Das ist keine Idee das ist Tatsache. Alle (die ich kenne)getakten Netzteile ob PC oder NV Halogen richten die Eingangsspannung gleich. Mal ein Bischen Grundlagen lesen ?
@Frankl ich ging auch davon aus, das Du die 12V Seite gleichrichten wolltest. Daher hatte ich Bedenken diesbezüglich angemeldet gehabt. Da wird ja die Graetzbrücke samt Kühlkörper größer als der Trafo... Vielleicht kann man den Phasenanschnitt für den Ringkern, unter Inkaufnahme von Schaltverlusten "weicher" gestalten? Dann sollte das störende Surren auch weg sein. Ich könte mir auch ein elektronischen Trafo besorgen. Gibt es sowas für 300Watt? (Kein PC-Netzteil) @Sven Du könntest die Sache auf der 12V-Seite mit Mosfet's schalten. Geht aber nur mit Gleichstrom (zumindest ohne Klimmzüge). Wie ich schon sagte, die meiste Wärme wird im Gleichrichter umgesetzt. Wenn Du wie erwähnt/gefragt primärseitig dimmen willst, nimmst Du etweder einen Triac mit o.g. Nullspannungserkennung (mal im Forum nach DImmer oder DMX suchen), oder eine Graetzbrücke in Reihe zum Trafo (an die ~ Klemmen) und an die + und - Pins des Gleichrichters den Mosfet. Dieser wird dann über einen Optokoppler angesteuert Gruß AxelR.
Bitte melde dich an um einen Beitrag zu schreiben. Anmeldung ist kostenlos und dauert nur eine Minute.
Bestehender Account
Schon ein Account bei Google/GoogleMail? Keine Anmeldung erforderlich!
Mit Google-Account einloggen
Mit Google-Account einloggen
Noch kein Account? Hier anmelden.


