Hallo, ich habe einen Laptopakku ausgeschlachtet und daraus 12 18650er Zellen entnommen. 3,7V und 2000mAh stehen drauf. Ich wollte mir nun daraus 3 Akkupacks bauen. In jedes dieser Packs sollen 4 Zellen in Reihe geschaltet werden so das ich 14,8V erhalte. Mein Ladegerät ist ein Ultramat 15 von Graupner. Nun meine Fragen: Benötige ich unbedingt einen Balancer? Oder gehts auch ohne? Kann ich auch ein 14,8V Pack aus 8 Zellen aufbauen so das ich immer 2 parallel schalte? Die Akkus haben alle noch eine Restspannung zwischen 2,25 und 2,7V. Ich werde jetzt mal alle einzeln aufladen, das geht ja noch ohne Balancer. ich hoffe die sind noch zu gebrauchen!
Zellen bis 3.2V nur mit C/10 laden ! Bei Reihenschaltung ist ein Balancer erforderlich (gabs bei Elektor) Das LAdegerät IMAX B6AC hat den Balancer eingebaut. Sonst einen Ladestecker bauen, an den alle Akkus einzeln angeschlossen sind. Zum Laden muss das Gegenstück alle Akkus parallel laden. Ein anderer Stecker zum Entladen macht aus den Akkus dann eine Reihenschaltung. Alles klar ? Joe
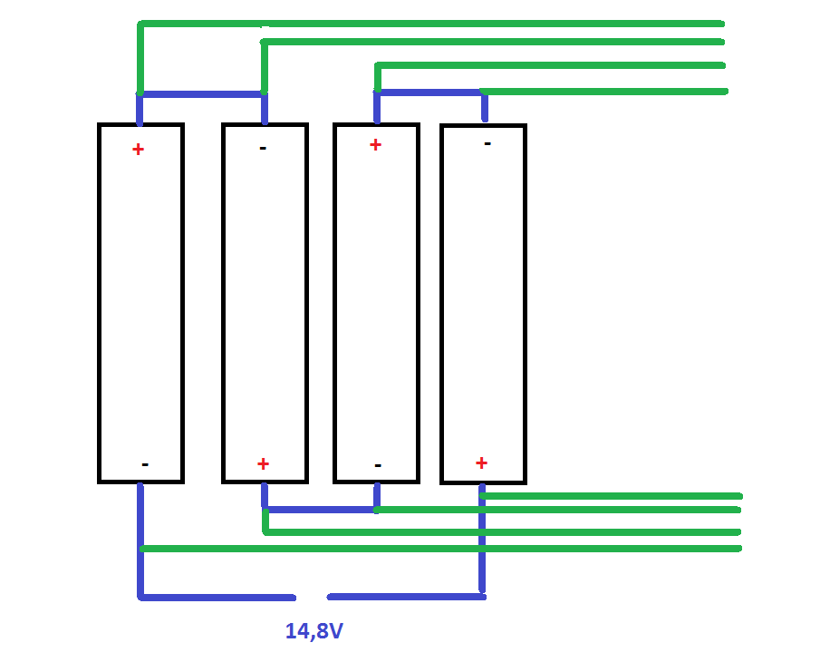
Also in etwa nach diesem Prinzip hier? Brauche ich bei 2 Zellen hintereinander auch schon einen Balancer? Sonst könnte ich auch 2 7,4V Packs bauen, in Reihe schalten und eben einzeln laden!
> Benötige ich unbedingt einen Balancer?
Ja.
Du hast sie von ihrer Schutzelektronik entfernt,
der Akkulader kann ohne Balancer nicht feststellen,
ob die Gesamtspannung von 165.8V durch 4 x 4.2
oder 2 x 4.0 und 2 x 4.4 (überladene) zu Stande kommt.
Aber zu deinem Ladegerät gibt es einen Balancer.
Bitte melde dich an um einen Beitrag zu schreiben. Anmeldung ist kostenlos und dauert nur eine Minute.
Bestehender Account
Schon ein Account bei Google/GoogleMail? Keine Anmeldung erforderlich!
Mit Google-Account einloggen
Mit Google-Account einloggen
Noch kein Account? Hier anmelden.
