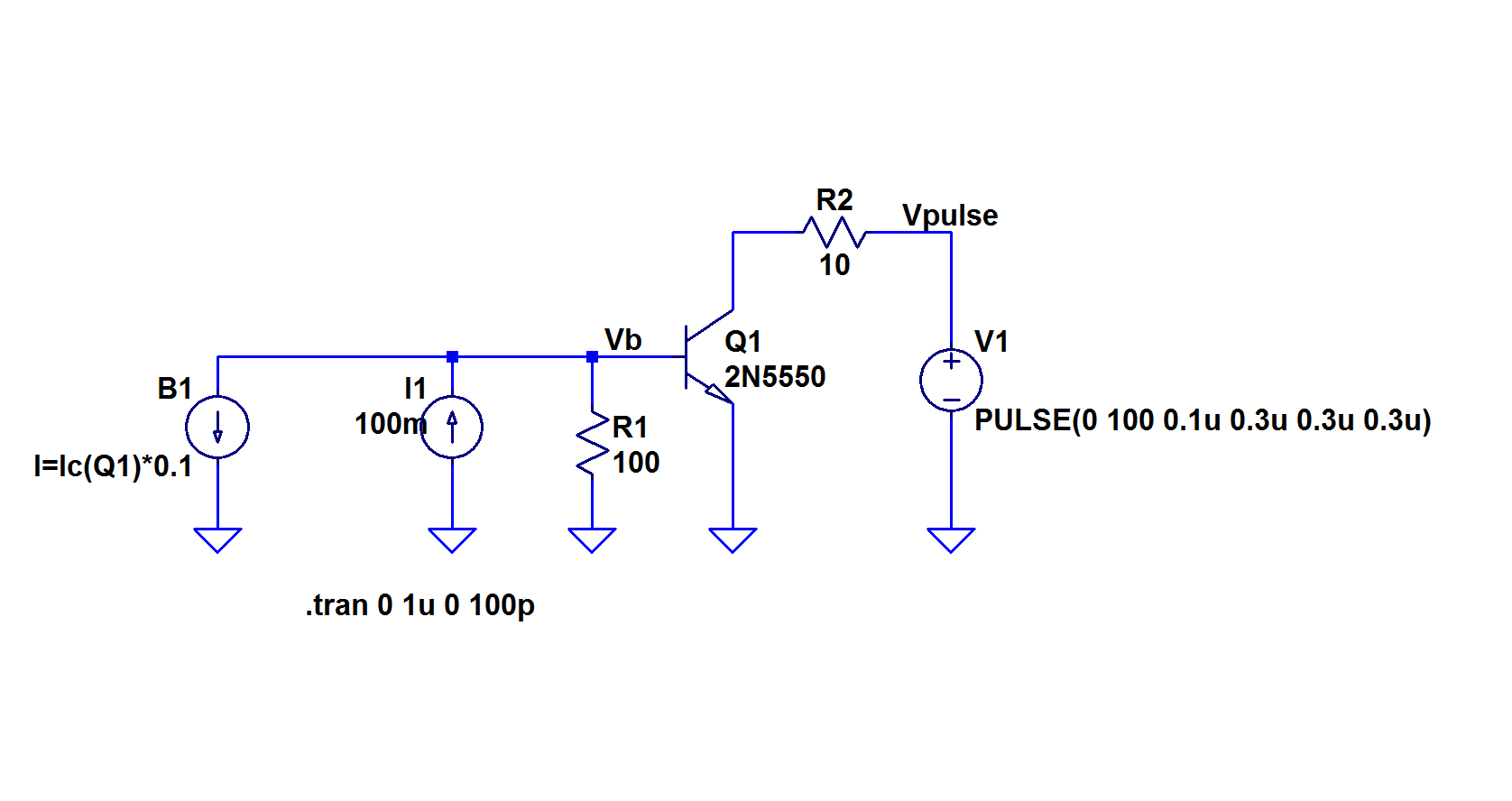
Hallo, ich habe eine Verstaednisfrage bzgl. einer Simulation die ich in LTSPICE gemacht habe. Es geht darum, dass ich gerne den Avalanche Effekt nachempfinden moechte. Dafuer habe ich eine gesteuerte Stromquelle an die Basis geschlossen, die den Kollektorstrom quasi rueckkoppelt (Bsp: I = Ic * 0.5). Nun habe ich das Problem, dass bei uebermaessigen Stromertrag am Kollektor der Strom so hoch an dieser Stromquelle steigt, dass diese mehr Strom liefert als eigentlich moeglich ist. Dieser Strom muss irgendwo herkommen. Eine feste parallele Stromquelle liefert 100 mA. Wird dieser Wert ueberstiegen, liefert nun die Basis den fehlenden Strom. Ok, das hoert sich schon mal komisch an. Dann wuerde ich aber auch vermuten, dass der Transistor kollabiert und keinen Strom mehr am Kollektor liefern kann. Dies ist jedoch nicht der Fall, denn die Basis-Emitter Spannung ist weiterhin uber 0,7V. Das heisst der Transistor leitet, liefert aber einen negativen Basisstrom. Mich bringt das nun durcheinander. Was mache ich falsch? Ist es eine Fehler der Simulation oder ist dies tatsaechlich moeglich? Natuerlich rekombinieren Elektronen in der Basis und liefern dadurch Strom. Aber hier sprechen wir von rund 17mA. Im Anhang das Schaltbild und die Simulation. Danke!
Also ich habe jetzt nochmal nachgerechnet und vereinfache mal meine Frage. Die Gleichung Ib = Ie - Ic wird immer eingehalten. Das passt also. Aber: Ist es moeglich einen negativen Basisstrom zu erhalten, selbst wenn der Transistor in einem leitenden Zustand ist? Der Emitterstrom ist somit an einem Punkt kleiner als der Kollektorstrom.
Hallo, ich habe die Frage selbst beantworten koennen. Es steht in folgendem PDF auf Seite 9. http://www.tu-ilmenau.de/fileadmin/media/mne_fke/PRAKTIKUM-Dateien-Bilder/Versuchsanleitungen/VA_EP4_2012.pdf Dieser Effekt beruht auf die Entladung der internen Kapazitaeten des Transistors. Diese sind aufgeladen, solange sich die Spannungen am Transistor nicht aendern (Kollektor-Basis & Emitter-Basis Kapazitaeten). Wird dem Transistor nun der Hahn abgedreht, entladen sich die Kapazitaeten, welches etwas Zeit braucht. Solange sich die Kapazitaet entlaedt und dessen angelegt Spannung >0 ist, bleibt der Kollektorstrom nahezu gleich (normal fuer Kondensatoren). Dieser Strom wandert nun in die Basis. Dadurch wird der Basisstrom negativ, waehrend der Kollektorstrom ungestoert eine Weile weiterfliesst. Problem geloest :-)
Bitte melde dich an um einen Beitrag zu schreiben. Anmeldung ist kostenlos und dauert nur eine Minute.
Bestehender Account
Schon ein Account bei Google/GoogleMail? Keine Anmeldung erforderlich!
Mit Google-Account einloggen
Mit Google-Account einloggen
Noch kein Account? Hier anmelden.

