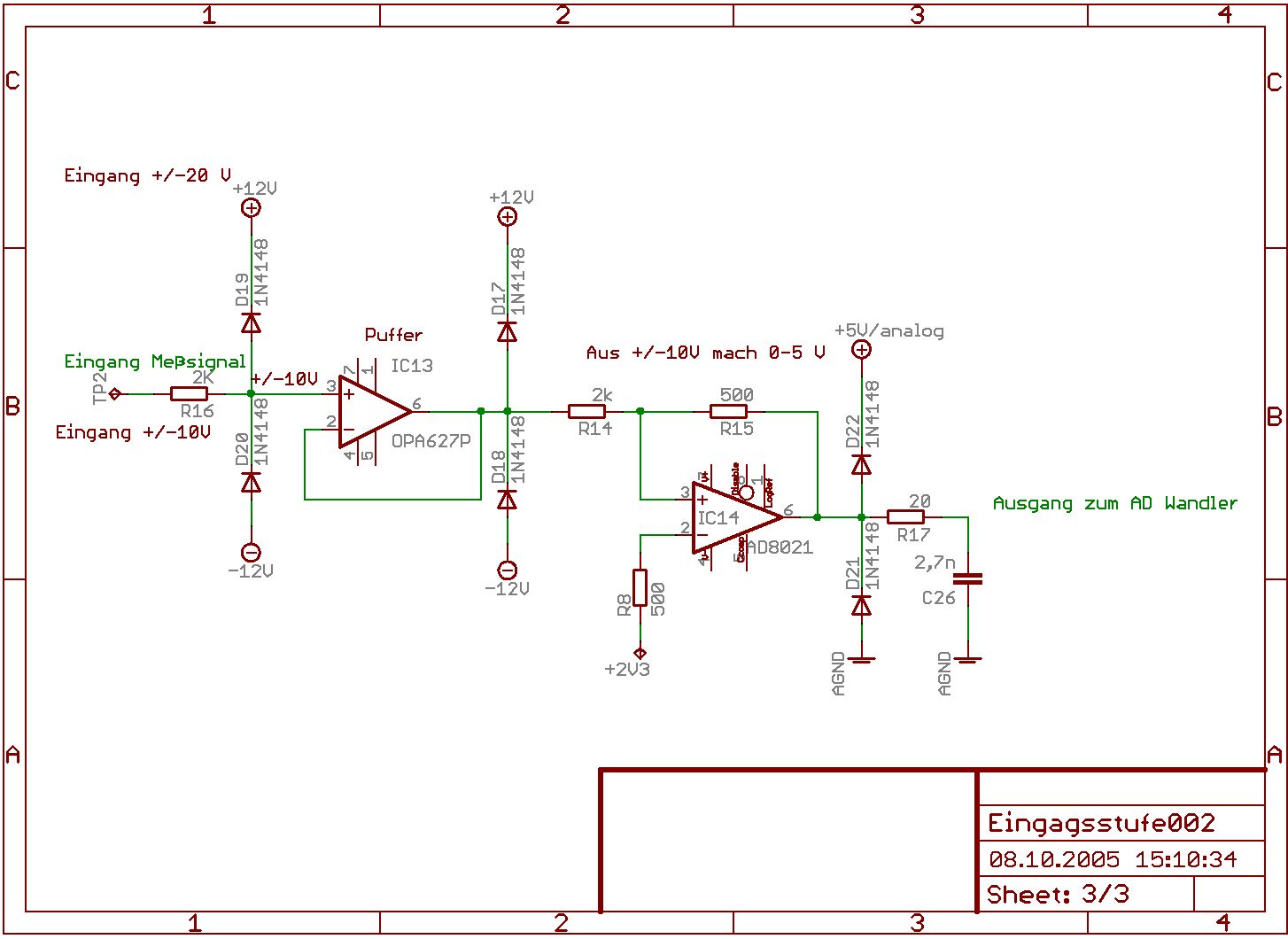
Hallo, kann ich mit der Schaltung im Anhang vernünftig aus +/-10V eine 0-5 V Spannung machen, die 0-5V in keinem Fall um mehr als 0,3V über oder unterschreitet (oder nicht mehr als 30mA in den AD-Wandler)? Diese Eingangsschaltung soll einem A/D-Wandler vorgeschaltet werden. Ist eine andere Schaltung viel besser? Neigt meine Schaltung vielleicht zum Oszillieren? Danke für eure Antworten. Euer moin
@Axel Rühl Der Eingang soll hochohmig sein, da ich sonst immer den Eingangswiderstand der Verstärkerschaltung berücksichtigen muss. Eine Frage noch zu der Absicherung des Eingangs oder Ausgangs: Sind die Dioden richtig plaziert. Sieht vielleicht jemand auf den ersten Blick, dass sie durch andere Typen ersetzt werden müssen (Vorschlag?)? moin
IC14 wird so nicht arbeiten können, da er nicht gegen- sondern mitgekoppelt ist. Um eine Invertierung des Signals (-10V wird +5V und +10V wird 0V) zu vermeiden, muss IC14 ausserdem nichtinvertierend betrieben werden. Vorschlag: Die Spannung aus dem Puffer auf 1/8 runterteilen und auf den + Eingang geben. Den - Eingang mit 2 Widerständen mit gleichem Wert verbinden; davon einen an Ausgang und einen an -2,5V legen. meine Überlegung Ue IC14(+) IC14(A) IC14(-) -10V -1,25V 0 -1,25V 0V 0V +2,5V 0V +10V +1,25V +5V +1,25V Das ist nur mal so aus dem Gedächtnis ins unreine hingeschrieben, kann durchaus sein dass Fehler drin sind. Dieter
Ja so ist das, wenn man Betriebsblind ist ... Natürlich muss beim IC14 Pin 3 und 2 getauscht werden. Daan hast Du allerdings, wie Dieter schon sagt, eine invertierung des Signals, was aber offensichtlich gewünscht war (>..vernünftig aus +/-10V eine 0-5 V Spannung machen). Gruß AxelR.
Ich habe jetzt den Fehler berichtigt - ohje, bei solchen Fehlern hat man Tomaten auf den Augen ;) Ich habe jetzt zwei Vorschläge (s. Anhang) Bei dem Vorschlag von dds5 habe ich das Problem mit der Dimensionierung der Wiederstände und der Erzeugung einer Spannungsreferenz von -2,5V. Welcher Vorschlag ist nun besser? Ist bei dem Vorschlag von dds5 das Problem mit dem Rauschen oder der schlechteren Bandbreite größer? Euer moin
Hi, diese schaltung habe ich gesucht, nur bräuchte ich das ganze von +/-10V auf 70mV wenn möglich gleich Temperaturkompensiert. kann mir da jemand weiterhelfen. Danke für eure Antworten. Euer Tim
Was spricht dagegen, eine der beiden zuletzt geposteten Schaltungen zu nehmen (je nachdem, ob du eine Invertierung möchtest oder nicht) und die Widerstände und die Referenzspannung entsprechend anzupassen? Von welchen Bauteilen soll die Temperaturdrift kompensiert werden? Wie groß darf die vebleibende Drift maximal sein? Die Temperaturdrift der Opamps ist schon durch die Gegenkopplung weitgehend kompensiert. Die Temperaturdrift der Widerstände ist, wenn es Metallfilmwiderstände sind, auch nicht sehr groß. Wenn du die Temperaturdrift der Quelle meinst, die das ±10V-Signal liefert, müsste man erst einmal wissen, wie diese Quelle aussieht.
Bitte melde dich an um einen Beitrag zu schreiben. Anmeldung ist kostenlos und dauert nur eine Minute.
Bestehender Account
Schon ein Account bei Google/GoogleMail? Keine Anmeldung erforderlich!
Mit Google-Account einloggen
Mit Google-Account einloggen
Noch kein Account? Hier anmelden.

