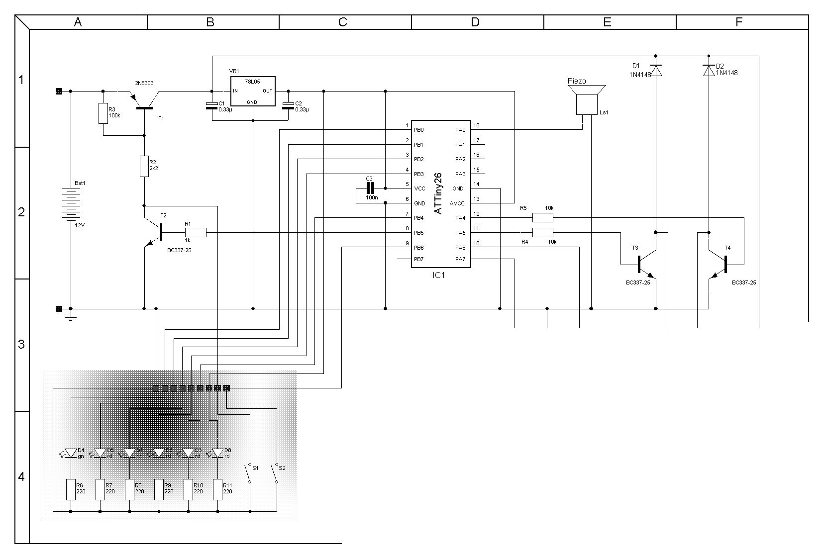
Hallo zusammen, ich möchte folgendes realisieren: - Stromversorgung der Schaltung aus 12V= Akku - Ein Relais (12V= bistabil) ist zu schalten - LCD Display 2x16 ist anzusteuern - 5 Eingabetasten und 2 ADC Eingänge - Controller ATTiny26 Ich würde mir ein Einschalten über eine einfache Taste wünschen. Die Sache schaltet sich nach einer bestimmten Zeit ohne Tastenbetätigung wieder ab. Dauerbetätigung der Tasten sollte ignoriert werden, d.h. Gerät schaltet sich trotzdem aus. Die Taste, welche ich zum Einschalten verwende, soll auch als Eingabetaste für den Controller genutzt werden. Einen Ansatz habe ich schon im Anhang gemacht (T1, T2, S1). Aber die Taste kann ich leider nicht vom Ctrl aus nutzen ... Hat jemand eine Idee, wie man die o.a. Anforderungen umsetzen könnte ? Grüße Dietmar, Filderstadt
wenn du S1 als 2-poligen Taster/Schalter ausführst, könnte es gehen. Sonst könnte man diesen Kontakt vielleicht auch mit einer Diode vom Schaltzustand des T2 entkoppeln. S1 muß ja nur den Pegel zu Beginn auf Masse herunterziehen. Allerdings wird T2 bei Dauerbetätigung von S1 konstant gebrückt, was auch nicht gwünscht ist.
Rahul, die Idee mit den Dioden hatte ich auch schon. Schade ist nur, dass Basis von T1 auf ca. 12V liegt; ein Eingang des ATtiny auf 5V und dieser Clampdioden nach + und Gnd hat und somit immer ein Strom fliesst. Dank für die Antwort Dietmar
Hallo Dietmar! wie wäre es wenn Du einen PNP in Reihe zu S1 Schaltest. Die Basis an PB5. ich gehe davon aus Das dieser Ausgang im ausgeschalteten zustand Low ist und der PNP durch geschaltet wird und T2 Sperrt sonst dafür sorgen. Wenn Du S1 betätigst sollte T1 durchschalten und den Controller einschalten. Ich gehe weiter davon aus, das T2 jetzt durchschaltet und der PNP Sperrt. am Kollektor des PNP wo S1 dran hängt könntest Du dann ganz normal ein Signal abgreifen. Nur musst Du beim einschalten eine Routine einarbeiten die die gedrückte Taste beim erstenmal ignoriert wenn Du S1 weiter verwenden möchtest. Gruß Klaus
Hallo Dietmar, nimm doch zwei Dioden: D1 in die Leitung vom Kollektor T2 zu S1, mit der Kathode an S1. Die zweite Diode D2 zwischen deinem Portpin und der Kathode D1, die Kathode D2 an Kathode D1 bzw. S1. Im Aus-Zustand verhindert D2 einen Strom durch die Clampdioden, im Ein-Zustand verhindert D1 ein aktivieren des Portpins. Bedingung ist natürlich, das S1 solange gedrückt ist, das der AVR hochlaufen kann und T2 betätigen kann. Du kannst auch alle Tasten mit diesen beiden Dioden ausrüsten, dann kann jede beliebige Taste den Start auslösen. Evtl. kann auch ein kleiner Elko parallel zum Taster die Einschaltzeit vergrößern, allerdings mit dem Nachteil, dass deine Taste im Betrieb sehr lange "entprellt" ist (vielleicht ist das auch ein Vorteil). Gruss Wolfgang
Nachtrag: ein C in Reihe zur D1 bewirkt, das bei dauerhaft gedrückter Taste trotzdem abgeschaltet werden kann: R2 mal C muss größer als deine Einschaltroutine sein.
Hallo Wolfgang, Hallo Klaus, vielen Dank für die Tipps; werde morgen mal beide Lösungen versuchen ... und jetzt gehts ins Bett - Gute Nacht Dietmar
Bitte melde dich an um einen Beitrag zu schreiben. Anmeldung ist kostenlos und dauert nur eine Minute.
Bestehender Account
Schon ein Account bei Google/GoogleMail? Keine Anmeldung erforderlich!
Mit Google-Account einloggen
Mit Google-Account einloggen
Noch kein Account? Hier anmelden.
